Fórum témák
» Több friss téma |
Sziaszitok!
Most épp egy olyan egyirányú meghajtót keresek, ami jó nagy bemeneti ellenállással rendelkezik, 8 jelet ad át, nem kell 3state meg engedélyezés sem, nem kell nagy áramot adnia (pár mA/pin), és nem kell gyorsnak sem lennie. Viszont legyen pici, minél kevesebb lába, smd. Mikrokontroller kimeneteihez kellene, de mivel a lábakra kerülnek más dolgok is, ezért fontos a nagy ellenállás. Lehet invertáló, vagy akár nem-invertáló is, sőt jobb lenne egy ilyen egy olyan. ![]() Mit ajánlotok?
Ilyet nem fogsz találni,mert vagy nagyáramú - open kollektor - meghajtó vagy tri-state kimenetű buszmeghajtó létezik 8 egy tokban.
A nagyáramún a bemenetet érted? Mert a kimenetnek nem kell feltétlen kisáramúnak lennie, csak nem használnám nagy áramokra. A bemenet ne fogyasszon egy pA-t se!
Na jó, szóval keveset.Igazából egy csomó megfelelő IC lenne (pl. 4069), csak mind 6 csatornás, és így egy kicsit bonyolult az elrendezés. Jó lenne ha portonként (8 pin) egy IC-vel meg tudnám oldani a meghajtást. A 3state azért nem tetszik, mert sok a lába. 8 bemenet, 8 kimenet 1 táp és egy föld lenne az igazi, ez így 18 láb. A 3statesek meg mind 24-es tokban vannak. Nos?
Ha már itt tartunk, tudtok valami összefoglalót arról, hogy a HC, LS illetve az összes többi betűjelzés mit takar?
Köszi
Hali!
Logikai áramkörcsaládok AC, ALS, HC, HCT, FACT, LVC, stb. Találtam pár oldalt, ahol le vannak írva az alapkategóriák: Első oldal Második oldal Ő egy PDF dokumentum Ő már egy másik PDF Talán ez utóbbi a leghasznosabb link (számokkal, adatokkal, könnyen átlátható...)
Még egy hasznos oldal CMOS illetve TTL szintek témában:
[link=http://www.interfacebus.com/voltage_threshold.html]http://www.interfacebus.com/voltage_threshold.html[/link]
Meg tudná valaki mondani, hogy HEF és HCF típusok között milyen gyakorlati különbségek vannak? És ha lehet tudni, milyen szavakból jöttek ki ezek a fent nevezett mozaikszók?
Mindenkinek jó napot kívánok.
A suliban kaptunk egy feladatot,NAND kapukkal kell megtervezni, egy logikai vezérlő áramkört. A feladatra,most nem térnék ki, mivel ez már megvan. Csak elméleti szinten kellett. Az egyenletet minimáltam stb. Arra lennék kíváncsi,hogy a gyakorlatban logikai ic-kkel,hogy lehet kivitelezni.Milyenek vannak? Hogy működnek,mert az órán csak a logikát, az elméletet tanultuk. A tudásomat szeretném bővíteni. Kösz a segitségeteket.
Kösz a segítséget mindkettőtöknek.Sokat segítettetek
a gyakorlatban a legtöbb esetben már inkább cpld-t vagy kis lábszámú mikrovezérlőket alkalmaznak ilyen célra, ugyanis bonyolultabb logikai függvények megvalósítása kész IC temető lenne ezekkel a diszkrét elemekkel...
Hát igen, ezt tudom pic-keket, meg kül IC-ket. De valahol elkell kezdeni. A suliban eddig ezeket tanultuk, de ezeket is csak elméletben.
Nem baj az, ha tanuljátok. A korszerű eszközökben is ott lapulnak még a kapuk, amikre logikai feladatot egyre kevésbé bíznak, de pl. bemeneti illesztésre, vagy kimenet meghajtására egy szupermodern számítógépes alaplapon is találsz példát. Ezekkel már inkább az a cél, hogy ha valami baj történik a periférián (teszem azt, rövidre zár az ember egy kimenetet), ne az "okos" vezérlő menjen tönkre, hanem egy filléres, gond nélkül cserélhető logikai elem.
semmi gond, csak kiegészítésképpen írtam az előttem szólókhoz...
Szia!
Egy kicsit furcsa a kérdés, hiszen a teljes nyitás elérése más elem értékétől függ. A 74HC02 min. tápfeszültsége 2.0V, az ekkor min. 1.9 V -ot ad ki 20uA terhelés mellett. 3V táp mellett 2.4 mA terhelés mellett 2.45V -ot. A BC846 (Ueb = 0.85V, Ic max. 100mA, Hfe min 150). A telítéshez 100mA -nél min. 67uA bázisáram kell neki. Tehát, ha a kapu kimenetét 3.0V táp mellett max. 1k ellenállással viszed a BC846 bázisára biztosan telítésbe vezérled. (A kapu földpontját és a BC846 emittét azonos potenciálhak tekintettem.) 2V -os táplálásnál nincs megadva nagyobb kimenő áram, de 100uA valószínűleg kivehető. Ebben az esetben néhány 100 ohm bázisellenállásra lesz szükség. BC846 74HC02
Sziasztok! Építettem egy kapcsolást, hogy a LOGO nyolc kimenetét többszörözzem. Majdnem tökéletesen működik, csak azt szeretném, hogy induláskor a kimenetek alacsony szinten legyenek. Ezért tettem bele a kondikat, a szimulátorban tökéletesen működik, de a megépített kapcsolásban nem. Van valami ötletetek, hogyan csináljam?
Szia! Nem ellenállással akartad lehúzni a bemeneteket? A kondenzátorok "bárhova" feltöltődhetnek statikusan bekapcsolás előtt.
Köszönöm hogy foglalkozol a kérdéssel! A mellékelt kapcsolásból vettem az ötletet. Ha ellenállást raknék akkor nem veszítené el az öntartását a cd4044?
A mellékelt kapcsolásban a kondenzátorok a zavarszűrést végzik, az ellenállások pedig felhúznak. A te kapcsolásodban a zavarszűrés megvan (nagyfrekvenciás komponensek földelése) de ellenállásokkal nem húzol sem le sem fel. Ha elég nagy ellenállással húzol, akkor a működés során elhanyagolható áramot vezet, viszont kikapcsolt állapotban a statikus töltést képes levezetni.
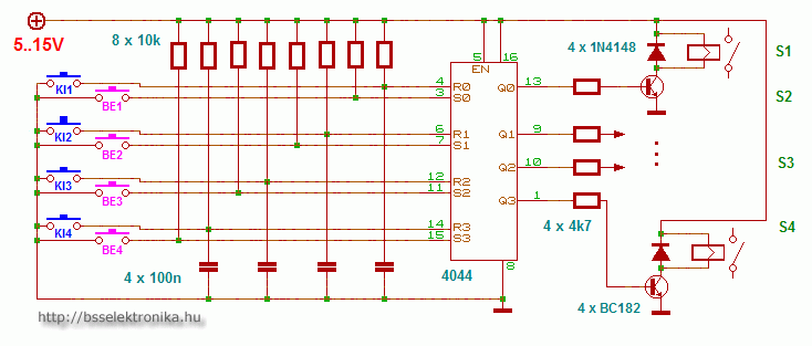
Bemásolom a ki-be áramkör leírását:Egy darab 4044 típusú CMOS IC-vel és néhány alkatrésszel készithetünk nyomógombos digitális kapcsolót.
Négy különálló kimenetet tartalmaz. A BE nyomógomb megnyomásakor a relé meghúz, a KI nyomógomb megnyomásakor pedig elenged. Tranzisztorként BC182 vagy hasonló típusú szilícium tranzisztor jó, lényeg hogy bírja a relé áramát. A dióda lehet 1N4148 vagy 1N914, de itt szintén bármilyen más típus megfelel, a szerepe mindössze annyi, hogy a relé tekercsében indukálódó feszültség ne tegye tönkre a kapcsoló tranzisztort. Idézet: De tény hogy nem működik, kipróbálom ellenállással, 1Mega jó lenne? "már nem bízom a szimulátorban" „A kondenzátorok a bekapcsolási alapérték beállításához kellenek, attól függően, hogy az IC melyik lábára vannak kötve, a tápfeszültség bekapcsolásakor a hozzátartozó kimenet magas vagy alacsony szinten lesz.” A hozzászólás módosítva: Jún 6, 2013
Honnan másoltad a szöveget? A bekapcsolási tranziens kiszűréséhez jó a kapacitás, kezdeti érték beállításához nem. Az 1M jónak hangzik, de próbáld ki 100k-val is, ha nem működik elsőre. Ha jól tudom, a 154-es kimenete 130 Ohm-al húz VCC-re magas állapotban. Ez alapján érdemes a levezető áramot és az osztott feszültséget méretezni a te igényeidhez. (stabil működés <--> kis fogyasztás)
Szia Gomba! Nem működik se 1M-val se 100K-val. Nagyon esetlegesen állítja alacsonyra induláskor a kimeneteket, attól is függ mennyi idő telt el az utolsó kikapcsolás óta, utána működik rendesen tartja a vezérelt állapotot. Sajnos méretezni nem tudok. Az nem lehet hogy nekem is sorba kéne kötni 10K a 154 kimenet és a 4044 bemenetei közé, bár egy másik kapcsolásban a 154-es közvetlenül vezérel?
És ha 10k-val próbálod meg lehúzni? Az még mindig 1:77 osztó, 0,5mA 5 Voltos VCC esetén.
A 154-es bemeneteit is lehúzod, vagy azok lebegnek? Akkor érthető lenne. Ugye az ellenállásokat nem a kondikkal kötötted sorba?! |
Bejelentkezés
Hirdetés |





Na jó, szóval keveset.







