Fórum témák
» Több friss téma |
Sziasztok!
A fent említett TV-vel az a baj hogy a kapcsüzemű tápról nem jön le eggyáltalán feszültség de nem tudom hogy mi lehet a baja csatolok 1 képet a táp részről
hi szerintem ez
(nem biztos) piros karikában
Már van TV-s topic, miért nem oda tetted fel a kérdésedet? Amúgy ott szélen a bordán az egy tranyó akar lenni? Ha az akkor mérd ki, hogy jó-e.
szia!
azért nem tettem a tv-s tpoicba mert az általánosságban szól a tvk-ről de lehet h ezétr figyelmeztetést kapok
szia!
mire írod h szerinted ez? szerintem az 1 ic
hi lehet hogy az rossz
Miért pont az lenne a rossz? Ezer másik alkatrész van benne ami rossz lehet. Ezekbe inkább a tranyó adja meg magát.
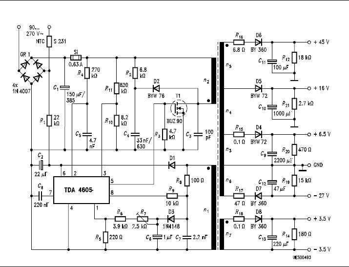
zoly15: mellékelek egy alapkapcsolást az IC-hez.
szia!
a tranyó jó elvileg csak 1 irányba ad át mértem és ebben is BUZ90-van mi lehet még azon kívül a baj? a BUZ90-et mivel lehetne helyetesíteni?
Hali!
A tranyónak a bázis felől a kollektor és az emiter irányába is át kell engedni, fordított polaritással nézve pedig nem. (csak azért írom, hogy egyértelmű legyen, mert az írásodból nem teljesen derül ki)
Most néztem, hogy az egy fet.A D-S között mit mértél? Ott nem kell mutatnia semmit. Az a kondi nem púpos egy kicsit, mert a képen ugy látszik. Egy csere nem árt. Ja és a bizti jó benne?
a biztosíték jó ha nem lenne jó hogyan lenne fesz a FET-en?
a kondi nem púpos és a kondin van 309V a fet-nél alul a 2 szélsőn a GND-hez képest ott a tápfesz (-309V) a középsőn -31V akkor mégiscsak ez a rossz? máson nem látni hogy rossz lenne...
Minuszba van a tápfesz? Mihez mértél a pozitívhoz? negatív fesz hogy lehet rajta?
írtam hogy a GND-hez de én semm értem h hogy lehet negatív fesz a multi jól volt kötve megnézem mégegyszer
rosszul volt a multi mert én a kondinak a rajzát néztem a nyákon és fordítva van rárajzolva tehát +309v és + 31V van
Nem értem hogy lehet 309 volt a szélsőn amikor az testre van kötve.
A középsőn meg a tápfesznek kellene lenni. Mérjél feszültséget az IC 6-os lábán.
Ha a tápot nézed ( 309 volt), ne beszélj GND-ről, inkább táp negatívról. Ehhez képest a BUZ90 gate nem lehet +31 volton, mert +/- 20 a határérték és nálad már halott is akkor. A drain (középső) és a jobb szélső ( source) láb között mérheted a reverz, belső diódát ( táp nélkül ! ), de valszín nem zárlatos, mert akkor nem lenne 309 volt rajta.
Helyettesítő: Vds >600 volt, Ids> 4,5 A, pl MTP6N60, stb... Egyébként nagyon sok baja lehet a cuccnak... sokan tömeges elkócserét csinálnak; aztán IC hiba, trafó menetzárlat, kondik a fet-körben...
Ellenőrizd a mellékelt (alap)kapcsolási rajzon R4 és R11 pozíciószámmal jelölt ellenállásokat. Ezek a 310V-ból 20V alatti feszre ejtenek, ha nem impulzustűrő kivitelűek, akkor pár év alatt megszakadnak/"megnyúlnak".
4605 bármelyik hibájára nyűgös, nem indul, előnye hogy semmi más nem megy tönkre.
szia!
kipróbálom!! annyit vettem észre hogy mikor bedugom a képcsőből vízhangzás hallható :yes:
Sziasztok!
Csak ezt az egy medionos topikot találtam ezért fel teszem ide is ezt a kérdésemet. A kérdésem |
Bejelentkezés
Hirdetés |







A középsőn meg a tápfesznek kellene lenni. Mérjél feszültséget az IC 6-os lábán.
