Fórum témák
» Több friss téma |
Fórum » MIG/MAG/Co2 hegesztő készülékek házilag
Témaindító: electorkalandor, idő: Feb 19, 2009
Témakörök:
Durván 50-60% -ban átnéztem a rajzot és a panelt, és teljesen egyeznek a pozíció számok és az alkatrészek értékei.
De tényleg ne vesztegessünk rá több szót csak zárójelben mondtam. A bekötése tuti jó.
Jó tehát kérlek a rajzon karikázd be a D27 T5 és írd meg az R27 ellenállását. pl. De pl R27 - R28 ellenállásnak teljesen más a funkciója. Ez egy tizenévvel későbbi panel módosításokkal. De nem számottevő. Nálunk a cégnél egy azonos típusú előtoló 6 féle panellal volt szerelve, én egyből látom a különbséget. Ennyi a 25 év.
Azok az alkatrészek a maradék át nem nézett 40-50% ban vannak.
![]() Nem okoskodni akartam hanem csak annyit akartam mondani, nagy vonalakban azért hasonlít. Ilyennek mint én jó így is! Minden tiszteletem a tiétek, akik segítenek.
De igen, kézzel rajzolva,ha megfelel szívesen elküldöm neked. Remélem, a kirajzoláskor nem vétettem hibát.
Köszönöm a dicséretet, de szerintem sokan vannak , akik nagyobb tapasztalattal rendelkeznek mint én. Csak legfeljebb nem akarják a kínkeservesen megszerzett tudást átadni másoknak.
János,neked igazad lehet. Ugyanis én csak a típust néztem, a gyártót nem. Az a rajz ami nekem van az az eredeti ELRESTA gyártmányú panel rajza. Nem figyeltem eléggé. Mea culpa.
A 0,68ohmos ellenállás valóban szerepel a helyettesítő-hazai gyártású kártyán, szerintem feleslegesen.
Erről a gépről a mellékletként feltett rajzok az összes infód?
Off. Szerintem mindenkinek vannak kedvencei egy fórumon, akik szakmailag magasan fölötte állnak és csodálja őket. Nekem te és Proli007 az ilyen. Ez van. A hozzászólásaitokat mindig elolvasom, és nap mint nap gyarapodok ezáltal. És igen ti meg is osztjátok!!! Lehet, hogy vannak (bár én nem vettem észre), csak tölük nem kapunk semmit!
Nem.
Van róla még pár oldal beszkennelve. Feltegyem?
Légyszíves tedd fel, hátha több információhoz jutok általa.
Ez a 3 és az előző 2 oldal van róla.
( http://www.hobbielektronika.hu/forum/topic_hsz_520631.html?highligh...520631 )
Szia!
A leírás nem említi az MMA (elekróda)üzemmód lehetőségét. De ha kellő jártassággal rendelkezel az ilyen gépek átalakítása terén, magad is megcsinálhatod. A trükk a gyújtófeszültségben rejlik.
Átalakítok én mindent, bármit, de ez a téma még ismeretlen számomra.
A trafó paramétereit fentebb leírtam. (át kellene tekerni?) A tirisztorok vezérlő paneljét lehet hogy újra megcsinálom, mert nem tetszik, 1-2 dolog kellene még rá. Fojtónak is van anyagom, majd megírom ,mi és mennyi. Kaszni festés és átalakítás előtti állapotok Mit kellene pontosan csinálnom?
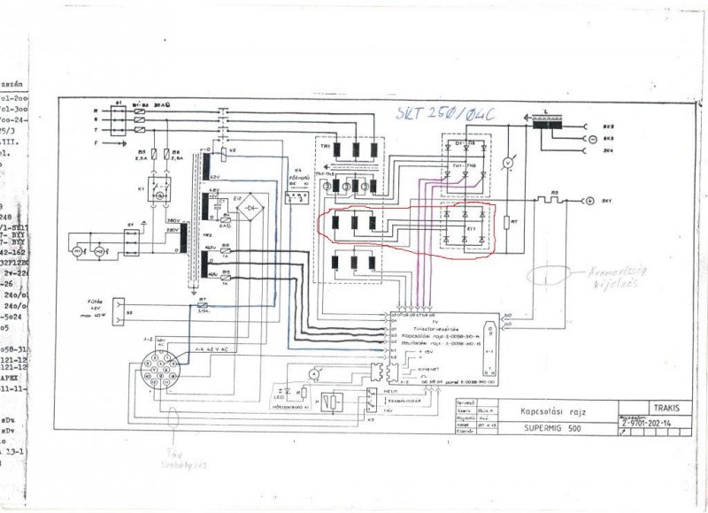
A kapcsolási rajzon szerepel egy háromfázisú csillagkapcsolású tekercs, amely egy sima háromfázisú graetz hídra van kötve.Az ábrán pirossal van" bekerítve".
Ennek a feszültségét mérd meg, ha lehet, akkor az egyenirányító után. A szabályozott egyenirányítót erre az időre válaszd le! Ebből a mérési eredményből ki lehet indulni,hogy érdemes-e foglalkozni az átalakítás gondolatával. DE! Ha még soha nem szedtél szét ilyen nagy berendezést, akkor kérlek, ne állj neki,mert nem egyszerű munka!A szétszereléskor könnyen sérülhetnek a tekercsek,sérült tekercsekkel meg már okafogyottá válik az igyekezet.
" Ha még soha nem szedtél szét ilyen nagy berendezést, akkor kérlek, ne állj neki,mert nem egyszerű munka!"
Ezt az egészet én raktam össze. LEGO! A képen a jelenlegi bekötést rajzoltam le. (nem egészen ugyan az mint a gyári) Akkor most mi a helyzet?
"A képen a jelenlegi bekötést rajzoltam le.
(nem egészen ugyan az mint a gyári)" Hát szerintem se úgy néz ki, mint a gyári rajz. De lehet hogy ez az oka annak, hogy még nem az igazi-mint ahogy korábbi hozzászólásodban is írtad. Na de komolyra fordítva a szót: én arra gondoltam,hogy ha tényleg alkalmassá akarod tenni arra hogy tudja a CC/CV üzemmódot,akkor nagyon sok átalakítást kell végrehajtani rajta,és ha nincs kellő tapasztalatod ilyen fajta gépek építésében és kudarcba fullad a próbálkozásod,akkor nem szeretnék bűnbak lenni a rengeteg ráfordított idő miatt. De ahhoz hogy érdemes legyen gondolkozni az átalakításon,ahhoz kell az a mérés amit néhány órával ezelőtt kértem. Valamint valami "móricka rajz" arról,hogy azokat a feszültségértékeket amit korábbi hsz.-ban írtál, melyik tekercseken mérted.Az lenne a legjobb ha az eredeti trafót bemásolnád,és annak a tekercsvégeihez írnád a mért értékeket.
Hello, én kukáztam egy Co hegesztőt Németországban, rossz volt a szálvezetője. Az egész 10 ezeben van. Viszont kéne hozzá egy hosszú munkakábel. Ha tudtok valamit szoljatok. kösz
Így néz ki a teteje, ezen fel vannak tüntetve a feszültség értékek.
A Móricka ábrához, haza kell majd mennem, és megmérnem, hogy ki-kivel van összekötve.
Nos lerajzoltam a trafót elvben.
Van még rajt néhány kivezetés, de azok 2V , 7V os gyengeáramú részek. Az átalakítástól nem félek, ha nem úgy sikerül,mit az elvárt, biztosan nem te leszel a bűnbak.
Szia!
A gyári rajzon szerepel még fázisonként egy tekercs,ami az általam visszaküldött rajzon pirossal bekeretezve a háromfázisú szabályozatlan egyenirányítót táplálja. Akkor eszerint ez nincs rátekerve a trafóra?Akárhogy is számolom a trafón 30 kivezetés található, a rajzodon is ennyi szerepel. Nincs elkötve csillagpont a felső bakelitlemez alatt?Azaz amit te nekem 50;60;70;80V-os kivezetésként jelöltél meg, biztos hogy ugyanazon tekercs megcsapolásai? Még egy kérdés. Az általad felírt értékek a csillagponthoz, vagy a fázisok között értendők?
"ami az általam visszaküldött rajzon pirossal bekeretezve"
nem küldtél vissza semmit.Egyébként azért nem szerepel, mert Nincsenek olyan tekercsek a trafón. Ez nem annak a gyári hegesztőnek a trafója. Ez a trafó teljesen más célt szolgát még ifjú korában.
Akkor nem biztos,hogy az elvárásaidnak megfelel.Még akkor sem, ha látszólag jó oda.A "nagyáramú" szekunder milyen keresztmetszetű huzalból van tekerve?
A francba! Most néztem vissza-hogy nem tudtad miről van szó-,tényleg nem ment el az a rajz.
Na mindjárt megpróbálom még egyszer.
Azt sajnos nem tudom.
A csapolások sodrott vezetéken jönnek ki. És a vezetékek végei a trafóban nagyon szépen el vannak dolgozva. Éppenséggel kicsit felnyithatom, hogy megmérjem, de ezt ma már nem tudom megcsinálni. Át kellene valószínűleg tekerni a szekundert? Ha igen, akkor hogyan? (csak elmélkedés szinten)
Bocs, hogy beleszólok, de mi a szerepe a másik szekundernek? Már többször néztem ezt a megoldást! Érdekes!
A másik szekunder tudná biztosítani az elektródás üzemmódhoz a szükséges gyújtófeszültséget. Nem kellene neki többet tudni mint kb. 5-6A-t. A lényege,hogy elektródás üzemnél a tirisztoros szabályzó ezzel az elektronikával nem tud biztosítani az elektróda biztos begyújtásához elégséges gyújtófeszültséget . Ezt úgy lehet megoldani,hogy az oszlopok tartalmaznak még egy tekercset, amely egy 3 fázisú egyenirányítón keresztül biztosítja a kellő nagyságú gyújtófeszültséget, a tirisztoros szabályzó beállításától függetlenül. Természetesen ezeknek a tekercseknek a túlterhelődés megakadályozása érdekében az egyenirányító kimenete után be kell építeni egy kb. 10ohmos nagy terhelhetőségű ellenállást is.
MIG üzemmódhoz azok a feszültségek,amiket felírtál nagyon magasak. Ez egyenirányítva lesz kb. 160V. Ez még a plazmavágáshoz is majdnem elég. Tehát amint már korábban is kértem, légyszíves a csillagponthoz mérve add meg a feszültségek értékét, ne a bakelitlemezen olvasható felírás alapján.
Bocsi!
Most látom csak,hogy nem GAtesz-nak írtam a választ!De a lényeget tartalmazza.
Ahhoz mértem. Most mértem az előbb pár órája.
Még 4-5V-tal többet is mértem mint a megadott feszültség. 6V 54V 55V 65V 75V 86V
Igen, én nekem csak az gyanús, hogy ez egy tisztán co gép tehát valami más van a háttérban. Arról nem is beszélve, hogy ez keményen rontja a szabályzás hatásosságát. Az én érzésem (hangsúlyozom), hogy valami indulási plusz. Én azt gondolom, hogy sokkal alacsonyabb a feszültsége és induláskor könnyiti meg a tirisztorok dolgát. De ez csak maszek. Nem ugrál össze vissza a fesz mint a tirisztoros gépeknél (lásd BHKV), így hamarabb beáll a szabályzás a normális értékre. Nem tudom megmagyarázni jobban, ez jön le!
Látni kellene a szervízkönyvet. Plusz a trafó feszültségeit (eredeti).
Gatesz "csak" utánépíti más trafó más értékek. Szerintem nagyon sok a trafóján a fesz. |
Bejelentkezés
Hirdetés |












Most látom csak,hogy nem GAtesz-nak írtam a választ!