Fórum témák
» Több friss téma |
Valóban a hűtést is kispórolták nem csak a kondikat.Puding próbája az evés lesz.Köszi!
Sziasztok!
Házilag szeretnék készíteni telefonhoz egy elemről működő usb-s töltőt. Li-ion aksija van a telefonnak. Tegnapi áram szünet kapcsán gondoltam rá. Tudom ,hogy ott a powerbank de az sevolt feltöltve. Ezért gondoltam arra ,hogy van e olyan megoldás ,hogy néhány elemet felhasználva tudjuk e tölteni a telefont?
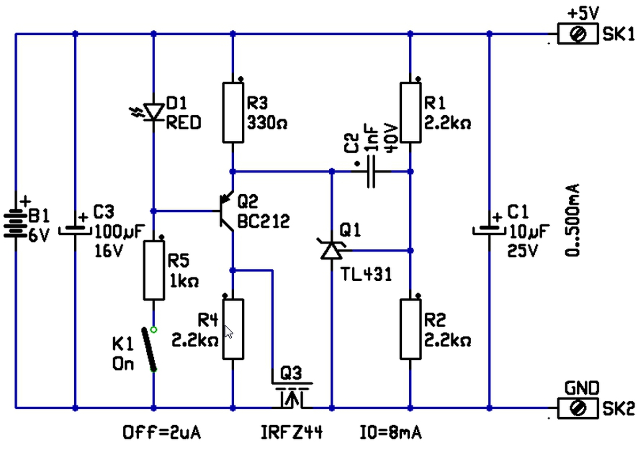
Annak ellenére, hogy a napközben autóban ülve lemerült a telefonom és az irányjező segítségével töltöttem annyit az akkumulátorba, nem tartom életképesnek az ötletet. Ha lemerült a telefon akksija, üres a powerbank, akkor mi az esély, hogy van annyi és olyan elem a fiókban, amiről tölteni lehet. Azért megosztok egy sokak számára ismerős rajzot. Nem tudom kinek a műve, de hasznos. A bemenetre 6V-ot kapcsolava 4×AA elem, alkalmas töltésre. A 4 db cerüzaelemhez 2-300 Ft-ért kapni elemtartót. Csak egy usb mini dugó kell rá. Autóakkumulátorról egy 5V stabilizátor IC is megfelel. Az autómba vol beépítve egy, fixre. A GPS örült neki.
Szia!
Ez mennyire bevált kapcsolás? Leszimuláltam LTSpice-ban, de ott nagyon úgy tűnik, hogy a kimenetet nagyban befolyásolja a bemenet. Ahhoz, hogy 12V-on jó legyen, a led-et elhagyva, az R2 ellenállást 1k-ra cserélve lesz a szimuláció szerint 5V-on a kimenet. Igaz ezt már 10V bemenőnél eléri és 14V-ig tartja is (tovább nem emeltem a tápfeszt a szimulátorban). Én egyébként akkuőrt készítettem TL431-el, a mögé kötött fogyasztót kapcsolta le, ha elérte a kritikus merültséget a tápfesz.
Bolti megoldás.
Ha mindenáron építeni akarsz, több gyártó ajánl DC-DC konverter IC-t.
Szia
Érdemes csinálni?Vésztöltö |
Bejelentkezés
Hirdetés |












