Fórum témák
» Több friss téma |
Fórum » Napelem feszültség- csökkentés, áramnövelés
Témaindító: lapos22, idő: Máj 7, 2010
Témakörök:
Sziasztok lehet tök fölösleges volt új témát nyitnom, de mostmár mind1.
Arról lenne szó, hogy van egy napelemem, nem tudom hány W-os, ad 12-14V jó körülmények között... Viszont elég kis áramot ad le. Van egy mobil klimám, aminek 500mA kéne. Hogyan tudnék 6V varázsolni a 12V-ből, úgy hogy megnőjön az áramerősség?
Szevasz!
Erre a célra a StepDown feszültségcsökkentő, kapcsolóüzemű IC-k alkalmasak, ebből Neked az állítható feszültségű változat célszerű. /Hm.. mire jó az a mobil klíma amelyiknek 6V, 1A elég?/ Üdv: StMiklos A HE topicba legalább 3* belinkeltem a rajzot, ha kell megint megkeresem..
Lényegébe 2 lehetőséged van:
Vagy építesz egy kapcsolóüzemű áramgenerátort, és azon állítod be a céláramkör 500mA áramát. Ezt csak akkor használhatod, ha a mobil klímád áramfelvétele állandó. Vagy egy step-down konverter áramkörrel csinálsz 6 voltot. (inkább ezt javaslom) Áramgenerátor: Áramgenerátorok Itt van a lap közepe felé amihez nyáktervet is küldtem. Step-down konverter: Pl.: TS2676 Adatlapját megnyitod, és benne van a kapcsolás. Nem bonyolult. De ha kell tudok adni nyáktervet is hozzá. Azért nem árt, ha a napelemed 12V-on lead legalább 300mA-t. Zoli
http://elektronika.vatera.hu/egyeb_muszaki_cikkek/egyeb_muszaki_cik...1.html
nem kell semmi nagyra gondolni
ha tudnál adni egy nyáktervet azt nagyon megköszönném
Kétoldalas nyák...
Fólia van fotózáshoz, vagy vasaláshoz. D2 soros védődiódát egy átkötéssel helyettesítsd.
Veszel egy autóst töltőt bármilyen telcsihez 385 a borzos áruházban abban ott az elektronika 500 mA tud többet nem
Szevasz!
Nyákterv? Kaparsz 4-5 szigetet, mint a képen látható, ez 3 A-es, állítható feszültségű a potival.. LM2576T Adj. Adatlapján minden ott van. Egypontföldelés! Nagy áramok szaladgálnak, rövid, csutka lábak! Üdv: StMiklos
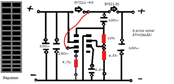
A Napenergia kétszerező áramkörröl valaki tudna csinálni nekem egy nyák tervet?
Valaki ránézne a képre hogy jó e lett a nyákterv?
Engem nagyon zavar ez, hogy "napenergia kétszerező áramkör" A napenergiát nem lehet kétszerezni, legalábbis nem áll hatalmunkban.
Legfeljebb a napenergia hasznosítás hatásfokát lehet befolyásolni. Az áramköröd, csak annyit tesz, hogy a napelem áramgenerátoros jellegét feszültséggenerátorossá alakítja, így kényelmesebben hasznosítható az átalakított energia.
ok, értem de hirtelen más név nem jutott eszembe meg ahonnét a kapcsolási rajzot leszedtem ott is ez volt a neve.
A Nyákterv amúgy jónak tűnik vagy valamit benéztem és nem jó?
Ha az IC lábait helyesen kötötted be (és esetleg nem a tükörképét) akkor igen.
Megépítettem és valahogy nem akar működni hiba a rajzon.. kevés lenne neki az 5 volt??
Nem tudom, de lehet. Az adatlapja szerint min 6 V ról működtetik.
értem. akkor táprol próbálom ki, most napelemmel nem menne.
Sziasztok! A napelemcellákat simán párhuzamba vagy sorba lehet kötni? Tehát nem kell az egyes panelek közé dióda, hanem áram- vagy feszültségnöveléshez egyszerűen egymáshoz köthetők akár a ceruzaelemek?
Gyárilag is így készítik a nagyobb teljesítményű paneleket.
Bővebben: Link A hozzászólás módosítva: Máj 30, 2016
Sziasztok! Nem tudom mennyire, működik itt a fórum, de teszek egy próbát. Adott egy 12 V ventilátor amit napelemről szeretnék működtetni direktbe. Kinéztem napelemet is ezt. Viszont kellene hozzá ha jól tudom valamilyen feszültség stabilizátor. Valamelyik jó lenne a célnak? Bővebben: Link1
Bővebben: Link2 Ezek alkalmasak a célra? Ha igen melyik lenne a legideálisabb? |
Bejelentkezés
Hirdetés |















