Fórum témák
» Több friss téma |
Fórum » NYÁK terv ellenőrzése
SM57 vagy rode NT5 vagy egyéb mikrofonokhoz. Gitár dob hangszerek ének felvételéhez
Szerintem ha sikerül egy normális tápot csinálni hozzá akkor jó lehet.
Ez biztatóan hangzik, Ráfekszek majd a tápra is hamarosan.
Sziasztok! Van egy kapcsolási rajzom, egy keverő kapcsolás. El készítettem hozzá életem első Sprint-Layout paneljét. Megnézné valaki mennyi hiba van benne? Előre is köszönöm. Még egyszer mondom ez az első panel tervem.
A hozzászólás módosítva: Márc 2, 2016
A negatív táp ne találkozzon a szűrőkondenzátorok előtt egyetlen alkatrésszel sem, mert a vezetősáv nem 0Ω ellenállású és nem 0H induktivitással rendelkezik.
Ha a Sprintben kikapcsolod a réz felületet (K2), láthatod milyen egyenetlen az alkatrészek sűrűsége, érdemes a látottak alapján kicsit igazítani rajta. Milyen eljárással viszed fel a tervet a NYÁK-ra, gondolok itt a vasalásra, fotóra, vagy kézi rajzra?
Szia. A negatív tápot az IC-re is csak a szűrő kondik után kössem rá? A K2 nem tudom kikapcsolni, mert nem reagál rá, csak a többi réteg gomb. Vasalással készítek nyákot.
A negatívot a rajz baloldaláról hozd be, úgy mint a pozitívot.
A K2 kikapcsolása előtt természetesen át kell váltani egy másik rétegre, praktikusan a B1-re. Maratás után a felirataid tükörképe fog látszani a rézoldalon, ezt tarts szemelőtt! Alkatrész érték és/vagy pozíciószám is kéne a tervre. Egyrészt lehetne magyarázni az alapján és téged pedig segítene a beültetésben.
A negatívot át tettem, a feliratok csak a segítség kérés miatt kerültek fel, a könnyebb átláthatóság végett. Azt nem tudom, hogyan lehetne pozíciószámot adni az alkatrészeknek.
A Sprint téma fejlécében van link a kezelési útmutatóhoz.
Az alkatrész és magyarázó jelek mehetnek a B1-re.
Sziasztok!
Le ellenőriznétek nekem Amit kreáltam? A kapcsolási rajz Skori-féle. A hozzászólás módosítva: Márc 3, 2016
Sziasztok!
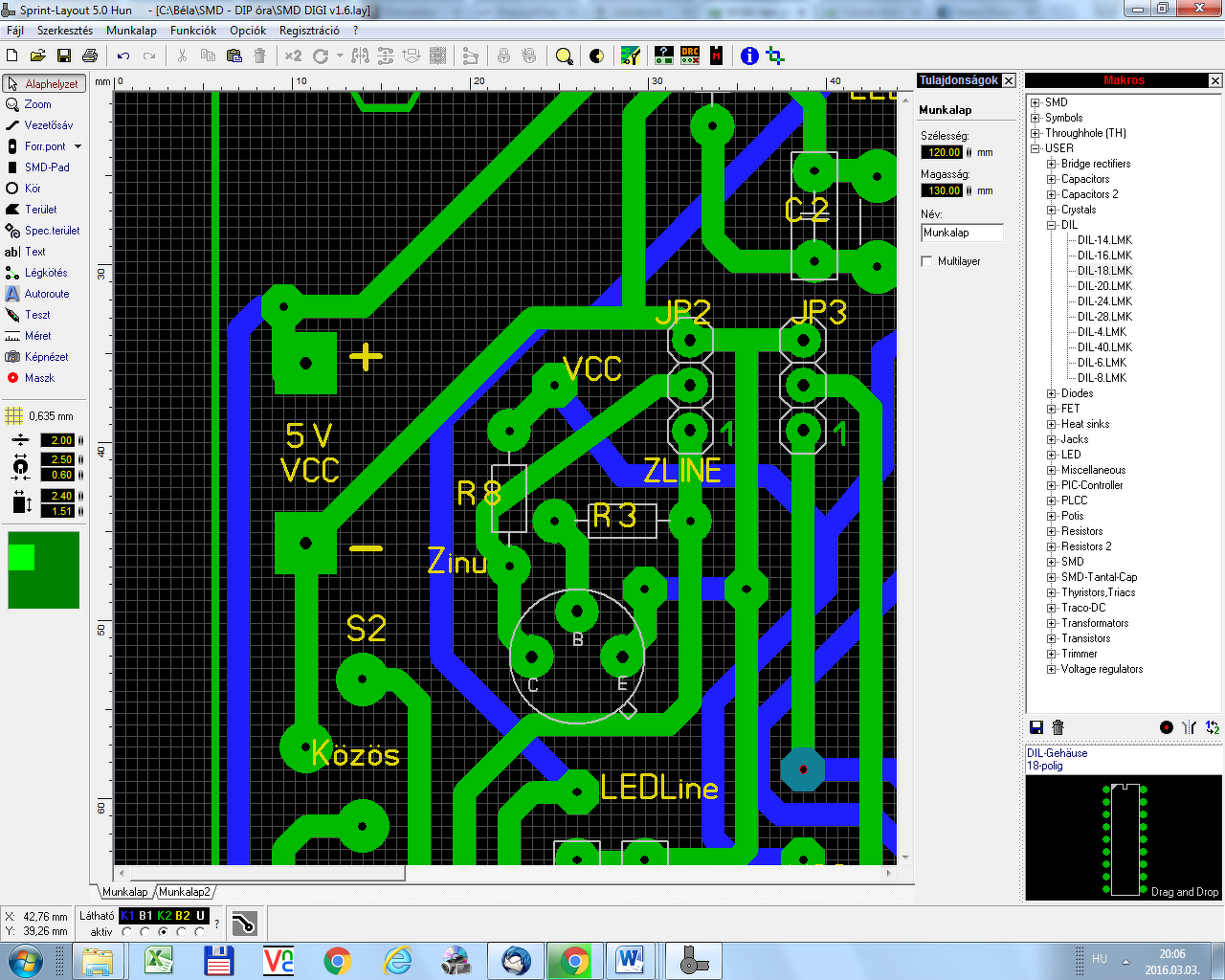
Valaki le ellenőrizné a nyákomat. Ez az első kétoldalasom. Előre is köszönöm! Korábban már feltettem de senki nem reagált: nyák SprintLayout-al készült.
Szia.
Alkatrészeket kellene a tervre tenni, nem egyedülálló forrszemeket, mert így nehéz visszakövetni a tervet a rajz alapján. Minden alkatrészt külön keresni kell, hogy melyik lehet a lába? Nem derül ki a tervről, hogy hol adod rá a GND -t, és a trimmert nem találom. Vagy ha a jobb alsó sarokban lévő háromszögben elhelyezkedő forrszemek lennének azok, akkor a közepe, a csúszka nincs bekötve, csak a két széle. A többi talán jó. A Sprintnek van külön topicja és van használatija is, Alkotó fórumtársunk készített hozzá egyet, itt találod. Javaslom nézd át. Még egy kérdés: ez az alkatrész oldal, vagy a forrasztási oldal neked, hogy építetted meg? A hozzászólás módosítva: Márc 3, 2016
Szia!
Nekem rendesen lehet látni, hogy melyik alkatrésznek melyik a lába!SL5-t használok! A GND a - lesz. Egyedülálló forrszemek csak a két oldal át járásánál van csak (remélem). A trimmer felül van U4-l jelölve. Még sehogy nem építettem meg, a zöld a forrasztási oldal, a kék az alkatrész. Köszönöm, hogy ránéztél!
Szia! Az egyik T4 bázis nincs összekötve R4-gyel.
Az pedig össze van
Mégpedig C4 lábán keresztül. A hozzászólás módosítva: Márc 3, 2016
A terven nem látszik, hogy hová kötöd a negatívot.
Ha pedig nem használsz alkatrészeket, hanem csak forrszemeket pakolsz a tervedbe, akkor bonyolultabb áramkör esetén senki nem fogja neked végigbogarászni. De úgy látom, más is írta már ugyanezt neked, amit én. Tegyél alkatrészeket a tervedbe, ne csak forrszemeket. IC -nek ott van a DIL-18, az kell a nyákra. A hozzászólás módosítva: Márc 3, 2016
Most már nem is találom az eredeti hozzászólást, amit linkeltél itt, nem jó a link. Ne oldalakat linkelj, mert azok tartalma változó, hanem közvetlenül a hozzászólást.
A hozzászólás fejlécében a név előtt van a (#) -re kattintva a közvetlen link. Linkeld már be ismét, miről van szó.
A linkelt válasz nem nekem szól!
Valamit nem értek, én az alkatrészeket úgy választom ki ahogy mellékelted. Neked nem így jelenik meg? A teszt gombra kattintva mutatja az adott vezeték hosszon a kapcsolódásokat, mind két oldalon!
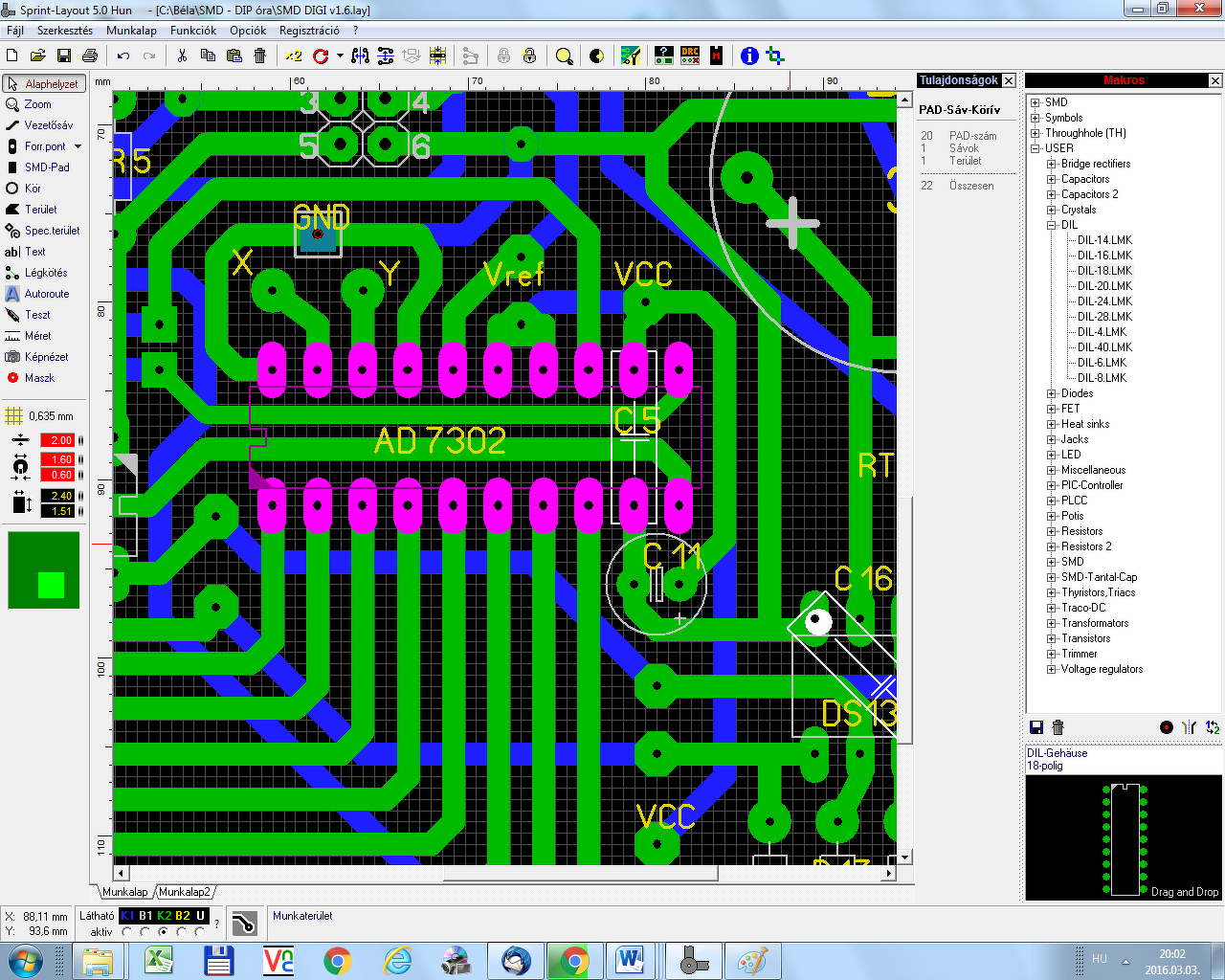
Sziasztok javítottam a keverőm panelrajzát. Megnézné újra valaki minden rendben van vele? Segítene abban valaki, hogyan lehet az alkatrészeknek értéket és vagy alkatrész számot adni, hogy a alkatrészen belül látszódjon? Elolvastam Alkotó leírását is, de valahogy nem találom. Valamint abban is kérnék segítséget, hogyan lehet a nyák széleit kijelölni a rajzon, mert nyomtatásnál nem tudok egymás mellé tenni két rajzot egy lapra egymás mellé.
A hozzászólás módosítva: Márc 3, 2016
Szia!
Úgy gondoltad ahogy az én rajzomban van? A Text-re kattintasz és beírod az értéket, vagy a pozíció számot, majd a méretét hozzáigazítod az alkatrészhez. Egyébként nem mindig célravezető az alkatrészen belül jelölni, mert van hogy nehezen olvasható! Üdv. Béla
Nem tudom, nem lesz-e gond a rezonátornál a hosszú vezetősáv miatt. A rajz SMD rezonátort ír az U3 -ra, gondolom, azért, hogy minél közelebb lehessen tenni a procihoz.
A GND vezetősávját végig vékonynak találom. Az 1N4001 dióda milyen célból van ott? Az 5V a 330 Ohm -on keresztül nem fogja túltölteni a 3,6V -os aksit? Illetve elem esetén tönkretenni? A hozzászólás módosítva: Márc 3, 2016
Szia.
A 6-os Sprint jóval kisebb betűméreteket enged használni, mint az 5 -ös. Azzal már alkatrészbe is írhatsz, kivéve, ha túl apró alkatrész. Ha utána szöveggel együtt máshol is szeretnéd használni azt az alkatrészt, akkor jelöld ki szöveggel együtt, utána másolás, majd beillesztés, ahová kell. Beillesztés után egybe tartozik majd az alkatrész, meg a szöveg. Módosítani lehet utólag így is a szöveget, csak pozícionálni nem engedi a másolatnál. A szélek kijelöléséhez rajzolj egy 0,1 - 0,2mm vonalvastagságú vezetősávból keretet a szélek mentén körben a forrasztási oldalra. Így az is nyomtatásra kerül.
Először is Köszönöm, hogy rám szántad az időd!
Azt azért elmondom, hogy egy teljesen SMD-s kapcsolást tettem át "Normál" alkatrészekre. A rezonátort akkor, megpróbálom közelebb tenni! Ahol tudom megvastagítom a GND sávot, de ha ezt kevésnek találod, akkor viszont, vagy végig ónozom "vastagon", vagy egy csupasz vezetéket végigforrasztok. Nem tudom ez járható-e? A dióda, áramszünet esetén csak a DS1307-nek engedne fogyasztani az aksiból! De látom, hogy fordítva van a tervben pozicionálva! ![]() Még egyszer köszönöm! |
Bejelentkezés
Hirdetés |







Mégpedig C4 lábán keresztül. 



Nézem. 





