Fórum témák
» Több friss téma |
Talán így érthetőbb. Elnézést ha félreérthető voltam.
Még mindig az a kérdés, hogy hány óra van??? Ismered?! Te meg azt mondod, hogy pálcika, pálcika, kisszék, hóember! És ragaszkodsz hozzá. Hááát, jön a hétvége majd csak megoldja valaki a 11:48-at. De az is lehet, hogy dél lesz hét perc múlva. Üdv.:VIM
Jól értem, hogy "A" jelfogót szeretnéd vezérelni úgy, hogy a "C" jelre meghúzzon, és húzva is maradjon, ha "C" megszűnik, de "D" -re minden körülmények közt elejtsen, ill. ejtve maradjon.
És a "B" jelfogó funkciója csak "A" vezérlése lenne?
Ha fizeted a postaköltséget akkor küldök neked két 24V-os bistabil relét.Azokkal meg tudod oldani a problémádat.
Az "A" semmilyen körülmények között nem húzhat be ha a "tiltó jel = 12V" de ha már behúzott állapotban van akkor a "tiltó jelre" el kell engednie. A tiltó jelre mindenképpen el kell engednie vagy be sem szabad húznia. Ez az egyik legfontosabb.
A "B" relé az "A" relé tekercs áramkörét tudja bontani. A tiltó jelből kellene kiindulni: ha van akkor nem lehet az "A" relének behúzni vagy pedig el kell engednie.
"És a "B" jelfogó funkciója csak "A" vezérlése lenne?" Ien pontosan.
A tiltó jel állapota határozza meg hogy az "A" relé behúzhat e vagy sem.
Köszi
A relék fixek csak a vezérlőáramkört kéne megoldanom. Gondoltam hogy PIC-el pofon eccerü lenne de nincs itthon kis lábszámú és a hétvégén meg szeretném oldani.
Akkor ez tök egyszerű:
Ha esetleg nem lenne "emészthető" ez a rajztechnika, akkor lerajzolom másképpen is...
Sajnos mechanikai alkatrészek kizárva...erős rázkódás miatt. Tranzisztoros kapcsolásra gondoltam. Igaz nem írtam hogy a relé-s megoldás nem jó de írtam hogy tranzisztorost szeretnék. Azért köszönöm.
Ne haragudj de nem igazán értem a rajzodat. Egy picit másképp lehetne?
Na akkor egy másik rajztechnikával...
A rajzon ejtett állapotban ábrázoltam a jelfogókat.
Hello!
Ha jól értem, ezt a relés kapcsolást szeretnéd tranyókkal kiváltani? üdv! proli007
A "B" relét független eszköz vezérli. Viszont a "B" relé meg tudja szakítani az "A" relé tartó áramkörét. Csak az "A" relét kell vezérelnem.
Igen az "A" relé vezérlését tranzisztoros kapcsolással szeretném megoldani. Nekem a gondom még mindig a tiltás jel feldolgozása. Tegyük fel van rövid +12v indító"C" jel. Ha "B" zárva akkor az "A" is behúzhat és ott is kell maradnia. De közben figyelni kell hogy a tiltó "D" jel milyen állapotban van. Mert ha +12v fesz van rajta akkor nem húzhat be az "A" hiába van zárva a "B" de ha már eleve öntartó állapotban van az "A" akkor a tiltó "D" jel hatására el kell engednie független attól hogy a "B" zárva van.
"A "B" relét független eszköz vezérli."
A független eszköz a "D" ponton vezérli "B"-t. Ha meghúz, nyakban beszakít "A"-nak, és az elejt. Teljesül a feltétel... De ha nem jól gondolom, akkor magyarázd el légyszi pontosabban az igényeidet. "Viszont a "B" relé meg tudja szakítani az "A" relé tartó áramkörét" A te rajzod nem tükrözi amit írsz, hiszen a "B" jelfogó munka érintője nem az "A" jelfogó csévéjével van sorban, hanem "A" munkaérintőjével.
Üdv!
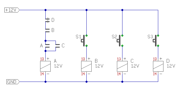
Mellékelek egy rajzot. Ezen ha a B relé nincs meghúzva az A sem tud behúzni. Az A relé C vezérlőjel hatására meghúz, D tiltójel hatására elenged, tiltójel közben viszont nem tud meghúzni. Szerintem valami ilyesmire gondoltál.
Rajzoltam újat, mert úgy vettem ki a szavaidból sokadik elolvasásra, hogy "B" a tartóágat szakítja meg, amikor meghúz a független áramkörről.
Az 1. rajzon nincs külön jelfogó az elejtetésre, ott a "D" ponton érkező feszültség kisöntöli "A"-t. ezért elejt, ill. meg sem húzhat, ha eddig ejtett. Az ellenállást úgy kell megválasztani (a helyi igényeknek megfelelően), hogy "A" biztonsággal meg tudjon húzni, de a "D" ák.-t ne terhelje túlzottan. És természetesen az ellenállás is elviselje a rá eső teljesítményt. Előnye ennek a kapcsolásnak, hogy se új jelfogó, se tranzisztor nem kell hozzá. A 2. rajzon az ellenállás helyett "E" jelfogó van. Ha "D"-n megjelenik a feszültség, akkor meghúz és beszakít "A"-nak. Ha a "D" ponton hosszú ideig van feszültség, akkor a 2. rajzot javaslom, ha csak rövid ideig van fesz. akkor az 1. rajzot. (egy ellenállás olcsóbb, mint egy jelfogó...)
Elméletben már majdnem jó. A "B" relé munka érintője nem kapcsolhatja a földet. Gyakorlatban az "A" relé munka érintkezője sorba van kötve a "B" relé munka érintkezőjével. Tehát a "B" relé munkaérintkezőjén akkor van feszültség ha az "A" zárva van.
Akkor ha az én utolsó rajzaimon felcseréled az "A" és a "B" munkaérintőit, kész az áramköröd.
Mindenképpen tranzisztoros kapcsolás kellene. A tiltó jel önmagában nem képes egy relét behúzni meg nem is használhatok relét az erős rázkódás miatt. A vezérlő jelek (C,D) önmagukban nem képesek meghajtani egy relét mivel csak vezérlő jelek (max 10 mA). Ezért gondoltam hogy a tranzisztoros megoldás kellene.
Akkor 1 kicsit módosítva. Szólj ha valami még mindig nem jó.
Jó hogy most mondod a 10mA-t... Épp időben...
Elnézést...írtam a legelején hogy tranzisztoros megoldás kellene.
Ne haragudj...az SW2, SW3 nem értem.
És ha az A relével sorba iktatsz egy 12V-os RID relét a tiltásnak???
Bocsi az csak a szimuláció miatt maradt bent. Egyébként ha a B relé munkaérintkezőjére csak az A relé adhat feszültséget akkor hogyan is tudná az A-t tiltani?
A kapcsolásodba az"A relé" szerintem nem marad öntartó. A "C" csak egy indító jel (2sec).
"Egyébként ha a B relé munkaérintkezőjére csak az A relé adhat feszültséget akkor hogyan is tudná az A-t tiltani?"... ezért tettem fel a kérdést a fórumra mivel kifogott rajtam.
Az A relé munkaérintkezőjéről vissza van vezetve egy szál a tranzisztorok elé, ha a relé meghúz akkor átveszi az indítójel szerepét és tartja magát. A tiltójel viszont akármikor kikapcsolja az A relét.
Ok...értem. Szerintem ez így jó lesz de még a "B" relét is bele kellene tenni az áramkörbe.
Hello!
Hát örülök, hogy Te legalább érted. Egyébként azért rajzoltam le a reléket, hogy a működés logikáját át lehessen tekinteni. Nem azért, hogy így valósítsuk meg! Aztán ha már az elvárt működési logika érthető, lehet tranzisztorizálni kedvünkre. De Te csak a végleges megoldást keresed, én meg nem látom át, mivel mit akarsz. Mert ha a működésnek nincs logikája, akkor megvalósítani sem lehet. De egyébként elárulhattad volna az elején, hogy honnan jönnek a jelek, és hogy van relé nincs relé, mert számomra össze vissza beszélsz. Tudom egyéni szoc. probléma, de még is ilyen kínlódást már rég láttam. :no: üdv! proli007 |
Bejelentkezés
Hirdetés |












