Fórum témák
» Több friss téma |
Fórum » PC hűtés fordulatszám szabályzott ventilátorral
Témaindító: patexati, idő: Jan 16, 2006
Témakörök:
Hm. Amúgy ha nem kihívásnak tekinted a dolgot, hogy Te márpedig egy saját készítésű áramkörrel akarod szabályozni a ventillátort, akkor lehet kapni egy egyszerű áramkört, amit be kell kötni a venti elé, egy termisztor van rajta, kábé egyezer pénz. Én meg egyszerűen megoldottam ezt, mivel alapból a ventim termisztoros, a kiszívott levegő hőjének függvényében szabályozza saját magát, itt is egy termisztor "lóg be" a légáramlat útjába.
Ja, amúgy nem tudom, hogy a termisztoros ventit hol lehet kapni, én speciel a kedvenc "kütyüs" boltomban vettem, használt cucc volt. Cirka 200 Ft-ot kértek érte
A kész áramkört meg egyszer a Conrad-nál vettem, de beépítettem próbaképpen több helyre is, aztán valahol egy erősítő és labortáp között félúton nyoma veszett...
Köszi a segítséget de már nekiálltam egy PIC-es megoldásnak igaz nem én fogom éleszteni és programozni csak a fizikai kivitelezést csinálom magam
de ez biztonságosan felügyeli az egész gép hőháztartását nem kell félnem,hogy megsül a P4-es procim meg vele együtt minden a termisztor meghibásodása esetén
Oké, értelek. Mondjuk az önszabályozós termisztoros ventiben ha meghal a hőérzékelő, akkor azt hiszem max fordulatra ugrik, úgyhogy semmi gond...
Ez a kapcsolás működött valakinek? Nekem BD902-est adtak Tip helyett, lehet azért nem jó?
És ez hol nézi a hőfokot?
A tranyó talán?
Hűűűű
Barátom, te aztán tudsz!!! Le a kalappal... Mióta foglalkozol elektroval? Csak hobbi vagy vannak vele terveid is?
Nem tudod hogy a BD902-esnek is jónak kellene e lennie ebben a kapcsolásban? Az a gond vele hogy folyton a max-on járatja a ventillátort.
Szaisztok!
Nem értek az elektronikához (az alapcikkeket elolvastam), ezért a következő ötletem megtervezéséhez a segítségeteket kérném. Szeretnék egy éjjeli lámpát készíteni, amibe két kis ventillátor van építve, ami némán, kellemes légáramlatot csinál éjszaka. A lámpa része nem gond, de a tőle teljesen függetlenül működő ventillátor már meghaladja a képességeimet. A ventillátoroknak én 2 db 12 cm-es számítógép ventit gondoltam, mert azok rendkívül halkak. Ezek viszont 12V-os egyenáramról mennek, tehát kell egy transzformátor. De milyen? Szeretném a fordulatszámukat egy "tekerővel" (poti) állíthatóvá tenni. Mivel itt nem fontos a pontos fordulatszám, vagy hogy milyen nehezen indul, ezért úgy gondoltam, simán sorba kötnék egy potit a ventillátorokkal, amik párhuzamosan vannak kötve egymással. Aki szakértő, és ezt elolvasta, az most fogja a fejét, hogy "ez mekkora egy barom". Légyszi segítsetek ki, hogy miért.Esetleg ha valaki azt is meg tudná mondani, hogy milyen típusú alkatrészeket vegyek ehhez a szerkezethez, annak nagyon örülnék. Vagy bármilyen ötletnek. Köszi.
Üdv a csapatban!
táp: 6VA-s 9V -os "nyák" Trafó 1A -s graezt híd és egy 1000µF/16V-os kondi hozzá alkonykapcsoló ehhez kell egy relé(1xmorzés) + 1 darab 1n4148. a relé kapcsolja a szabályzó áramkört hát azt hisszem mindent leírtam.. lámpát nem tudom milyet akkarsz.. ha 230-ast akkor a relé 2x morzés legyen üdv
Ha jól értettem, félreérthető voltam.
Szóval ez egy olyan lámpa (mint bútordarab) lenne, ami az ágy fölött van. De nem a lámpa része a lényeg. Hanem hogy lenne benne két kis ventillátor, ami éjszaka hűs légáramlatot adna, csak nagyon halkan, hogy lehessen tőle aludni. Ezeknek a ventiknek az áramkörét kellene megcsinálnom, amihez nem értek.
ehehhehhe
Szabi kolléga egy nonplusultra delux verziót vázolt! Ha nem kell fullextrás verzió akkor veszel egy 1A-es dugasztápot és arra akasztod a ventiket.Ha nem akarod használni-kihúzod a konnektorból és még a készenléti állapot sem fogyaszt-arról meg nem is beszélve, hogy nem kell bíbelődnöd egy kapcsoló bekötésével. Idézet: „Ha jól értettem, félreérthető voltam.” én nem értettelek férre! elöző hsz-omban egy olyan cuuc részeit irtam össze ami: sőtétedésre bekapcsol 2 darab ventit, a venti fordulatát meg tudod szabályozni a potival.. erre gondoltál TE is.. lásd itt: Idézet: „Ezek viszont 12V-os egyenáramról mennek, tehát kell egy transzformátor. De milyen? Szeretném a fordulatszámukat egy "tekerővel" (poti) állíthatóvá tenni. Mivel itt nem fontos a pontos fordulatszám, vagy hogy milyen nehezen indul, ezért úgy gondoltam, simán sorba kötnék egy potit a ventillátorokkal, amik párhuzamosan vannak kötve egymással. ” üdv ui: csak első olvasatra bonyek
De tényleg nem.
Az alkonykapcsoló rész nem kell, sima kapcsolóval kapcsolnám ki-be. Szóval bővebbet írtál, mint amire gondoltam. ![]() Köszönöm a segítséget. Ha nem boldogulok, ismét jövök.
Ez a válasz meg elkerülte a figyelmem.
Ezt is köszi. Asszem kezdem felfogni.
PC tápból kiszedett ventit szeretnék hőfoktól függően szabályozni.
Egy tranzisztor, bázisa, kollektora közé ntc termisztor, vele párhuzamosan egy poti. A potival be tudom állítani, hogy szobahőmérsékleten még álljon a venti. Ez jó is, csak azt nem tudom, hogy azt hogy lehet megoldani, hogy +5 fokon már teljes gőzzel menjen? A tranzisztor és a termisztor karakterisztikája határozza meg ebben a felállásban, hogy 1 fok melegedésre mennyivel nő a venti által kapott fesz. Valakinek van ötlete?
A leírásod alapján állítsd át a "tranzisztor és a termisztor karakterisztikája"-át.
Akkor pontosítom, amit leírtam. A kísérletben eddig jutottam, és a kérdés arra irányul, hogy hogyan lehet/szokták a felvázolt problémát megoldani.
Kellene nekem 1 kis segítség. Olyat szeretnék építeni, hogy 1 thermistor érzékeli valaminek a hőmérsékletét és 1 bizonyos értéknél behúz 1 relét (pl a hűtőventilátornak a reléjét, de a gondom hogy amit a venti hűteni kezd a thermistor is hűlik és lekapcsolja a relét, namármost kellene nekem valami késleltető kapcsolás amit be tudok iktatni hogy a venti kb 2 perc után kapcsoljon ki még ha a thermistor már vissza is hűlt. A thermistoros része készen lenne a dolgnak ami a relét vezérli, nekem ez a másik késleltető kapcsolás kellene inkább, ha lehetséges akkor lehessen szabályozni az időt 0-10 perc között. Már próbálkoztam darlington tranyos megoldásokkal de nem akartak működni ezért jó lenne valami más. Köszi a segítséget előre is.
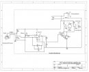
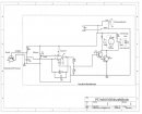
az alabbi abrak kozul ti melyiket ajanljatok pc-hez es milyen fajta termisztort vegyek.eddig meg soha sem hasznaltam hoerzekeloket cowal valami tipus szam erdekelne.!? erdeklodve varom valaszaitokat
sziasztok.a kepen a GE tranzisztor harmadik labat hova kell kotni? tudna e valaki segiteni egy picit? es a 741-es ic 9 es labat sem tudom? ismeri valaki e kis kapcsot?
A kérdezett lábakat nem kell bekötni.
A tranya nem mint erősítő, hanem mint hőfokfüggő alkatrész viselkedik (dióda) az IC-nél pedig offszet vagy kompenzálás a maradék 2 láb.
kosz a segitseget.rem mukodni fog.egyebkent mi a velemenyed errol a kapcsolasrol?
elkeszitettem a kapcsot.dolgozik am hofokszabalyozassal gondok vannak.mekkora erteku potmetert kellene behelyeznem a finomabb szabalyzas erdekeben? mert jelen allapotaban PC-hez hasznalhatatlan
Minnél nagyobb annál finomabban tudod szabályozni...
|
Bejelentkezés
Hirdetés |















