Fórum témák
» Több friss téma |
Fórum » PC táp javítása
Mert a két sorosan kötött kondi a két párhuzamos ellenállásával feszültségosztót képez és ezért fele feszültség jut egy kondira. Pillants a kapcsolási rajzra.
Ja tényleg csak már fáradt vagyok picit.
na én hagylak titeket oldjátok meg,de én még mindig zöld+szürke párti vagyok. Jó éjszakát!
Cserélj kis elektrolitkondenzátorokat. Piros pöttyöt tettem rájuk. Ilyesmiket keress.
a kondikon 200 V ot ir..tehát sztem is jó a 150 mivel 300 nem is lehet
A szürke nem arra való, de biztosan működik úgy is.
vannak ilyenek de inkább csinálok majd 1 fényképet holnap reggel és felrakom..úgy talán neked is könyebb lessz.. de miért cseréljem az összeset? nem is tudjuk még a hibát...de kösz
A szürke az PG és legfeljebb tönkremegy az IC!
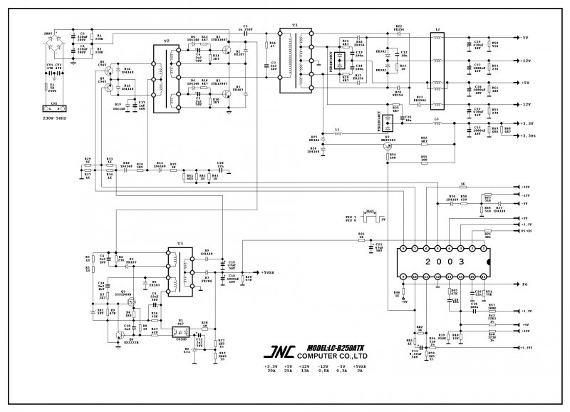
Találtam egy 2003 mal szerelt rajzot.
LOW ESR kondi kell, de először keress zárlatot a lila vezeték,.illetve a STBY trafóhoz kapcsolódó alkatrészek között.Jó lenne ha STBY tranzisztor környékén vagy bárhol a készenléti áramkörön mérnél feszültséget legyen az bármilyen kicsi.
Látszik, hogy nem vagy gyakorlott jóféle javító munkásember. Ezek filléres alkatrészek és a leggyakoribb hibaokozók. A kiskondik a készenléti tápegységhez és a vezérlő IC-hez tartoznak. Ha ezek kiszáradnak, bedöglenek, akkor nem fog indulni a táp.
nem vagyok az..most fejeztem a fosulit...de egy kisfaluban lakok ahol nem lehet ilyeneket kapni de megnezem máshol persze...tudom hogy nem drágák nem azért kérdeztem rád...
az a baj hogy lemaradtam 1 lépéssel, nem tudtam h már a stand by árömkörnél járunk..eze kszerint az az első lépés hogy azt tökéletesre hozzam? de mivan ha nem ott van a hiba? hanem jóval előbb a körben...nem akarok kötekedni de nem ott kéne keresni a hibát elöször is ahol én is említettem hogy hirtele nesik a feszültség 0 ra a 2 nagy kondenzátor után lévő kondenzátoron? ha nem nyugodtan hordjatok le.....
ez rajz kis felbontású és szinte alig látni valamit de ha jól nezem ez lessz az kb....ez már nagyon is hasonlít a tápomra!...kösszz
Most ha az én rajzomon az 1µF 250v kondi utáni feszre gondolsz akkor nem.Feltételezzük hogy a hálózati pufferelés rendben van és a STBY kimaradását más hiba okozza.De ha majd lesz fotó róla akkor meg lehet állapítani hogy mit és honnan kell mérned illetve cserélned.
A rajzot mentsd el és utána ha megnyitod akkor jó lesz de küldök egy másikat de ahhoz Irfan View kell.
waaaa..nem találom a fényképezőt..de nézegetem a rajzot, ez lesz az, az értékek is megfelelők, mondjuk ott van az a 250 V C3 as kondi, na az nálam mérés közbe 0 v ra leszalad...pár ms alatt...
A C3-as kondin nincs értelme feszültséget mérni. Az R3 és R5 mekkora értékű? Ezek a segédtáp indítóellenállásai, ha valamelyik megszakad, akkor szintén nem indul be a segédtápegység. Remélem a rajz itt is passzol.
Amíg nem indul el a segédtáp, nincs meg az 5VSB, addig biztos, hogy semmit sem fog csinálni a főtáp, mivel az is arról kap tápfeszültséget. A korábbi rajzokon a segédtápok hasonló felépítésűek, de nem teljesen egyformák. Lehet, hogy egyik sem ugyanolyan, mint a Te tápegységed, de eléggé hasonlatosak szoktak lenni ezek a részek.
belfi2 előző rajzában R3 és R5 indítja a segédtápot, ezek a nagy értékű ellenállások szeretnek megnyúlni vagy megszakadni. Ha tranzisztor van a segédtápban, akkor is van egy (vagy két) párszáz k-s ellenállás hasonló pozícióban, csak a tranzisztor bázisát húzzák fel. Első körben ezeket mérném meg, valamint azt, hogy a kis trafó (rajzon T3) "felső" végén megvan-e a 300V körüli feszültség. Ha nincs, akkor keresni kell a nagy pufferektől ide vezető úton egy pár ohmos ellenállást, esetleg az szakadhatott meg. A másik tipikus probléma a készenlétivel, hogy a C8 kiszárad, ezáltal megszalad a segédtáp. Ennek sokszor szokott Q3 áldozatul esni. Ha tranzisztor van a segédtápban, akkor is van hasonló helyen egy pártíz µF-os elkó. Sajnos ezek ránézésre sértetlenek szoktak lenni, még akkor is, ha teljesen rosszak. Érdemes cserélni mindneképpen újra, én 47µF/50V-osat szoktam betenni a helyére. Javításkor érdemes lenne elválasztótrafót tenni a 230V-os oldal elé, valamint egy 230V-os izzót is sorbakötni a tápegységgel. Az izzó hiba esetén fellépő túl nagy áramfelvételkor világítani fog, és megkíméli a tápegységet a nagyobb pusztítástól.
Természetesen nem akarom elvenni a kedved az alkotás örömétől ,de ha valamilyen oknál fogva életre kel a táp akkor se rohanj kicserélni.Ez a táp nagyon hasonlít azon tápokra amiket nem tesznek PC-be.
nem pc be akarom használni, egy autó erősítőnek kellene..annak jó nem? ma nincs időm de holnap neki állok addig is kösz mindenkinek !
Rövid leszek!
Nem jó. Legalább is Én nem ajánlom!
ok én elhiszem de miért? akkor akkumulátor töltövel próbálkozzzak??
Hali!
Nézz be IDE itt vannak érvek-ellenérvek. Hány Wattos az erősítő amit hajtani akarsz róla? Az aksitőltő nem rossz gondolat de némi átalakítás kell hozzá és függ attól hogy hogyan van elkészítve a töltő.(Pl automata töltőről el sem indul)
Azért nem olyan mérhetetlenül használhatatlanok az egyszerű tápok sem
Nekem megy erősítőm átalakított, 2x19V körülre felhúzott PC-tápról, sőt, egy teljesen eredeti állapotúról meg megy már egy jó ideje egy fadobozba, kétszer két hangszóró mellé beépített autórádióm is.Az egyszerű tápegységek ellen azt szokták felhozni, hogy baj esetén kinyírja a ráaggatott cuccokat (számítógépet). Ilyet persze drága tápegységek is csinálhatnak, és az olcsók sem feltétlenül teszik meg, a Te tápod, ha jól emlékszem, 2005-ös vezérlővel dolgozik, amiben elvileg mindenféle kimeneti feszültségfigyelés is benne van már (Bővebben: Link), tehát akár komolyan védett is lehet az ilyesmivel szemben. A készenléti tápegység ha hajlamos a megszaladásra, az szintén gondot okozhat, nem tudom, a tiedben van-e ez ellen valami védelem, de egy autós cucc üzemeltetésekor a készenléti 5V úgysincs semmire sem használva. További baj szokott lenni az olcsó tápokkal, hogy a túláramvédelmük nem megfelelő, illetve az egyenirányítók hamarabb tönkremennek, minthogy az áramvédelem bekapcsolna. Ez legtöbbször a jócskán alulméretezett egyenirányítóknak "köszönhető", normálisra cserélve a probléma eshetősége jelentősen csökken, vagy meg is szűnik. Autós cucc táplálásánál mindenképpen érdemes a +12V-os ágon lévő egyenirányítót tisztességes darabra cserélni, általában két szimpla dióda (jellemzően egyenként 3-5A-esek) van ott gyárilag. A bemeneten lévő zavarszűrő tagokat mindenképpen be kellene építeni, ha esetleg ki lennének spórolva (sok olcsó tápnál ez "divat" volt egy időben). Valamint a kimeneti ágakon lévő LC tagok "L" része is szeret az "ócsítás" jegyében egy huzaldarabra kicserélődni a gyárban, ezt is érdemes pótolni. A leírt pótlásokat én bontott PC-s tápokból szoktam megoldani, 1-2 éve sok hibásból a nagyon gagyin vagy nagyon rosszul kinézőket alkatrésznek szétbontottam, a többieket meg rendbe szedtem.
Sziasztok! Van egy HKC USP3430 as tápom ami valamilyen oknál fogva nem indul el! a készenléti fesz megvan a zöld vezetéken is van fesz meg a lilán is a többin semmi. Valami ötletek h mi szállhatott el benne? Mert nem látszik egyik alkatrészén se égésnyom. A segítséget előre is köszönöm
Szia!
A táp gépen kívül van vagy még a gépben.Ha a gépen belül van akkor szereld ki, és tegyél rá valamilyen mű terhelést(régi CD meghajtó vagy gk izzó).Zárd össze a zöld és valamelyik fekete vezetéket.Ha nem indul akkor nézz szét a kondik körül hátha valamelyik "zárlatban" van.A kimeneti egyen irányítókat szintén ellenőrizd.
Sajnos a Zalmannal nem jutottam előre A feszkók határon PowerGood jel nincs.A kondik cserélve lettek.Most kiszedem belőle a mi menthető a többi kuka.
Sziasztok!
Most én is küzdök egy Macron 400W-os táppal! Az összes púpos kondit kicseréltem, most már elindul terheletlenül. Amint megterhelem pár másodperc után leáll. Mi az amit meg kellene még néznem? Előre is köszönöm a segítséget.
Hali!
Terheletlenül ne nagyon járasd! Nem csak a púpos kondi lehet rossz! Nézd át vagy cseréld ki mindet.
Pl. a szekunder diódákat,valamint a hőforrás közelében levő kissebb elkokat is érdemes cserélni.
Ezen kívül érdemes lenne a kimeneteken feszültséget mérni, hátha az is árulkodik arról melyik ág bibis. |
Bejelentkezés
Hirdetés |







