Fórum témák
» Több friss téma |
Fórum » PC táp javítása
Én a helyedben elolvasnám e fórumon a közel 1200 hozzászólást, és utána kezdenék hozzá. Kapcsolási rajzokat találsz, tapasztalatokat olvashatsz, megtudod mások hol hibáztak...
Biztosíték? Púpos elkók? Égésnyomok? Bővebben fejtsd ki a tapasztalataidat, utána tudunk segíteni. Amire szükséged lesz és elkészíteheted míg olvasod a rórumot, egy 60-100 W-os normál wolframszálas izzó amit a táp elé bekötsz sorban a primer körbe, zárlat esetén megvéd a károsodástól.
Szia,
Elég sokat olvasgattam a forumot. Mint mondtam hobbi szinten foglalkozok elektronikával (kis teljesítményű 2.1-es erősítőt -200W- és hozzá tartozó hangalakat építettem). Toroid trafós tápegységekkel már többször találkoztam az erősítőbe is ez van. Van digitális multiméterem amivel tudok méregetni és az izzót beszereztem és már ki is próbáltam. A két (Codegon) táp közül amit elkezdtem javítgatni az egyik mutat élet jeleket, van 5V készenléti fesz is. Szétszerelt állapotában lehetett látni, hogy pár ellenállás kicsit meleg lehetett mert furcsa szinuk lett valamint a KA7500B IC is kipukkant (mind a kettőben). Kiszűrtem milyen ellenállások lehetnek azok és kicseréltem őket valamint a KA IC helyett TL494-es IC raktam be (ezt a típust lehetett kapni és találn kompatibilis is úgy gondoltam). az egyik tápnál ez után a készenléti fesz továbbra is meg volt, de más nem sajnos. IC-n milyen feszeket lehet, kell mérni? A második tápnál még a készenléti fesz sincs meg (eddig sem volt) de ott valami zárlat lehet mert egyből világít az izzó. Annál amin van készenléti táp mit érdemes még megnézni? Köszi.
Kezd azzal, hogy mindkét tápodban az összes félvezetőt nézd meg.
A zárlatos tápodban a nagyfeszültségű oldalon a tranziztorok valószinűleg zárlatosak. A készenléti tápnál levő kis -pár uf- elkót cseréld ki a schottky diódát ellenőrizd le.... Ha az IC-k kiégtek, biztos túlfeszültséget kaptak. Jó lenne fénykép, hogy lássuk a megperzselődött alkatrészeket. A PC táp átalakítás topicban sok táp rajz van, az alapján próbáld meg beazonosítani a tiedet. Van olyan, mikor a diagnózis egyértelmű. A mellékelt képeket ma fényképeztem egy tápjavítás során. A felhasználó átkapcsolta 110 V-ra. Kicsit nagyot szólt, mikor felrobbant.
Szia,
Szépen kinyíltak a kondik, egy ilyen művelet után mik mehetnek tönkre? Csak a kondik vagy még az is ami mögötte van? Üdv
Most kimértem, a tranzisztorok megúszták, biztosíték kioldott. Azért egy ilyen sokk után ha szeretném használni a 2 tranuzisztort is kicserélném.
Meghagyom ereklyeként, 235W-os, kicsi a teljesítménye csak PII gépbe lenne jó.
Szia!
Erősítő tápot is lehet belőle csinálni. Olvasd el a pc táp átalakítása topicokat. Üdv!
Ilyet nem minden nap talál az ember, marad ereklyeként, elrettentő példaként.
Döglött és jó tápom van 20+ db. Jópár átalakításon már túlvagyok.
Szia,
Sikerült a második tápban is életre kelteni a készenléti részi így most már azon is van 5V. Holnap rakok fel képet a megpörkölődött részről. Most még megpróbálom a többi részt is életre kelteni. Üdv.
Nagyszerű! És melyik alkatrész volt a bűnös?
Szia,
A készenléti oldalról kiforrasztottam az össze alkatrész és kimértem egyesével. 3 dióda volt benne éa mind a 3 kuka volt (totál rövidzár). csere után egyből ment a készenléti oldal és miután a hibás IC-t is kicseréltem a táp elkezdett működni. Rámértem a kinemeti feszekre és mindne rendben volt. A másik tápban a nagyfesz oldalon találtam hibásnak az egyik tranzisztort ms megpróbálom azt kicserélni és remélem az is el fog indulni rendessen. 13007-es tranzisztor helyett mit lehet betenni? Üdv
És még egy kérdés, ugyebár két egyforma tranzisztor van a táp nagyfesz oldalán, ezeket lehet egyseével cserélni, vagy csak párban?
Köszi
Szia,
Vettem új tranyókat (BUT11), és kicseréltem párba őket. A táp mostmár működik, készenléti fesz és a többi fesz is meg van, de van egy kis apróság. Működés közben halk zizegést lehet hallani, ami induláskor erősebb utánna elhalkul de még így is hallani kicsit. Ez a zizegés mi lehet? valamelyik kondi esetleg? Üdv
Zizegést nem kondi okozza, hanem trafó. Próbáld meg leterhelni minden ágat. Táp teszteléskor asz összes csatlakozóra én rossz HDD-ket szoktam tenni, hogy leterheljem, van belőle bőven.
Szia
A terhelés meghozta a hatását, ráraktam a tápra két régi vinyót és már csöndbe is lett. Így mostmár túl vagyok két táp javításán ami mindkét esetben sikerült. Valamint az volna a kérdésem, hogyha egy tápban két alkatrész készenléti oldalon annyira szétdurrant, hogy nem lehet leolvasni a típusát akkor az hogy lehet megfejteni? Köszi a segítséget.
Miután írta kolléga, hogy MJE13007-et tegyél bele..? A BUT11 jelentősen kisebb árammal terhelhető és az időzítései is gyengébbek. Ennek eredménye a nagyobb melegedés és a terhelt tápegység esetében hajlamosabb tönkremenetel lesz.
Az eldurrant tranzisztorokról kapcsolási rajz alapján lehet megállapítani a típust kétséget kizáróan, de ha ez nem elérhető, a kapcsolás feltérképezésével megállapítható a pozícióban a polaritás és lábkiosztás, a tokozás, pozíció alapján meg a körülbelüli paraméterek.
Szia,
Tegnap csak gyorsan átolvasgattam a válaszokat és megírtam az eredményeket, és közbe nem vettem észre, hogy laszlokunstar fórumtárs nem az említett két típust ajánlja, hanem leírja melyik mennyire trehelhető. Beszerzek új trtanzisztorokat és utánna már biztos jó lesz. Mielőtt megint belefutnák egy nem megfelelő alkatrészbe milyen alkatrész lenne jó egy 2N60B helyére? Köszönöm a segítséget.
2N60.
Bármi FET, ami 2A-t és 600V-ot tud minimum, hasonló időzítésekkel és alacsony G-S kapacitással (bár a készenlét pozíciójában nagyobb szórás megengedhető, tehát mondhatni bármilyen kapcsolóüzemre szánt darab).
Szia,
Sikerült a hibás táp készenléti táp részét újra indítani. Egy Fet és egy zéner diódát kellett cserélni. Mostmár a készenléti 5V meg van. A tápba SG6105-ös IC van. Amikor a PS-OT földre zárom furcsa zizegést lehet hallani és a táp nem indul el. Terhelésel is próbáltam úgy se indul el. Az IC lábain végig mértem a feszültségeket STBY és PS-ON földre zárásakor is. Ennél a tápnál mi lehet még a probléma? Előre is köszi.
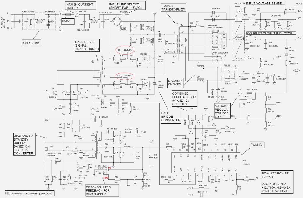
Sziasztok még valami eszembe jutott az előző hozzászólásomhoz. Az IC feszültségeit itt a csatolt rajz alapján ellenőriztem. A kérdés az lenne még, nem lehet, hogy az opto megfeküdt vagy az IC-nem vége van?
Üdv
Az optocsatoló és az IC is lehet rossz.
Erre gondoltam én is, de nem nagyon találtam ezt a típusú IC-t és nem tudom lehet-e helyettesíteni valamivel.
Üdv
A másik topikban mutattam beszerzési forrást.
Segítség javításhoz: PC-tápok rajzai.
Köszi az eddigi segítséget tegnap sikerült vennem SG6105-ös IC-t és megpróbáltam beindítani a tápot.
A táp készenléti része már működik a stabil 5V meg van. Miután kicseréltem az IC-t és a PS-ON-t földre zártam furcsa zizegést lehetett hallani és a táp nem indult. Pár indítás után a hang megszünt ekkor megpróbáltam megmérni az IC és opto lábain a feszültsége. Ezt követően ismét elkezdtem indídgatni és szintén zizegett és kezdett indulgatni a táp és volt amikor el is indult 12 és 5 V is meg volt de a zizegés még akkor is meg volt. A tápot csak rövid ideig hagytam működni és utánna kikapcsoltam (terhelésnek két vinyó volt a tápon). Ezek után a két kis Elkót (kapcsolási ajzon jelölteket, annyi külömbség van, hogy az én tápomban 4.7µF kondik voltak) néztem meg. Az egyiken egyik elég forcsán nézett ki. Ezeket cseréltem de sajnos nem volt kéznél csak 22µF-es kondi. Ezek után a zizegés meg szünt, de mostmár a táp még zizegve se akart indulgatni. Q3 és Q4 Tranzisztorok cserélve lettek, de a hozzájuk kapcsolódó egyébb alkatrészek még nem kerültek ellenőrzésre. A csatol kapcsolási rajzba beírtam milyen feszültséget mértem az opto két kivezetésén. A mért értékek jók lehetnek? Mi lehet a probléma még?
Üdv!
A mai nap folyamán egy nem szabvány DELTA tápegységet próbáltam üzemre bírni össze is kötöttem a zöld és fekete vezetékeket ahogy azt kell. A táp tökéletesen működött aztán elhatároztam hogy mivel nekem csak a 12voltos és az 5 voltos ágáról kellene 2-3 vezeték a többit kiforrasztom. Meg is történt a dolgog ám de összeszerelés után nem kapcsolt be. A ventilátor megmozdul majd le is áll. Valaki nem tudja mi lehet a baja?
persze 5voltot meg 12 voltot is terheltem egy egy 21 Wos égővel de semmi
Szia,
Nekem is volt iolyan, hogy a venti csak megmozdult és le is állt. nálam az volt a probléma, hogy a kimeneti oldalom az 5 és 12V-os ágnál lévő ellenállások egyike forrasztása nem volt jó és azonnal tiltott a táp mert nem jó feszültésgeket érzékelt. Az egyi ismerősöm szintén hasonlót akart mint te, ő is szétszedte és leálasztotta a felesleges btápvezetékeket majd összeszerelte a tápot, de a táp nem indult el többet. Kiedrült ennél a tápnál is a kimeneti ellenállással volt gond. miután kicseréltem jó is let és működött megfelelően. A másik esetnél pedig a Schottky diódák gyári forrasztása volt hibás (alig fogta valami) es akkor is hasonló volt a helyzet. Tanácsolom, hogy nézd végig a kimeneti oldalon az ellenállásokat (forrasztás és érték) valamint a Schottky diódákat lehet, hogy kiforrasztásnál az is kimelegedett. Nálam eddig ez bevált. Üdv: Zoli
Esetleg még lehet hogy a 3.3volt érzékelő (sense) vezetékét is kikötötted, és a segédellenállás meg ki van spórolva.
|
Bejelentkezés
Hirdetés |








Bármi FET, ami 2A-t és 600V-ot tud minimum, hasonló időzítésekkel és alacsony G-S kapacitással (bár a készenlét pozíciójában nagyobb szórás megengedhető, tehát mondhatni bármilyen kapcsolóüzemre szánt darab). 






