Fórum témák
» Több friss téma |
Fórum » PIC égetési hibák, problémák, kérdések
Nem baj. PIC18-as adatlapok pl. min. 9, max. 13.25 V-ot írnak.
kicseréltem a bekarikázottat 1k-ra ,de így se megy.
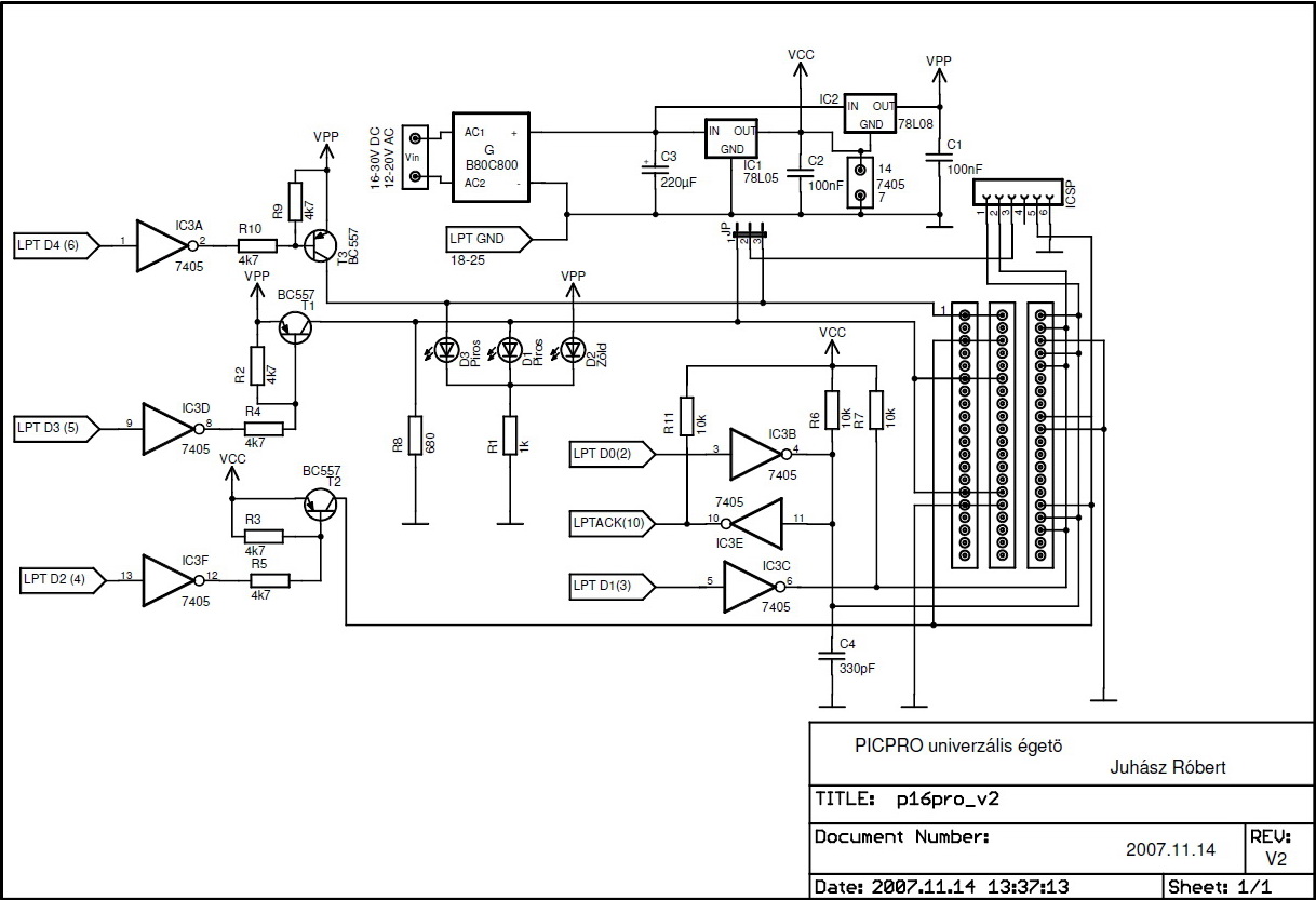
Megépítettem a deguss-féle pic égetőt, de nem akar menni. PIC16F628 égetésére szeretném használni.
Volt egy-két kontakthiba benne, de azokat már kijavítottam. Az amúgy normális, hogyha bekapcsolom a trafót, majd a kezemmel megfogom a soros port csatlakozóját(azt amit a PC-be szúrok be), akkor elkezd világítani a piros LED??? De ha nem fogom, akkor nem ég. IC-proggal próbálkoztam, beszúrtam a csatlakozót a gépbe(nem világított a piros LED), majd ha rámegyek pl. a verify-re, vagy a read-re, akkor már elkezd égni a piros LED, de csak addig, amíg tart az olvasás. Szóval elvileg akkor ez működik. Mit nézzek még át??? Egy-két alkatrészt nem tudtam venni, ezeket ilyennel helyettesítettem: BC212 - BC327 Bc182 - BC347 BAT48 - 1N5822 Üdv.
Hello!
Megnéztem a Vörös Tamás féle pices könyvet és az elejében volt egy PicProg nevű égető. Ennek az 1.0-ás változatát néztem (egyszerű,nem kell 12V a soros porton). Azt írta, h az ő programjukkal használjam. Vajon működne más progival is? Mert az övék 5000 Ft-nál kezdődik és gondoltam, h minek megvenni ha lehet h nem működik vagy más progi is jó hozzá!
Ha nincs max232 az égetőben (vagy ennek valami klónja, nevében szerepel a 232), akkor az megint egy jdm, felejtsd el.
Egyébként meg 7500Ft körül van a Pickit2. Hamár vesz az ember, akkor ezt érdemes venni.
Hello!
Ha elküldöd az obj.-et veszek a héten egy 877-et, már csak azért is, hogy kipróbáljam megy-e az én égetőmmel. Bp-i vagy?
a cucc elvileg nullponteltolással működik! gondolkoztam már a pickit2-őn is. még 1 valószinűleg hülye kérdés: azt írták több helyen is hogy a pic többi lábát is be kell kötni. ha a programozáshoz nem használt lábakat földre kötöm az úgy jó? mert lehet hogy az a gond.
Sziasztok!
Egy kis segítségre lenne szükségem. Van egy régi Propic égetőm (Urban-nál vettem vagy 5éve),winpic800al szeretnék egy 18f2550et égetni, de az alapbeállításokkal nem működik. próbáltam még egy-két beállítást, de nem működött. ![]() Tud valaki segíteni a beállításban ?
Nem kell bekötni vagy földre húzni semmit (kivéve alacsony feszültségű programozás). Elég 5 vezeték (Vcc, Vdd, MCLR, PGD, PGC).
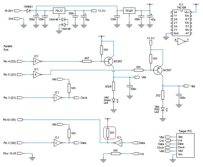
(Már írtam) Propic2 égetőmmel a 18F4550-est az égető tokjában nem tudtam felprogramozni. Csak akkor ment, amikor csak ezt az öt vonalat használtam egy dugipanelen, a PIC többi lába meg "lógott".
Sziasztok ! Volna egy propic 2 -vel való problémám . Megépítetem az égetőt és tudtam is vele I2C égetni ,de picet még nem probáltam. Most szükségem lenne rá ,de betöltöttem a hex-a fájlt elindul az égetés és a következő hibát írja ki " Pic not erased" és azóta előjöt még egy hiba eről rakok fel képet . Előre is köszönöm a segítségeteket . Kezdő pic-es volnék !
1, A PIC nem lett törölve. (gondolom égetés előtt nem törölted)
2, A file-ban nincsenek beállítva a configurációs bitek, állítsd be.
Üdvözlet mindenkinek!
Új vagyok itt, és a pic égetésben is (bár rég flasht írogattam) Megépítettem az Oshon féle égetőt, bár én a Juhász Róbert által dokumentált - illetve nagyjából dokumentált - rajzról. Kérdéseim lennének. Tovvábbra sem találtam egyértelmű lerást, hogy a piros led programozás közben kell, hogy égjen, vagy akkor kialszik? Mert nekem folyton világít, csak programozás (olvasás, írás, stb) alszik ki. Ez csak azért kérdéses (mert miért így működk??), mert amikor kialszik, megvan az 5V a PIC (16F84A) 4 lábán, ellenkező esetben kb 3V van.... Ez jó?? Egyébként a 16F84A-t nem írja, Verify 00 hibával végez. A táp mindenhol megvan, az inverter (7405) működik, a HW teszten minden portkivezetés jól kommunikál. Az égető fesz terhelés alatt is 13,6V. Megtudhatom valahonnan, hogy a PIC halott-e; vagy csak ha veszek egy másikat? (Elsőre fordítva tettem a foglalatba, az kinyírhatta??) Kössze Zsolt
nem lehet, hogy az a led fordítva van beforrasztva??
Ehhehe.
![]() Akkor sehogyse világítana, nem ))Másik kérdés: Volt, ahol azt olvastam, hogy a 16F84 csak 13V-al égethető, de a doksiban szerepel az ICSP prog. mód is. Az ICSP pedig tudtommal nem kezeli a High égetőfeszt.. Lehet ICSP-zni a 16F84-est? Idézet: „Ehhehe. Akkor sehogyse világítana, nem” hát de, gondolj bele. Meg próbáldd ki. Egyértelmű, hogy ez nem kizárt, hiszen akkro világít ha megvan a 2,5V különbség a "belemenő" feszek között a megfelelő polaritásban.
Yes, ez igaz, ám a 7405 miatt a fesz nem megy 0 alá, és a LED egyik pontja testen van
![]() Tisztelt Uraim! Továbbra is fennál az előző 2 kérdésem ![]() Köszi Idézet: „Az ICSP pedig tudtommal nem kezeli a High égetőfeszt..” Hát, rosszul tudod.:Bővebben: Link Idézet: „Lehet ICSP-zni a 16F84-est?” Lehet. A különböző PIC programozók - általában - ugyanazt a 3 (vagy PGM-mel 4) kivezetését használják a PIC-nek, mint az ICSP, az eltérés csak annyi, hogy ICSP használatánál magát a cél áramkört kell felkészíteni a PIC programozására úgy, ahogy a fenti linken láthatod.
kiazaki összevisszamagyaraz mindenfélét? jóhogy nem világítana a led fordítva, ki mondta ezt a hülyeséget??!
16f84-et lehet icspvel progizni ("via two pins") nézd meg, hogy leadja e a 13V-ot az égető mikor programoz. attól hoyg icsp még kell a 13V a mclr lábra. Amiről te beszélsz az a LVP - low voltage programming.
Köszönöm, Urak, értem
![]() De akkor ezek szerint minden PIC programozható ICSP-vel, ugye? Hát akkor azt fogok építeni. Keresek egy jó rajzot ![]() Üdv.
nemértelek, vagy te nem értesz minket...
ICSP csati rajta van a programozódon, legalábbis a mellékelt kapcsolási rajzon ott van. Mit akarsz építeni? egy új programozót? Mert ha icspvel akarsz programozni akkor csak 5 szál drótra lesz szükséged, meg a meglévő programozódra. Persze ha működik.
Igazad van, megtartom.
Szét akartam szedni, hogy az alkatrészeket (a karos IC foglalat azért nem olcsó) felhasználjam; merthogy ha ICSPvel progizok, akkor az adapteren kell az ic foglalat. De akkor az 'anyapanelbe' teszek hagyományos foglalatot. Meg azért is akarok újat, mert ezt egy progi sem ismeri fel 'magáénak', pedig elvileg PicPro2 kompatibilis. Megnéztem egy gyári picpro2 rajzt, és nem értem, mi miatt nem felel meg neki az enyém ![]() Tényleg, miről ismeri fel? Idézet: „Tényleg, miről ismeri fel?” Semmiről. Neked kell az égetőt kezelő programodban beállítani az égető típusát.
milyen progival próbálkozol? lehet azzal (is) van gond. Winpic800 azt hiszem kezeli, próbáltad? Be kell állítani ott is mindent, és lehet, hogy invertálni kell valamelyik kijövő jelet, és akkor progizás alatt fog világítani a led, és elképzelhető, hoyg be is progizza...
![]() szerk: mondjuk pont a winpic nem tudja a propic jeleit invertálni, de a icprog igen. Valószínüleg nem is kell invertálni ha winpic800 nem tudja, tehát a hiba az lehet, hogy nem jól van beállítva a progizó szoftverben az égetőd tipusa!
utánanéztem, icprog oldalán lévő propic2 ben 7407-es ic van, a tiedben pedig 7405 ami invertál, a 7407 nem. tehát itt valami nem stimmel, lehet ki kéne szimplán cserélni az ic-t vagy próbálkozz icproggal és a szoftveres invertálással. Mert az áramkör midnen másban megegyezik, tehát ez hiba.
minden propic2 ben 7407 van, nemtudom, hogy Juhász Róbert miért 7405öt használ, miért jó, hogy jól meginvertál mindent.
Szerintem az égadta összes programot kipróbáltam
![]() Bevallom, azért építettem a JR féle égetőt, mert komplett leírás volt hozzá, PicAll és Ic-Prog beállítás is. De a Picall unregistered - lehet, h azért nem akar P16Pro beállításban írkálni? Megelőztelek, mert tegnap vettem egy 7407-et, de azzal (persze fordított pol. lábakkal) sem hajlandó működni.. Közben léptem 1-et. A WinPic800 felismeri a Flasht, több típussal is próbáltam. Mégis, íráskor, rögtön az elején kiáll hibával, nem tud írni a 0x000 címre... Nem tudom, mi lehet a baj (((((((HELP!!!!
Nem tudom, mi lehet a tiédnek a baja... Nekem is 7407-es van (link), tökéletesen működik. A 16-os sorozatot a David Tait-féle Fpp-vel égettem, 18-asokat pedig a watt-féle WPB_F18-al. Nem egy nagy hardvercsoda a 7407, de sikerült eltalálni úgy a kimeneti vezérlést meg az időzítéseket, hogy elsőre és hibamentesen ír / olvas (a megfelelő tápfeszültség persze alapkövetelmény).
nyákot te tervezted vagy fenn van valahol neten?
Jól van bekötve minden? LPT portod jó? Probálkozz más piccel. |
Bejelentkezés
Hirdetés |








))





