Fórum témák

» Több friss téma
Fórum » PIC égetési hibák, problémák, kérdések
Lapozás: OK   10 / 84
(#) patexati válasza watt hozzászólására (») Jún 7, 2009 /
 
Természetesen kivettem az égetőt levittem a műhelybe átforrasztani! Ki volt kapcsolva! Megmérem a progival mit adtál van e változás!
(#) patexati válasza patexati hozzászólására (») Jún 7, 2009 /
 
Tehát 1,2,3,4,24,port piros nem tudom kapcsolgatni 4,6V van rajt,5,6,7,8,9,10,11,12,13,22,23,25 ki be kapcsolható megvan a pirosnál a 4,6v a 14,15,16,17,18,19,20,21 port zöld pár milivolt (0,02) nem kapcsolható át!
(#) watt válasza patexati hozzászólására (») Jún 7, 2009 /
 
Próbáljunk azokra a lábakra koncentrálni, amik az égetőre vannak kötve(a többi nem érdekes)!
Tehát mi van a csatlakozó 2,3,4,5,6 lábával? Nem lehet ezzel a programmal sem változtatni?

Indítsd újra a géped, és csak a kis programot indítsd el és próbáld kapcsolgatni a jelzett lábakat.
(#) patexati válasza watt hozzászólására (») Jún 7, 2009 /
 
2,3,4 piros kijön a 4,6 V de nem tudom kikapcsolni! Az 5,6 szabadon ki/bekapcsolható és a fesz is megvan ha pirosra van átkapcsolva a progi! 2,3,4 nem engedi magát kapcsolni állandóan piros! Újraindítottam a gépet kivettem az égetőt csak a sima portot mértem!
(#) watt válasza patexati hozzászólására (») Jún 7, 2009 /
 
Akkor ott valami baj van a porttal. Vagy van egy olyan programod, ami fogja a portot, vagy a bioszban valami el van állítva(nem tudom mi ne is kérdeztd), vagy tönkrement a port, bár akkor nem villogna a Vdd LED bootoláskor. Próbálj olyan programot keresni, mai fogja a portot(pl. LPT-s printer driver).

Addig, amíg nem tudod állítani a vonalakat, nem lesz jó egyik égető sem.
(#) patexati válasza watt hozzászólására (») Jún 7, 2009 /
 
A HP6l lézerprinterem tökéletesen megy róla!
(#) watt válasza patexati hozzászólására (») Jún 7, 2009 /
 
Próbáld meg eltávolítani a printer driverét(majd visszateszed), és nézd meg akkor javul-e. Szerintem a driver fogja a portot.
(#) patexati válasza watt hozzászólására (») Jún 7, 2009 /
 
Gondoltam erre én is és eltávolítottam a nyomtatót a drivert az xp kezeli nincs neki külön! Most ott tartok ,hogy le van tiltva a biosban a port de 1,2,3,4,24 lábon így is ott a 4,6V na ennek szerintem nem volna szabad ott lenni Hát megpróbálok egy másik biost installálni. Köszi a segítségedet
(#) watt válasza patexati hozzászólására (») Jún 7, 2009 /
 
Na jó, de akkor a printered hogy működik hibátlanul? Na mindegy, ha nem sikerülne a portot megszelidíteni, akkor adok egy a WLPT_mini-hez hasonló soros portos égető rajzot, ami még nincs kipróbálva, de tuti, hogy működnik. De jobb lenne, ha sikerülne...
(#) patexati válasza watt hozzászólására (») Jún 7, 2009 /
 
Sajnos a bios csere sem segített pedíg a legújabb van fent de egy régebbivel is megvizsgáltam! a 2,3,4, lábat nem hapcsolgatja az a baj szerintem Meg fogom nézni egy másik ilyen alaplapon (megnézetem) a progival mit adtál,hogy ugyanez e a helyzet! Amúgy a te gépeden ha van port, melyiket nem tudod kapcsolni?? Vagy megy mind? 2,3,4 nálad kapcsolható a kis pötyikkel?
(#) watt válasza patexati hozzászólására (») Jún 7, 2009 /
 
Természetesen megy mind a 12 kimenet. (most megyek, csak este leszek)
(#) patexati válasza watt hozzászólására (») Jún 7, 2009 /
 
Köszi én os megyek mert úgysem tudok lépni még nem zárom ki a hiba okát holnap próbálom majd a többit (elmegyek most savazni azt iszok egy sört levezetem a mai napot)
(#) vizor válasza patexati hozzászólására (») Jún 7, 2009 /
 
A BIOS-ban milyen módba van állítva az LPT? Állítsd át normal-ra (vagy standard-ra), ECP vagy EPP-ről.
(#) patexati válasza vizor hozzászólására (») Jún 7, 2009 /
 
Köszi! Most jöttem meg holnap mepróbálom (bár vaktában állítgattam már azokat is délután) de szinte kizárt a port hiba is most teszteltem egy velem egyidős (együtt vettük a konfigurációt) gépet és ugyanaz a helyzet 100%-ig azon eredeti a bios soha nem volt használva a port! Szóval ez egy kb 5 éves ABIT NF7(-S) alaplap és szerinetm valami folalja azokat a portokat! Arra gondoltam,hogy szoftveresen nem e lehet valami segédprogival variálni a port fizikai kiosztását (átirányítani másik működö lábra) a hardverhez meg csinálnák egy "fordítót" Valakinek ötlet tapasztalat van az írjon bátran
(#) watt válasza patexati hozzászólására (») Jún 8, 2009 / 1
 
Nekem ugyanilyen alaplapom van. Hibátlan. Nem tudom mi baj lehet ott!? (alaplap saját driverei?)
(#) patexati válasza watt hozzászólására (») Jún 8, 2009 /
 
Hali! Akkor meg tudnád nézni a biosban neked mire van állítva a Paralell port? Melyik égetőprogit használod?
(#) patexati válasza watt hozzászólására (») Jún 8, 2009 /
 
Küld el légyszi a JDM rajzot mit ígértél mert nem megyek semmire Valahogy fel kéne a pic2 klónomat programozni azt akkor már nem foglalkozok ezekkel a sz.rokkal
(#) watt válasza patexati hozzászólására (») Jún 8, 2009 /
 
Idézet:
„Küld el légyszi a JDM rajzot mit ígértél”

Én nem ígértem JDM-et! Attól, hogy valami COM portos égető, nem következik, hogy JDM!

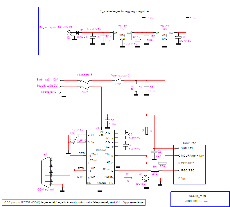
Az WCOM_mini égetőt még ma felteszem ide.
(#) watt válasza patexati hozzászólására (») Jún 8, 2009 /
 
Nekem sima port van beállítva(semmi ECP, meg ilyesmi), de bármit is állítok be, működik!
Sok égető programot használtam, köztük a WinPic800-at is.
(#) patexati válasza watt hozzászólására (») Jún 8, 2009 /
 
Ok! Kb mikor mert lemegyek a műhelybe mást csinálni az ott nincs netem.
(#) watt válasza patexati hozzászólására (») Jún 8, 2009 /
 
Csatoltam. Az égető még nincs kipróbálva, de minden elv szerint működnie kell. A kapcsolók kezelése megegyezik a WLPT_mini kezelésével(ott olvasd el a módját). Ha lesz időm én is összelógatom, de biztosan működik(Ha a PC COM portja helyesen működik!) Ez az égető akár egy USB->COM átalakítóról is működhet, de ez most nem érdekes azt hiszem. Az égetők beállítása egyezik a WPB_RS_V2 -höz tartozó beállításokkal. A WinPIC800-al is működnie kell. Tervezem egy cikk írását is, de arra most nem sok időm van...
(#) patexati válasza watt hozzászólására (») Jún 8, 2009 /
 
Köszönöm rajta leszek írok majd mire jutottam! Csak szerintem nem lesz ilyen ic kéznél
(#) patexati válasza watt hozzászólására (») Jún 8, 2009 /
 
Új dolgot fedeztem fel! Ha a nyomtató be van dugva a gépbe és megnézem a progival mit adtál akkor a pirosak közül mi nem kapcsolható egykettő zöld! Ha testre húzom akkor is zöld lesz! Gondolkozom,hogy a minit mit megépítettem megpróbálom! A pc tápról mehet vagy külső kell neki!
(#) szilva válasza patexati hozzászólására (») Jún 8, 2009 /
 
Lehet, hogy teljesen le kellene csupaszítani az egész nyomtatókezelést a win-ből. Ugyanis pl. a HP6 is kommunikál a PC-vel (PJL-Printer Job Language, nyomtatásvezérlő nyelv), ami miatt akár a nyomtató kikapcsolt, nem csatlakoztatott, vagy uninstallált állapotában is lehet, hogy próbál a porton beszélgetni.

Ezen kívül Xp alól a portot közvetlenül nem is lehet piszkálnia a felhasználónak. Ahhoz, hogy ez menjen, valamilyen drivert fel kellett tenni. Ennek a drivernek az installálásánál is meg kell nézni, nem panaszkodik-e valamire. Érdemes még körülnézni az eszközkezelőben is, hogy az adott LPT port milyen erőforrásokat használ, tényleg azokat-e, amiket a közvetlen elérést biztosító driver is gondol.
(#) patexati válasza szilva hozzászólására (») Jún 8, 2009 /
 
Kedves Watt,Szilva óriási baklövést követtem el! (szégyenlem magam de a tanulság oka miatt leírom!) Szóval a nyákba én nem egy lpt dugaljat hanem egy lpt dugvillát forrasztottam be! Most nézem a képet a panelról! ítt borul minden mert így fordítva (tükrözve van a port) persze,hogy nem megy! Restellem magam főleg Watt fórumtársat ki tegnap idelyét nem sajnálva próbált segítséget nyújtani a problémámra! Most sietek a műhelybe fordítót készíteni! Sajna a képet nem igen nézegettem és a port tesztelgetése során jöttem rá,hogy a másik oldalon adja a jelet
(#) watt válasza patexati hozzászólására (») Jún 8, 2009 /
 
Én már az idegenek jelenlétére is gondoltam, mert ilyet még nem láttam, hogy a nyomtató megy, más meg nem. Várom a fejleményeket!
(#) patexati válasza watt hozzászólására (») Jún 8, 2009 /
 
Na elkészültem vele megcsináltam rendesen kicseréltem a portfoglalatot meg egy kis utp kábelos illesztő/toldót tettem közé és azt írja hardver ok A feszek is kapcsolhatók ha a pipa ki van szedve világít a led wpp-nél a piros,vdd-nél a zöld Akkor most próbálhatok pic-et rá? Ja a másik két kivezetésen majdnem 0v-van!
(#) watt válasza patexati hozzászólására (») Jún 8, 2009 /
 
Figyu, ha végig ellenőrizted úgy, ahogy a leírásomban van, és rendben találtad, akkor mehet rá a PIC. Meg se próbáld a csekkolás minden lépését ideirni a fórumra, hogy majd mi ellenőrizzük, mert nem szeretnénk regényt olvasni! Pont azért írtam le részletesen, mert itt lehetetlen mindenre kitérni. Neked kell eldöntened, hogy minden úgy van-e, ahogy kell, mert én nem látom mi hogyan történik, csak te. Ez a fordítva bekötés is pont ilyen helyzet volt. Szóval lépésről lépésre gondosan ellenőrizd, és ha minden úgy történik, ahogy kell, akkor mehet rá a PIC.
(#) patexati válasza watt hozzászólására (») Jún 8, 2009 /
 
Ok! Még csak annyit,hogy most csak a tápled világít a másik kettő nem és nincs kint fesz sem a pic-en ezt a program fogja ráadni vagy nekem kell?
(#) watt válasza patexati hozzászólására (») Jún 8, 2009 / 1
 
Ha a kapcsolási rajzot megnézed, láthatod, hogy a Vdd és a Vpp vezérelve van. Természetesen a program vezérli majd az égetés során. A csekkoláskor működniük kell és a többi lábnak is hasonlóan, csak azokat műszerrel tudod mérni. De ezt is mind leírtam, nem akarom ismételni magam, olvasd el figyelmesen!
Következő: »»   10 / 84
Bejelentkezés

Belépés

Hirdetés
XDT.hu
Az oldalon sütiket használunk a helyes működéshez. Bővebb információt az adatvédelmi szabályzatban olvashatsz. Megértettem