Fórum témák
» Több friss téma |
Nekem PWM-el volt kalandom pár éve mikor kijöttek az MM-ek. Sehogy sem akart menni valamelyik PWM kimenet center-aligned módban. A végén kiderült, hogy az a PWM kimenet nem működik azzal a móddal. Persze ez sehol sem volt leírva akkor még. Azóta azt hiszem már benne van vagy az adatlapban vagy az errataban.
Üdv. Van egy HEX fájl. Annyit kellene csak változtatni a programon, hogy a kimeneteket, a lábakat egy pár helyen fel kell cserélni. Megoldható ez, vagy kell az eredeti forráskód?
Egy egyszerű program, 628Aba.
Ha egyszerű a program, egszerű újraírni, többnyire gyorsabb is.
Ha halványlila gőzöm sincs a programozásról..?
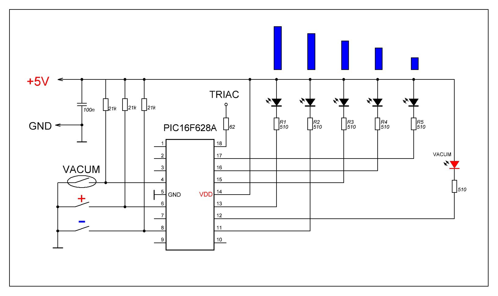
Bővebben: Link Teppelő motorvezérlője. 2 nyomógombbal vezérli a triakot. Vákum kapcsoló, gombolom azért van, ha maxon megy, lehúzza minimumra. (ezt csak én gondolom)
Kicsit sántít ez a kapcsolási rajz. Honnan tudja a kontroller, mikor kell gyújtani a triakot? Meglepődnék, ha ez így működne. Nem tűnik túl bonyolultnak a kapcsolás, miért nem jó a lábkiosztás?
Alapból nem kap jelet a triak. Ha megnyomoma + gombot, akor ad egy ygenge jelet, igy lassan forog a motor. Nem értem hogy a fazon miért így csinálta, a gyári panelből ki kell venni a rossz IC,t és betenni helyette a PICet. Mondjuk a PIC 9es lábára megy a vákum kapcsoló.
Akkor a 4es láb a + kapcsoló. 4,5V elég a PICnek? A hozzászólás módosítva: Okt 3, 2020
Persze tök egyszerű
De nem a program átírása, hanem a panelen fólicsík elvág, újradrótoz másik lábra... Vagy 2 egymás fölé helyezett IC foglalatból csinálsz lábkonvertert
Lassan az átépítéssel! A kapcsolás amiről mutattad a képet, biztos, hogy nem fog működni.
10 MHz-es órajelig elég a 3 V-os tápfeszültség is a PIC16F628A-nak.
A fazon úgy csinálta, elég kókány kinézete van. De többen írták, hogy működik.
Bővebben: Link Közben leesett, hogy a PICen 2 lábbal több van mint az eredeti ICn, így csak a drótozgatós megoldás marad. A hozzászólás módosítva: Okt 3, 2020
Azért, mert a triakot időzítetten kell bekapcsolni, szinkronizálva a hálózati feszültséghez. A rajzon nem szerepel semmi ami arra utalna, hogy valahogy figyeli a hálózati feszültséget (nullátmenetet) vagy a kimenet nem triakhoz (annak meghajtójához) kapcsolódik.
Az ellenállás után rögtön a trikra megy a vezeték. Összeraktam, bekapcsoltam, és működik
A hozzászólás módosítva: Okt 4, 2020
Lehet dimmelni nullaátmenet figyelés nélkül is egy pár száz miliszekes kitöltésű PWM-el. Ami fontos, hogy a 10 ms (2 nullaátmenet az 10 ms-enként van) néhány többszörösének kell lennie a PWM-nek. Egy lámpa fényén látható lesz a vibrálás, de egy motornak van egy jelentős tehetetlensége, ami "kisimítja" ezt a jelenséget, nem lesz észrevehető az ingadozás, mivel átlagban kiegyenlítődik.
Értem én, de ez elméletileg nem működik. Ha a triak elkezd vezetni (begyújt), utána teljesen mindegy mi van a G lábán, bekapcsolva marad addig, amígy meg nem szűnik az átfolyó áram.
Idézet: „Control of 4-quadrants Triacs Standard Triacs (i.e 4-quadrant Triacs) can be controlled from positive voltage supply using simple resistor. The current will indeed flow through the gate, provided by the control IC typically the MCU) when its I/O pin is put on a high level. When this pin is put on a low level, the Triac is no more trigerred.” Az ST Application note -jából.
Sziasztok!
Egy nagyobb kisérleti projekten gondolkodom. PIC-kel megoldható a hálózati kommunikáció TCP/IP protokollal? Ahhoz, hogy egy adatbázisba adatokat küldjek és olvassak ki a helyi hálózaton keresztül? Mennyire nehéz egy ilyen kivitelezése kezdő számára? Köszönöm a válaszokat előre is! Üdv: spgabor A hozzászólás módosítva: Okt 5, 2020
Szia! Pedig működik az !
Gondold el, ha a vezérlőjel olyan ritka, hogy a triak csak minden ötödik félperiódust kapcsolja be, akkor a fesz. átlagértéke 20% ..... nem félhullámon belül szabályoz.
Így már leesett, összekevertem a periódusidőket. Mit nem mondjak, ritka ostoba és nagy valószínűséggel motorgyilkoló megoldás. Ehhez kár a mikrokontroller.
Szia,
Az lenne a feladat, hogy egy rf id olvasóval beolvasok egy kódot. Azt egy mysql vagy akármilyen adatbázisba, ami ingyenes, abba feltöltené. Illetve az adatbázisból ki tudnék olvastatni tartós memóriába néhány adatot, hogy hálózat megszakadás esetén is tudjon üzemelni. Webes felület nem kell rá, csak annyi, hogy tudjon kommunikálni helyi hálózaton. A hozzászólás módosítva: Okt 6, 2020
Harmonyról hallottam már, de többet nem is tudok róla. Régebbi TCP/IP stack alatt mit értesz pontosan?
Szerintem attól függ mennyire kezdő a kezdő.
A harmony előtt léteztek komplett könyvtárrak adott feladatokra. A harmony óta ezeket lhagyták, de a meglevőek még ugyanúgy működnek. Nem tudom letölthetek-e még. Volt összevont könyvtár is MLA. A light stack letölthető, Bővebben: Link. PIC32-re meg a harmonyban van.
Ám nem írtad, hogy a hálózat az ethernet (pl: enc28j60) vagy WiFi. Ha WiFi akkor inkább ESP8266 mint PIC. A hozzászólás módosítva: Okt 6, 2020
Eléggé, alap dolgokat csináltam csak, de amit kell, megtanulom hozzá, ha van irodalom a témában.
Amit kitaláltam, attól függetleül a hálózati kommunikáció mindig érdekelt vele kapcsolatban.
Köszönöm, elolvasom. Közben elkezdtem elmenni a wifi felé is, találtam komplett leírást egyszerű wifi modul illesztéshez.
Igen,ez is megoldható, de ehhez a feladathoz az ESP mellé nem sok értelme van a PIC-nek. Mindenesetre ha a PIC-ben már valamelyest otthon vagy akkor egyszerűbb így csinálni, mert azt ESP-nek csak AT parancsokat kell küldeni.
|
Bejelentkezés
Hirdetés |




De nem a program átírása, hanem a panelen fólicsík elvág, újradrótoz másik lábra... Vagy 2 egymás fölé helyezett IC foglalatból csinálsz lábkonvertert 








