Fórum témák
» Több friss téma |
Kikukáztam, kiválasztottam a családot, csatlakoztattam, megint kiválasztottam, töröltem a PIC-et, újraégetés után pedig a csatolt képen látszik, hogy mi történt. Hogy, hogy az első égetés, sikerül, de a törlés, újraégetés nem?
Szia.
A "rutin című linkedben a main loop az jó? MAIN MOVFW PORTB MOVWF LBYTE MOVFW PORTB MOVWF MBYTE MOVFW PORTB MOVWF HBYTE nem a tárolót kéne olvasni?
Azért ezt még kipróbálhatnád: Bővebben: Link
(Én még soha életemben nem dobtam ki PIC-et)
Amíg ezt a problémát le nem küzdöd, mindig csak újonan vásárolt konrollerbe tudsz egy programot beleírni. Módosítani nem fogod tudni a programjukat...
A gyártó RC oscillátor, MCLR funkció engedélyezett konfigurációval és törölt állapotban szállítja a kontrollert. Ha Vdd alacsony a programot nem fogod tudni kitörölni, ha a MCLR letiltásával van a gond, akkor nem tud a programozó vele kapcsolatot teremteni...
Ez sem megy. Viszont az OSCCAL után már nem 3FFF-et ír pirossa, hanem 34FF-et, feketével. Miért nem sikerül ez sem? Se Use Vpp first-el, se anélkül.
Nemtudok mindenkinek, mindenkor, mindent a szájába rágni....
A rutinnak beszédes címkéje van : BIN2BCD... A hívására ad példán a MAIN címkével kezdődő rész...
Cserny István Úrtól szeretném kérdezni, hogy a PICCOLO projektet Debug Express panelon is tudom tanulni, vagy ez akadályokat jelent? (16F887)
A legnagyobb baj, amitől nekem már elment a kedvem az egésztől, hogy hiába írod le pontosan hogyan kell csinálni, a következő kérdéséből látszik, hogy semmit nem ért belőle. Mint pl. a tápmegszűnéskori mentés témában. Még válaszra sem méltat. Valószínű nem érti, vagy azt hiszi más jobb megoldást adott, mert azt feléri ésszel. No persze...
A PICCOLO projekt a következő (USB vezérlővel is rendelkező) PIC18 mikrovezérlőkhöz készült: PIC18F14K50 vagy PIC18F4550. PIC16F887-hez tehát nem való.
De a Kísérleti áramkör c. fejezetben adtam meg kapcsolást, nem nagy kunszt megépíteni az alapáramkört. (A PIC18F4550 nagyobb tudású, tanuláshoz azt ajánlom).
Értem. Nekem pedig még egy PIC18F4525-m van, tehát azt jelenti, hogy az Ön leckéjéből nem fogok tudni tanulni?!
A PIC18F4525-höz a PICula projektet ajánlom.
Á, köszönöm ! Ez azt jelenti, hogy (ahogy látom) a vezérlőmet használhatom. Esetleg ezt a demo boardot tudnám használni tanuláshoz, vagy másikat kellene építenem ?
All in One fejlesztőpanel 16F877-re
Azt hadd ne én bogarásszam ki, hogy mi a különbség az általam használt és az általad belinkelt kapcsolás között! Biztosan lesznek olyan eltérések, amelyek miatt a példaprogramokat módosítani kell. De ebben én nem nagyon fogok tudni segíteni.
Tudni kellene, hogy mi az, ami megvan. Ha a debug expressz a gyári készlettel, akkor van egy pk2, meg maga a debug kártya. Ezen kívül mi van még? Ja, és mi a cél?
Üdv.
Már engedelmet hogy közbeszólok, de egy szintén kezdő véleményét elmondanám. Szerintem jobban jársz ha megépíteted a Piccoló project-hez a 18F4550-el a próbapanelt (nem olyan bonyolult) és ezen végig csinálod a project programjait. Azt itt szerzett ismeretekkel utána tudsz boldogulni a 16F877 vagy a 18F4525-el. Bátran ajánlom a projectet. Igen igényes és alapos munka, kezdőknek és haladóknak is kíváló ismeretanyag. Üdv.
Cserny úr: köszönöm a segítséget!
Poostmaster: Debyg Express, tehát a demopanel hozzám PK2, meg vann pár mikrovezérlőm, butábbak:12F683, 16F873, Okosabb: 18F24J10, 18F4525... Pepebá: Köszönöm az ajánlást !
Nem teljesen értem a fejlesztő panel lényegét, de egy breadbord-on mindent össze lehet dugni. Ja, és csak abból és annyit, amire éppen szükség van... Persze, ízlés dolga mint a műtrágya.
Hello Watt!
Köszönöm ,természetesen felfogtam, csak belecsavarodtam a több bájtos műveletekbe. Nameg egésznap szétszakadt a fejem, igazából ma 2-ig se számoltam.
Sziasztok, még mindig a 16f877A- val szenvedek. Csak egy ledet szeretnék villogtatni a PORTB RB0-as lábán.
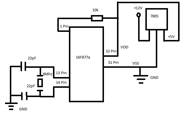
A kódom az így néz ki. Ami nagyon meglepő számomra hogy a program nagyon szépen fut a pickben ha a pic VSS lábát nem kötöm be akkor a led szépen villog ciklikusan csak nem alszik ki teljesen, de mihelyst bekötöm a VSS azaz a földre rárakom akkor a led össze vissza villog nem pedig a késleltetésnek megfelelően. Valakinek van tipje hogy miért csinálja ezt egyébként 8Mhz kvarcot használok.
Nem ártana az áramkört is látni, nem csak a firmwaret.
Olvasod is a topicot? Rémlik, hogy 100nF-os kondik? Meg, hogy mindegyik táplábat beköt? Ott fenn nézd csak a kiemelt részen!
A Táp IC lábaira is kell ám, és puffer elkó sem ártana, pont úgy, ahogy az adatlapjában rajzolják! A LVP bitet is töröld ki, vagy a PGM lábat húzd le testre! Idézet: Nálad nem jelenik meg a topik fejlécében? „A PIC ÖSSZES Vdd és Vss (AVdd és AVss) (tápfeszültség) lábát be kell kötni!”
Sőt még a 7805 adatlapjában is szerepel, hogy a kimenete és a föld közé kell egy 100nF kerámia, a bemenete és a föld közé pedig egy min. 100µF elektrolit kondenzátor.
Csak az a baj hogy a 16f818 pic-nél illetve a 16f84A-nál minden működött tökéletesen.
Ha nem kötöm be a VSS-t de a PGM-et lehúzom földre akkor tökéletesen villog a led.
Abbahagyhatnád a bohóckodást, és köss be mindent úgy, ahogy kell! Adatlapokban mindent megtalálsz!
Néha az is összejön, hogy ha kopasz s*ggel ha végigcsúszol a borotván, akkor nem lesz semmi bajod. De ettől ez még nem a legbiztonságosabb közlekedési mód...
[OFF] Akkor ne építsek fejlesztő panelt se, kijelzőkkel, kapcsolókkal, ledekkel, se semmivel. Pontosan szerinted, szerintetek, hogyan,mit tanuljak meg? Ideje lenne elkezdeni...
Egyébként hiába rakom a kondit meg amiket mondtok mihelyst a VSS-t lehúzom a földre nem működik a progi. Ha pedig a VDD-t és a PGM-et kötöm be csak akkor pedig működik. Szerintem nem kell felháborodni mert ez a rovat a kezdőkről szól. Ha valaki ezt nem bírja idegekkel az ne olvassa.
|
Bejelentkezés
Hirdetés |












