Fórum témák
» Több friss téma |
Idézet: „Ha valaki ezt nem bírja idegekkel az ne olvassa.” És mi a helyzet azokkal a kezdőkkel, akik nem hajlandóak elfogadni, hogy valamit úgy kell csinálni, ahogy mondják nekik?
Ha mindent bekötök normálisan akkor nem működik normálisan de ha már ennyire vágjátok egy kapcsolásirajzt valaki csinálhatna és aszerint összerakom mert biztos én vagyok béna.
Megcsináltam úgy ahogy leírtátok, és nem működik.
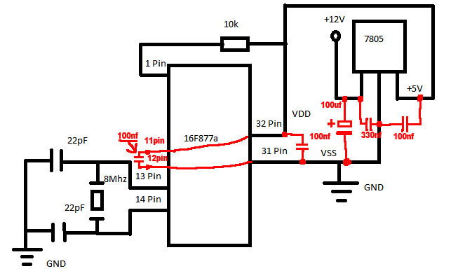
Egyébként mostmár jó. Összeraktam ahogy írtátok de nem gondoltam volna hogy a 7805 in és gnd lába közé nem rakok egy 100uf kondit ez már összezavarja az egészet. Beraktam és már így működik. Csak az eddigi tapasztalatom az volt hogy nem kell mert a 16f818 és a16f84a tökéletesen működött ezek nélkül is. Elnézéseteket kérem.
Szia.
Én is "kezdő" vagyok a PIC témában, de legalább tudok olvasni, és hallgatok azokra az emberekre akik, a szabadidejüket a kezdőkre áldozzák. Kiegészítettem a kapcsolást mert már nem bírtam tovább.... A config biteket állísd be rendesen.
Köszönöm rajzodat a config biteket beállítottam rendesem már működik a dolog.
Idézet: „de ha már ennyire vágjátok egy kapcsolásirajzt valaki csinálhatna” Ismétlem, minden benne van az adatlapokban! A 100µF-is! Idézet: Rosszul tudod: ez a topik a PIC kezdőkről szól. Az 5 V-os tápegység fabrikálása nem ide tartozik! „Szerintem nem kell felháborodni mert ez a rovat a kezdőkről szól.”
Szerintem nyugodtan epitsd meg, semmi bajod nem lesz tole. Csak ket dolgot szeretnek javasolni:
1. 18F-es sorzattal kezdd 2. ha meg sohasem programoztal eletedben, akkor eloszor erdemes BASIC-ben (PC-n!), ha mar van valami tapasztalatod linearis programnyelvekben, akkor a PIC-hez ASM. Kesobb mehetsz majd feljebb is, amikor mar jol ismered ezt a mikrokontrollert.
A struktúrált programozás alapelve, hogy a végrehajtás ne váljon el a program leírásától. Ebből a szemponból a BASIC választása kifogásplható - bár az assembly -hez közelebb van. Az assembly és a C a két nyelv, amik a legjobban elterjedtek a mikrovezérlők körében, így a PC -re is inkább a C -t javasolnám...
Egy nagyobb 18F -ben is előjönnek a bankváltások... Igen terjedelmes errata dokumentumaik vannak..
Láthatod, a tanulás folyamata nem az LCD kezelésével indul- sőt néha még nem is a led villogtatással, hanem az alap hardverek megismerésével. A fejlesztő panel azért jó, mert minden rajta van. És azért rossz, mert minden rajta van- feleslegesen. Szeretem a terveket fejben vagy skiccben elkészíteni majd ha kell, menet közben villámgyorsan módosítani. Nekem senki ne magyarázza meg, hogy egy kijelzőnek mindig a B porton kell lennie, vagy az UART csak hardveres lehet. A fejlesztő kártya jó dolog, de szerény véleményem szerint teljesen felesleges.
Tanuld meg az alap dolgokat (pl.: PIC perifériák és egyes konfigurációk), majd ha már nagyjából megvan a hardveres ismeret is, jöhet az önálló programírás. Persze azt végig kell gondolni, hogy mit akarsz csinálni. Egy led villogtatásához felesleges megvenni egy 40 lábú 18F-et, 1500...2000 Ft.-ért. Jó oda egy 12F675 is. Annak még analóg bemenete is van és nagyon sok dolgot meg lehet vele csinálni. Nem véletlenül készül a C kurzusom ezzel...
Szia! Nem vitát szeretnék nyitni, csak megjegyzem, hogy szerintem teljesen mindegy milyen nyelvet választ valaki, mert nem maga a nyelv a probléma, sokkal inkább a programozás készség elsajátítása és a fejlesztői környezet ismerete. Ha egy nyelvet ismersz, mindet ismered, kis túlzással, legalább is bennem ez alakult ki, mikor elsőre Assemlerben programoztam Z80-at(Enterprise) majd Basic-ben, utána Basic PC-n, majd Assemler PIC, majd C PIC és C PC és most valami kevert nyelvet tanulgatok egy PLC-n, ami Basic és C keveréke. Szinte tök mindegy melyiket használom, mint nyelv, csak a környezetét kell megismerni, ami sokkal macerásabb, ha nem vagy túl jó angolból, vagy ha nincs meg a megfelelő információ a környezethez. Egyedül a PIC-nél állítom, hogy az Assebler a nyerő kezdéshez, mert az a PIC megismeréséhez visz közel, más indok nincs rá, mert a C-ben utána sokkal könnyebb fejleszteni.
Idézet: „nem gondoltam volna hogy a 7805 in és gnd lába közé nem rakok egy 100uf kondit ez már összezavarja az egészet. Beraktam és már így működik.” Erdemes olvasgatni amugy es mas, meglevo, jol bevalt kapcsolasokat tanulmanyozni mit hogyan csinalnak masok. Pl megnezed ezt a cikket amit csak ugy talalomra valasztottam ki a HE kapcsolasok kozul, lathatod az igazi bekoteset a 7805-nek: Bővebben: Link Ha jol megfigyeled bemeneten es kimeneten is van egy-egy keramia is es egy-egy puffer kondi is (elektrolit vagy tantal). Ennek ellenere a PIC laban is van egy 100nF keramia... Ezeket soha semmilyen korulmenyek kozott ne hagyd el mert nem veletlen, hogy ott vannak! De ez tenyleg off kicsit, csak azert irtam le, hogy maskor ne kapkodj.
Csak arra gondoltam, hogy két új nyevet (C és Assemby) könnyebb elsajátítani egyszerre, mint hármat (Basic, Assembly, C).
Nagyszeru a segitseg az elejen! Azt meg bele tennem, hogy alap konfig: MCLRE_OFF && LVP_OFF && WDT_OFF && BOR_OFF.
Az a "MCLRE_OFF" nem igazán jó minden esetre... Pl. Ha valaki a PGC és / vagy PGD lábat kimenetnek vagy T1 oszcilátornak használja, mert a programot, konfigurációt csak a "Vpp first program entry" módszerrel tudja csak módosítani, amihez a programozónak kell adnia a Vdd tápot..
Jó a fejléc, kellene a haladó topikba is egy, azzal kezdve, hogy a kezdő topikban nézze meg a választ a problámájára...
Ha teljesen 0-ról kezdesz, akkor ne építs. Többen, tapasztaltabbak elmondták előttem, hogy mivel kell kezdeni. Az én tapasztalatom az, hogy a demó panel tökéletesen elegendő kezdetben. Én is azzal próbálkoztam. Vannak rajta ledek, nyomógomb, meg poti is. Én előtte programoztam pascalban, és úgy gondoltam, hogy itt is azzal fogok, de igen hamar áttértem az asm-re. A legjobban ezzel tanulom meg a kontrollert. A 887-es pedig elég széles tárházzal rendelkezik a további ismeretekhez. Egy led bekapcsolását igen sokféle módon le lehet programozni, ha nem azt nézed, hogy hogyan a legegyszerűbb, hanem a megismerés lebeg a szemed előtt. Azt javaslom, kezdd azzal amid van, és építs újat, ha úgy érzed, hogy az már kevés.
Szia !
Köszi, a 18-al kezdek, hiszen Te küldted, barátom ! ![]() Programoztam már Basicben 6-7. osztályban, ilyen alapokat, meg a nyáron 1-2 ledes programot írtam is C-ben... ![]() ASM-et akarom most, mert sokan lebeszéltek C-ről, pedig C nekem jobban tetszett...
Watt/Viktor: Elsősorban , Viktor, köszi a leírást, inkább egy dugdosós panelt szerzek..
Watt: Akkor te egyetértenél, ha az a csekély C tudásom /led villogtatás/ után is maradnék, és nem Assemblyznék, mert nekem a C nagyon tetszik, ellenben a MPLAB-ot el se tudom indítani.. Mit mondtok erre fiúk?
Köszönöm, ezért is maradok akkor a dugdosós panelnál. Már csak egy olcsó hely kéne , ahol vehetek megfelelőt...
500.- 285.- :yes: Vezetéked meg csak van otthon... Érdemes a Hestore-ból mást is venni (pl.: 0,4W-os ellenállások, 100nF, 22pF, 10uF, 100µF kondik, 7805 stabIC, 4 és 20MHz-es kvarc és BC337, BC327 tranyókat, valamint ledeket venni). Ekkor már komplett kis kísérletező csomagod van és indulhat a tanulás- fejlesztés.
Igen, jó lenne, de a posta kb ennek 3x-osa, még Szegedre is..
Mondom: Mást is vegyél!! 10E felett, ingyen kiszállítják.
Jó, elhiszem, dehát akkor is, nem tudnék mit, meg hova, annyi pénzért ... Az több mind 30 EU..
Üdv!
Olvasgatom itt a különböző javaslatokat, hogy mivel kezdjenek programozni, és feltűnt, hogy mindenki egyből a PIC-be akar fizikailag programot tölteni. Én mikor kezdtem vele foglalkozni, tönkrevágtam egy 16F628-ast és utána sürgősen ráálltam a szimulátorban való tesztelésekre. Mikor itt már jó volt, utána birizgáltam a PIC-et. Nekem bevált ez a módszer, azóta is így fejlesztgetek programot és áramköröket a proteus és a pic simulator ide programokkal.
A C-t csak később ajánlanám. Első feladat a PIC megismerése, azt pedig csak az asm-on keresztül lehet hatékonyan. A C elfedi a PIC lényegét, de ha már jól ismered a PIC-et, akkor könnyebben tudsz vele fejleszteni. Ha egyből ezzel kezded, el fogsz veszni a sok kérdőjelben!
Jogos, teljesen igazad van. Az egyszerűbb dolgokat és is szimulátorban kezdem el tesztelni. :yes:
Kérj meg valakit, hogy indítsa el neked, mert az kell a C-hez is.
|
Bejelentkezés
Hirdetés |







Mit mondtok erre fiúk?




