Fórum témák
» Több friss téma |
Fórum » PIC - Miértek, hogyanok haladóknak
Idézet: „Az a helyzet, hogy 1:1 bemásoltam az user manual PDF-ből a rutint, abban így van az ANSEL beállítása” Csak nem olvastad el az adatlapban azt a mondatot, hogy "Ha az eszköz órajelfrekvenciája magasabb, mint 1 MHz, akkor az FRC órajelforrás választása csak abban az esetben ajánlott, ha a konverzió alvó üzemmódban lesz végrehajtva." Szerencséd, hogy öregapádnak szólítottál... akarom mondani, hogy pont ma nézegettem egy másik PIC (18F8722) ADC-vel kapcsolatos tudnivalóit, s hogy véletlenül ott is a szemembe ötlött ez a kitétel! Idézet: „Azért kérdezem, hogy elég-e bekötni a 'signal' nevű TTL jelet a PIC-re?” Nyilván nem, hiszen a TTL jel szintje csak a GND-hez képest értelmezhető. Nyilván nem, hiszen egy áramkör záródásához legalább két ponton kell kapcsolódni.
Bocsi watt; ha nem nyúlok semmihez, alapból 4 MHz->
OSCCON regiszter: bit 6-4 IRCF<2:0>: Internal Oscillator Frequency Select bits 111 = 8 MHz 110 = 4 MHz (default) jcserny: nagyon köszi, hogy felhívtad a figyelmemet az órajelforrással kapcsolatos megjegyzésre. Shajna nem értem elég jól a "szakmai" angolt. Még 1x köszi mindenkinek, valószínűleg menni fog az AD. fejesg
Sziasztok,
Örülök a sok tempomatos hozzászóláshoz. Sajnos a mai napon most sikerült gép elé keverednem. Átfogalmazom a problémámat úgy, hogy szeretnék primitív tempomatot építeni. Elkezdem a PIC-eket az alapoktól (talán led villogtatás).
Úúúú az is mekkora munka volt nekem elsőre. De jó, hogy túl vagyok az első nagy gondolatokon. Azért még nagyon sokat kell tanulnom nekem is.
Szívesen ajánlom neked is az ezen az oldalon található táblázatot. Itt találsz némi PIC-es megoldást és hozzá tartozó programokat is magyarázatokkal. Persze elengedhetetlen egy-egy PIC megismeréséhez, annak adatlapjának ismerése.
Sziasztok!
Valaki tudna nekem egy programot írni ehhez a kapcsoláshoz. Előre is köszi
Üdv mindenkinek!
Szeretnék építeni egy kis távirányítós autót és a vezérlő jel átvitelét RF modulokkal szeretném megoldani (HE store ban kaphatókra gondolok). A távirányítóban lévő PIC egy számot küldene uarton és a kocsi vevője ezt fogadná. Kérdésem, hogy ha a picre ráakasztom az adó és a vevő modul in és out vezetékét közvetlenül, akkor megy e így az uart? Előre is köszönöm.
A kapcsolás erről a weblapról származik, találsz itt hozzá egy csomó programot.
Itt van egy kis progi. A config lehet hibás.
Üdv!
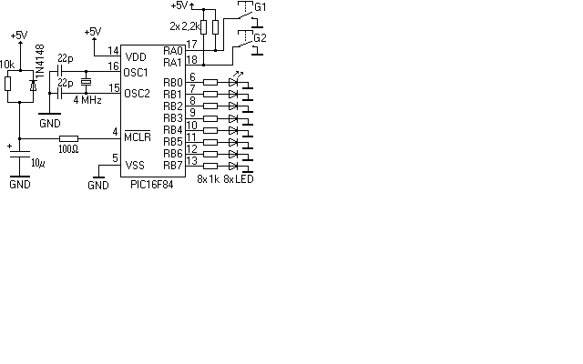
Megnéztem frecsko kapcsolását és felmerült bennem egy kérdés, az MCLR lábre miért van ráakasztva ennyi cucc? Miért nem elég oda egy ellenállás?
Azon az oldalon ahonnan a rajz eredetileg származik van néhány példa program hozzá...
Köszi.
Nem tudtam megtalálni a honlapot ahonnan ez a rajz le lett töltve
Tudom, csak nem találtam a honlapot ehonnan ez le lett töltve.
Nagyon szépen köszönöm, csak egy valamit elrontottam a kérésemben.
Pic16f84A-m van és ahhoz kellene a progi
Hopsz én is könnyelmű voltam este. Lehet így már jobb lesz. Le is fordítottam. Szólj, hogy mi van!
A pénteki tapasztalatok alapján én azt mondom, ha valami miatt hirtelen változik a sebesség (akár nő, akár csökken!), akkor mindenképpen el kell engedni az automata gázadást!
Kezdő vagyok picbe!
Gomb nyomásra szeretném a tmr időzítőket indítani a akkor egy gombot teszek az mclr lábra akkor az jó megoldás? Tom
Megoldásnak működhet, de szakmailag elég gáz. Tudod mit okoz ha az MCLR lábon megnyomod a gombot?
Szeretnélek arra megkérni, hogy a mondataidat olvasd el mielőtt elküldöd, hogy van e értelmük, és használj írásjeleket a megfelelő helyeken, hogy ne nekünk keljen kitalálni mit is szerettél volna kérdezni! Köszi!
Elég nagylelkű vagy, itt nem nagyon divat programokat írni másoknak!
De azért biztosan örül neki, csak a világon nem tanul belőle semmit. Persze lehet, hogy nem is akar...Szakmailag a programodhoz annyit, hogy egy egyszerű RRF, RLF-el a dolog sokka legyszerűbb lenne. Viszont szépen bemutatod, hogyan kell táblázatot kezelni!
Köszönöm! Tele vagyok ajándékozási vággyal! Egyébként én is így tanultam valahogy. Szeretem, ha van egy példaprogram és azt lehet macerálni. Bár ez a PIC-eknél eléggé öszetett folyamat.
Szia.
Remélem csuklasz mert igen emlegetlek. imába foglalom a nevedet. Működik!!!
Kedves Watt.
Igenis örülök a programnak mit googa írt nekem. A tanulásról annyit hogy legalább össze tudom hasonlítani az én általam írt hülyeséggel, és legalább van egy alap progim amit tudok mahinálni.
Ha működik, akkor az nekem is jó, hiszen próba nélkül programoztam a saját tudásámból Neked. Tehát fejlődtem. Ha megnézed az alábbi programrészletet, rájöhetsz, hogy ez határozza meg a kimenetek be/ki kapcsolásást. Ahol 0 van, ott a LED nem világít, ahol 1 van, ott világít. Bármennyi sorral kiegészítheted ezt a részletet és kedvedre való mintákat vihetsz be. Természetesen egy sorban több LED-et is bekapcsolhatsz, nem csak egyet.
retlw b'10000000' retlw b'01000000' retlw b'00100000' retlw b'00111100'
Egy sort kivenni úgy tudok hogy pontosvesszőt rakok a sor elejére igaz?
retlw b'00000001' retlw b'00000010' ; retlw b'00000100' retlw b'00001000' és akkor azt kihagyja és ugrik a következőre.
Hogy tudtál ilyen keretet készíteni a hozzászóláson bellül? Nekem nem jön össze semmivel. Talán ez volt az?!?
frecsko: Igen. A pontosvessző megjegyzéssé teszi az utána következőket.
En sajnos nem ertek egyet watt-al. Tenyleg nem kotozkodes keppen, de latok a programban par hibat.
Az elso eszrevetel inkabb methodoogiai, az a STATUS es utana szam nem szep! Az INC file-ben mar definialva vannak azok a bitek, tessek megnyitni az INC file-t es kiszedni belole mi a megnevesitese az adott bitnek es azt hasznalni. Az okok: 1. olvashatosag, 2. ha masik MCU-ra akarsz majd atterni sokkal konyebb eszrevenni ha az adott bit nincs meg ill ha mashol van akkor automatan jo lesz a program. Most a __CONFIG -ra kulon nem terek ki mert ezekrol mar esett szo mostanaban ![]() A masodik inkabb aprosag, hogy a Read ciklusnal ha countba a max erteket teszed nullazas helyett akkor a vegen a 6 utasitasbol allo ciklus vizsgalat helyett elegendo lenne egy decfsz+goto Read+ goto Start. Igaz akkor a tablat forditva kellene letaroni, de hat ennyit talan aze ember megtehet ![]() A harmadik egy picivel komolyabb: A tabla olvasas igy ebben a formaban nem jo, mivel csak akkor mukodik ha a tablazat nem esik laphatarra. Ha a program modosul konnyen bekovetkezhet a baj es csak nehezen deritheto ki mi tortenik, miert hibazik a program - ugyanis abba a csapdaba eshetunk hogy ugy gondoljuk a tabla olvaso rutin mar le van tesztelve es mar elesben is bizonyitott, holott ez nem igaz, csupan a szerencsen mulott, hogy mukodik. Erre igazandibol ket megoldas letezik, vagy mindenkeppen laphatarra kell igazitani a tala elejet es marad minden a regiben (feltetelezve a tabla nem nagyobb, mint 256 elem). Lehet akar makrokat is irni ami figyelmeztet ha a tabla laptorest okoz, illetve meg lehet a tabla olvasast normalisan csinalni ami szmaol a PCLATH-val is. Az utolso, hogy eleg furan oldottad meg azt a delayt Tulajdonkepp mukodik a dolog, de a decfsz utan nem illik elore ugralni, es legfokepp nem abszolut cimekkel dolgozva. Egyetlen mentseget tudok, hogy igy a belso ciklus pontosan 5us es nem kellett plusz utasitast elhasznalni hogy a 3us kitolodjon 5-re. Viszont cimket mindenkeppen javasolnek a $+2 helyett - tudod, en mindig a logikai neveket javaslom a beegetett bitek es szamok helyett Ja es a 'retlw 00' helyett nyugodtan irhatsz 'return'-t, hacsak nem baseline PIC-rol van szo. |
Bejelentkezés
Hirdetés |





De azért biztosan örül neki, csak a világon nem tanul belőle semmit. Persze lehet, hogy nem is akar...





