Fórum témák
» Több friss téma |
Fórum » PIC - Miértek, hogyanok haladóknak
igy kellene menni csak ne felejtsd a pullupot az SDA labrol. A PK2 readme-ben benne van.
Üdv!
Lefordítottam egy pic programot és ezt kéne letesztelni, hogy működik-e. Tudna nekem ebben segíteni valaki? A segítséget előre is köszönöm.
PIC-es kérdés, amit jobbnak láttam a viccek-mókásba írni, és ide csak linkelni.
Szia!
Felrakom ide a fordított hex-et meg tudnád nézni, hogy működik?
A hex-el nem megyek semmire. A PIC-eknel -- es minden mas mikrokontrollernel -- a firmware (a program, vagy szoftver ami a mikrokontroller processzoran fut) szerves resze az elektronikai aramkornek. Ezt a kettot szetvalasztani nem lehet.
Amiben itt segiteni tudunk, hogy ha csatolod a kapcsolast es a forrast, akkor at tudjuk nezni mi a hiba vagy a kapcsolasban vagy a firmware-edben. De ehhez meg nyilvan erdemes lenne leirni a hibajelenseget is, esetleg kis magyarazatot a gondolat menetedbol, hogy mivel probalkoztal, es mi az ami megy vagy ami nem.
vilmosd
Köszönöm a válaszod. :worship: Működik!
Szia!
Ez lenne a forrás, az itt található kódott fordítottam le Pic simulatorral. Az áramkört még nem építettem meg mert még eddig nem sikerült lefordítani a kódot. A hiba fordítás végén jelentkezik, de erre csak este tudok válaszolni.
Sziasztok!
Megépítettem a csatolt, Topi "Nullától a robotokig" című cikkében talált programozót. Programozáskor az MCLR fesz +13V-ra változik +0,7V-ról és a Vdd is +5V-ra megy fel. Ezek stimmelnek, viszont normális az, hogy alapból a PG 3-on -11.0V , a PG 2-n -5.2V a feszültség? Programozáskor mindkettő néhány x0.1V-ot változik (gondolom mivel nem DC-vel programozunk, hanem kb. négyzögjellel). A kapcsolás: Bővebben: Link Ha valami nem egyértelmű, kérdezzetek! Köszönöm addig is!
Sziasztok
70mA áramfelvétel mennyire reális egy dsPic30f5011-től? (egyik kimenet sincs egyelőre bekötve és program sem fut rajta)
Mit mond az adatlap?
FRC (~2MIPS) 5V -> 10 mA EC mode 16 MIPS 5V -> 70 mA EC mode 30 mIPS 5V -> 117 mA Ez a táblázat elkerüle a figyelmem, bocs. Köszönöm
Mostmár áruld el azt, hogy milyen frekvencián mérted a 70 mA áramfelvételt!
Sziasztok!
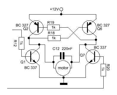
Azt szeretném megkérdezni tőletek, hogy csinálni akarok egy H-híd-as motor vezérlést PIC16F877-tel. Jól tudom, hogy a PIC két lábára kell kötni a két-két tranzisztor ágat és ekkor elhanyagolható az inverter? Emiatt nem fog tönkre menni a PIC-m vagy nem lesz zárlatos? ![]() HE kapcsolásai közt lévő H-híd motor vezérlést akarom megcsinálni inverter helyett PIC-el. ![]() smrtln
Hali.
Én ezt a h-hídat épitettem meg és közvetlen kapcsoltam a pic-re.
Arra vigyázz nehogy mindkét hídágat magas H szinttel vezéreld egyszerre, különben a tranzisztoraidból ki fog jönni a működést biztosító füst.
Hali
Ajanlanam a 16F887 PIC-et mert abban van ECCP modul ami tud H-hidat vezerelni. Nem kell kinlodni a H-hid vezerlesevel, adja magat. Udv Vili
Szia!
Megpróbáltam még egyszer lefordítani és ezeket a hibákat írja:-Unused subroutin Not compiled: getkey, prog cycles, prog setup, prog memory.
Nyilvan valo, hogy az nem normalis! De ne felejtsd el, hogy az RS232 +-12V kornyeken hajtja meg a vonalat -- azaz normalis olyan ertelemben, hogy a PC felol megjelenhet ilyen merteku negativ jel.
Tudom, Topi cikke nem bantjuk, de azert en azt a JDM programozot elfelejtenem mindorokre! Olvasdd el Watt Ur honlapjan az intelmeket! Es hasznalj helyette PicKit2-t, azt is megepitheted, vagy Watt Ur felet, vagy Szilva Bacsi felet.
De ez csak Warning, nem? A HEX ettol meg elkeszul?
Idézet: „Tudom, Topi cikke nem bantjuk, de azert en azt a JDM programozot elfelejtenem mindorokre!” Már néhányszor mondtuk neki, hogy azt onnan kompletten el kellene távolítani, de csak a piros szöveg kiírására volt hajlandó. Pedig másik cikkében meg említi, hogy pic-hez csomó megbízhatatlan égető kering a neten...
Akkor szerintem azzal nem lesz gond -- persze nem latom a teljes kimenetet, de amit irtal az csak megjegyzes vagy figyelmeztetes a forditotol, nem hiba.
Ok rendben akkor megtervezem hozzá a panelt és bízok benne, hogy működni fog.
Köszönöm a segítséget.
Sziasztok!
Szeretnék segítséget kérni, teljesen buta vagyok az elektronikához, csak néhány alap dolgot tudok olyan PLC-zős szinten (amolyan moduláris szintem ), de elkezdtem foglalkozni a PIC-ekkel is. Készítettem egy próbapanelt, minden szép és jó, csak éppen azt nem értem miért nem stabil a működése. Igazából nem is jó szó, hogy nem stabil inkább fura. Miért kell nekem rátennem az ujjam az egyik kondenzátorra, vagy megfogni az egyik csatlakozót, hogy elkezdjen rendesen futni a program. A program növeli a számokat 1-9 ig és visszafelé, de amíg nem fogom meg a kondit, addig csak az 1-en áll. Ha netán tudjátok miért kellek én az áramkörbe, akkor segíthetnétek kicsit. Az is jó lenne ha abban segítenétek, hogy hogyan tudom ezt kiküszöbölni. Az egész olyan érzés mint amikor pár éve a padláson állítgattam az antennát és csak addig volt jó amíg fogtam ![]() Előre is köszönöm a válaszokat!
Szia!
Két dolog ötlik a szemembe, ahogy gyorsan ránéztem az áramkörödre: 1.) Nem látok hidegítő kondenzátort a PIC táplábainál. Ez 100 nF kerámia legyen, és annyira közel a kontroller táplábaihoz, amennyire csak lehet. (Ebben a topikban már rengetegszer volt róla szó, keress rá, ha bővebben érdekel) 2.) A kvarc rettenetesen messze van az oszcillátor bemenetektől. Annak szintén a lehető legkisebb távolságra kell lennie a vezérlőtől. Ezeket mindenképpen javítsd ki, aztán majd kiderül, remélhetőleg más gond nincsen.
A kapcsolási rajz jobb lenne.
LVP bit le van tilva, vagy ha nincs a PGM láb le van húzva testre? MCLR-en van felhúzó ellenállás Vdd-re(10k)?
Szia!
A frekvecia mérőm is ilyen próbapanelen megy teljesen biztosan. - A táp és a föld közé tegyél több 100nF kerámia kondenzátort és egy darab 100-470 µF elektrolit kondenzátort. - A tápegység stabilizált feszültségű legyen. Ha nem stabilizált, akkor a próbapanel sarkában építs fel egyet 7805 -tel. A stabilizátor kimeneténél közvetlenül is legyen 100nF kerámia kondenzátor.
Sziasztok!
Valaki nem emlékszik hogy az EEPROBba hogyan is lehet(inicialis) adatokat feltölteni ? Valami ilyen rémlik ,hogy ORG 2100 csak tovább nem emlékszem. A datasheetben pedig nem találok rá mintapéldát.Köszi |
Bejelentkezés
Hirdetés |




Ez a táblázat elkerüle a figyelmem, bocs. Köszönöm



A datasheetben pedig nem találok rá mintapéldát.Köszi 




