Fórum témák
» Több friss téma |
Fórum » PIC - USB - PC projekt
C18 esetén is van a Linker opciói között olyan, hogy COD generálás tiltása.
Nem mélyedtem bele, de el nem tudom képzelni, hogy ne lehetne ezt a részt átírni úgy, hogy kezeljen bármilyen elérést. De igazából csak morgunk, mert megvagyok a korlátokkal.
Hat igen, eleg szerencsetlen dolog ez
De amugy ha jol ertettem a problemat, akkor azert nem valtoztatnak, mert maga a COD file formatuma az amivel baj van es ugye a Microchip nem Microsoft, tehat csak ugy nem valtoztatgatjak a masok altal kitalalt file formatumokat, hogy aztan ha emiatt valaki nem tud valami mas szoftvert hasznalni akkor jol elmondhassak, hogy az a masik szoftver mennyire gagyi ![]() Amugy en is elvagyok a korlatokkal -- mint irtam sima Windows alatt SUBST megoldja a kerdest, de ahogy most hasznalom, hogy Linux host, Windows virtualis gep es megosztott konyvtar, tehat a virtualis Windows-ban MAP-pel hozza rendelem a fejlesztoi konyvtarat egy betuhoz (hasonlo effektus mintha SUBST-tal csinalnam)
Köszi, de hiába égettem be a PIC-be, nem megy. Megvannak a nyomógombok is, első beégetés után újra kiírta, hogy az eszköz telepítése során hiba lépett fel, bla bla bla. Nem is akart illesztőprogit keresni, szal gyanakszom arra, hogy a korábban rátöltött HID class bootloader miatt a Windows hülyült meg, mert az eszközkezelőben ott van a hibás HID eszköz sajnos, és ezen valahogy nem akar túllépni. Amúgy Athlon64-es a gép (márha ez segít, mivel az évek során elég sok nyűgöt tapasztaltam vele - folyamatosan kifagyó VirtualPC, nem futó alkalmazások, használhatatlan toolchainek pl yagarto, stb stb stb)
Az eszközkezelőben jobb klikk Uninstall után olyan mintha soha nem látta volna még a géped azt az eszközt. Ha ezután is hibát dob, akkor vagy a descriptorokkal lesz hiba, vagy valami hardveres.
Hát sajna nem segít, töröltem a HID drivereket, de megintcsak HID eszközként ismerte fel, és nem megy, bár arra megint kiírja, hogy az eszköz telepítése sikeres volt. Anno mikor a gyári HID bootloadert tettem rá, kiírta a vindóz, hogy az eszköz telepítése sikeres volt, szóval szerintem a gépben van a hiba. Megpróbáltam felismertetni hw hozzáadással és a microchip Family Device driverrel, de semmi. 5let?
Nem ártana visszaolvasni a PIC-ből, hogy mi van benne! Ma én is szenvedtem egy programmal, hogy miért nem megy, s kiderült, hogy a program tökéletesen jó, csak nem íródott be....
Mellesleg a HID bootloader miért is nem volt jó?
Az első problémát megoldottam, Oshon F18-as programozó nem égetett be semmit... Újra próba, sikerült (hw-esen az lpt-s programozó teljesen jó) beégetni az USB device bootloadert, a windos is felismerte az usb eszközt, és telepítette is a family class drivert, sőt egyszer fel is ismerte a PDFUSB.exe program is, miután boot módba tettem, de azóta semmi. Hiába rakom boot módba, szokásos vindóz hang, ha hiba lépett fel az eszköz felismerésekor. Kiolvastam az oshonnal a pic-ből a flasht, benne van a bootloader, szal nem értem
Próbáld beégetni, ellenőrizni a WPB_F18-al, hátha azzal stabilabb a dolog...
Okés, bár nem tudom, nem-e az én készülékemben van-e a hiba, mivel az Athlon64-es elég furi dolgokat produkál - egy ideig pl az USB-s nyomtatót csak akkor volt hajlandó felismerni, ha az XP telepítése után egyből őt telepítettem, és nem az egyéb dolgokat (alaplap, video és egyéb karik, stb). Amúgy 10-es hibakódot ír az eszközkezelő, de legalább ott van, mint microchip custom usb device.
Ha ilyen kétségek merülnek fel, akkor sürgősen keresni kell egy másik gépet, ahol kilehet próbálni.
sziasztok valaki tudna nekem segiteni ..szeretnék pic EEPROM ÉGETŐ öszerakni .... tudnátok nekem köldeni nyáklap rajzot beöltetési rajzot ijesmit ...meg épitetem a led kockát ahoz kelene
1. Nem jó helyen kérdezel. (inkább a PIC kezdőknek toppicban)
2. Fogalmazd meg mégegyszer mit akarsz, mert nem értem. 3. Írj helyesen, legalább a ciki kategóriát kerüld, mert nem biztos, hogy szóba állnak itt veled. Akkor ugorj neki mégegyszer!
bocsi sajna dixlexiás vagyok .......anyit szeretnék pic 16f887 sereték programozni ...ezért szeretnék nórmális égetöt öszerakni
En meg algériás vagyok
![]() De amugy azt ertetted, hogy nem ebben a topicban kellene kerdezned ezt?
No kipróbáltatott Laptopon is, és ott sem működik a dolog, ugyanúgy hiba lép fel az eszköz felismertetésekor.
Akkor kezdődhet a nyomozás! Innen biztosan nem deríthető ki a hiba oka, ezzel neked kell megbírkózni.
- Jártam már úgy, hogy hibás vagy inkompatibilis (korábbi verzióból visszamaradt) eszközkezelő volt sárga kérdőjellel, amit el kellett távolítani. - Volt beragadt eszközkezelő, amin a reboot segítette. Hardveres hibák: - az USB csatlakozó bekötésének elrontása/összekeverése). - Leszakadt drótok, vagy elkötések. - MCLR felhúzásának hiánya - Ott voltakvarc, de elfelejtettem bekötni, vagy leszakadt a bekötő vezeték - Hibás konfigurációs bitek - PGM lehúzásának hiánya (ha LVP nincs letiltva) A lehetőségek száma szinte végtelen...
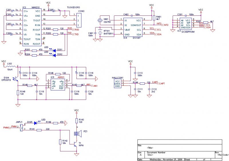
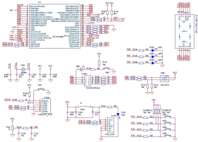
Hű de jó, hogy felsoroltad, PGM-et nem kötöttem földre. Amúgy az mihez kell? Mert IO-nak akarom használni az RB4-RB7 lábakat, de úgy kötöttem, hogy jumperral le lehessen választani az IO irányt, ha programozom. Csatolom a kapcsolást. Amúgy azért lenne fontos az USB-n keresztüli programozás, mivel laptopon se soros, se párhuzamos port, és nem akarom külső tápról sem járatni.
Idézet: „Hű de jó, hogy felsoroltad, PGM-et nem kötöttem földre.” Ez csak akkor fontos, ha nem kapcsolod ki az alacsony feszültségű programozás lehetőségét, amit egyébkén ki kell kapcsolni(LVP bit off!)
Kínlódtam egy sort PIC18F4550-nel, de az MHCPUSB bootloadert nem sikerült beüzemelni.
Ha nem tévedek, akkor ez a Microchip MCHPFSUSB v2.3 változat (nem a legfrissebb). - Ha beégettem, akkor csatlakoztatáskor nem kért drivert - A PDFUSB.exe felismerte, s olvasni lehetett vele a PIC memóriáját, de új programot nem tudtam beírni (valami USB írási hibát jelzett). - Ráadásul a bootloadert is tönkrevágta (pedig direkt be volt állítva a boot terület írásvédelme! Így minden kísérletnél újra kellett írni. - Ha eltávolítottam az eszközmeghajtót, akkor is "szerzett" magának valami meghajtót automatikusan. A HID bootloader előtte is, meg azóta is szépen működik.
Sziasztok!
Sikerült nekem is működésre bírni a PIC-PC kommunikációt USB-n keresztül, HID üzemmódban. Az alapot Watt cikke adta, viszont abból a VB mintát nem tudtam használni, viszont találtam egy Microchip által készített C++-os verziót, amivel működik. Egy LCD kijelzőt használok, megy benne lényegében minden (az egyedi karakterkészítést még nem próbáltam, de majd rátérek arra is). Sikerül szoftverből az LCD-re kiíratni az időt, viszont ha a napot is utána írnám, akkor kicsit meghülyül. Úgy próbálom, hogy egy adott sorba (ez a 2. és a 3. sor jelenleg) "ugrasztom" a kurzort, kiíratom az adatokat, megint egy ugrás, utána a következő adat, és elölről kezdve ugyanez. Mindkét kiíratás előtt ott van a pozicionálási művelet. 1-2 alkalom erejéig tökéletesen működik, utána viszont nem tudom kinézni, milyen rendszer szerint, lényegében össze-vissza írogatja ki az adatokat. Viszont ha csak simán az aktuális időt íratom ki nap nélkül, akkor nincs semmi gond. Valaki tudna valami ötletet mondani, hol ronthatom el, esetleg mivel próbálkozzak? Elvben működnie kellene, hisz minden kiíratás előtt pozicionálom. Üdv vtnagy
Sziasztok.
valaki megcsinálta már ezt a kapcsolást?
Nem, de ez mire lenne jó? Egy sorkapocsra kivezetett PIC az egész. Nem beszélva arról, hogy a doksiban elírták az analog bemenetet kimenetre, bár ez most mindegy.
Ezt ebben a formában nagyon könnyű tönkretenni, igazából nem jobb, mint egy próbapanel, ami tüskesorra ki van vezetve. Nem sok értelmét látom megépíteni.
Igaz, nem sok mindenre jó. Én csak lámpát akartam kapcsolgatni róla persze galvanikusan leválasztva. Meg van néhány kis napelemem, azoknak az értékeit akartam leolvasni vele...
Mint írtam ez egy csupasz PIC sorkapoccsal. Így nem jó semmire, így értelmetlen a kérdés, hogy bárki megépítette-e. Arról is értelmetlen beszélni, hogy mire akarod használni. Így nem jó semmire! Kiegészítésekkel igen, de ahhoz érteni kell, mit miért hogyan, függően attól, hogy mit akarsz rákötni melyik vonalaira hogyan.
Csupasznak csupasz, de szerinted így akarom használni??!! A bemenetre feszosztót terveztem bár elég sok napelemet kellene sorba kötnöm hogy túlhaladja az 5V-ot. Nem is olyan sok, 2-3. A kimenetre optokaput akarok, 5V-ra nem nehéz egy ledet méretezni.
Akkor eredetileg mit kérdeztél? Hogy van itt közöttünk már olyan, aki használt 18F4550-et?
Nem. Azt, hogy használati célból megépítette e már valaki. Ne légy már ilyen lenéző Watt májsztró.
De ha ezt tudod, akkor mégis milyen választ vártál? Igen, építettünk már hasonlót, csak az dugdosós próbapanelen volt.
A rajzon van néhány triviális hiba, ezeket javítsd ki!
1. VUSB-re 470 nF kell (nem pF, ahogy a rajzon van!) 2. Mindkét VDD és VSS közé tegyél egy-egy 100 nF-os kerámia kondenzátort (úgynevezett low ESR típusút) 3. Ha az USB-ről veszed az 5 V-ot, akkor nem illik nagy árammal terhelni (max. 100 - 500 mA). Érdemes egy 10 µF kondenzátort is rákötni. Nagyobban nem illik a bekapcsolási áramlökés és a kikapcsolási késleltetés miatt, de végszükségből lehet, de csak ha kipróbáltad az adott géppel. 4. Az MCLR felhúzó ellenállását növeld 10 kOhm-ra! Melesleg a kapcsolásban nincs semmi extra, gyakorlatilag ugyanígy használhatod a PICCOLO projektem programjaival is. |
Bejelentkezés
Hirdetés |











