Fórum témák

» Több friss téma
Fórum » Polaritás fordítás
 
Témaindító: Preston, idő: Dec 18, 2006
Témakörök:
Lapozás: OK   1 / 1
(#) Preston hozzászólása Dec 18, 2006 /
 
Sziasztok!Nem tudnátok egy olyan kapcsolást küldeni nekem,amibe 3 jel megy be és csak 2 jöni ki attól függően,hogy a 3 jel küzűl melyik kettőbe megy be jel???


Előre is köszi!

polar.JPG
    
(#) tbence3 válasza Preston hozzászólására (») Dec 18, 2006 /
 
Helló!
Mekkora fesz megy át rajta? Mert szerintem logikai kapukkal meg lehet csinálni.
(#) Balu válasza Preston hozzászólására (») Dec 18, 2006 /
 
Szerintem neked h-híd kell. :yes: ez

üdv Balu
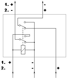
(#) Inhouse válasza Preston hozzászólására (») Dec 18, 2006 / 6
 
Ha egy 2 váltóérintkezős relét elbír a kimenet, akkor íme:

Üdv
Inhouse

polar.jpg
    
(#) elhungaro hozzászólása Jan 15, 2012 /
 
Sziasztok én is polaritást váltok éppen egy 400 W-os egyenáramu motornál öntartással ,az alábbi kapcsolással! Kérdésem lenne még, a motor miatt fellépő fesz. változás miatt nekem mindenképpen kondit , vagy trafót (ami épp van szétválasztva fö és vezérláramkört) használjak? Vagy fesz stabilizátor? Vagy van már olyan 24 V-os relé ami nem érzékeny rá ha egy motor párhuzamosan van vele kapcsolva?
köszi

P1152162.JPG
    
Következő: »»   1 / 1
Bejelentkezés

Belépés

Hirdetés
XDT.hu
Az oldalon sütiket használunk a helyes működéshez. Bővebb információt az adatvédelmi szabályzatban olvashatsz. Megértettem