Fórum témák

» Több friss téma
Fórum » Quad 405-ös erősítő tapasztalatok és hibák
Lapozás: OK   269 / 406
(#) roymen válasza roymen hozzászólására (») Jún 28, 2014 /
 
Az egyik c5198 úgy néz ki kuka,a másik jó.Akkor valóban ez volt az eredeti hiba.De akkor ez nyújtathatta meg az ellenállást? A színkódja szerint a 0.25w-os 10 ohm volt.
(#) reloop válasza roymen hozzászólására (») Jún 28, 2014 /
 
Az R39 túl melegedéséhez kell egy szép, legalább 100kHz-es gerjedés. Ilyen frekvencián már elég alacsony C12 reaktanciája (hacsak nem átüt, vagy eleve zárlatos), hogy a 10 ohm-on jelentős áram folyjon.
(#) roymen válasza reloop hozzászólására (») Jún 28, 2014 /
 
A srác akitől hoztam a végfokokat azt mondta,hogy 5 évvel ez előtt bontotta őket zene gépből. Az elektrolit kondikat kapásból kiszortam, de a többi kondenzátor nem bojgattam. Nem gondoltam hogy más kondi is hibás lehet a panelen.Most hajtottam meg tabról, két 40-es méllyel,és azt kell hogy mondjam, nagyon jó hangja van. Mostmár csak egy hangyszínszabályzót aggatok elé.Úgyis van itthon egy Sharp erősítőm, aminek halott az stk a végén.Azt elé csapom és kész is a mű. Ha megvagyok dobok fel képeket.
Üdv.:Roymen
A hozzászólás módosítva: Jún 28, 2014
(#) roymen válasza roymen hozzászólására (») Jún 28, 2014 /
 
Egyenlőre így néz ki.A trafót majd arrább rakom,mert zúg egy kicsit az erölködő.A bemenetek is új helyet kapnak majd a hátlapon. Egyenlőre ennyire tellett tőlem mára.
(#) roymen válasza roymen hozzászólására (») Jún 28, 2014 /
 
Még két kép.
(#) reloop válasza roymen hozzászólására (») Jún 28, 2014 /
 
Ez aztán a csillagpontos táp-kialakítás, ja nem
(#) roymen válasza reloop hozzászólására (») Jún 28, 2014 /
 
Ha átkerül a trafó kialakítom,de küldhetnél nekem egy vázlatot hogyan csináljam meg,mert ezeket a finomításokat a Papám (tv-rádió szerelő volt) végezte gyerekkoromban az erősítőkön amit közösen csináltunk,és Ő már sajna nem tud segíteni nekem ebben.
Előre is köszi a segedelmet.
(#) roymen válasza roymen hozzászólására (») Jún 28, 2014 /
 
Megtaláltam közben. Goggle a barátom. A bemeneti földet nem kell elválasztani a táp földjétől? Én valami ilyesmire emlékszem.
A hozzászólás módosítva: Jún 28, 2014
(#) reloop válasza roymen hozzászólására (») Jún 28, 2014 /
 
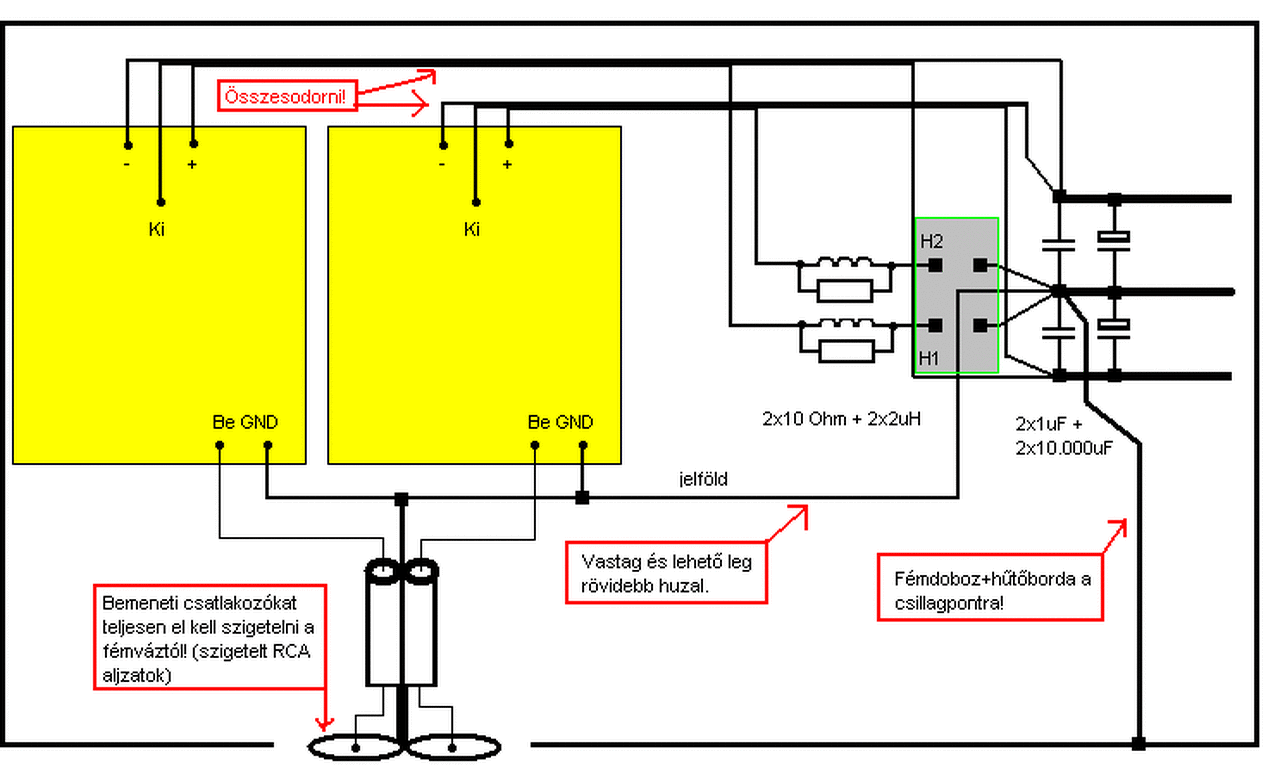
A mellékelt kép szerint kell eljárni. A puffermező korrekt kialakítása is fontos. Azt a képből nem tudom kihámozni. Ötleteket a földhurkos témából meríthetsz.
(#) roymen válasza reloop hozzászólására (») Jún 28, 2014 /
 
Ok.Köszi.Átolvasom.Még annyi kérdésem lenne hogy a Sharp paneljéről az sm-je szerint csak 0.03V-os jel megy az Stk043 két bemeneti lábára.Ez ha jól gondolom kevés a Quad-nak. Közbeiktassak még egy előerősítőt,vagy tudok állítani a Quad érzékenységén valahogy,hogy ez a jel elég legyen neki?
(#) reloop válasza roymen hozzászólására (») Jún 28, 2014 /
 
Az egy DC feszültség, a bemeneti 33k ellenálláson ejti az STK bemenő árama (kb. 1uA).
Ha kevésnek mutatkozik az erősítés a Q105,106 emitter körében be tudunk avatkozni.
(#) roymen válasza reloop hozzászólására (») Jún 28, 2014 /
 
Hát most kipróbáltam,és lényegesen halkabban szól,mint amikor direktbe küldtem a tabról.A hangszín szabályzás,loundness stb... működik,de lényegesen halkabb.
(#) reloop válasza roymen hozzászólására (») Jún 28, 2014 /
 
Bejelölnéd hová is kötöttél? VR102-n mégy be, VR104-en jössz ki. Amit a lepke hangszín felemészt, azt a tranyó pótolja. Jut eszembe - a tranzisztor kap tápot?
Ha nem jön össze egyből, hagyjuk itt a Quad témát, és vonuljunk az Erősítő mindig-be, mert OFF-ba csúszunk.
(#) roymen válasza reloop hozzászólására (») Jún 28, 2014 /
 
Akkor vonuljunk át oda,mert ez eltart egy darabig ahogy nézem.Köszi hogy segítesz!
Üdv.:Roymen
(#) Doncso hozzászólása Júl 5, 2014 /
 
Egy olyan kérdésem lenne, hogy mi történik ha a visszacsatoló 150nF helyett 220nF-os kondit teszek. Az IC 6-os 2-es lába közötti 100k-150nF RC tagra gondolok. Épp ültetek és nincs itthon 150nF csak 220nF
(#) Pioneer válasza Doncso hozzászólására (») Júl 5, 2014 /
 
Elmászik a frekvenciamenet.
(#) Doncso válasza Pioneer hozzászólására (») Júl 5, 2014 /
 
Értem. Akkor nem próbálkozok semmivel. Köszönöm.
(#) Doncso válasza Pioneer hozzászólására (») Júl 5, 2014 /
 
De gondolom, ha két párhuzamos fóliából teszem össze az nem baj? 100nF és 47nF.
(#) Andrasirex válasza Doncso hozzászólására (») Júl 5, 2014 /
 
Az úgy jó lesz.
(#) Alkotó válasza Doncso hozzászólására (») Júl 6, 2014 /
 
Az RC szorzat legyen állandó. Nagyobb kondihoz kisebb ellenállás kell, de ettől meg csökkeni fog az erősítés, így nagyobb jel kell a kivezérléshez. A "klasszikus" alapkapcsoláson is 330k-47nF van, amivel kb. 750 mv kell a kivezérléshez. A 100k-150n kombináció a B. Ludwigos rajon fordul elő, és annak valóban 2 V körüli feszültség kell.
A több darabos megoldás teljes értékű alternatíva lehet.
A hozzászólás módosítva: Júl 6, 2014
(#) Doncso hozzászólása Júl 6, 2014 /
 
Köszönöm mindenkinek a segítséget. Több darabnál maradok.
(#) pjg hozzászólása Júl 7, 2014 / 3
 
Az egyik tervezőjük azzal kergette a hithű hifisták arcába a vért, hogy kijelentette: minden azonos színvonalon megépített erősítő egyformán jól szól.

Milyen érdekes, egy olyan cég első embere, amely évtizedes hírnevét a jellegzetes hangzásának és a zene iránti szeretetének köszönheti, nem volt audiofil, nem hitt a hifi alapkövetelményében sem, mégpedig abban, hogy szubjektív hangminőségbeli különbség létezik különböző készülékek között. Mindezt a 405-ös típusszámú végfok kapcsán merészelte kijelenteni, de ha nem szól egy szót sem, akkor is beírja magát az elektronikai zenelejátszás történetébe. A 405-ös persze nem erről híres igazán. 1978-ban, amikor a cég megjelent vele a piacon, a korban a legújabb és leginnovatívabb kapcsolástechnikának számított, meg is kapta érte az igen patinás technikai "kitüntetését", a Queen's Award for Technological Achievement-et.
A hozzászólás módosítva: Júl 7, 2014
(#) solti_imre válasza pjg hozzászólására (») Júl 7, 2014 /
 
Pontosabban: A 405-ös 1975 -ben, már létezett (ha jól tudom, a Wireless Word 1975/12 -es számában jelent meg először a kapcsolási rajza) a 405-2 -est 1982 -ben dobták a piacra. (Bővebben: Link
A hozzászólás módosítva: Júl 7, 2014
(#) solti_imre válasza solti_imre hozzászólására (») Júl 7, 2014 /
 
Na, utánanéztem: Wireless. World, 1975. december, 560-562. oldal.
(#) pjg válasza solti_imre hozzászólására (») Júl 7, 2014 /
 
Pláne.

QUAD 33 -at használ e valaki?
(#) pjg válasza solti_imre hozzászólására (») Júl 7, 2014 /
 
Nem egyforma a kettő? Külsőre.
(#) flóri01 hozzászólása Júl 8, 2014 /
 
Helló mindenkinek!

Olyan problémám lenne, hogy megépítettem a korszerűsített quad 405-öt +-50V ról megy, de van 2 db 510ohm/3W-os ellenállás ami nagyon melegszik, az segítene hogyha mondjuk 5W-osra vagy 10W-osra cserélném őket ?

A segítséget előre is köszönöm
(#) Andrasirex válasza flóri01 hozzászólására (») Júl 8, 2014 / 1
 
Szia!
Azoknak az ellenállásoknak normális a melegedése mert az A osztály árama folyik rajtuk.
Ha akarod kicserélheted nagyobb teljesítményűre.
(#) dB_Thunder válasza flóri01 hozzászólására (») Júl 8, 2014 /
 
Oda alapból 5wattos dukál, én nem is értem miért szerencsétlenkedett a szerző 3wattossal.
(#) lazack hozzászólása Júl 8, 2014 /
 
Sziasztok!
Azt szeretném megtudni hogy a 2N3442 tranzisztor alkalmas e ebbe az erősítőbe, ugyanis van egy jó pár elfekvő darabom.
Következő: »»   269 / 406
Bejelentkezés

Belépés

Hirdetés
XDT.hu
Az oldalon sütiket használunk a helyes működéshez. Bővebb információt az adatvédelmi szabályzatban olvashatsz. Megértettem