Fórum témák
» Több friss téma |
Vannak műszereid?
Multiméter, frekimérő, kapacitást ill. tekercset tudok mérni kiforrasztava, van rövidzárvédett tápegységem.. sajnos más nincs..
Be akarok szerezni egy normális RLC mérőt.. Amit itt láttam a hobbielektronikában, az nem rossz...
Ha az a frekimérő tud legalább 120MHz-ig mérni, akkor jó lehet. Nem fogom leírni még egyszer a hangolás menetét. A bolgár és a VT tunere hasonló, legfeljebb a tekercsek menetszáma, meg az alkatrészek értéke és pozíciószáma különbözik. Még irányadást is írtam az elején a tekercsek menetszámának csökkentéséről. Amivel gondod lehet, az a sávátfogás. Variométeres tunert nehéz áthangolni emiatt, ezt írtam korábban. Nekem sose sikerült ilyen tunert rendesen áthangolni, mindig csak néhány MHz(4-6) volt az átfogás.
Értelek, köszönöm
Az S042 tápfeszültsége 4-15 Volt az adatlapja szerint. Esetleges gerjedési hajlam miatt érdemes kevesebbet adni, de az a szereléstől (is) függ. Szerintem a 12V jó neki. A ki és bemenetek fogalmát szerintem te kevered. Nekem az bemenet, ahová az antennát dugjuk, és a kimenet az, amit össze kell dugni a rádióval. A keverőnek nem tudom, hogy mind a két vége aszimmetrikus - e? Az antennához valószínűleg adnak balunt, vagy bele is van építve. A rádió felől biztosan kell egy balun, mert ha a 75 ohmos kimenetet nem egy árnyékolt koaxxal viszed a rádióig, biztos minden zavart összeszed. Az erősítős antennákban már mindenképp van balun, de annak még tápot is kell adni. Az antennák nem rosszak, ezek kör irányban vesznek. Ezekhez nem kell forgató, minden irányban vesznek. De ha te tudod, hogy a vehető adók mind egy irányba esnek, jobb a yagi. Azt, hogy hová szereled, az a fő irányelv, hogy minél magasabbra. A ház falára szerelve a fal egyik irányból eltakarja. De ha abban az irányban nincs olyan adó, amit venni akarsz, akkor elsősorban azt nézném, hogy hová, mihez lehetne rögzíteni a legolcsóbban, és mégis legmegbízhatóbban. A legjobb lenne neki kint a tetőn jó hosszú árbocra, de ez sokszor nem megoldható. Ezután jönnek a kompromisszumok. A rögzítés helye, kábel hossza, stb. A parabolákba ne lógjon bele, de alattuk, felettük, mellettük már lehet keresni egy olyan pontot, ahonnan erősebb szél sem tépi le. Egy ablakon kívülre, vagy erkélyre szerelve is lehet jó a megoldás, nem mindegy, hányadik emeleten van.
Azt a két tekercset kellene újra tekercselni, amikben a hangoló mag mozog. A rajzodon az L11, és L27 az szerintem. Egy ilyen csöves készülékben a fém dobozban, a cső foglalat felől nagyon rosszul hozzáférhető helyen szokott az lenni. Nehézség még az is, hogy az L27 az 3 tekercsből áll. Ilyenkor szoktam én visszakozni, pedig én sokszor nem ismerek lehetetlent.
Ugyan nem nekem szólt, de megnéztem a VT rajzát ismét, ennek az áthangolása rosszabb, mint gondoltam. Eleve nem is értem, hogy miért nem forgókondis, holott ekkor már készült ilyen is, csak nem ebbe. Ennek nem állnék neki. Inkább egy átkapcsolható konverter lesz a jó ide.
Köszi a gyors választ, egyenlőre az alacsonyabb szerelési megoldás lesz, aztán meglátom milyen az eredmény.
Egyébként az osztrák hatarszélen lakok, szombathely-kőszeg kőszeg között és az antennát a ház nyugati oldalára tudnám szerelni a legegyszerűbben
Van néhány új fotó , amin már látszik a ferrit alatt a forgókondenzátor mellett a kondenzátorok. Ezeket kellene megszüntetni?
A hozzászólás módosítva: Ápr 14, 2018
A 011 sz képen látszik egy vasmagos tekercs fehéres műanyag széle, a forgó, és az M4 mérőpont között. Az az URH oszcillátor tekercse. Azzal keress párhuzamosan kerámia kondit, a trimmer a forgó tetején van.
Hááát, én nem látom, mármint a vasmagos tekercset, és az M4 mérőpontot sem,de ez nem a te hibád ,
Sajnos ugyanott tartunk, ahol múltkor, az a rész, amit fotózol, annak semmi köze az ultrarövid-hullámhoz! A 4 menetes zöld tekercs, amit már írtam, és az a vasmagos, amiről pucuka írt, de a képeiden alig, vagy sehogy sem látszik. Már bekarikáztam a forgókondi FM oldali részét, mégis mindig a másik oldalt fotózod. Sajnáljuk, de így nem tudunk segíteni.
Bocs, elnézést , én vagyok a hunyó. Megvan a ferritmagos tekercs, az M4 mérőpont, de a forgókondin sehol sem látok más kondikat, illetve a trimmerkondi mellett van C13 és C14 jelöléssel két . Visszanéztem a bekarikázott részt az előző fotókon, most azt is lefotóztam, de itt nincs más kerámia kondi.
A hozzászólás módosítva: Ápr 15, 2018
Azok a csíkos, ellenálláshoz hasonlító vacakok kondenzátorok. A piros-lila-fekete például 27 pF lesz. Csak tippelek, hogy a párja a másik piros nyíllal megjelölt. Egyértelműen kondenzátornak jelöli őket.(C23, C1?) Már csak arról kellene meggyőződni, hogy tényleg a forgókondenzátorral párhuzamosak? (A forrasztásos oldalon le kell követni, melyik hová van bekötve?) Ha nem, akkor keresni kell helyettük másikat.Elképzelhető, hogy valamennyit vissza kell tenni helyettük, de lehet, hogy a trimmerekkel beállítható a sáv az eltávolításuk után. Azok a külön betett trimmer kondenzátorok, amiket állandóan fényképezgetsz, a rövidhullámhoz tartozhatnak. Az FM sáv trimmerei mindig a forgókondenzátorban vannak.
A hozzászólás módosítva: Ápr 15, 2018
Köszi, máris megnézem, és kimérem műszerrel melyik hova tartozik. Ha ezek azok, és kiszedem, akkor a forgókondi trimmerével lehet hangolni FM sávot?
Elvileg igen. Ha nem lehet eleget, akkor a tekercseket is meg kell hangolgatni. Abba a fehérbe nem tudom, milyen szerszámmal lehet beletekerni, talán imbuszkulcsos, nem látom innen. Ha túl közel vannak az adók egymáshoz, és a sáv szélén sok az üres hely, akkor kellhet egy kis kondi vissza, mondjuk fele annyi, mint amit kivettél, kísérletezgetni kell.
Sziasztok!
A bemenet felől található egy felületi hullámszűrő, három lábú kerámia lapka. BP feliratú, azt is ki kellene cserélni. A kép bal oldalán ami van az az. Üdv: Gábor A hozzászólás módosítva: Ápr 15, 2018
Oké! Köszi a hozzászólásodat, de milyen értékűre kell cserélnem??
CCIR normásra, 88-108MHz (bontásból), ha nem találsz 22pF kondival áthidalhatod, vagy kiveszed és készítesz sávközépre hangolt rezgőkört.
Sziasztok!
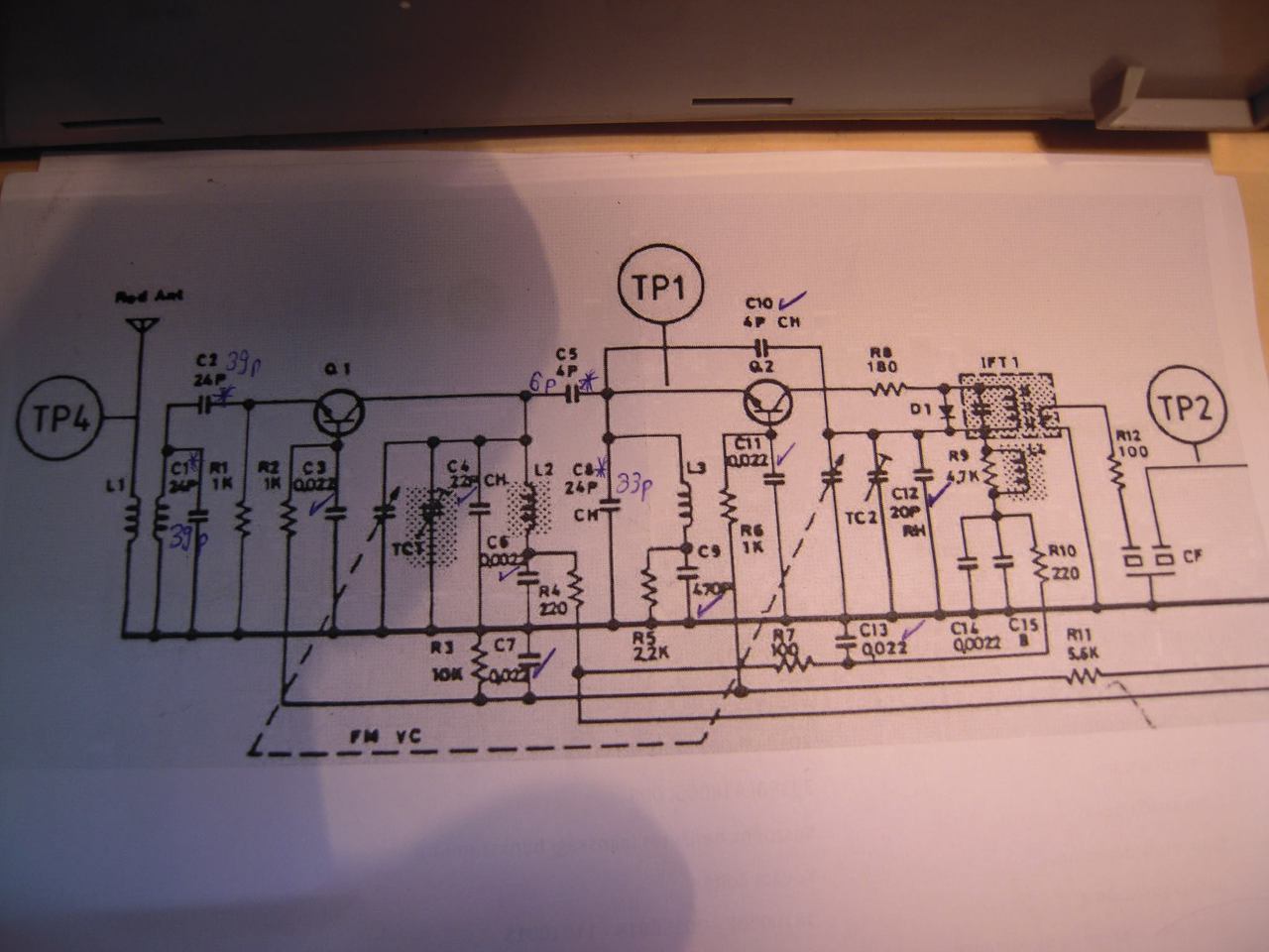
Siemens RM-818 rádiós magnómat akarom visszahangolni a nyugati URH sávra, ugyanis - áron alul ugyan - gyárilag keleti normás ("Ostversion") kivitelűt sikerült szereznem. Nem igazán van RF műszerem (csak multiméter, valamint PC hangkártyás szkóp, frekvenciamérő, hanggenerátor - ami ide már nyilván nem elég), de van a nyugati verzióhoz szervizkönyv, amiben szépen le van írva a hangolás menete, Budapesten meg a sok adó miatt bízom benne, hogy megoldható hallás után is. Egyébként konverterrel előtte jól működött, csak nem akartam átkapcsolgatós megoldást használni. Nos, az eltérő értékű kondikat mindet kicserélgettem (visszafotózott rajzon csillagozva, + C4, C12-t is 33p-ről), aztán elkezdtem a szervizkönyv szerinti leírás alapján beállítani (a beállító elemeket sikerült megtalálnom). Most ott tartok, hogy kb. 92 - 106 MHz közötti tartományt tudok beállítani, L4 teljes összenyomásával és a trimmer tekerésével, az érzékenység meg még nem az igazi (Klasszik, Petőfi, Rádió 1, Bartók szinte zajtalanul jön, de pl. a Sláger FM monóban is épp csak hallható). Az az érzésem, hogy még jobban össze kéne nyomni a tekercseket, csak hát már nincs hova. Megoldás lehet, hogy kiveszek belőlük 1-1 menetet, vagy azzal más jellemzőt rontok el? A hozzászólás módosítva: Máj 4, 2018
Nem, ha összenyomni kell, akkor még több menet kellene bele, de nem muszáj újratekerni őket. Dugjál bele vasmagot, és viasszal rögzítsed, vagy tegyél vissza kis értékű kondenzátort a kivett helyett, ha a trimmerrel már nem lehet a sávot behozni.
A CCIR sáv több lépcsőben lett kiterjesztve a mai 108 MHz -re. A felső határ eredetileg 100 MHz volt, majd 104, és végül a mai 108 MHz. Lehet, hogy a doksid a 104 MHz -es verzióra vonatkozik.
A 108 MHz re való kiterjesztést az oszcillátor körben levő C12 20 pF kb. 15 pF re, a modulátor körben jelzett C4, C5, C6 csökkentésével tudod elérni, a menetszámok változatlanul hagyásánál.
Sziasztok!
Egy OIRT sávos orosz rádióhoz keresnék olyan CCIR-OIRT konvertert, amiben van valami előerősítő tag pl. BFR91 vagy BFR96-al. Tudtok ilyen kapcsolást? Google-n nem nagyon találtam. Köszi előre is!
Üdv mindenkinek!
Nemrégiben szereztem egy okean 214-es szovjet táskarádiót. Át akartam hangolni,de sajnos nincs fm alapzaj,a dobváltót kitisztítottam,de nem javult a helyzet,nem tudna nekem valaki segíteni? A válaszokat előre is köszönöm
Sziasztok! Olyan problémám volna, hogy a rádióban a csatlakozó tüskék be vannak oxidálva és emiatt nem szól az urh sáv. Mivel lehet a tüskéket megpucolni, hogy az érintkezés helyre jöjjön? Sajnos a kontaktus tisztitó spré nem segitett. Van valami amivel tökéletes tisták lesznek a tüskék?
Radírozd meg . Van otthon tintaradírod? Az a legjobb. Utána mehet kontakt-spray.
Radiroztam is de nem javult számottevöen. Ha éppen rá teszem a csatlakozót a tüskékre akkor mozgatva szól de ha rányomom akkor elhalgat. Gondolom a csatlakozó is oxidált lehet ahhoz meg nem fér a radir. Azt mivel lehet pucolni?
Nem tudom, milyen csatlakozóról van szó? Én először a dobváltóra gondoltam. A benne levő szegecsfejeket szépen fényesre lehet radírozni. Ha kiveszed a dobot, vagy csak egy- két gerezdet belőle, akkor a rugókat is. Ha a panel és nem tudom, milyen tartozéka között van a tüskesor, akkor forraszd fixre, vagy cseréld le olyanra, ami a számítógépekben van. Az legalább aranyozott, nem feketedik be úgy, mint az orosz ipari ezüstözés.
A hozzászólás módosítva: Júl 11, 2018
Ilyen Iso csatlakozó csak 1970 évek beli.
|
Bejelentkezés
Hirdetés |















