Fórum témák

» Több friss téma
Fórum » Rádió javítás
 
Témaindító: Jancsika, idő: Jan 8, 2008
Témakörök:
Lapozás: OK   15 / 69
(#) aramis válasza pucuka hozzászólására (») Aug 21, 2014 /
 
A rácsot érintve nincs zúgás. A trafó 75 V-ot ad, a rács és a sasszi között 235 V
az ellenállás 10k.
A hozzászólás módosítva: Aug 21, 2014
(#) steelbird válasza Fantasy hozzászólására (») Aug 21, 2014 /
 
A rajz bal felső szélénél van pár kapcsoló tranzisztor (Phono bemenetektől balra), meg azok körében diódák. Gyakran voltak hibásak abban a részben diódák, tranzisztorok, de főleg diódák. Olyan is volt, hogy kiszedve jónak mértük a hibás diódát (lehet, hogy kiforrasztáskor "javult" meg a hőtől)...
Cseréld kapásból, pár Ft -os alkatrészek.
Tranzisztor is volt néha hibás, de nem az volt a jellemzőbb.
(#) pucuka válasza aramis hozzászólására (») Aug 21, 2014 /
 
Az EBL rácsán a sasszihoz képest - 5V körüli feszültséget kell mérjél, és nagyjából ugyanennyit a 800 kohmos ellenálláson. Feszültségmentes állapotban ellenőrizheted ellenállás mérővel az értékét. Van még a rácsra menő 100 kohmos ellenállás, azt is ellenőrizd. Ha a feszültségek nem stimmelnek, akkor a 800, és a 100 kohmos ellenállás közös pontjára menő 10 nF -os csatoló kondit kösd le az ECH triódájának anódjáról, és úgy is mérj feszültségeket.
(közben nézzed mindíg az elektroncső linkjén szereplő kapcsolási rajzot, mint térképet, hogy tudjuk hol járunk, és egyről beszéljünk)
A hálózati trafó anódtekercsén nem mérhetsz 75 V -ot, ott nagyjából 200 - 250 V váltó fesznek kell lenni. A legjobb, ha a mérés idejére kihúzod az EZ80 egyenirányító csövet.
(#) aramis válasza pucuka hozzászólására (») Aug 21, 2014 /
 
Rendben, holnap folytatjuk mert most már ,munka van Köszi a segítséget
ara
(#) aramis válasza pucuka hozzászólására (») Aug 22, 2014 /
 
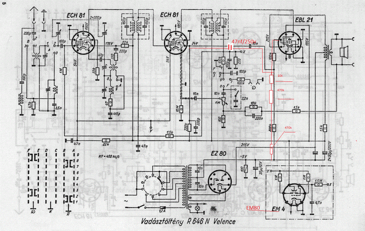
Szia! Van egy észrevételem,sajnos a 100 k és 800 k ellenállásokat nem találom az itteni rajzon.Kerestem szintén hasonlót és leginkább erre hasonlít a rajz szerint küldöm a rajzot.

rádió.jpg
    
(#) pucuka válasza aramis hozzászólására (») Aug 22, 2014 /
 
Ezért fontos, hogy egy rajzot nézzünk, még ebben is lehetnek eltérések. Én nem látom azt, amit Te látsz.
Már az első válaszodnál jelezned kellett volna, hogy a kapcs. rajz nem az amit linkeltek, mert neked univerzális készüléked van, és nincs is hálózati trafó.
Ennél természetesen nem a sasszihoz kell mérni a rács előfeszültséget, hanem az itt is meglevő 150 ohm II 25 µF komplexumon. Ennek 7 V körül kell lenni, ahogy a rajzon is látszik.
Ahol eltérést találsz a rajzhoz képest, jelezd, hogy ne menjünk az erdőbe.
Először mindenképp a hangfrekis részt kell rendbe tenni.
A nyúkálással meg óvatosan, a hálózati csatlakozót úgy dugd be, hogy a sasszin a nulla vezeték legyen.
A hozzászólás módosítva: Aug 22, 2014
(#) kristikoma válasza pucuka hozzászólására (») Aug 22, 2014 /
 
Igen, csak először Velencét írt, az meg egy teljesen másik készülék, ráadásul a Fehérvárban nincs is varázsszem(erről is volt szó).
(#) aramis válasza pucuka hozzászólására (») Aug 22, 2014 /
 
Elnézést félre értelmeztük egy mást csak a bekarikázott rész hasonló a többi az Velence ,bocsánat ,hiszen írtam is hogy a EM 80 as kipukkadt és nem jó vagyis működhet e anélkül. Tehát a 800 kohm és a 100 kohm nincs az a rész olyan mint itt a bekarikázott rész a rajzon

rádió.jpg
    
(#) pucuka válasza aramis hozzászólására (») Aug 22, 2014 /
 
Akkor tehát minden olyan mint a Velencében, csak az AGC, és a hangerő szabályzás olyan, mint a rajzon. A csövezés egyébként a Velencéé?
Lényegében mindegy is, csak akkor másképp kell magyarázni. Midig azzal kell kezdeni, hogy mérni kell az elektróda feszültségeket a katódhoz képest, ill a nyers anód tápfeszültségeket.
Ha a tényleges kapcsolásban az adott pozícióban eltérő ellenállást találsz, szólj, mert az áramok számításánál fontos.
(#) Fantasy válasza steelbird hozzászólására (») Aug 22, 2014 /
 
Üdv, a rajzot követve a diódákra és a tranyókra gyanakodtam én is, meg mértem is, de szerintem beleestem én is abba a csapdába, hogy ezeket jónak mutatta a műszer, aztán elfogytak az ötleteim. Mindenesetre ahogy írtad, megpróbálom a diódák cseréjét. Köszönöm a segítséget.
(#) steelbird válasza Fantasy hozzászólására (») Aug 22, 2014 /
 
Ha van a lomjaid között pár BC, akkor érdemes azokat is kicserélni.
(#) aramis válasza pucuka hozzászólására (») Aug 23, 2014 /
 
Igen. Szerdán megjönnek a csövek, addig átnézem újra az egész rádiót, jövőhéten írok.
A hozzászólás módosítva: Aug 23, 2014
(#) aramis válasza pucuka hozzászólására (») Aug 23, 2014 /
 
Szia!
alkatrész nyomkövetése után így néz ki az én rádióm kapcsrajza . A piros jelzések szerint.
üdv:ara

ÁLLAPOT.gif
    
(#) Sebi válasza aramis hozzászólására (») Aug 23, 2014 /
 
A 10nF nem maradt el, remélhetőleg...
(#) gkari válasza aramis hozzászólására (») Aug 23, 2014 /
 
Ha jól rajzoltad le, akkor miért nem elég a 800k-s ellenállat helyett a 2x470k sorba, valamint kikerülve a 10nF - ez utóbbi okozhatja az EBL halálát is.
A hozzászólás módosítva: Aug 23, 2014
(#) aramis válasza gkari hozzászólására (») Aug 24, 2014 /
 
Szia !
Most már biztos,hogy itt értenek az elektronikához,valóban további vizslatás után észrevettem a kapocsléc alatt rejtőzködő 47 nf /250v kondit amit most a rajzon pótolok. Nekem Így néz ki a rádió alkatrész beültetése ahogy most a piros szín mutatja. Mivel állandóan az eredeti rajz szerint 800 és 100 kohm szerepel valamint 10nf ezért voltam problémában. Ha így most szerintetek rendben van, akkor a gyári szerelés így állította össze ,mert nem láttam semmiféle utólagos javítás nyomát.

ÁLLAPOT.gif
    
(#) Sebi válasza aramis hozzászólására (») Aug 24, 2014 /
 
Egészen biztos, hogy a 47nF direkt a rácsra megy? Mert nem látom értelmét 2db 470k-val még sorbakötni egy 10k-t. Annak a ráccsal sorosan kellene lennie, gerjedésgátló szereppel.
(#) aramis válasza Sebi hozzászólására (») Aug 24, 2014 /
 
Szia! Lehet ismét elrajzoltam itt van a helyesbítés így jó?
Ez már biztos így van ech81 ről jön a 47 nf kondi a 10kohm és 470 kohm közé
.
A hozzászólás módosítva: Aug 24, 2014

ÁLLAPOT.gif
    
(#) Sebi válasza aramis hozzászólására (») Aug 24, 2014 /
 
Igen, logikailag megfelelő így. Természetesen a -5V-on lévő szűrőkondit már a Kádár Géza könyvben fordítva rajzolták...
(#) aramis hozzászólása Aug 27, 2014 /
 
Sziasztok!
Azt hiszem sikerül most ár csak a 2x50 uf puffer kellene de ilyet nem kapok tudnátok adni infot mivel helyettesítsem.
A hozzászólás módosítva: Aug 27, 2014
(#) kristikoma válasza aramis hozzászólására (») Aug 27, 2014 /
 
2 db 47µF-os, 350 vagy 450V-ost kapsz a boltban. Csak nálad a negatívat nem szabad a fémalvázhoz kötni, mert nem lesz előfeszültsége a végcsőnek. Helyette a 150Ohm-47µF komplexumra kell kötni, mint a rajzon.
(#) aramis hozzászólása Aug 27, 2014 /
 
Szia! Lerajzolnád ezt a bekötést mert nem igazán vagyok jártas benne.
üdv: aramis
(#) Sebi válasza aramis hozzászólására (») Aug 27, 2014 /
 
Ezen nincs mit rajzolni (a rajzodon is csak a 2x50µF felirat utal arra, hogy egy házban lakik a két elkó). Ugyanúgy kösd be, ahogy a rajzon van, csak most majd a 2db negatív kivezetés megy oda, ahova a fémházas duplának a háza van kötve (nagy kerek forrfül).
(#) granpa válasza Sebi hozzászólására (») Aug 27, 2014 /
 
Wau.. Nem 100 Ohm, 25µF-ot akartál írni?
(#) Sebi válasza granpa hozzászólására (») Aug 27, 2014 /
 
Azt nem én írtam, de igazad van!
A hozzászólás módosítva: Aug 27, 2014
(#) granpa válasza Sebi hozzászólására (») Aug 27, 2014 /
 
Bocs félre nyomtam.
(#) aramis hozzászólása Aug 27, 2014 /
 
Sziasztok! Mi a probléma ha a 2x50uf pufferháza és a test között nincs mérhető 5v?
üdv:aramis
(#) granpa válasza aramis hozzászólására (») Aug 27, 2014 /
 
L.d.: Kristikoma 7.19 h.sz-e.
A hozzászólás módosítva: Aug 27, 2014
(#) kristikoma válasza aramis hozzászólására (») Aug 27, 2014 /
 
Valószínűleg nincs a pufferelkó negatívja és az alváz között szigetelő, vagy ennek az elkónak a negatívja egy vezetékkel hozzá van kötve a vázhoz.
Granpa! Igen, tévedtem. Nem néztem meg a rajzot, fejből írtam, valamikor javítottam ilyen rádiót, a 100Ohm-os égett szét.
(#) aramis válasza kristikoma hozzászólására (») Aug 27, 2014 /
 
Szia! Egyik sem mert itt az elko háza éppen fémesen érintkezik és negatívja nem a hálózatra hanem az egyencső itt EZ80 a . lábra.tehát külön van vezetve. itt a rajzon láthatod-

ÁLLAPOT.gif
    
Következő: »»   15 / 69
Bejelentkezés

Belépés

Hirdetés
XDT.hu
Az oldalon sütiket használunk a helyes működéshez. Bővebb információt az adatvédelmi szabályzatban olvashatsz. Megértettem