Fórum témák
» Több friss téma |
Szaisztok. Búvárlámpát építek, és mivel zártnak kell teljesen lennie, úgy gondoltam a bekapcsolást, hogy a ház belső falára egy reed kapcsoló lesz rögzítve, kívűlről pedig mágnessel kell majd kapcsolni. A problémám az, hogy nem tudom milyen reed csövet válasszak.
Adatok: maximális áram=3-3.5 Amper, fesz: 12 Volt. A reed fog egy szilárdtest relét kapcsolni. Azt nem tudom, hogy mitől függ pl az érzékenysége, a csőnek, milyen mekkora mágnes kéne. A ház vagy PVC csőből lesz, vagy ha z gyengének bizonyul akkor kb 3mm-es alumínium csőből.
Szia!
Szerintem sétálj el egy vagyonvédelmi szaküzletbe, és kérj ajtó nyitásérzékelőt. 12V-ra épített, elég masszív tokozású darabok. Általában irányvédettek, oldalról nem fogja másik mágneses mező véletlenül ki-be kapcsolgatni. Van többféle tokozású, illetve kitalálták már a vasajtókra is a stabil működést.
Ha a reeddel kapcsoltatsz egy ssr-t, akármilyen is jó ( pár mA), viszont az ssr-en eső fesz a 3 ampernél mekkora? Azt ellenőrizd le beépítés előtt, nem zavaró-e a csökkenés.
A bekapcsolás meg a mágnes térerereje és relatív pozíció kérdése.
Az SSR nem lenne rosz, viszont ritkán működnek váltóról a búvárlámpák...
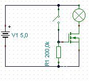
A szilárdtest relé szerintem csak AC-t kapcsol. Inkább egy fetet vezérelnék vele.Az olcsóbb is nem is esik rajta szinte semmi és ehhez is elég bármilyen kisteljesítményű relé. (csak ilyen fetet találtam hirtelen természetesen N-FET kell hozzá pl irf540 (min 9V) vagy ha kisebb a tápod akkor másik fet kell )
Ez így igaz... de bekapcsolni be tudja, csak ki is kell oltani... ( nem én találtam ki...)....
És hát vannak egyenáramú szilárdtest relék is,csak ritkábbak és drágábbak.
Na, innen vettem a Lámpa megvalósítási ötletét, csak halogén helyett ledes lesz.
Egy próságot nem igazán értek: ha a reed cső elött a mágnes elhúzom akkor az kapcsolja a relét, de úgy is marad? Márhogy miután a mágnes nem mozog utána is átvezet? Ha igen akkor hogyan kpcsolom ki? Visszafelé elhúzott mágnessel? Azért kérdezek ilyeneket mert ennek a reed kapcsolónak nem vagyok tisztában a pontos működésével. Amúgy a Lomex-nél van egy csomó egyenáramról hajthatós szilárdtest relé. Az áruk tényleg húzós (kb 3000Ft), de belefér, miután a lámpa így is kijön kb 25000-ből. Amúgy meg 70-től indul az ilyen teljesítményű gyári cucc.
Ha a linken lévő képeket megnézed a lap alja felé, ott látszik, hogy nem csak elhúzza előtte a mágnest, hanem ott is marad, olyan, mint egy kétállású kapcsoló. Amíg ott a mágnes, zárt a relé táp-áramköre.
Szilárdtest-relé helyett egy hagyományos nem jó egyébként? Vagy sok lenne az a kb. negyed W-os teljesítmény-felvétel? Na meg hogy mi kerülhet egy ilyenben 70 ezerbe...
Hogy mi kerül 70-be azt nem tudom, de az még nagy teljesítményű búvárlámpák közül az alsó kategória.
Egy rendes relét meg tud húzni a reed cső? Vagy hogyan módosítaná ez az áramkört?
Hát én azóta is fet párti vagyok,ezt még egy sorkapocsba is össze lehet rakni.Lehet a gyári cuccban a vízmentesség ,nyomás állóság ,az ütésállóság a jó minőségű égő,meg a jó aksik,megfelelő akkutöltés... a drága (optimista voltam ). Vagy csak kevesen gyártják és a nevet kell megfizetni.
A fet takarékosabb lenne, látom, hogy korábban is említetted, víz alatt még hűteni is könnyű volna. Az árhoz még csak annyit, hogy a hobbizókról meg a gyerekekről lehet igazán lenyúlni a pénzt, pl. egy márkanévvel...
Lozsa: ha már mágnes a kapcsoló, akkor esetleg el lehetne gondolkodni egy Hall-szenzoron is, amivel akár relét, akár fet-et meg lehet hajtani. Vagy nyomógombos és flip-flop-os áramkör, esetleg öntartó relével ugyanez. Szinte bármelyik alkatrészt meg lehet találni akár bontott panelokon is, boltban is filléres, inkább azt kell mérlegelni, mennyi hely és energia van.
Egyetértek kobold-dal a legegyszerűbb megoldás ha 1 "mezei" 12V 5A-es relét kapcsolgatsz egy viszonylag nagyobb reed-del ( 3-4 cm-es cső ). Ha csak kisebbet kapsz és/vagy 100 évre tervezed, 1 tranyón keresztül is kapcsolhatod a relét... Ez a része meg is lenne kb. 500-ból. A maradék 24500-at mire költöd? Lomex nem ennyire drága - esetleg a pvc cső. Talán akksit érdemes megnézni a Váci út 58-ban hátha spórolsz valanennyit, de műszert vigyél be magaddal, hogy biztosan jó legyen. Én az utóbbi időben párszor ráfaragtam. Ezzel nem a boltot akarom bántani - az akku kényes alkatrész.
Hi
ha olyan relét keresel ami nagyon kicsi árammal dolgozik, kicsi helyet foglal + 4-5 A elbír, akkor ez tudnám ajánlani Bővebben: Link Az omron gyártja. nem tom hol lehet kapni, nekem van egy csomó bontott. 7-8 Volton már üzemel. áramfelvételéről csak annyit, hogy egy LED-en keresztül sorbakapcsolva is képes megbízhatóan működni. Egy optocsatoló elbujhat mellette.
Hello!
Jobbnak láttam hogy ebben a témában vessem fel a kérdésem. Hol lehet kapni mágneses (Reed) közelítő kapcsolót?
Minden valamirevaló alkatrészboltban. Én a Lomexben szoktam venni.
Lehet hogy rosszul fejeztem ki magam de én egy szerszámot keresek, amivel mágneses vagy elektromágneses teret lehet érzékelni.Annak a felépitése reed relé+elem+led.
Akkor a fenti áramköri elemeket mindet sorbakötöd, + 1 áramkorlátozó ellenállás a tápfesz. függvényében. Esetleg a ki-be kapcsolásához kapcsoló v. nyomógomb. Egy darabka próbanyákon néhány perc alatt összedobható ez a teszter.
Kész a búvárlámpám, már csak a külső kapcsolást kell megoldanom. A hátfalon a lesz a kapcsoló.
A fal 5mm-es alu. Ehhez keresnék minnél megbízhatóbb reed cső+mágnes kombinációt. Egyáltalán milyen paraméterei vannak egy reed csőnek? 20mA-t kell csak kapcsolnia! Mágnesből milyen kell, hosszúkás, párhuzamosan, vagy inkább keresztbe. Mivel, a régi emlékeim szerint az sem mindegy, hogy a mágnes melyik részét közelítem...
Bonyolult!
Ha nem ragaszkodsz a reed-jez, javaslom a reflexiós optót. Odateszed az ujjad, visszatükröződik a fény -> bekapcs. Toggle Flip-flop kell, és egy gombos ki-be kapcsolód kész is. Semmi mechanika, semmi lyukfúrás. Egyszerűen egy átlátszó rész mögé kell ragasztanod.
A választ köbzoli megadta, bármilyet, kicsit. A mágnes a reed-en keresztül záródik (É-D). A mágnes valami kicsi erős, vagy nagyobb gyengébb, pld valami műanyagos, hűtőzáró szigetelésből pld. Előnye, hogy a méretét te állítod szikével, hátránya, hogy gyenge. Erős mágnes: cd/dvd olvasófejből pld., vagy vinyó. A ventikben meg sok motorban is műanyagba ágyazott mágnes van, ez is vágható.
Igazad van, de azt már el is felejtettem olyan régen volt.
A válaszokat köszönöm, amit akartam megtudtam.
Sziasztok! Valaki meg tudná mondani hogy mivel azaz milyen kapcsolással lehet a legegyszerűbben helyettesíteni a reed relét, mivel ahová nekem kell azt a fordulatot nem bírja követni a relé. / a digitális bicikli kmórán lévő relét akarom lecserélni/
Cserélj órát. Az ismerősöm is így járt,neki szerintem a cső tudta követni, de egy bizonyos sebesség felett az egész óra törlődött.(esetleg a küllőn lejebb -a tengelyhez közel- rakod, egy kicsit segít ,mert több ideig zár).
Én is azt tanácsolom, vizsgáld meg először a műszeredet, mivel egyáltalán nem biztos, sőt nem is valószínű, hogy az általad áhított mérésnél a reed lenne a gyenge keresztmetszet. Több száz Hz-en képesek ugyanis stabilan kapcsolgatni, éveken keresztül. Vélhetően a műszered jelfeldolgozó képességének a határait feszegeted. Hajtsd meg egy astabillal és győződj meg róla, hogy képes-e az általad kívánt frekvencián mérni! De - hogy a kérdésedre is válaszoljak - kiváltható Hall jeladóval, vagy akár opto-mechanikus jeladóval is, ezt általában az adott alkalmazásban a helyi lehetőségek függvényében szokták eldönteni.
Üdv: SzervízMacska Szerk.: Elsősorban egy kisebb méretű reed-re érdemes kicserélni. Minél kisebb, annál jobb. Ugyanis így valamelyest nagyobb kapcsolási frekvencia érhető el.
Köszönöm! Valójában arról lenne szó, hogy van egy 1/8-as RC buggy autóm.Szerettem volna megtudni hogy mennyi a végsebessége és egyéb adatokat amit a kmóra mér. Felszereltem a verdára csak 18-20km/h -nál nullát mutat az óra.Azért gondoltam arra hogy a relé vagy állandóan behúzva marad v. nincs ideje meghúzni. A kerék átmérője 11-12cm és gyári adatok alapján 65-75km/h tud. Köszönöm a válaszokat!
Sok bringás sebességmérő nem tud ilyen kis kereket kezelni, vagy legalábbis határeset. Általában a minimum az 5". Ha ezzel nincs gond akkor nézd meg hogy nincs-e túl messze a mágnes a reedtől. Megpörgeted kézzel és közben méred müszerrel vagy fülelsz hogy kattan é. /nagyon halkan/. Szerintem itt lesz a probléma. Vagy helyezd közelebb egymáshoz őket, vagy használj valamilyen erősebb mágnest, mondjuk egy fülhallgatőból kioperált neodinium mágnest.
Igazatok volt, az új műszerem van lebutítva.Előkerestem az "1000" éves km.órámat és láss csodát tökéletesen méri a sebességet.
Sziasztok! Valaki tudna-e ajánlani olyan reed csövet, ami nagy érzékenységű? Kb.: 1 cm sugarú körben érzékelje a mágnest. Egy fa sínen csúszó fa keretet kellene érzékelnie, ami kb 1 cm pontossággal illeszkedik. Végállás kapcsoló volt előtte, de az állandóan tönkremegy, és piszkálták. Ez egy favázas egyedileg legyártott elektromos játék része, ezért a méretpontatlanság.
|
Bejelentkezés
Hirdetés |










