Fórum témák
» Több friss téma |
Kedves Barátaim!
Már nagyon sok segítséget kaptam a fórumon amit ismét megköszönök! Most igen nagy bajban vagyok.Került hozzám egy régi regent erősítő fej aminek a tolópotmétereit kellett volna megjavítanom.Sajnos a tisztítósze amibe beáztattam őket acetont is tartalmazott és feloldotta a műanyag részeket ![]() Keresek ezért ház nélküli regent/ vermona tolópotikat 10kA értékben 4db-ot. Nemrég láttam a neten hogy valaki árult ilyet vagy felujítást is vállalt.Ha esetleg valaki tudna segteni nagyon örülnék. Köszönettel: T.Laci A hozzászólás módosítva: Jún 13, 2014
Sziasztok!
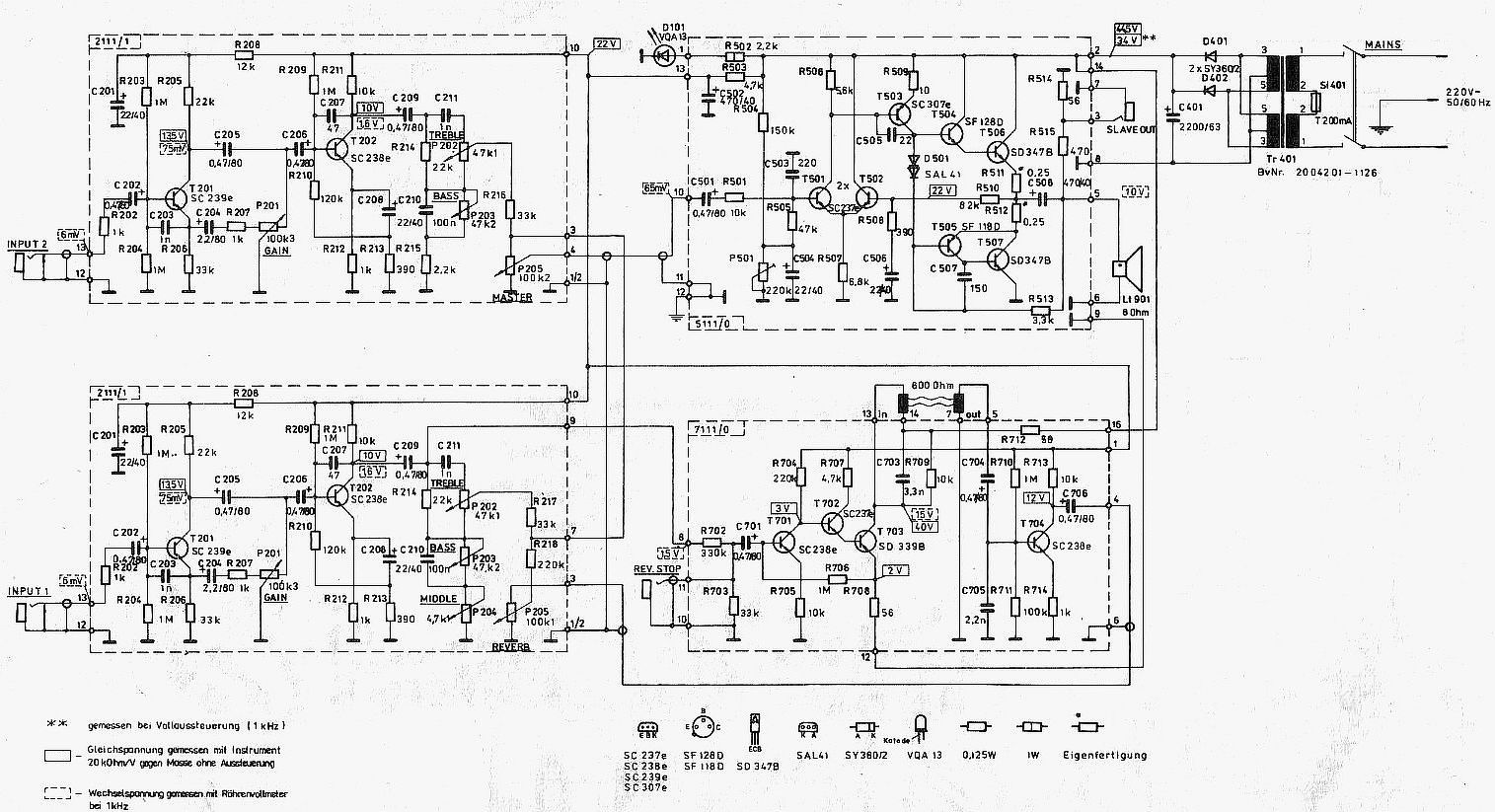
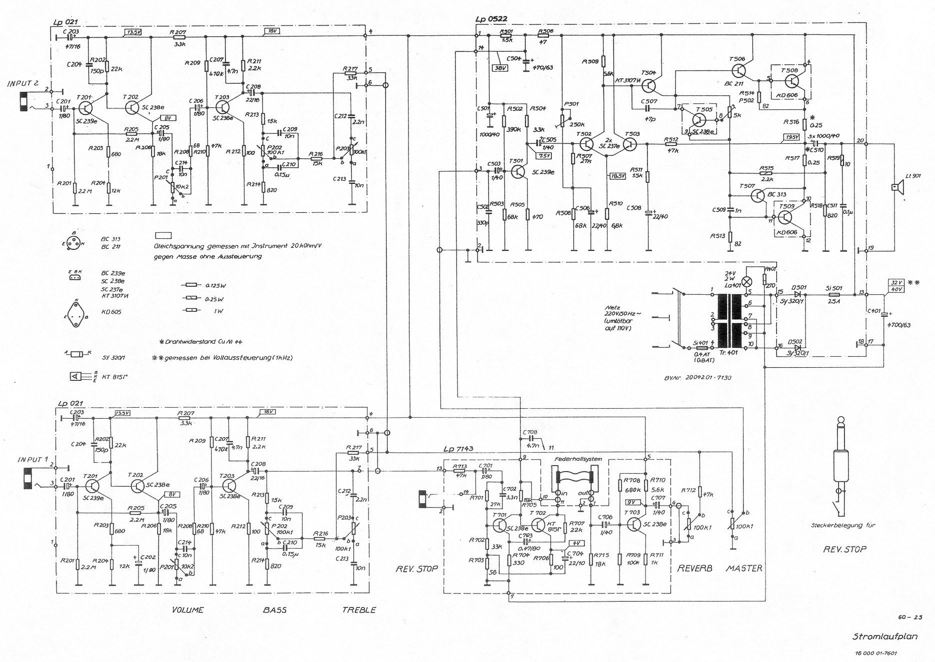
Segítséget szeretnék kérni egy regent 660 javításában. Egyik napról a másikra hihetetlen torzítás jelentkezett. Ez körülbelül még negyed hangerőn brutális torzítást jelent. Végig mértem az áramkört mindenütt azonos a kapcsolási rajzon található feszültséggel megegyezik. Két kondit cseréltem, mivel ndk-s volt. Végfokban kiszedtem a Kd607-es (npn) végtranzisztorokat megmértem 560-570 körüli értéket kaptam. Végtranzisztor tud ilyet produkálni, hogy a mért értéke belefér a tűréshatárba? Köszönöm a segítséget! A hozzászólás módosítva: Okt 3, 2014
Tisztelt "kollégák"!Szeretnék regent 600B fejből bassz erölködőt csinálni.Kérnék segítséget amit előre is nagyon köszönök. Tisztelettel mindenkinek: Rubins
Ez az erősítő már annak gyártódott, pontosabban basszus-gitár erősítőnek! ...vagy nem?
Sziasztok! Van-e valakinek használható VERMONA REGENT 25-G1 SCH erősitő ny.á.k.rajza. Szeretnék egyet gyártani, mert a régi rossz felfogatás miatt eltőrőtt. Elég ramaty állapotban van. A régiről átmásolni szinte lehetetlen, mert egy része hiányzik. Bekőtési rajz alapján nagyon-nagyon idő igényes az elkészités, és még lehet hogy őssze sem jőn. Minden segitségért őrők hála.
Üdv mindenkinek!
Van egy Vermona Regent 60-2S erősítőm, és amikor a MASTER hangerőt állítom felfelé akkor egy alapzaj jelenik meg, ha a két csatorna hangerejét állítom akkor nem jelenik meg zaj. Rögzítettem egy hangfelvételt amelyen először teljesen nullán van a MASTER hangerő, aztán 9 órán, aztán 12-n majd maximumra. Annyira nem értek az erősítőkhöz, ha esetleg transistor vagy kondicserés lenne azoknak a cseréjét eltudom végezni, csak pontosan nem tudom, mi lehet a gond. Válaszotokat előre is köszönöm!
Ez gyárilag ilyen nem sok remény van a csendetitésére , rengeteg elkó van a jelútban .
A hozzászólás módosítva: Dec 20, 2018
Én hallottam egy olyan népi megfigyelést, hogy a régi, öreg tranzisztorok betudnak zajosodni. A statikus feszültségtől vagy ha újjal tapogatják a meleg pontot. Mérve jó, működik is, csak zajossá válik.
Sőtt még kiegészitem annyival hogy ezekben a régi erősitőkben válogatott tranzisztorok voltak ,pont azért hogy minél kisebb zaj legyen a szerkezetben .
Mivel ez is egy őskövület nagy valószinüséggel javitották már és ha javitották egészen biztos nem válogatott alkatrészek kerültek a megfelelő helyekre . A jelútban rengeteg elkó amik szintén gondot okoznak . A hozzászólás módosítva: Dec 20, 2018
Maga a kapcsolástechnika is okot ad a zajosságra, de a porosodó nyáklemez, kapacitás vesztett, szivárgó elkók is rásegítenek.
Bár itt elhangzott hogy a félvezetők idővel bezajosodnak, de úgy tudom ez a germánium alapanyagú eszközöknél okoz gondot, mert a szilíciumra ez nem jellemző. Itt pedig nincs már germánium félvezető. A zaj két részből tevődik össze. Van egy hálózati brumm összetevő, ami a szűretlen táp, föld hurok, vezetékekre rászóródó transzformátor okoz (rrrrrrr, mmmmm, brrrrr). A zengető vevő oldalán a hangszedő is érzékeny a trafó által keltett váltakozó mágneses terekre. Ezek bár javíthatóak, de nem egyszerű alkatrész cseréből áll. Rugós zengetőnél lehet tenni egy kis légmagos tekercset az árnyékolás alá, aminek irányát, menetszámát ki kell kisérletezni, majd sorosan kötni a vevő tekerccsel. Ehhez hangfrekvenciás műszer, (szkóp), meg türelem kell. A hálózati transzformátort körbe lehet ölelni rézszalaggal, amivel szintén csillapítani lehet a szóródó teret. Az előerősítők tápszűrő elkóit lehet cserélni, akár nagyobb értékűre is. Viszont a fóliavezetésből adódó problémák így is megmaradnak. Azokat csak új nyák tervezéssel lehet orvosolni. Másik zaj összetevő a fehérzaj, amit a frekvenciaátvitelt befolyásoló alkatrészek rózsaszín, vagy barna zaj spektrumúra módosítanak (fffffff, ssssss, ssssz). Ezt a zajt a félvezetők PN átmenetein, az ellenállásokon, valamint a szivárgó kondenzátorokon, és a poros, gyengén vezetővé vált nyáklemezen átfolyó áram kelt. Egy rosszul megválasztott bázis előfeszítő áramkör is ludas. Ebben az erősítőben sok hibásan tervezett fokozat van, amit csak gányolással, lehetne javítani. Mellesleg a gyenge nyáklemez könnyen ledobja a forrszemeket, ezért nem nagyon tűri a forrasztgatást. Ha mégis késztetést érzel a javításra, nagy munkára kell felkészülni. A bemeneti jack aljzat nem tartalmaz némító érintkezőt, ezért csere. A bemeneti fokozatot érdemes JFET-re cserélni, de nem elég megvenni, egyedileg kell a munkapontját beállítani. Ezek sajnos elég nagy szórású félvezetők, viszont cserébe ekkora impedanciákkal mint amit ebben az erősítőben alkalmaztak, jóval kisebb zaj az eredmény.
Nagyon átépíteni szerintem felesleges. Nem HiFi ez...
Takarítás, az előerősítőkbe új, kis zajú tranzisztorok, a nem használt bemenet rövidre zárását megoldani. A zengetőben a T703 és a végfokban a T501 szintén cserélhető. Ha nem nagyon brummos, azaz a tápot szűrő kondik jók, akkor a jelutakban lévők is jónak feltételezhetők, ettől függetlenül fillérekből cserélhetők is. Teljesen zajtalan nem lesz, de attól még lehet használhatóbb.
Tisztelt fórum társak szükségem lenne a REGENT R221 használható kapcsolási rajzra mivel amit találtam olvashatatlan rossz köszi szépen.
Hol találtad? Ezt töltsd le és nézd meg...
A hozzászólás módosítva: Nov 8, 2020
köszönöm ez tökéletes jól olvasható.
Hali!
Életre keltettem egy REGENT 300K tip. erősítőt. A zengető(vagy minek nevezzelek)részével nem bírok. Mikor kikapcsolom úgy, hogy a zengető rá van adva, hangerő levéve, ilyen lüktetően megy el hang, tehát úgy tűnik a mechanikus/zengető rész működik. Ha mikrofonba beszélek egyáltalán nem veszek észre semmi változást, hiába állítgatom. Hol próbálkozzak bele nyúlni? Vagy felejtős? Regent 150KSziasztok!Előre bocsájtom,hogy nem értek az erősítőkhöz, sosem érdekeltek, de: Hoztak hozzám egy Vermona Regent 150K tipusú erősítőt. A helyi citera klub vezetője vette valakitől, de nem működött, így elhozta hozzám. ( mivel a keresztlányom náluk citerázik és énekel ). Szétszedtem és találtam benne egy szétrohadt üveg biztosítékot, amit kicserélve működő képes lett. Az érdekelne, hogy igazából ezt az erősítőt hogy kell használni? 2 bemenet van rajta, de melyik mire való? Az látom benne,hogy már valaki buherálta, mert vannak benne szabad vezetékek, amit nem tudom hová kell kötni, meg az egyik panelon két potméter rossz. Jack aljzat a két bemenet, a piros vezeték az árnyékolás, a kék a meleg pont. Viszont a panelon 3 csatlakozási pont van,de ezekből csak 2 van használva. Ha esetleg lenne valakinek egy ilyen ketyeréje és lefényképezné nekem hogy a panelokon hogy vannak a vezeték bekötések, azt megköszönném.
Szia,
feltettem a rajzát. Úgy emlékeztem, hogy a Regent trükkös bemenetet szokott csinálni, és valóban. Háromféleképpen lehet hozzá csatlakozni, három különböző jelszinttel és impadanciával. A két csatorna közül az egyik lehet hangszer, a másik mikrofon.
Szia!
Köszönöm a rajzot. De úgy látom,hogy itt mintha thuchel csatlakozók lennének a bemeneten, nálam viszont jack csatlakozók vannak. Ezek bekötését nem értem,mert azoknál csak két szál van,nem három.
Keresés közben láttam olyan képet is, ahol csatornánként két jack bemenet volt, gondolom az egyik ha mikrofon, a másik ha hangszer.
Siheder koromban amiket hoztak, azon csak tuchel volt. Rajz alapján a panelről be tudod azonosítani, hogy ki kivel van. Én megkérdezném a gazdit, hogy mivel akarja használni (esetleg elkérni próbára), ennek megfelelően bekötni. Szerintem egy hangszer, egy mikrofon a magától értetődő felállás.
Egy mikrofont kaptam hozzá, csak rossz a kábele. Majd kipróbálom. Viszont az 1-es csatornán a hangerő és a basszus poti rossz. Szétszedtem őket,hátha egy tisztítás helyre hozza,de nem.
Szerintem cserélni kell, de nem tudom hogy lineáris vagy logaritmikus? Csak az érték van rajtuk.
A hangerő logaritmikus, a hangszín meg lineáris szokott lenni.
Akkor az egyiket szerintem kösd be mikrofonhoz, a másikat meg line bemenetnek, akkor lehet vele diszkózni. ![]() Egyébként szerintem ezek a jack aljzatok sem eredetiek...
1-es a mikrofon bemenet, 2-es pedig K, mint keybord (billentyűs) hangszer.
És egy kondenzátor a különbség.
Vagy megpúposodott. |
Bejelentkezés
Hirdetés |















