Fórum témák
» Több friss téma |
Itt szerintem jobban érthető lesz.
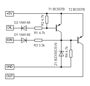
Van nekem egy ilyen rádió távirányítású 433Mhz-s relém. A relét úgy hívom hogy feláldozható. A rádió vevős részt kiforrasztottam, majd vezetékkel kipótoltam 4db vezeték van ,de ebből 2 ugyan az , mert mind két nyákon össze van kötve(jel), illetve a + és - ,a feszültség amit a rádió vevő modul kap 5V. Na itt akkor a +5V-os vezetéket elvágtam, azt akartam megtudni hogy üzemállapotban míg áram alatt van, le illetve vissza csatlakoztathatom e a vevőegységet úgy hogy ha visszakapcsolom akkor működik e, illetve ha lecsatolom akkor nincs e valami zavar. A válasz, az az hogy minden működik, úgy ahogy kell. kb 100 alkalommal teszteltem. A képen lévő részt szeretném majd kapcsolgatni, úgy hogy ha kap mondjuk pl a gyújtáskapcsolótól egy +ot akkor kapcsolja le a modult, és szintén le kellene kapcsolnia a modult akkor ha kap egy pl ajtókapcsoló negatívot, ezt úgy tudnám megvalósítani hogy 2db 5 lábú 5V-os relé, de se hely, se idegzetem nincs hallgatni a relék kattogását. Ahogy mondtad az az PC817 biztosan kelleni fog kb 2 db.
Hah, eljott a heureka pillanat mert mukodik... nem valami szep igy a teszt padon de remelem hamarosan kimehet az elesbe is.
A hozzászólás módosítva: Feb 16, 2021
Nem kell ide opto-csatoló.
Ha még is optoval csinálod, akkor nem kell két tranyó, csak a két opto tranyóját párhuzamosan a bázis-emitterre teszed és kész vagy.
Szuper koszi! ezt is megcsinalom majd holnap!
most epp ilyen, 2db ot forrasztottam egybe... De az egyszerubb jobban tetszik...
Szép napot!
Közben még egy ötlet felütötte a fejét, mondhatni szöget ütött a fejemben egy dolog, elég bonyolult, és komplikált. A fő kérdés hogy programozás és ilyen jellegű dolgok nélkül megvalósítható e? Pusztán "hagyományos" értelemben vett logikai áramkörökkel? Szeretném a fenti rajzot egy központizár vezérlőbe is beépíteni. Azonban itt egy újabb dolog ütötte fel a fejét; amikor a távirányítóval kinyitom az ajtót, tehát az ajtót kézzel még nem nyitottam ki, csak a távadóval, akkor fel kéne kapcsolnia a belső lámpának hogy a sötétben megtaláljam az autót, olyan max 2 percig kellene világítani, vagy míg vissza nem zárom vagy míg nem kap gyújtás +12V-ot. -> Ezt csak úgy lehetne megoldani hogy le van testelve az "OIL" neveztű kimenet a rajzon amit küldtél (ez az ajtókapcsoló vezetéke). DE, itt jön a hatalmas logikai csavar, ha én bezárom az ajtót távadóval úgy hogy nem nyitottam ki az ajtót kézzel, akkor le kellene kapcsolódnia a lámpának. Illetve miután beültem az autóba, becsuktam az ajtót (kézzel), jó lenne megtalálni a kulcskapcsolót utána le kellene hogy kapcsolja a lámpát (gyújtáson). Innen jönne a gyújtáskapcsoló +12V. A rajzon"IGN". . Igazából ezek a vezetékek már rendelkezésre állnak, csak ez egy elég nagy logikai csavar. Olyan vezérlőt meg nem találok ami ezeket tudja. Ez megoldható úgy hogy nem kell programozni?
Viszont! Csak van aki pacsirta, van aki bagoly..
Itt találsz egy ilyen áramkört. Csak tudni kell egy logikai éramkörhöz, hogy azok hatásakor milyen szintűek. Mint pld. tudható, hogy a gyújtás ráadásakor az magas szintű. De mi van a távrángató nyitása és zárásakor? Mert a rajzon itt az két magas szintű jel. Az áramkör egyébként úgy működne, hogy a (CMOS) 555 oldja meg a logikát és az időzítést, míg a kikapcsoláskori elhalványítást a hátsó tranyó/Fet fokozat. (de ez izzóhoz való.) És ez a téma már messze nem a "relé kérdésről" szól!..
ÓÓ szuper köszi!
A vezérlőben 2 db 5 lábú relé van, és DC motorok az ajtókban összesen 4+1 db motor. Mi lenne ha az izzó helyére betenném azt a legfelső részben lévő optos - tranyós relét? A tranyón menne át az 5 volt, és az optocsatoló R+ és R- része az izzót jelképezné. Mi az a VM1? A másik , látom van egy FET, mi lenne ha azt is kicserélném egy tranyora? a hely szűke miatt. Közben körbe néztem házon belül , és a jól felszerelet Jimmy vezérlője ígéretesnek tűnik kapcsolási rajz alapján (vezetékek rajza) ,de az irányjelzők villogtatása nem úgy működik ahogy általában szokott hanem van egy spéci elektronikás index relé... a központi majd testet kapcsol és a spéci index relé intézkedik.
Hello! Én ugyan megrajzoltam "rendesen" azt az áramkört, amit szeretnél. Legalább is ahogy én értettem. De Te mintha össze-vissza csapkodnál a gondolataidban. És írtam, hogy a téma nem ide való, van topikja..
Itt a belső világítás logikájának működéséről volt szó, most meg a központi zár vezérlését taglalod, meg az index villogtatásáról beszélsz. ![]() - Amit én rajzoltam (most), az a központizár motorról szerzi az információt, hogy mikor nyit és zár a központizár. - Ha nyit a zár, akkor bekapcsolja a lámpát, és elindul egy két perces időzítő. - Ha letelt a két perc, kikapcsol a lámpa. Pontosabban elhalványul, kb 5 másodperc alatt. - Vagy ha a két perc alatt bezárod a kocsit, akkor megszakad a két perces időzítés, és elhalványodva elalszik a lámpa. - Ha kinyitod az ajtót, akkor elindul a kétperces időzítés. De ha közben ráadod a gyújtást akkor az megszakad, és elhalványulva elalszik a lámpa. Tehát a két perces időzítés elindul, ha nyit a központi zár, vagy kinyitod a kocsiajtót. Megszakad a kétperces időzítés, ha bezár a központi, vagy ráadod a gyújtást. Az időzítő megszakítása, vagy a kétperc lejárta után a lámpa elhalványodva kialszik. Én nem ismerem az említett vezérlőt. Az említett VM1 az csak a szimulátor voltmérője, amin szimuláció alatt látható, hogyan viselkedik a lámpa. Az izzót pedig egy 12 Ohm-os ellenállás imitálja a rajzon. Ha így össze vissza kevered a dolgokat, hogy "ez helyett azt kötöm be", akkor nem tudok segíteni mert nem fogunk szót érteni. És nem itt, mert ez itt OFF-nak számít. A hozzászólás módosítva: Feb 21, 2021
Sziasztok!
Van egy rossz DIP tokos reed relé amiben van védődióda és árnyékolás is. Az árnyékolás lába ugyan be van forrasztva, de nincs sehova se kötve. Betehetek helyette olyat amin nincs árnyékolás? Dióda természetesen lenne az újban. Nem valami zavarmentes a környezet, de még sincs bekötve a shield. Köszi előre is.
Hello! Miért ne tehetnél. Mondjuk csak azt nem írtad miben van, vagy milyen célt szolgál a relé, csak a környezetét..
Szia! Beteheted, ha nincs a közelében semmi, ami indokolja az árnyékolást. Én jártam úgy, hogy pici áramkörben közel volt egy 230V/9v 1.5VA trafóhoz, és annak a szórt mágneses tere a reed érintkezőt füllel hallhatóan cibálta, ha a relét meghúzta az elektronika, ez elég volt, hogy ne engedjen el.
Hello proli007 és merlingerin,
Elnézést amiért csak most válaszolok. Ez egy régi, ám igen komoly AWI hegesztő gépben van. A gépben a vezérlés két fő részre van osztva. Az egyik az IGBT meghajtó rész, a másik pedig a funkció, gáz előöblítés, felfutás-lefutási idő, stb . A két blokk között kb. 30-40cm távolság van. Ez a reed relé az utóbbin van. Pontosan nem tudtam vissza követni a vezetősávot, de szerintem valamelyik funkció átkapcsolásában segíthet. Nincs a közvetlen közelébe nagy mágneses térrel rendelkező alkatrész. Meg is rendeltem az új relét. Nem volt egyszerű találni, mert 15V-os a tekercse. Köszönöm szépen a válaszotokat. Üdv. A hozzászólás módosítva: Feb 26, 2022
DH2TU relé 3A 120VACSziasztok!Milyen típusú relével tudnám helyettesíteni ezt a típusú relét: DH2TU relé 3A 120VAC? Egy Kenwood KA-1060-as erősítőben van. Persze itthoni boltokban is beszerezhetőre gondolok. A hozzászólás módosítva: Feb 2, 2026
|
Bejelentkezés
Hirdetés |












