Fórum témák
» Több friss téma |
Heló!
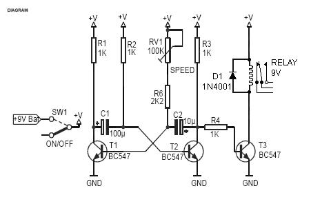
Egy 230V-os izzót szeretnék villogtatni egy relével :yes: Egy 2LED-es strobi kapcsolási rajzát átalakítottam. A Kérdésem az lenne, hogy ez így (elméletben) működne-e?? A 2LED-es stobi kapcsolását, és az átalakított kapcsolást csatoltam :yes: Válaszotokat előre köszönöm! :worship: Üdv!
Szia! A relék tipikus tekercsáramának értéke 100-120 mA. A relét meghajtó tranzisztor max. collector árama 100 mA lehet. ->T3-t le kell cserélni egy erősebb tranzisztorra megfelelően méretezett bázisellenállással (R4). Másik alternatíva pl. a Darlington kapcsolás.
Üdv.
1., BC337 kell a relé alá pl., akkor bőven jó.
2., ahogy Norberto figyelmeztetett, stroboszkópnak izzólámpa??? 3., a relé érintkezői hamar beégnek, ha sokat kattogsz vele 230-on még 1-2 Hz-en is...
Heló!
Nagyon Köszönöm mindenkinek a válaszokat!! Megpróbálom megépíteni az alkatrész cserékkel :yes: Az igazat megvalva az áramkört nem sok ideig kell működtetni, az egyik ismerősömnek lenne rá szüksége egy színpadi jelenethez (max 2-3 perc) és megkért, hogy dobjak össze neki egy ilyet :yes:
Kismotorba indexnek pont jó eza kapcsolás szerintem
Össze is dobom majd próbaképp a Rometre
Erdekes villódzó hatás a fénycsőgyujtó-kiswattos izzó soros kapcsolása is.
Köszi már próbálkoztam a fénycsőgyujtóval
igen érdekes villódzó hatása van
Szia
Ez csak 230V-nál müködik! törpefeszültségnél nem!
Sziasztok!
Előre is bocsánat hogy egy ilyen egyszerűnek tűnő témában van képem új topicot nyitni, de szükségem volna egy pontos válaszra kérdésemben. Egy olyan kapcsolást szeretnék építeni, ami egy kamerasínt és egy fényképezőgépet vezérel a következőképpen: előre meghatározott, szabályos időközönként bekapcsolná a kamerasín mozgató villanymotorját, körülbelül egy másodperc erejéig (ha esetleg ez is szabályozható lenne az nagyszerű volna) majd exponálja a fényképezőgépet. Ez Timelapse fényképezéshez kellene. Az egészet úgy képzeltem el hogy valamilyen astabil áramkör (tranzisztoros vagy 555-ös) vezérelne két relét, az egyik a villanymotort kapcsolná, a másik a fényképezőgép exponálógombjának áramkörét zárná. Az egész áramkör 12V-ról üzemelne. Ugyan megépítettem a cikkek közt található "ping pong villogó" áramkört, azonban nem jöttem rá hogy hogyan tudnám a relék zárásának ütemét, valamint a zárási időtartamot potméterekkel befolyásolni. Ebben kérném segítségetek és előre is köszönöm!
Veszel egy kettős időzítőt a villszer. szaküzletbe, és kész.
Figyelembe véve azt hogy az interneten található legolcsóbb "kettős időzítő" is 6000 forintba kerül (ami mondjuk vidéken a duplája is lehet), összehasonlítva a kívánt áramkör feltételezett kb. 200 forintos árával kicsit kielégítőbb választ szeretnék, de azért köszönöm az ötletet.
Egy valamire való nyákrelé 400-500Ft hol lesz 200 a "feltételezett " áramköröd? egyébként 2db 555 elég a kettős időzítéshez
|
Bejelentkezés
Hirdetés |





Össze is dobom majd próbaképp a Rometre





