Fórum témák
» Több friss téma |
Fórum » RFT SV 3000 Hi-Fi tuningolása
Témaindító: 187BodyGuard, idő: Júl 23, 2009
Témakörök:
Ezek az értékek változnak ha picit mozditok rajta!
Most minimumnál 0,4V maxnál 1,6V
TDA2050 hez mekkora átalakításra van szükség? Korábbi hozzászólásokban azt többen is javasolták!
A TDA2050-nek van külön topikja nézd meg, másik panel, de megéri. A TDA2020 már nem is kapható, ha igen horror áron, de akkor sem javaslom. A hely elegendő hozzá. A tápegység az SV 3000 erősítőben +- 15V , így elegendő lenne a TDA2030 is. Át se kell a tápot alakítani.
A hangja biztos szebb lenne. A hozzászólás módosítva: Máj 4, 2015
Ha ki is cserélem a fégfokozatot, a pillanatnyi gondokat akkoris megkellene oldani! Vagy a rossz végfokozat miatt nem reagál a potméter tekergetésre?
A végfokot potméter nélkül is ki lehet próbálni ( mérni), hogy jó-e.
De az a potméter nem oda való, más az értéke és az sem jó, ha mindig mást mérsz rajta.
És hogy tudom letesztelni hogy a végfok szált e el?
Amugy a képen látható vezetékezésben sem vagyok biztos hogy nincs e valami összekutyulva. (a lógó vezetéket már visszaforrasztottam) kérdés hogy neme ott van valami turpisság. A hozzászólás módosítva: Máj 4, 2015
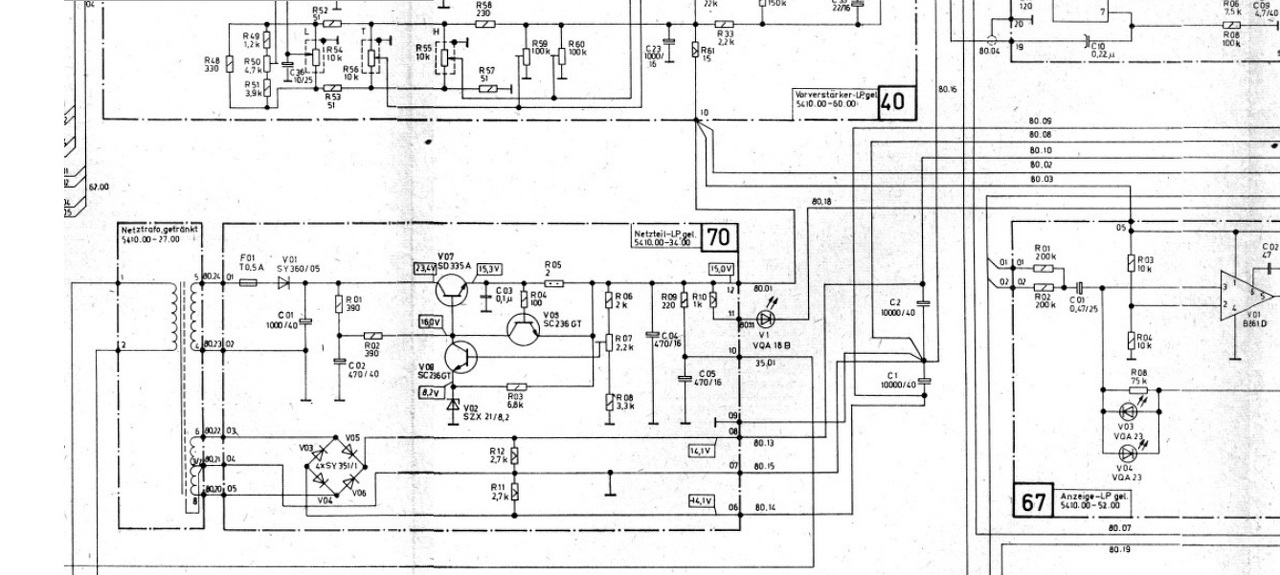
Szia! Még csak az első méréshez kapcsolódva írok, nagyon biztató az eredmény. A következő lépés a táppanelen V07 tranzisztor lábainak mérése testhez képest. A rajzon tudod követni mennyire jók az értékek.
Az Elektrotanyás rajzon 23. oldal 70-es jelű panel. A hozzászólás módosítva: Máj 4, 2015
Akkor aztmondod ha megépítem ezt kétszer (két csatorna),akkor gond nélkül belehet építeni a meglévő alkatrészekkel összhangba hozva!?
Igen, de először mérd meg a tápfeszt, amit a reloop is javasol, az fontos a hangerő és a hangszínszabályzó IC működéséhez.
A C03 felöli lábán: 3,43V Középen: 10,48 másik láb: 4,18V
A C01 1000µF elkon milyen feszültség értéket mérsz ?
A hozzászólás módosítva: Máj 4, 2015
Összemontíroztam a táp rajzát. Láthatóan már a V01 diódától nem jön kellő feszültség.
Nézd meg az F01 biztosítékot és azt, hogy rendesen érintkezik-e.
A bizti Jó. Kivettem lemértem ,nincs megszakadva és a helyén is jó!
A C01 1000mikros kondit nem találom.
A V01 dióda után van közvetlenül.
Az már látható, hogy az erősítő egyik hibája az előerősítő tápra vezethető vissza.
Haladjunk módszeresen: a 01 és 02 pontokra a trafóból 15-20V közötti váltakozó feszültségnek kellene érkezni, a mérést AC feszültség állásban a test és a biztosíték között tudod kényelmesen elvégezni. Ennek a feszültségnek kb. 130% -át kéne észlelni az egyenirányítás és a pufferelés következtében a V07 középső lábán, egyenfeszültségként. Ha az AC rendben, akkor a C01 kiszáradása esélyes. Felrakom a beültetést, mert el kell kicsit időzzünk ezzel a panellel. A hozzászólás módosítva: Máj 4, 2015
A biztin 21,8V AC ,a V07 középső lábán 10,4V DC
Emeld ki a biztosítékot és ellenőrizd az így szabaddá váló V01 diódát, bár minden valószínűség szerint hibátlan. A C01 sajnos cserére szorul
csak hálni jár belé a kapacitás
A C01 1000µF 40V vagy 50V legyen.
Kondi cserélve 50Vosra dióda egyik irányba szakadást mutat másikban 650ohm kb a V07 középső lábán 10,65V
A mérésekhez hol csatlakozol a testre? Valami zavart érzek az erőben
A készülék ház egy pontján.
Emberi számítás szerint jó is lenne, de sajnos a mért eredmények annyira irreálisak, hogy a hangszórócsatlakozó lapos csúszkafogadójában jobban bíznék testként.
A C01 megfelelően kapcsolódik a diódához és a testhez? A V01 kollektor felé ép a vezetősáv?
Nemlátok semmi szokatlant.
AZ nem lehet h a trafó egy része elszállt?
A panel hasán miért van 10nanós kondi? A hozzászólás módosítva: Máj 5, 2015
Elmosogattam! hátha segít
A dióda megkapja a 22V ot és a másik végén egyenirányitás után 10,4V megy tovább.
Akkor a dióda rossz? És a kondi miért van vele párhuzamba kötve? nem értem...
Tegyél be egy másik diódát. Ha megnézed a panelt és a rajzot, láthatod, hogy a dióda és a kondi hogy helyezkedik el. A dióda után a C01 + lábán 25V körüli feszültséget kell mérned.
|
Bejelentkezés
Hirdetés |









csak hálni jár belé a kapacitás 







