Fórum témák

» Több friss téma
Fórum » RIAA korrektor
 
Témaindító: Ghost Rider, idő: Aug 25, 2006
Témakörök:
Lapozás: OK   104 / 149
(#) Moszkvai válasza Fantasy hozzászólására (») Feb 4, 2016 /
 
Igen az is hiba! Nálam a fémtokos nyákján ott össze van kötve.
Meg a FET-eket is nézd meg.
(#) Fantasy válasza Moszkvai hozzászólására (») Feb 4, 2016 /
 
Meglett a hiba! Amit bekarikáztam, ott hibás a nyákterv. Az R22-től a C17 felé szakadás volt, most átkötöttem, és helyreállt a rend, tökéletesen működik mindkét csatorna, eltűntek az abnormális feszültségek. A feteknél nem volt gond. A hangja tényleg nagyon jó.
A Te példányodban is melegszik az egyik ic mindkét csatornában?

Most már csak a dobozolás van hátra.
Köszönöm a segítséget.
(#) Fantasy válasza scooby_ hozzászólására (») Feb 4, 2016 /
 
Köszönöm a segítséget, megoldódott a probléma. Moszkvai válaszához leírtam a hiba okát.
A hozzászólás módosítva: Feb 4, 2016
(#) Moszkvai válasza Fantasy hozzászólására (») Feb 4, 2016 /
 
Igen az egyik nagyon melegszik, arra tettem kis hűtőbordát is.
Örülök, hogy működik!
(#) Fantasy válasza Moszkvai hozzászólására (») Feb 4, 2016 /
 
Létezik erre speciálisan rögzíthető hűtőborda?
(#) Moszkvai válasza Fantasy hozzászólására (») Feb 4, 2016 /
 
Igen. ILYEN
A hozzászólás módosítva: Feb 4, 2016
(#) Fantasy válasza Moszkvai hozzászólására (») Feb 4, 2016 /
 
Köszi!
(#) scooby_ válasza Fantasy hozzászólására (») Feb 4, 2016 /
 
Örülök, hogy megoldódott. Igazából aggaszt a dolog, mert annak idején én rajzoltam át ezt a tervet LAY-be, de csak amolyan copy-paste jelleggel, viszont Én magam sose raktam össze ezt a korrektort, azóta meg így kering a neten, és építik a fenébe is. Azért eszméletlennek tartom, hogy egy külföldi újság ennyi hibával, ilyen trehányul leközöl egy tervet.
A hozzászólás módosítva: Feb 4, 2016
(#) Massawa válasza scooby_ hozzászólására (») Feb 5, 2016 /
 
Sajnos ma ez van. Egy amerikai ujság még arra sem volt képes, hogy korrigálja a cikkemet [elküldték a megjelenés elött a draftot, amibe bejavitottam ( 2-3 hiba volt a cikkben), de nem vették figyelembe.] Azota nem beszélünk.
(#) cooler-mg hozzászólása Feb 12, 2016 /
 
Tisztelt Szakértők!

Belevágnék egy RIAA építésbe, egy egyszerűbb (de nagyszerűbb) verzióba, amihez kérném a segítségetek.
Oda-vissza elolvastam a fórumot (Tolsztoj megirigyelné a terjedelmet) és még mindig nem ugrott be a tuti.
A korrektor első sorban MM-hez lenne és bár fájdalom, de nem csöves.
Hogy tovább egyszerűsítsem vmely op-amp felhasználást tervezem.
Nos itt kezdődik a bukta. Melyiket: TL074, NE5534 vagy op2134 vagy?
Egy vagy két műv. erősítő (szerintem 2)?
Hiraga, KD Mester vagy más korrekció?
Legyen e be- és kicsatoló kondér?
Legyen e rumli szűrő, vagy engedjük meg az elektronikának, hogy az igazi mélyeket is leadja?
Elem, akku vagy akárhogy szűrt táp (ami biztos becsempész néhány furcsa hangot)?

Örömmel venném és előre is köszönöm a konkrét javaslatokat. (ha rajz is kerekedne, úgy igen boldog lennék)

Köszönöm!!
(#) scooby_ válasza cooler-mg hozzászólására (») Feb 12, 2016 /
 
Szia!

Akkor hátulról próbálok visszafelé haladni: Rajzokat, dokumentációkat a kereső alapján a témában, a szűrő beállításával találsz. Akár komplett tervfájlokat. Ha félvezetős korrektort szeretnél építeni tranzisztorokból, akkor én a HFM1-et ajánlom szigorúan az itt módosított változatát, eredeti specifikációk szerint nem az igazi sokunk szerint sem. Ha integrált áramköröset szeretnél építeni, akkor ActidAmp MK IV, MKII, vagy a KDmester-féle IC-s korrektort javaslom. Ez utóbbi csak ST típusú IC-vel szól jól.
Műveleti erősítő mind amiket írtál. TL074 FET bemenetű, míg az NE5534 és az OPA2134 tranzisztoros bemenetű. Szerintem csak zajban van különbség egyik-másik között. Persze másban is: a FET bemenetűnek nagyobb a bemeneti impedanciája, stb-stb, ezek itt most talán annyira nem érdekes dolgok, ha "csak" építésről van szó.
Minden esetre számomra eddig hallott integrált áramkörös korrektorok közül messze legjobbnak az ActidAmp MK IV bizonyult, másodiknak az MKII, harmadiknak a KD-féle. Ez utóbbi kettőt én is összeraktam, előbbit pedig Moszkvai Úr alkotta meg, én csak felvételt hallottam róla.
A táp maga ha jól van megépítve, megfelelően van szűrve, nem visz zajt az erősítőbe, nagyobb probléma szokott lenni a trafó közelsége ami megszórja az áramkört elektromágneses térével.
(#) Moszkvai válasza cooler-mg hozzászólására (») Feb 13, 2016 /
 
Szia!

Nekem az Actidamp MKIV hangra nagyon tettszik. Még a HIRAGA csövessel is vetekszik.
A TL074-es-nek pedig az ár érték aránya nagyon jó.
Próbálkoztam elemes táplálással még az IC-s hiragánál de nagyon hamar lemerültek, ezért építettem egy jól szűrt tápot, amit a korrektoron kívül helyeztem el és távol tőle.
(#) boti2 hozzászólása Feb 15, 2016 /
 
Üdv Mindenkinek!
Nemrég fejeztem be az egyik CHZ féle RIAA korrektor (ECC83) picit modifikált változatát 6N2P-vel. Csináltam hozzá tápot, de még mindig nem 100%-os (brumm). Úgy emlékeztem (lehet, hogy rosszul) hogy itt ebben topicban volt hozzá kipróbált stabilizált tápkapcsolás, de egyszerűen nem találom. Ha valaki segítene, aki tudja, hogy hol lehet, azért hálás lennék. Előre is köszi.
(#) cooler-mg válasza Moszkvai hozzászólására (») Feb 15, 2016 /
 
Szia!

Köszönöm. Tudsz küldeni egy "jól szűrt stab táp" kapcsolást, esetleg alkatrész minőség javaslattal.
(#) cooler-mg válasza scooby_ hozzászólására (») Feb 15, 2016 /
 
Szia!

Köszönöm. Azt hiszem összerakom először a KD félét, aztán a ActidAmp IV-t. Most a http://gilszkilabor.audiodiy.hu/riaa/riaa.html zenél, de nem vagyok elszédülve a hangjától.
Lehet, hogy a 150 pF kondit ki kellene vennem, és a mélyszűrőn is igazítani kellene. Nem elég teltek a mélyek, fedett. Elemmel kergetem, de az is lehet, hogy kevés neki a 2x9V (bár a batériából nem jön zaj )
(#) Moszkvai válasza cooler-mg hozzászólására (») Feb 15, 2016 /
 
Melyik RIAA-hoz kellene?
(#) scooby_ válasza cooler-mg hozzászólására (») Feb 15, 2016 /
 
Akkor sokadjára is feltöltöm a KD RIAA nyákját. Ezen rajta van a táp is. Csak 2x 12-15VAC kell neki.
(#) scooby_ válasza boti2 hozzászólására (») Feb 16, 2016 /
 
Milyen tápot csináltál hozzá? Mutasd a rajzát.
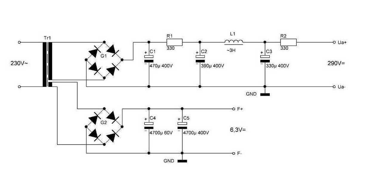
Én csatolok egy rajzot. Nálam ez már többszörösen bizonyított. A fűtést is stabilizálni kell, a katódkövetők miatt pedig a fűtést fel kell emelni egy osztótaggal az anódfeszültség 3/4-ére.
A hozzászólás módosítva: Feb 16, 2016
(#) boti2 válasza scooby_ hozzászólására (») Feb 16, 2016 /
 
Köszi. Ez jó lesz. A táp csak egy passzív táp, mutatom. Elég gyorsan beláttam, hogy szabályozás nélkül nem tudom teljesen kiszűrni a brummot. Valami mindig marad.
Ezt viszont nem egészen értem:
Idézet:
„a katódkövetők miatt pedig a fűtést fel kell emelni egy osztótaggal az anódfeszültség 3/4-ére”

Hogy kell azt érteni, hogy az anódfesz 3/4-ére?
(#) Moszkvai válasza boti2 hozzászólására (») Feb 17, 2016 /
 
A fűtéshez is kell a jól szűrt stab táp. 820ohm helyére mehet egy 1,5k trimmer és azzal szépen be lehet állítani a feszt. LM317 max két 6N2P csövet fog elbírni + kell rá majd egy kisebb fajta hűtőborda is.
Abba a kapcsolásba nem kell osztóra kötni a fűtést, mert nem lesz akkora a potenciál különbség, a katód és a fűtés között.
A hozzászólás módosítva: Feb 17, 2016

6,3V stab.gif
    
(#) boti2 válasza Moszkvai hozzászólására (») Feb 17, 2016 /
 
Köszi a segítséget. Jól gondolom, hogy ezt akkor duplán kell megépíteni a 4 cső fűtéséhez?
(#) scooby_ válasza boti2 hozzászólására (») Feb 17, 2016 /
 
Pontosan!
Van valami szabályozható tápegységed? Érdemes kikísérletezni mekkora bemenő feszültségnél lesz még stabil a tápegység. Általában a 8VAC az jó kompromisszum szokott lenni, nem kell oda 11V, mert akkor csak feleslegesen fűt a tápegységed. Csatolok egy NYÁK tervet. Ezt a ARC PH5-höz tervezem át. Egy hasonló tápom van már, amibe az ARC eredeti rajzban közölt fűtőtápja van, minden a megadott értékek szerint, de sajnos fűt mint a bolond, szerintem 60 fok felett van a borda. Úgyhogy áttervezésre került. Neked a jobb szélső LM337-es ami a -12,7V-ot állítja elő, nem fog kelleni. Ha gondolod le is veheted. A másik LM337-et meg akár át is tervezheted LM317-re, azaz + szabályzáshoz.
A hozzászólás módosítva: Feb 17, 2016
(#) boti2 válasza scooby_ hozzászólására (») Feb 18, 2016 /
 
Köszi a segítséget! Persze, van rendes labortápom (2x0-30V, 1x60V 5A, 5V 5A), úgyhogy nem lesz gond kikísérletezni az optimális legkisebb még stabil bemeneti feszültséget. Van rengeted mindenféle trafóm is, vagy találok köztük megfelelőt, ha nem, akkor tekerek. Külön köszi a NYÁK tervért. Kicsit áttervezem (vannak kéznél Graetz-ek, stb.) Majd referálok, ha kész.
(#) Moszkvai válasza boti2 hozzászólására (») Feb 18, 2016 /
 
Igen.
(#) boti2 válasza Moszkvai hozzászólására (») Feb 21, 2016 /
 
Moszkvai és scooby! Köszönöm a segítséget!
(#) scooby_ válasza boti2 hozzászólására (») Feb 22, 2016 / 1
 
Azért vagyunk.
Máskor is.
(#) Moszkvai válasza boti2 hozzászólására (») Feb 22, 2016 / 1
 
Szívesen! Sikerült megcsinálni?
(#) boti2 válasza Moszkvai hozzászólására (») Feb 22, 2016 /
 
Még nem végeztem vele. Sajnos nem megy olyan gyorsan, kevés idő jut rá, de legalábbis kevesebb, mint szeretném. 8-( Tudjátok, munka, gyerek, stb. Mindenképp referálok, ha készen van.
(#) scooby_ válasza boti2 hozzászólására (») Feb 26, 2016 /
 
Szia!
A tápban elírtam a tranzisztor típusát! Oda Nem NPN hanem PNP tranyó megy, ebből adódóan nem MPSA42, hanem MPSA92!
(#) boti2 válasza scooby_ hozzászólására (») Feb 26, 2016 /
 
Szia! Köszi, h. szóltál, ezt lehet, hogy benéztem volna később, bár a NYÁK-okat legtöbbször vissza szoktam rajzolni. Egyelőre úgy fest, hogy az anódhoz most a 6F12 fogom megcsinálni. (Hacsak nem javasoltok mást valamiért. A fűtéshez pedig az ARC PH5-nek a 6V-os dupla fűtését. Még egy kérdés-kérés. Kb. milyenek legyenek az ellenállások osztótagban a végén, amivel felhúzom az 3/4-ed anódfeszhez a fűtést? A korrektor 290V körüli feszültséggel lett tesztelve, de a munkapontok 330V körül vannak jól a helyükön, úgyhogy úgy gondoltam 330V-osra csinálom a tápot. Ebben (a felhúzásban) most kicsit bizonytalan vagyok, mert Moszkva kolléga azt tanácsolta, hogy ne húzzam fel. Gondolom felhúzva mindenképp kisebb lesz így a brumm, úgyhogy akkor is célszerű megcsinálni, ha egyébként fűtés-katód potenciálkülönbség miatt nem volna feltétlenül szükség a felhúzásra.
A hozzászólás módosítva: Feb 26, 2016
Következő: »»   104 / 149
Bejelentkezés

Belépés

Hirdetés
XDT.hu
Az oldalon sütiket használunk a helyes működéshez. Bővebb információt az adatvédelmi szabályzatban olvashatsz. Megértettem