Fórum témák
» Több friss téma |
Fórum » RIAA korrektor
Témaindító: Ghost Rider, idő: Aug 25, 2006
Köszönöm, átolvasom a HFM cikkét a korrektorral kapcsolatban. Próbáltam szimulálni a HFM AntiRiaa korrektorát, lényegében az általam használtnak is hasonló az átvitele.
Üdv Mindenkinek!
Tervezgetek, tervezgetek.... előbb-utóbb szeretnék építeni egy szubminiatűr csöves RIAA korrektort. Csöveim vannak hozzá, viszont a beszerzett leírása hiányos. A kapcsolás, nyák-rajz megvan, de pl. hiányzik a táp kapcsolása, leírása. Ha valakinek megvan az egész elektronikus formában, elküldené nekem? Cím: tamasi pont andras kukac t-online pont hu
Beszerzett leírásod is mutathatnád! Csöveid típusát is tudnunk kellene.
A 2016/10-es Rádiótechnikában megjelent Ágoston cikk első két oldala, ami elérhető az interneten. (Rádiótechnika 2016/10 312. oldal) és a következő, 313. oldal is elérhető. Ebben van némi ismertetés a szubmini csövekről, és a RIAA kapcsolási rajza, nyák terve.
Az előző számban állítólag egy fejhallgató erősítő van hasonló csövekkel, az is érdekel, de az nem ennek a topicnak a témája.
Ott mindent megtalálsz róla, nyáktervet is. Nem rossz korrektor, kipróbáltam én is, kisebb módosításokkal. Fentebb bemutatott kapcsolásban ezekkel a csövekkel amit építettem lényegesen jobban teljesített (szerintem).
Előkerestem amit módosítottam azon kapcsoláson.
Kössz!
Már épp szerettem volna valami támpontot kérni, mert ugyan végignéztem a topic "csak képeit" - 17 oldal - de nem találtam rá. Azért szeretnék ezekkel a csövekkel építeni, mert vannak ilyen csöveim, régebben vateráztam valami orosz kütyü roncsot, abban voltak. A lehetőségeim meg HiEnd-et úgysem teszik elérhetővé, de ez azért annyira nem is izgat. Épp most tapasztaltam meg, hogy az eddigi tranyós erősítőm helyett kipróbálva két régi Videoton rádió végfok panelt - ECL86, még deszkamodellként - micsoda különbséget hozott a két CD játszóm között. Eddig nem volt érzékelhető, csalódás is volt, amikor vettem egy használt tányéros Pioniert.
Ágoston RIAA rajza itt nincs fent, csak RT ben találod meg.
És még szerettem volna megkérdezni, mi indokolja a 3 párhuzamos anód ellenállást? Teljesítmény, vagy van más is?
Teljesítmény is, párhuzamosan kötött ellenállások "induktivitása" csökken.
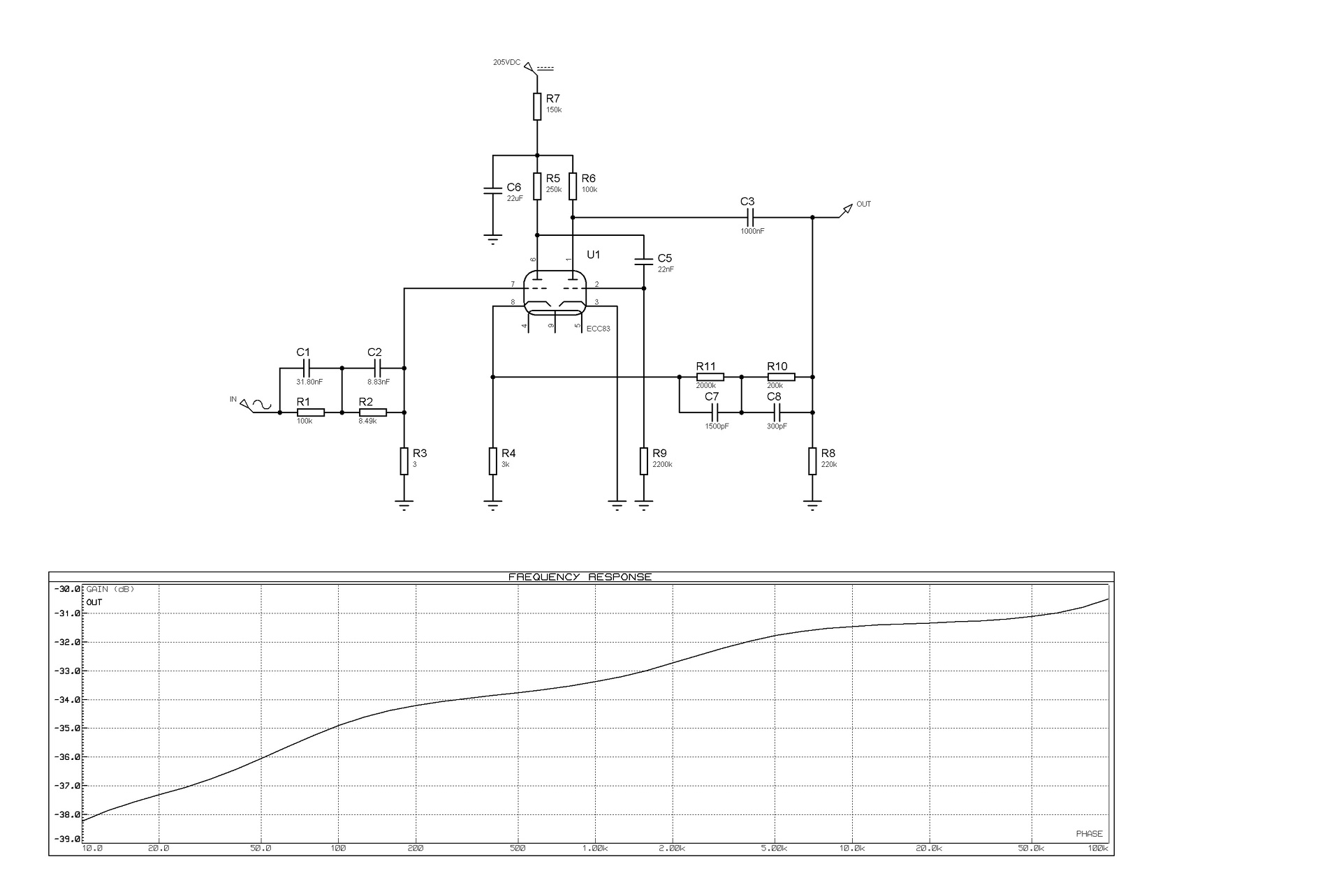
Tesztelem a csöves rádióerősítőmet, de a beépített korrektorával nem vagyok elégedett. Leszimuláltam, de az átvitele nem ideális. Nem tudom a szimuláció mennyire pontos, illetve min kellene módosítanom, hogy elfogadható legyen az átvitel. Valakinek van ötlete?
Sajnos csak átlagos kábeleket sikerült vennem, maradt egykis búgás de elfogadható mértékű, ami a csövek váltóáramú fűtése miatt is lehet. A hozzászólás módosítva: Ápr 13, 2020
Szia!
Azt meghiszem, hogy nem vagy megelégedve vele, ez a korrektor igen erősen vágja a mélyeket. R10, R11, C7, C8 értékét változtasd úgy, hogy az átviteled a leglineárisabb (vízszintes egyenes) legyen. Esetleg még C5-öt és C3-at növelheted, hogy jobb legyen a mély átvitel. A kimenete nagy impedancián van, ez is okozhat mélyveszteséget, nem ártana utána egy katódkövető.
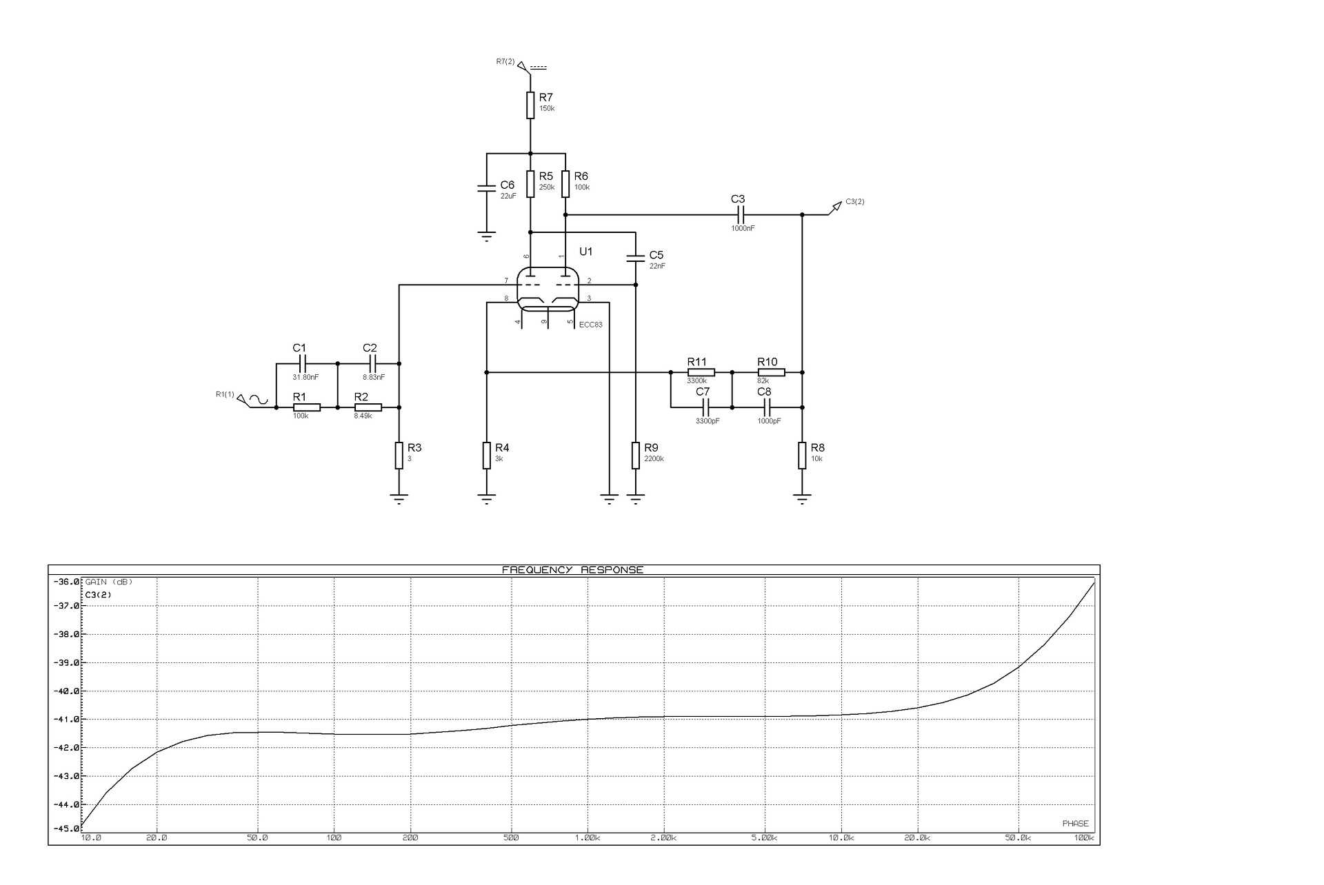
Én sem lennék elégedett. Ha nem akarsz másikat építeni, akkor módosítsd csatolás alapján, (10k csak terhelés szimulációja miatt van, 470k) sajnos kimenet terhelése kicsit beleszól az átvitelébe is. Lehetne még finomítani, de ez a kapcsolás nem ér többet.
A hozzászólás módosítva: Ápr 14, 2020
Ez már jobb, de még nem az igazi. A két csöves fokozat azonos felépítésű, a második fokozat katódellenállásával párhuzamosan van egy 220µF-os ELKO+2,2µF MKP. A második csőfél rácslevezető ellenállása 680kOhm, anód munkaellenállása 100k-150k lehet.
A 22nF cserélendő, illetve növelendő 2,2µF-ra(!), a kimeneti csatolókondenzátor szintén, 2,2µF-os, 400V-os MKP legyen! A rajz szerinti R9 1MOhm legyen, a tápfeszültség +300V stabilizált. Ha ezeket, amiket írtunk, betartod, akkor kb. 50-60 szoros lesz az egész áramkör erősítése, torzítása kisebb bármely frekvencián, a 300mV-os kimeneti jelnél, mint 0,05%. A bemenet legfeljebb 200mV-os jelet fel tud dolgozni, a kimeneten ekkor kb. 10-12V-os jel lesz kisebb, mint 0,5%-os torzítással. Üdv!
Csak javítottam az átvitelén, én nem fogom használni!
Kimenete nem terhelhető igazán, ezért terheléstől függően változni fog az átvitele, ezért nem érdemes tovább finomítani. Második trióda rácsáramos beállításban működik, erősítése nagyobb, szükséges is (soha nem fog 60x erősíteni a módosításod szerint sem). A hozzászólás módosítva: Ápr 14, 2020
Ha már módosítani akarod barcikaikippi rajzát, akkor így érdemes.
Így már a kimenet terhelése sem okoz átvitelében változást, persze ez már nem az az áramkör.
Köszönöm, hogy leszimuláltad és javítást ajánlottál hozzá. A szimuláció szerint 10k terheléssel szép az átvitele a javasolt módosításod szerint, de az erősítése jelentősen csökkent. Névleges terheléssel (220k) van egy jelentős mélyemelése. Gyakorlatban is kipróbáltam csak 10k körüli terheléssel szól szépen (de halkan), ha ezt az ellenállást kiépítem, a fokozat kiemeli a lemezjátszó mechanikai zaját.
Most látom a javított kapcsolást. Köszönöm. Még egy kérdésem lenne, a korrekciós tagok értékét mi határozza meg?
Egy weblapon azt olvastam, hogy az egyik ellenállás-kondenzátor pár szorzata 3180us, a másiké 75us kell, hogy legyen, a két ellenállás aránya pedig 11,77. Mégis a szimulátorban ilyen aránypárokkal nem hozza a várt eredményt.
Javított lényege a kimeneti terhelhetőség növelése, ezért jobb az átvitele is.
Ezt így könnyen kipróbálhatod. Korrekciós tagok értékét az impedancia viszonyokhoz kell igazítani. A hozzászólás módosítva: Ápr 14, 2020
R13 ellenállás módosításával, eléggé jó 220k lezárással.
A hozzászólás módosítva: Ápr 14, 2020
Köszönöm, szimulátorban próbáltam, így egész jó, ezt is kipróbálom gyakorlatban, szerintem ez lesz a végleges. Katódkövetőnek már nem lenne benn hely, tudom egy ECC83 kettős trióda elég lenne mindkét oldalhoz, de még így sem férne el.
A hozzászólás módosítva: Ápr 14, 2020
Ez könnyen megvalósítható az eredeti helyén, ezért próbáltam így alakítani.
Ez a megoldás is jó, talán így elférne.
A hozzászólás módosítva: Ápr 15, 2020
Csöves fokozattal picit kisebb a torzítása, FET kimenet sem sokkal rosszabb.
IR710 jó választás, kis bemeneti kapacitású kell,DN2540 még jobb megoldás lehet, ott a Z diódát fordítva kell bekötni.
Nem lenne érdemes a kimenetre 160 kHz-es aluláteresztőt beiktatni? Elvileg a zaja is csökkenne valamelyest.
Szűrőket nem kedvelem, általában elcseszi a hangzást. Kimenetre kötve elrontaná a kimeneti impedanciát is.
Ne csináljunk belőle ARC-t.
Ha mégis, akkor az SP-8-as jó választás.Kapott pár ötletet a feljavításra, majd eldönti, hogy mit tesz. Üdv! A hozzászólás módosítva: Ápr 15, 2020
Miért ne, szerinted rosszabb mint amit javasoltál?
A hozzászólás módosítva: Ápr 15, 2020
Kipróbáltam gyakorlatban, szépen szól. Most már nem úgy szól az erősítőmön keresztül a lemezjátszó, mintha kristályhangszedős lenne. A korrekciós tagok kondenzátorai több érték párthuzamos kapcsolásából jöttek ki, ide sajnos kerámia kondenzátorok jutottak, de a végleges verzióba styroflex-et szeretnék. A FET-es verziót is kipróbálom, egyelőre IRF830-at találtam, aminek nagyobb a bemenő kapacitása, mint a javasolt FET-nek. Szimulátorban működik ezzel is, nem rontja az átvitelt, viszont nem vagyok biztos benn, hogy jobb lesz a hangja tőle, de a próba eldönti.
A hozzászólás módosítva: Ápr 15, 2020
Korrekciós tagok válogatásán sok múlik. STIROFLEX vagy fóliakondik közül érdemes válogatnod.
Fetes kimenet akkor fontosabb, ha nem erősítőbe építve használod. Az összekötőkábel terhelése és esetleg alacsonyabb impedanciás bemenet ne terhelje, ne "hangolja" el. |
Bejelentkezés
Hirdetés |














Ha mégis, akkor az SP-8-as jó választás.



