Fórum témák

» Több friss téma
Fórum » Siemens Albatros2 időjárásfüggő fűtés szabályzó
Lapozás: OK   1 / 1
(#) sirály12 hozzászólása Aug 8, 2017 /
 
Sziasztok.

A következő kérdésben kérnék segitséget. Bizom benne, hogy lesz olyan ember, aki foglalkozott már ezzel a szebályzó családdal.

A problémám:
Sikerüt vennem egy hőszivattyút, amiben ha jól tudom egy siemens vezérlő dolgozik.
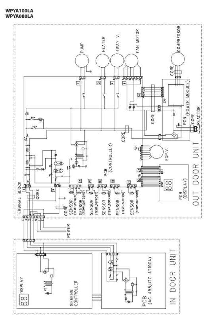
A pontos tipusa a hőszivattyúnak Fujitsu WPYA080LA.
A benne található vezrélő valószinüleg egy Siemens RVS21-es.

A készülés üzemeltetéséhez kellene egy kontrol box, ami kézzel beállitható és kommunikál a hőszivattyúval. (És amiben egy szintén siemens központ van. Valószinüleg RVS61 és AVS37) csatolt kép.

Nekem igazából az lenne a gondom, hogy Én nem akarok kézzel állitgatni, és helyem sem nagyon ahová ezt a dobozt rakhatnám. A leginkább hálózatról vagy neten keresztül szeretném kezelni a beállitásokat.
Kis utánajárás után kideritettem, hogy lehet venni webszervert hozzá.

A pontos kérdésem, hogyha veszek egy RVS61-es vezérlőt és hozzá egy OZV672-es webszervert, akkor ez elég?
- Mi kell még, hogy máködésre birjam a hőszivattyút? Rá tudom kötni a fenti központot?
- Mindenképp kell a központ?
- Kell hozzá programozni? Vagy már gyárilag bennevan a szükséges program, és csak a paramétereket kell beállitani? Tehát a központok csereszabatosak?

Minden segitséget/tanácsot előre is köszönök.
(#) sirály12 válasza sirály12 hozzászólására (») Aug 8, 2017 /
 
Közben megtaláltam a Siemens oldalán egy programot amivel elvileg offline is meglehet tervezni a rendszert. Ahogy hazaértem felrakom a programot és kipróbálom.
A program neve: ACS790 V10
A hozzászólás módosítva: Aug 8, 2017
Következő: »»   1 / 1
Bejelentkezés

Belépés

Hirdetés
XDT.hu
Az oldalon sütiket használunk a helyes működéshez. Bővebb információt az adatvédelmi szabályzatban olvashatsz. Megértettem