Fórum témák
» Több friss téma |
Mielőtt kérdezel, a következő két dolgot ellenőrizd!
I. A helyes tápfeszültségek megléte.
II. A kimeneten van-e egyenfeszültség.
Na, úgy kezdtem, hogy egy marék (6db) 0,22 Ohm-os ellenállást kicseréltem, hogy egyáltalán a tápfeszültség eljusson az STK-ig. Csere után bekapcsolom, a védelemként sorba kötött 100W izzó az 'pirított' rendesen, táp leülve, így mérni nem lehetett. Szétszed, ohm mérővel az STK kimenete és a +-táp között rövid zár az egyik STK estében (pont abban az oldalban, aminek a kapcsolási rajza fent van). Ki is forrasztottam ezt az STK-t, kiforrasztott állapotban is rövid zár a kimenet és a 12/14 lábak között. Megint összeraktam a rossz STK nélkül, így be is indult az erősítő, HF relé meghúzott, 100W-s izzó nem 'pirított'. A másik STK estén az alábbi feszültségeket mértem:
1; na ez, kimaradt, vagy 0V 2: 0,33V; 4: 16V; 5: 16,8V; 6: 38,8V; 7: 40,7V; 8: 40V; 9: 40,7V; 10: 40,7V; 11: 0V; 12: -42,5V; 13: 0,2V; 14: 42,5V; 15: 41,1V. Ezek az értékek sem mondhatóak 'gyárinak'...szerintem ez is kuka lehet, hangszórót még nem akasztottam rá.
Elszállt a remény. A másik IC-t azért még lehetne kicsit masszírozni, mert R518 felől feltűnően nem kap negatív táplálást, de nem sok értelme lenne a fél oldal meghagyásának.
Ha belevágsz a TDA7293/4 átépítésbe, a témájában szívesen ellátlak tanáccsal, ha elakadnál.
Na, 'masszíroztam' még egy kicsit ezt az STK-t is...Talált, süllyedt, az R518 (100 Ohm) 'füstös', szakadt volt. 110 Ohm-m volt kéznél, azt raktam be helyette, de ez nem 'happy end-es' masszázs lett...
...a kimeneten (13 láb) szépen felkúszik a feszültség -0,5V-ra és a HF védelem reléje is lekapcsolgat. Azért még itt megmértem a feszültségeket:1; 0V 2: -0,5V; 4: -30V; 5: -31V; 6: 26,2V; 7: -31V; 8: 28,5V; 9: -30,8V; 10: -30,8V; 11: 0V; 12: -40,7; 13: -0,5V; 14: 41V; 15: 32,2V. Ezeket az értékek sem tartom jónak...szerintem ez is kuka, hangszórót továbbra sem akasztottam rá. Kíváncsi voltam mit rejt a 'plasztik'...
Szokatlan STK hiba, a bemenetnél vélek zárlatos tranzisztort felfedezni, lehet megsült.
Most már tényleg elhárult minden 'akadály' a TDA7293-kal átépítés elől...
...Valószínűleg még értekezünk az 'átépítős projekt' közben is...Ismét köszi a tanácsokat/segítségedet! A hozzászólás módosítva: Márc 26, 2015
Sziasztok!
Ismerősöm hozott nekem egy Telefunken HA 860-as erősítőt, aminek az egyik oldala nem szól... Legalábbis azt mondta... STK 4034X IC van benne, ebből is két darab... Meg van a csere darab, de addig nem merem kicserélni még itt meg nem kérdeztem azt amire kíváncsi vagyok. Bekapcsoláskor még egy darab LED sem villan fel, a bemenetválasztón szintúgy ez a helyzet, egy darab LED sem jelez vissza. Továbbá a hibás STK 13,14,15-ös lába körül van egy kis égésnyom. A primer oldali biztosíték rendben van, nincs szakadás. Mégsem ad életjelet magáról. Az IC-k tápfesze rendben van, GND-hez képest +44V és -44V mindkét oldalon, a kimeneteken GND-hez képest nincs egyenfeszültség. Kapcsolási rajzot nem tudok feltölteni, mert közel 8MB a service manual-ja. Ha tud valaki segítene kideríteni mi lehet a baj?
A készülék service manual-ját ide töltöttem fel.
STK4234MK5-öt keresek SANYO JA8500 erősítőmbe!Úgy tudom,hogy STK4235 is megfelel,vagy a 60W-os STK4204,4205.Esetleg hol találok üzletbe?
Üdv! Nekem az lenne a kérdésem, hogy az Stk-s erősítőkben a negatív visszacsatolásban van megoldva a hangszínszabályozás, ez miért jó? Valahogy meg lehet kerülni, hogy ha más Pl. Tda ic-t akarok bele tenni akkor is működjön a hangszín? A Sony Ta-Fe 370 ben is így van megoldva.
Szia! A végerősítő visszacsatolásban elhelyezett hangszín nem jó, viszont egyszerű. TDA IC-vel is működik elvileg, de a gerjedést nem lehet 100% kizárni. A manapság használt jelforrások mellett már alig van igény hangszínszabályzásra, az elhagyását javaslom.
Köszi a választ. Szerintem hanyagolom az egészet.
Sziasztok. Építettem STK 4050-el egy erősítőt. Húúú, hihetetlen, hogy megy, ment. Sajnos, ma is egy ... rövidzárat csináltam a hangszórónál (harmadik STK-m bánta). Tudnátok ajánlani ez ellen valami megoldást? És a végső célom az lenne, ha nem ment volna ki egy STK sem akkor, kettő lenne hídba kötve. Ehhez mi a véleményetek? Köszi
Igen!
Mielőtt bármihez hozzányúlsz, HÚZD KI a konnektorból a dugót! Hihetetlen, hogy emberek mire képesek!
Adott egy erősítő átalakítása, stk véget kap. Van pár ellenállás, amit nem találtam itthon, és azt kérdezném, hogy mennyire lehet eltérni a megadott értékektől. Az egyik az 330R lenne, helyette mehetne 470R, a másik a 0,33R ami helyett 0,5R lenne itthon. A 330R az sorosan megy a 2es és 15ös lábra 1-1 kondoval a 0,33R pedig a 6-7 és 11-10 láb között van. Ill a 8p-s kondi értéke mennyire fix?
A csatolt képen van az átalakítás rajza, a linkelten meg az STK465 kapcsolási rajza. Bővebben: Link
Hello, a 0.33R az a túláram védelemért felelős, el fog a nagyobb ellenállás használatával is indulni, de valószínűleg hamarabb fog a védelem miatt nagy hangerőn a védelem beavatkozni e miatt.
330ohm változtatása 470 ohm-ra a feszültség erősítést csökkenti, nagyobb bemeneti jel szükséges,hogy teljesen kivezéreld az IC-t. Ha a 470 ohm-mal párhuzamosan kötsz egy 1k ohm ellenállást akkor az eredője 319 ohm lesz. Ugyanezt a trükköt el lehet játszani, a 0,5 ohm-mal egy 1 ohmos ellenállást (vagy 2 db sorosan kötött 0,5 ohm) párhuzamosan kötve 0,333 ohm lesz az eredője. A hozzászólás módosítva: Aug 20, 2015
Szia!
Végső megoldásnak, én is erre gondoltam, hogy összehozom akkor 2 ellenállás eredőjével, csak ha itt is van ilyen, hogy y-x érték közt jó neki bármelyik, akkor nem kutattam volna. A 8pikos kondi mennyire fix?
Hi, Bár ezt az IC-t még személyesen nem volt alkalmam tesztelni, a 8 piko farados kondenzátor a gerjedések ellen lehet, 10p szerintem még elférhet. Nagyobb érték ronthatja a magas jelek átvitelének hűségét.
Számos rajzon nincs rajta, de szerintem ne hagyd el.
Jelenleg 22p-s találtam, és az van benne. Akkor elképzelhető, hogy azért lett a hangja olyan dinamikátlan. Holnap keresek valami jóval közelebbi értéket, és megnézem azzal.
Köszi a segítséget!
Na megvan a csere, igaz nem 8pikós lett benne, hanem 7 pikósat találtam itthon. A hangja nekem kicsit fura, olyan mint ha a magasnál berecsegne, vagy sercegne, de csak magasabb hangerőnél. Nem a hangládák hibája, mert másik erősítőnél, ugyan annál a zenénél, magasabb hangerőn nem produkálja ugyan azt, tehát marad az erősítő része. Ötleted lenne erre a hibára? A 0,3R és a 330R több ellenállással hoztam össze, a 0,3R az 3db 1R a 330R pedig 2db 670Ral. A többi a megadott érték.
A hozzászólás módosítva: Aug 22, 2015
Sziasztok!
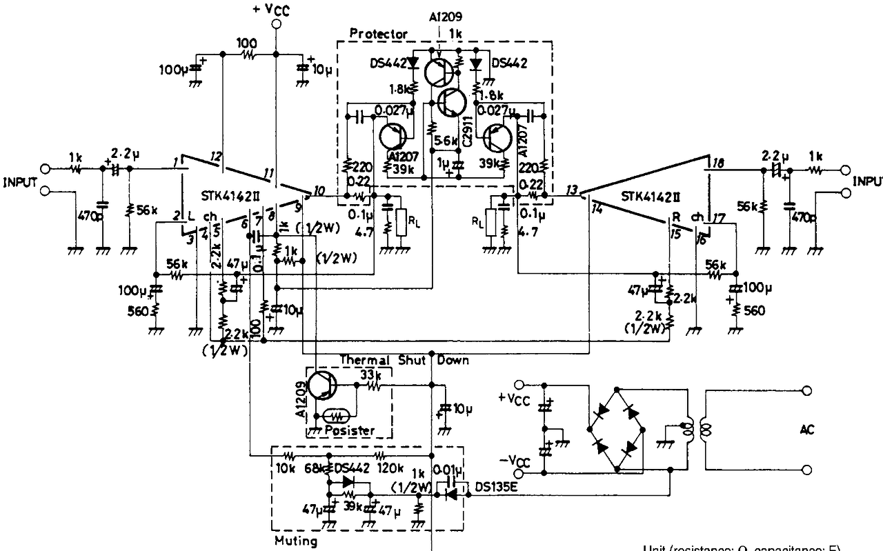
Tudna valaki segíteni .Van egy STK4142 II szeretnék egy erősítő kapcsolási rajzot és nyáktervet. megköszönöm előre is!
Tessék egy kis guglizás: Bővebben: Link
Szia! Szeretném megkérdezni érdemes e elkészíteni a rajzon látható némító és védelmi kapcsolást?
A hozzászólás módosítva: Szept 25, 2015
Sziasztok! Elkészítettem a fenti rajzon látható kapcsolást és azt szeretném tudni hogyan kössem be monóra van egy szimmetrikus tápom 220v 31v de ott sem tudom hogy kössem be. Segítsetek kérlek. a muting és a védelem nincs
A hozzászólás módosítva: Szept 26, 2015
Sziasztok! Találtam itthon 5-6 db RCC4558DX IC -ket tudnátok tippet adni lehet valamire használni erősítés pl?
Szia! Miért nem az Ez milyen alkatrész témában kérdezed? Bővebben: Link
Sziasztok! Szeretném megkérdezni ,hogy ehhez az STK4142 erősítőhöz lehet előerősítőt kapcsolni?
Sziasztok!
Van egy épített STK084-es erősítőm , gyári ajánlás van megépítve 4X 4 STk 084-essel. Az lenne a kérdésem ,hogy jól tudom-e hogy ha leszakad a kimeneti terhelés akkor lőttek az IC-nek? |
Bejelentkezés
Hirdetés |




...a kimeneten (13 láb) szépen felkúszik a feszültség -0,5V-ra és a HF védelem reléje is lekapcsolgat. Azért még itt megmértem a feszültségeket:
...Valószínűleg még értekezünk az 'átépítős projekt' közben is...Ismét köszi a tanácsokat/segítségedet!








