Fórum témák
» Több friss téma |
Fórum » Subwoofer szűrő
Sziasztok!
Hogy lehet a Subwoofer alul áteresztő szűrőt, egy aktív subwoofer-hez kötni úgy hogy az erősítőből kijövő jelből a mély hangot levágja, leszűrje, majd ezt az aktív mélyhez küldje?? (Nem tudom mennyire írtam le érthetően a kérdést, a lényeg az az, hogy van egy erősítőm melyből a mélyhang "hiányzik" nem jön ki belőle úgy ahogyan kell és szertnék építeni hozzá egy aktív mélyet.) Ehhez szertnék tanácsot vagy ötletet kérni... Mindkét kapcsolás itt van fent a HE-n. ( aktiv sub, és subwoofer alul áteresztő szűrő) El tudná valaki ezt mondani?? előre is köszi. üdv.: david
Üdv
Ha jól látom akkor TL074-el is megy? De ahogy nézegettem ennek az adatlapját ez is csak +-15V. Az lenne a kérdésem,hogy tudnátok e olyan IC-t ajánlani ami nem +-15V mert nekem pontosan +-15V jön ki a pufferek után és ez így nagyon húzós. Vagy nem? Bővebben: Link
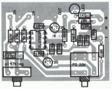
Sziasztok építette már meg valaki
ezt a 2.1 hangváltót? működik? mekkora max áram kell neki. És ez egyben egy Subwoofer szűrő is? Köszi
Sziasztok!
Mi a véleményetek erről a kapcsolásról? (Az baj, ha +-12V-ról megy majd?)
hogy csináltad meg hogy nem stereo potivan a kapcsolásodban? letudnád irnio vagy rajzolni?
hello
megtudnád nekem mondani vagy le tudnád rajzolni hogy ,hogy tetél stereo poti helyet be sima potit?
Hello! Megépíteném őt,de nem találok sehol 22k-s stereo potit,de 25k-at igen kérdésem lenne,hogy mit kellene változtatni,hogy 25k-s potit tudjak használni?!
Sziasztok!
Ha esetleg subfilterrel gond lenne ITT van egy egyszerű,nemtudom mennyire jó,nem építetem meg! Az 1. két kondenzátor nemtudom mien lehet! Szerintem azok is 150nF Üdv!
Én megépítettem. Elég jók a paraméterei, kb. 120Hz-nél szűr, elég meredeken. Az erősítő elé kell rakni, és csak a mély fog szólni, és nem kell utána passzív hangváltó.
Sziasztok!
A mellékelt sub szűrőt szeretném megépíteni egy KD mester által átdolgozott vf2 végfokhoz, az lenne az egyik kérdésem hogy szerintetek ez jó hozzá? A másik meg az hogy ha jól tudom ez +-12 Voltról üzemel!? hogy lehetne azt megoldani hogy +-38 Voltról menjen? köszönöm ha segítetek!
Fesz stab. ic-vel tudsz belőle +-12 voltot csinálni csak azt hiszem ilyen fesznél kell hozzá elötét ellenálás hogy 30 v alatt kapjon!
a 7812 meg a 7912 re gondolsz? és mekkora ellenállással lehet 38 voltból 30 at csinálni?
Hali! Én most építettem meg kb 10 perce lett kész tökéletesen működik nekem a 22K poti helyett 100K van de semmi külömbség később kezd el reagálni a potira. Magyarul negyed fordulatnál még semmit sem állít. szerintem jó lesz a 25K is. nagyon jó kapcsolás én sima 12v-os trafóval hajtom itt a rajz hogy hogyan.feszültség kétszerező
Sziasztok megépítettem a melékelt sub szűrőt.
Egy hidalt TDA7294 elé van berakva. a baj az vele hogy búg tőle az erősítő ha rákötöm a Creative 5.1 Hangkártya SUB kimenetét ha leveszem kussba van. Tápja egy 2x18 35VA puskás trafó. amit egyenyirányítás pufferelés után szűrök 100µF-es kondikkal. Ezután két stab IC 7812 és 7912 Itt is van kicsi gond mert nem egészen 12 Volt-ot ad le egyik 12 másik 11,8-11,9 (ez 7812 es). Szóval ha leveszem a jelet akkor nem búg de ha visszateszem akkor búg és ezzel együtt zavrja a többi erősítőt is. mit lehet tenni? Ha halkan hallgatom akkor zavaró csak. meg filmközbe. Köszi Idézet: „Ennek a rajza hol látható?” ..a kapcsolások között van..
Sziasztok én nem a kapcsolási rajz alapján építettem meg mert az nem egyezett ezzel.
Hanem a beültét alapján. ez alapján Próbáltam csatoló kondit rakni bemenetre kimenetre. 100nF 100V Vima kondit. aztán próbáltam 10µF elektrolit kondival is pluszba ugyan úgy búg. Ha ezt nem lehet megoldani akkor tud valaki olyan kapcsolást ami nem búgnak és 200Hz-ig engedne át. nem törvényszerü hogy szabályozható legyen. Köszi
Szia!
A helyzet úgy nézki hogy van egy Creative Live 24Bit USB hangkártyám ahhez cxsináltam 5.1 es erősítőt. Van benne 3 db erősítő. Elsőknek hátsóknak Vagy erősítő IC TDA7386 ez kb 4x40W a centernek van egy TDA1554q ez 2x25W. Ehhez a két IChez van egy 160VA 12V egyenirányítva 16V trafó Mélynyomóé a hidalt TDA7294 ehhez is van egy külön trafó 200VA +-40V al. Az elsők és hátsók elött van egy LM1036 előfok. És van a fent említett subszűrő. Ehhez van egy puskás trafó amit már írtam. TV-t csak a laptopról használom néha azt is ugy hogy kihúzom belőle az antennát. ezzel még nem is volt gond soha. A gond csak akkor kezdődik mikor jelet adok a szörőre. most tanácsokat kérek egyenlőre mert sajnos két hétig nem leszek otthon és nem tudok próbálkozni vele. Köszi
Hát igen a hálózat földjét kihagytm egy az egybe a játékból.tehát be sem vittem a dugajról.
Megrajzoltam Paintba hogy van elrendezve z erősítő Az erősítő IC-k egy nagy bordán vannak rajta de csillámmal elszigetelve tehát nincs áthúzás. Ha nem érthető a rajz irjatok! Várom ötleteket.
Hát eddig azon volt egy egy 12V-os Zener meg pár ellenállat ami nagy méretü volt és "elfűtötte" köztes feszt
![]() DE azzal is búgott egy kicsit tehát ha nem volt zene lehetett hallani mint ahogy most is.
Valami ötlet esetleg hogy lehetne bugás mentesítni?
Másik olvastam olyanról hogy galvanikus leválasztó? Ilyet hogy lehet csinálni? Köszi
Teszteld le ezt. Nem kell hozzá sok alkatrész.A kondik becsatoló kondik, 10µF tökéletes lesz.110-120Hz-nél vág, kb. 24dB-lel, ha jól emlékszem. (Nekem elegendő volt a meredekség, és a frekvencia is!) Mivel nem kell neki táp, ezért nem búghat. Talán még előerősíteni sem kell, ha szükséges, akkor a visszacsatoláson kellene változtatni, vagy egy műveleti erősítőt raksz elé vagy utána, és kész.
Sziasztok! egy sub filtert szeretnék épiteni és az lenne a kérdésem hogy mukodo képes lenne ez a kapcsolás??? es hogy milyen misnoségu lenne a kimeno jel? Megérné még épiteni? Elégé kezdo vagyok; legyszi segitsektek
Elore is koszi mindenkinek
mivel nem tudok csinálni,mert nem értek hozzá
ezért ha van vkinek eladó vagy készítene egyet nekem ,az írjon üzit és az árba megegyezünk!!!Köszi előre is
Sziasztok!
Bocsi mindenkitől de kezdő vagyok. Csak azt szeretném kérdezni hogy azon a szűrőn amit Oneill is épített azon mi a legmélyebb vágási frek? Ha valaki megírná azt megköszönném. Dávid
Hali.
Itt meg tudod nezni te is mert felkerult ide is. Amugy 30hz a legalso es 150 a legmagasabb. En is most akarok egy ilyenbe kezdeni.
Hali!
Írtad hogy ennek 110-120Hz körül van a vágási frekvenciája. Nem lehetne valahogy 50-80Hz körülire vágni vele? |
Bejelentkezés
Hirdetés |








ezért ha van vkinek eladó vagy készítene egyet nekem ,az írjon üzit és az árba megegyezünk!!!Köszi előre is 




