Fórum témák
» Több friss téma |
Fórum » Subwoofer szűrő
bár most hogy belegondolok valószínűleg a szűrő kimenetére
Így hogy beraktam az ellenállást csak felgyorsult a tüm-tüm. Nem tudom mi baja lehet. Na mindegy
Szia!
Építs egy komolyabbat pl ezt amit mellékeltem. van benne szint illesztés emelés is. fix ellenállásokból lehet kirakni az átengedési frekit. Nekem bejött. Üdv PeTi
hello valaki tud olyan szürő kapcsolást amiben a müveleti erösitőnek nem kell szimetrikus táp csak sima asszimetrikus.??
elöre is köszi! Ugye nem lopták el a shift gombot a tasztatúrádról? szamóca
Szia!
Itt van egy sima tápos. Nagyon nagyon jó a szűrő igaz fix frekvencia átengedésű. de nincs is szükség rá hogy szabályozható. van benne egy előerősítő rész is. Nem zajos szépen szól.
Sziasztok!
Megnéztem a kapcsolási rajzot, és a nyáktervet, és ezek alapján újraépítettem az egészet, kijavítva a hiányosságokat! Az volt általában a probléma, hogy a nyákterven több alkatrész van, mint a kapcsolási rajzon... Most felrakom mindkettőt, remélem nincs bennük hiba, így hajnal 2 felé ![]() Pontos nyákméret: 1.525 inch x 2.475 inch elvileg. Ha kell valakinek, akkor kiveszem a sok terv közül, és felrakom külön, szerkeszthető eagle fájlként is. A kondenzátorokat direkt nem raktam össze több kisebb darabból. A pontos értéket simán ki lehet rakni egymás lábára forrasztással. Egy érdekesség: Valaki nézze meg , hogy a beültetési rajzon a LED pont fordítva van bekötve szerintem a +12V-ra. Másik: A sztereó potit, ha a kapcsolási rajz alapján kötöm be, akkor egyáltalán nem azt a kapcsolást kapom, mint ami a nyákterven van... :no: Jól gatyába kellene rázni ezt a tervet, mert így nem piacképes Az általam felrakott tervek a nyákterv alapján lettek visszafejtve, az talán működik Szerk: Azért ilyen csúnyák a vezetősávok, mert törekedtem arra, hogy a lehető legjobban hasonlítson a vezetékezés az eredeti tervre! Kapcsolási rajz alapján százszor szebb nyáktervet is lehet készíteni. Üdv!
http://www.electronics-lab.com/projects/audio/008/index.html - Erről a kapcsolásról lenne szó (szinte az egész téma erről szól, de inkább belinkelem) !
Szerk: Az eredeti nyákon lévő LED világíthat egyáltalán? Mert a témában egyesek írták, hogy villog, meg stb... (Y)-t elfogadok Üdv!
Sziasztok szerintem ha jót akartok ezt a kapcsolást hanyagoljátok.
Szerintem zajos és összeszed mindent. nekem egyáltaláln nem jött be. amúgy a led simán világít viszont semmi szerepe nincs csak azért van hogy lásd hogy van fesz a nyákon. nembeszélve a szimmetrikus tápról... Amit kicsivel feljebb belinkeltem kapcsolás az tényleg jól működik. Aki szűrő építésen töri fejét annak nagyon tudom ajánlani. Üdv
Tényleg korrekt kapcsolás, nekem csak az hiányzik belőle, hogy potméter segítségével, egyszerűen lőjem be a mély felső határát. Ugyanis buliban, szabadtéren, és zárt szobában más frekvenciatartomány kell nekem... És az hogy nézne ki, hogy kivisszük az erősítőt, és a ládát a szabadba, és ott még (gondolom az erősítő belsejében) be kell kalibrálni a cuccot... Ki lehetne végülis vezetni az előlapra egy több állású forgatógombot, vagy több kapcsolót, de az több kábel, több lyuk az erősítő elején, stb... Számomra macerásabb. Egyébként még én is erősen filózok, hogy milyen kapcsolást építsek meg.
Valaki megnézné nekem, hogy ezen a beültetési képen a LED nem rosszul van bekötve? Tehát +12V -> 1.5k -> LED -> GND. És azért +12V, mert utána van egy 10ohm, ami a TL062 8-sd lábára megy, tehát a +Vs-re. Így elvileg nem világíthatna. Nem? Mert a saját tervemen megfordítottam a LED-et. Köszi szépen! Üdv!
Hali.
Itt irtal egy egyszeru melyszurorol, ami annyira egyszeru hogy meg en is tudnek hozza paneltervet csinalni ![]() Te megcsinaltad ezt, jol mukodott? Ja es hogyan lehet +-35v-bol +-12v-ot csinalni?
Ehhez még nyákterv sem kell. Akár össze is pókhálózhatod, annyira egyszerű! Jól működik, én megépítettem! Sajnos már régebben! Akkor egy 20cm-es Videoton hangszóró volt az erősítőre kötve. Viszont most minden nélkül hajtok egy bandpass ládát, és eléggé tetszik, hogy a 120Hz-et olyan erővel ontja magából, hogy nagyon! Ez akkor jó, ha inkább hangnyomást szeretnék. Viszont van olyanom, mikor inkább azt szeretem, mikor a húzós, 60-80Hz-es mélyek többségben vannak, és ezért akarok egy változtatható subfiltert építeni.
Tápfeszültség csökkentést vagy zeneres táppal tudsz elérni, vagy áteresztő tranzisztoros megoldással. A terhelhetőségtől függ, hogy melyik kell neked! Vicsys készített egy nagyon jó cikket, egy aktív mélyládához, abban megtalálható minden! A zeneres táp, subfilter is! Érdemes a cikkek között szétnézni! Üdv!
Sajna en nem talaltam meg azt a cikket, de talaltam mast, ahol 7812 feszültség stabilizátor IC-t ajanl. Tehat nekem is az kell. Illetve ha jol sejtem akkor kell egy 7812 a plusz agba es egy 7912 a minusz agba, igy lesz +-12V a 35V-bol. Ez igy jo lesz?
Sziasztok.
Feszcsökkentésre szimmetrikus tápnál és ekkora fesznél +-35-40 volt esetében NEM szabad 7812-7912-t használni mert a max árama 35 volt. és rettenetesen fűt már 30volton is. Szóval ebben az esetben Zeneres feszcsökkentés ajánlott. Kapcsolást itt találsz középen. Működik én is így használtam azt a szűrőt. és jól működik csak vigyázz az elektrolit kondik polaritására mert hamar ki lehet pukkasztani őket. Jó munkát hozzá.
Remélem ezt csak elírtad ember:
"...mert a max árama 35 volt..."
Persze hogy kerestem, atneztem az osszes cikket, mert azt irtad a cikkek kozott van, de ez a kapcsolasoknal van. Oke, ez nem mentseg, csak azert irtam mert valoban kerestem. Kossz a direkt linket, igy mar oke
igen oda jó a 12-15 voltos zener.
amúgy zpd15 az zener
12 es volt
de teljesen mind egy mit teszel bele 12vagy15jah az 1k ellenállás 1Wattos de inkább 2 wattos kell.
Ha megvan mostmár, akkor az a lényeg!
Használd egészséggel! Üdv!
Talaltam itt egy zeneres meretezot. Ha beirom a 35V bemenot meg 12V kimenot akkor 25mA aramra szamol kozelitoleg 1kohm es 575mW teljesitmenyu ellenallast. Tuti hogy eleg ennek a szuronek az a 25mA aram?
Szia!
Én lemértem mikor megépítettem labortápról. Leddel együtt vett fel 10mA-ert kivettem a ledet még felét sem. amúgy is led felesleg bele. Hidd el működik a rajz én több mint félévet hajtottam aztán lecseréltem egy fixre mert nem bírtam kiszedni a búgását...
A bugast? En azt hittem hibatlanul mukodott. Mostmar tenyleg kivancsi vagyok hogy nekem is fog e bugni mert mar mas is irta hogy bugott.
Akkor a lenyeg hogy eleg neki az aram. Kossz!
Üdv!
Egyáltalán nem kell hanyagolni ezt a kapcsolást! Megépítettem, és szuperül működik! Bár én még a második műveleti erősítőre kapcsolódó 4k7-re raktam egy 10k-s potit, hogy tudjam változtatni a kimenő frekvencia határát, de alapjában véve semmi búgás nem tapasztalható, ha normális tápról hajtjátok! Egyébként ne a nyáktervet használjátok, hanem inkább a kapcsolási rajzot, mert a nyákterven a sztereo poti teljesen máshogy van bekötve, mint kapcs. rajz szerint! Én mindkettőt kipróbáltam, és a kapcsolási rajz szerinti bekötésnél szabályoz rendesen! Én meg vagyok vele elégedve, korrekt kapcsolást! Ha pedig probléma a szimmetrikus táp, akkor használjatok egy 10k-10k-s feszültségosztót, így létrejön a féltápfeszültség a GND! Tesztelve! Üdv!
Hello.
Tudnal adni akkor kapcsolasi rajz szerinti, jo nyaktervet?
Egy oldallal visszább, ITT már felraktam. Működőképes. Eagle fájlt azért nem tudok adni, mert ez egy nagy nyákon van, amin van még ezer dolog... Egyébként át van tervezve, nem ez a nyák van megépítve. Ha a potik ki lesznek vezetékezve, akkor a kapcsolási rajz szerint vezetékezz! Az eredeti kapcsolási rajz megtalálható a linkem alatti hsz-omban! Egyebet nem kell változtatni...
Sziasztok!
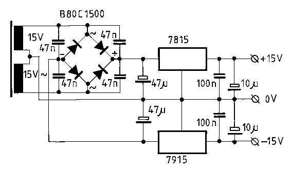
Látom itt a sub filterekkel meggyűlt a probléma. Az Ezermester újságban találhatóhoz fűzök most reményeket, mivel szeretném állítani a frekit. (Illetve egy egyszerűt akartam). Megpillantottam itt a fórumon is, de hiába keresem sehol nem akadok rá, hogy mi ezzel a kapcsolással a tapasztalat. Annyi a gondom, hogy csak szimpla tápom (trafóm) van, ebben a cuccban viszont +-15V a tápellátás. De tényleg építettem sok opamp-os kapcsolást, ahol 2 darab 100k -val van megosztva a fesz. Akkor itt is működne? Elég lenne szerintetek egy 7812 is vagy vennem kell mindenképp egy 7815 -öst? Szükség lenne emiatt ( -15V és gnd ) valami átalakításra?
Megcsináltam a nyák tervet az Ezermesteres Szub Bassz szűrőhöz! Alapul vettem egy másik kapcsolást ahol 2 darab 10K -s ellenállással és egy 47µF-es kondival oldják meg a feszültség osztást. A kérdésem, hogy így jó-e kapcsolás, a szimpla tápomhoz? (Esetleg valamit elcsesztem?) Az IC 4-es lába "-15V"... a 3-as lába 0V ahova Gnd-t tettem... a P1-es poti egyértelmű, de a P2 sztereó poti kissé zavarosnak tűnt, ezért raktam így a rajzba! a P1-es potinál lévő kondenzátor "22"-es jelzést kapott; ez piko-t jelenthet vagy esetleg 22n vagy 22uF? /mondjuk pikot vettem.../
|
Bejelentkezés
Hirdetés |

















