Fórum témák

» Több friss téma
Fórum » Szabályozható táp készítés (egyszerű)
Lapozás: OK   2 / 3
(#) pb hozzászólása Dec 11, 2007 /
 
helló
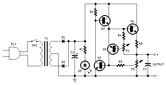
ezen a kapcsoláson valahogy meg lehetne csinálni hogy ne 2amper legyen a kimenő áramkorlát hanem 3amper??
(#) mex válasza pb hozzászólására (») Dec 11, 2007 /
 
Az R5-öt kell kisebb értékűre cserélni.
(#) patexati válasza Istuuu hozzászólására (») Dec 11, 2007 /
 
Ezt nekem nagyon bevállt és nem is bonyolult!Szinte tönkretehetetlen!
(#) pb válasza mex hozzászólására (») Dec 11, 2007 /
 
helló
az r5 értéke így is csak 1ohm 5watt
miet tegyek akkor bele??
(#) mex válasza pb hozzászólására (») Dec 11, 2007 /
 
0.68ohm 5W
(#) pb válasza mex hozzászólására (») Dec 11, 2007 /
 
és akkor kijön a 3amper?
meg itthol perpill 0,33ohm 5watt van az is jó??
és azzal mennyi jönne ki??

Köszi
(#) Medve válasza pb hozzászólására (») Dec 11, 2007 /
 
Hello, ez igy van rendjén, a számítás szerint 0,6 Ohm kellene.
0,33-ra arányosítva 6A de én sokallom a 2V feszültségesést...
(#) pb válasza Medve hozzászólására (») Dec 11, 2007 /
 
és ha a 0,33ohmosat teszem bele akkor mi lenne?
vagy akkor mennyi jönne ki?

Köszi
(#) Medve válasza pb hozzászólására (») Dec 11, 2007 /
 
Én azt mondom, fölösleges tovább számolgatni, nem egy nagy dolog, rakd össze, s kisérletezz az 1 Ohm alatti ellenállásokkal. Van még ott egy potival soros R is, az is beleszólhat...s hűtsd a tranyót rendesen, esetleg tégy oda egy erősebbet, pl 2n3055-öt
(#) pb válasza Medve hozzászólására (») Dec 11, 2007 /
 
2n3055-ös tranyó van ott csak még csak félig van kész mert erre felé nem lehet kapni olyan potit ami bele való lenne de azért köszi
(#) aflmor válasza pb hozzászólására (») Dec 11, 2007 /
 
Míg lesz potid, próbához tegyél bele fix ellenállásokból osztót. ...addig sem áll a project!
(#) mex válasza pb hozzászólására (») Dec 11, 2007 /
 
Gyöngyösön két boltban is kaphatsz potit...
(#) pb válasza mex hozzászólására (») Dec 11, 2007 /
 
gyöngyösön meikben??
mert az r+l elktronikában nints a másik meik lenne???
(#) mex válasza pb hozzászólására (») Dec 11, 2007 /
 
K+K. De ne offoljunk. Irj privit.
(#) bubu válasza pb hozzászólására (») Dec 24, 2007 /
 
Már bocs de legszerényebb tudásom szeint ha sorba kötsz 2 db 0,33ohm-os ellenállást akkor összegződik (0,66ohm)...
(#) tamitsrob hozzászólása Jan 18, 2008 /
 
Helló!
Egy egyszerű ötlet kéne hogy hogyan szabályozzam a 12V-os tápegység feszültségét?
taéán potival? de mekkora kell
egykészi kis fúrohoz kellene hogy ne pörögjön mindig teljes fordulaton.
előre is köszi.
(#) csonthulye hozzászólása Jan 18, 2008 /
 
Helló!

Szeretném megtudni hogy van e valakinek olyan táp kapcsolása, ami szimetrikus tápra van, és szabályozható feszöltégű- lehetőleg minden extrával-rövidzárvédelem, áramkorlát- és minél szélesebb feszültséghatárokkal ... Kijelző meg ilyesmi nem kell hozzá. Keresgéltem, de nem nagyon láttam ilyet- ha egyátalán meg lehet oldani
(#) fongab válasza csonthulye hozzászólására (») Jan 18, 2008 /
 
Bármelyik tápot választhatod.

Csak a beállító/kezelő potit válaszd sztereó potinak.

Csak az a kérdés hogy ha a negatív oldalra beállítasz, 2,5A akkor, a pozitív oldalon elég ez? Vagy sok? esetleg, kevés?
(#) csonthulye válasza fongab hozzászólására (») Jan 18, 2008 /
 
Értem. Közben már agyaltam és rájöttem hogy igy kéne valahogy... De mindenképpen köszi a választ. Egyébként ehhez a kapcsoláshoz mit szóltok? Táp
(#) csonthulye hozzászólása Jan 18, 2008 /
 
Bár ha jobban belegondolok, nem is kell 10A. Simán elég az 5A. De a 2-30,40V az kellene...
(#) Pafi válasza csonthulye hozzászólására (») Jan 18, 2008 /
 
Van vele egy probléma: ha túl gyorsan csavarod le a feszültséget, vagy a kimenetére külső forrásból nagyobb feszültséget kapcsolsz, akkor elszáll.

Ebben már benne van a védelem ez ellen.
(#) szasza10 hozzászólása Jan 18, 2008 /
 
Tud valaki kapcs.rajzot adni olyan tápról aminek a bemenetén 230V megybe,de például:csak 0-25 volt jönne ki?
Előer megköszönném
(#) szasza10 válasza szasza10 hozzászólására (») Jan 18, 2008 /
 
Azt elfelejtettem hogy a lehető legegyszerübb jönne a legjobban...Azt talán meg tudom csinálni
(#) (Felhasználó 3343) hozzászólása Feb 6, 2008 /
 
Üdv! Találtam egy jó kis project-et Variable Dual LAB Power Supply Szerintem ez a táp nem tartozik bonyolultak közé és még a tulajdonságai is megfelelőek lennék nekem. Valaki látta már vagy építette meg ezt a tápot?? Én a közel jövőben lehetséges hogy megépítem!!
(#) Medve válasza (Felhasználó 3343) hozzászólására (») Feb 6, 2008 /
 
Én (is) készítettem már ilyet, R1,R2: 240 Ohm, A potik: 5k...Működik.
(#) G.G. hozzászólása Jan 9, 2011 /
 
Hali

Engem az a kérdés foglalkoztat hogy 1db lm317-es IC-t lehet-e müveleti erősítővel vezérelni?

A lényeg hogy egy TÓL - IG feszültség szabályzást kevesebb ellenállás változással szeretnék elérni mint ami az adatlapban van.

Történetesen ha egy hömérsékletfügő szabályzásról van szó. Ami kis szabályzási sávban müködik (20Cfok). A höérzékelö ellenállásváltozása tul kicsi ahoz hogy elegendö mértékben szabályozon egy fesz stab IC-t.

Kézenfekvö megoldás lenne egy müveleti erösítö. de megoldható-e?
(#) kadarist válasza G.G. hozzászólására (») Jan 9, 2011 /
 
Szia!
Nézz be ide.
(#) (Felhasználó 51715) hozzászólása Nov 2, 2011 /
 
Sziasztok!

Ezt a kapcsolást szeretném megépíteni, de nincsen 24V-os trafóm, csak 37V-os.
Mit változtassak az áramkörön ahhoz, hogy működjön?
Ha nem változtatok semmit, akkor is fog működni?
Előre is köszi.
(#) pucuka válasza (Felhasználó 51715) hozzászólására (») Nov 2, 2011 /
 
A 723 40 V tápfeszt tud max. Ehhez a 37 V egyenirányítva terheletlenül 52V, ami sok, a tápfeszét 40 V -ra stabilizálni kellene. A 2N3055 feszültség szempontjából határeset, a 60 V Uce feszültség éppen elegendő, de semmi tartalék. A disszipációhoz pedig 3 db, valamint nagyobb Uce feszültségű tranzisztor kellene. Első pillantásra ennyi.
(#) (Felhasználó 51715) válasza pucuka hozzászólására (») Nov 2, 2011 /
 
Köszi a választ, inkább keresgélek valahol egy megfelelőbb trafót.
Következő: »»   2 / 3
Bejelentkezés

Belépés

Hirdetés
XDT.hu
Az oldalon sütiket használunk a helyes működéshez. Bővebb információt az adatvédelmi szabályzatban olvashatsz. Megértettem