Fórum témák
» Több friss téma |
Felmerült egy újabb dolog.
Adott ugye a 37VAC, amiből kellene 15VDC-t csinálni. Nézegettem az LM 2576 HVT-ADJ IC-t, mert tudja azt, ami nekem kell(3A,15V ki, nagy input voltage). Viszont az ára nagyon húzós, szeretném kicsit csökkenteni a költségeket. Az eddig általam nézett feszültségszabályozóknak mind olyan V bemenet kell, amit az általad említett 52VDC messze túlhalad, hogyan tudnám konvertálni ezt az 52VDC-t 15V-ra anélkül, hogy méregdrága(1500 Ft) IC-t kelljen hozzá vennem? Bárki segítségét megköszönöm.
Ez a projekt fillérekből kihozható, főleg ha fix feszültségre és csak 3A-re kell (lehet egyszerüsíteni). Cserébe, sok munkával jár megcsinálni, jóval nagyobb méretü lesz mint az LM2576-ból felépített áramkör, viszont ennek sokkal jobb a hatásfoka mint az LM-nek.
Ha az IC árát meg szeretnéd spórolni, nyilván nagyobb lesz a NYÁK-od, mert más egyéb kiegészítők kellenek mellé. Ha ez nem gond, akkor:
- keress valamilyen TL494-hez való kapcsolást, amiben külső kapcsolóelemet használnak (mondjuk valamilyen FET-et) - használj LM2574-et, mint vezérlő IC-t és ehhez applikálj külső kapcsolóelemet (az LM2574 az LM2576 "kistestvére", de csak 0,5 A-es ha jól emlékszem és sokkal olcsóbb) Konktrét kapcsolásokat sajna nem tudok adni.
Köszönöm a válaszokat, van otthon TL494 IC-m, nézek hozzá kapcsolást.
Ebben a kapcsolásban a 100uH-s tekercs milyen fajtájú?
Ez jó lenne ide? http://www.hestore.hu/prod_10021217.html
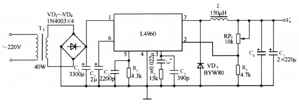
Találtam egy IC-t otthon, ami megfelel az elvárt paramétereknek(nagy bemeneti fesz, legalább 2A kimeneti áram), egy L4960 személyében. Találtam hozzá megfelelő kapcsolást is, csak nem vagyok biztos benne, hogy jó lenne -e ez egy erősítőhöz, szabvány 50Hz-es trafóval.
Szerinted? Az előnye mindenképpen a költséghatékonyság, viszont csak 1 db van belőle, és nem úgy tűnik, hogy könnyen beszerezhető, vagy lenne helyettesítője.
Egy TDA1557 sztereo kapcsolásom van, viszont csupa olyan trafóm hozzá, aminek túl nagy a feszültsége. Ezért kellene egy konverter kapcsolás(és nem a stabilizáció), ami előállítja nekem ezt a 15-18V-t. A Transzformátor információ topikban leírtam, milyen trafóim vannak, de abból az egyiket másra használom fel, a másik pedig túl kicsi teljesítményű ahhoz, hogy elvigyen egy 44W-os erősítőt. Maradnak olyanok, amiknek a kimenő feszültsége 40VDC körül vannak, ehhez a feszültséghez kell az L4960-as IC, mert az bírja a 40V-ot.
Csak abban nem vagyok biztos, hogy ez az IC alkalmas -e arra, hogy megfelelő minőségű tápot lehessen belőle készíteni egy erősítőnek, azaz nem fog -e zúgni vagy hasonló. Eddig még nem foglalkoztam tápegységekkel, ezért a tanácstalanság.
Szerencsére az a 40V már átszámított, tehát az már DC (28VAC), és elég nagy is ahhoz, hogy talán elvisz 44W-ot.
![]() Ha hazamegyek akkor megpróbálom megmérni a magméretet. Tudom, hogy nem kellene ennyit spórolnom egy erősítőn, mert akkor csak gyenge minőségű lesz, de több ezernyi bontott alkatrészem van otthon, és jó lenne valamit hasznosítani is.
Szia ennek a tápnak a kapcsi rajzát felraknád ? Érdekelne a kijelző kezelés is.
Sziasztok!
12 Voltos akksiról szeretnék egyszerű tápot 8,5-9,6 Volt kimenő feszültségre, 3A csúcs, átlag 0,5 A terhelésre. Régen készítettem én ilyesmit hagyományos stab. kockából egy BD249 féle tranzisztorral megfejelve, de most sehol sem találok konkrét rajzot. Minden segítséget köszönettel fogadok!
Köszönet! Lényegesen jobb megoldás, mint amit kerestem.
Üdv.
Szeretnék gy tápot készíteni aminek állítható kimenő feszültség valamint van benne áramkorlát is 24V os trafóm van ehhez kéne egy kapcsolás tudna segíteni valaki ?
Elolvastad ezt a 'temérdek' 3 oldalt, megnézted a képeit a témának? Egyszerű labortáp témát is? Mekkora áramot tud a trafód? Milyen alkatrészed van hozzá? Pl. egy xx723-as?
A Labortápegység téma rajzai közt a 47. lapon találsz egyszerűt. A hozzászólás módosítva: Jan 7, 2016
Sziasztok!
Összeállítottam egy szabályozható tápegységet LM2576-al az adatlapjában található kapcsolás szerint. Annyiban tértem el az eredeti kapcsolástól, hogy a kimenő feszültséget 25V-ig tudom állítani és a 150 uH helyett 170 uH a tekercs induktivitása. Az a problémám, hogy egy 12V-os 20w-os halogén izzóval terhelve a 12V-ra beállított kimenő feszültség 10,8V-ra esik vissza. A feszültség kisebb terhelésre is esik, pl: 120 Ohm-os ellenállásnál 12V-ról 11,8V-ra. Ez mennyire normális ennél az IC-nél? A hozzászólás módosítva: Márc 10, 2016
Az opcionális szűrőt is beépítetted? Ha igen, milyen huzalvastagsággal?
A szűrőt még nem tettem bele, egyelőre csak próbapanelen van összerakva.
A hozzászólás módosítva: Márc 10, 2016
Azért kérdeztem rá az opcionális szűrőre, mert ha beépíted és túl vékony a huzal, az művelhet ilyen csodákat.
Így viszont nincs tippem.
Köszönöm, én még tovább kísérletezem, lerövidítem a vezetékeket, kicserélem az alkatrészeket stb.
|
Bejelentkezés
Hirdetés |








Így viszont nincs tippem. 




