Fórum témák

» Több friss téma
Fórum » Szív alakú villogó
 
Témaindító: sasorr, idő: Feb 4, 2006
Témakörök:
Lapozás: OK   5 / 6
(#) _JANI_ válasza szucsero hozzászólására (») Dec 28, 2010 /
 
Vagyis minden sorban egy LED-et kellett kiiktatni és úgy működik rendesen a kapcsolás!?
Ez vagy alacsony tápfeszültségre utal, vagy nagyobb a LED-ek nyitófeszültsége mint amire az áramkör méretezve lett. A túl kicsi kollektor áramtól is leállhat az oszcilláció.
(#) szucsero válasza _JANI_ hozzászólására (») Dec 29, 2010 /
 
Igen! Az áramforrás nagyon kevés volt , ugyanis lehet hogy kinevettek, de elmondom!! Egy olyan 9V os elemet adtam oda amiben volt még 7 volt de belső kör árama meg már 40 mA és ez így hihetetlen kevésnek bizonyult! Egyszóval egy nem teljes elemet adtam oda,így a teljesítmény is kisebb volt!! Köszönöm, hogy felnyitottad a szememet a legalapvetőbb problémára!!
(#) _JANI_ válasza szucsero hozzászólására (») Dec 29, 2010 /
 
Szívesen!
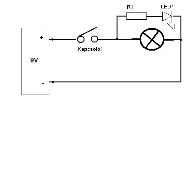
(#) szucsero hozzászólása Jan 3, 2011 /
 
Sziasztok!!

Hogyan kössem be a billenő kapcoslót a 9V os elemre?Tudnátok egy kapcsolást mutatni vagy tanácsot adni?

Előre is köszi!!!
(#) _JANI_ válasza szucsero hozzászólására (») Jan 3, 2011 /
 
Sorosan.
(#) Vikesz92 hozzászólása Jan 18, 2011 /
 
Sziasztok!

A hobbielektronikás kapcsolást szeretném meg építeni, bementem a boltba hogy megrendeljék nekem az alkatrészeket, leírtam nekik azt a 3 Tranzisztor jelölését ami le van írva de azt mondták kevés.

Tudnátok segíteni mit írhatnék nekik le még?

Szív.jpg
    
(#) zolika60 válasza Vikesz92 hozzászólására (») Jan 18, 2011 /
 
Mind a két tanzisztor BC183 B. Ha ez kevés keress másik boltot.
(#) laszlokunstar válasza Vikesz92 hozzászólására (») Jan 18, 2011 /
 
Szinte bármilyen NPN tranzisztorral amit a fiókban találsz, illetve aminek az Ic kollektorárama nagyobb 0,1 A-nél.
Például ezzel: Bővebben: Link
Illetve az általad küldött képen is ez van "vagy hasonló"
(#) Vikesz92 válasza laszlokunstar hozzászólására (») Jan 18, 2011 /
 
Köszönöm a segítséget.
Még nem vagyok annyira benne a tranzisztorok világába de utánunk nézek még.
(#) Vikesz92 hozzászólása Feb 5, 2011 /
 
Sziasztok!

Nekem is sikerült végre megépíteni a szívet Nyák nélküli változat lett a nyák terv alapján. Remélem majd sikert arat.
(#) Coolbass hozzászólása Márc 10, 2011 /
 
Hali ! Én azt építettem meg amit Dzót küldött kapcsolási rajzot,de az a baja,h csak a külső szív sor világít egyfolytában és nem villog felváltva a két szív. Minden jó benne,nem tudnátok ötleteket mi lehet a baja?
(#) ármin27 válasza Coolbass hozzászólására (») Márc 12, 2011 /
 
Szerbusz!
Nekem egyik osztálytársam rakott össze egy ilyen szívet és neki is hasonló problémája volt, hogy egyfolytában világított egy adott része, míg másik része nem, majd egypár újraforrasztás után már villogtak az addig csak folyton világított rész. Végül majdnem az összes forrasztás átforrasztása segített neki! Tehát javaslom a forrasztásaid áttekintését! Én összeraktam magamnak lég szerelve már két szívet is amelyek elsőre tökéletesen működtek! Mivel extra fényerős LED-eket használtam, ezért szükséges volt az előtétek értékének csökkentése és a kondenzátorok értékének növelése! A szíveket az általam átalakított dobozba helyeztem el. Teszek fel róla képeket, hogy hátha majd valaki ötletet merít belőle.
(#) Coolbass válasza ármin27 hozzászólására (») Márc 18, 2011 /
 
Nekem 22 mikro farád / 16 V-os kondik vannak benne. Nagyobbra kéne csernélnem? Az extra fényű LED-ek előtét ellenállásai pedig 1,2 KOhm-osak.
(#) ármin27 válasza Coolbass hozzászólására (») Márc 19, 2011 /
 
Szerbusz!
Az én LED-jeim, ha jól emlékszem 1000mCd vagy 1200mCd-lásak. Az előtét ellenállásokat lecsökkentetem én az eredeti 560R-ról 1R-ra a maximális fényerőeléréséhez! Ennek következtében a két szív villogásának sebessége drasztikusan felgyorsult, ezért két lehetőség közül választhattam. Az egyik hogy a két darab 33kOhm-os ellenállás értékét lecsökkentem vagy a két darab 2,2µF-os kondenzátor értékét növelem, mindaddig míg a számomra megfelelő villogási sebességet el nem érik a szívek! Én az utóbbi módszert választottam! Amúgy kondenzátorodnál a minimális 16V-os fajta tökéletesen megfelel!

A képeket a szívekről hétfőn, mihelyt van időm feltöltöm!

Üdv: Ármin27
(#) Coolbass válasza ármin27 hozzászólására (») Márc 21, 2011 /
 
Köszönöm a válaszokat !
(#) ármin27 válasza Coolbass hozzászólására (») Márc 22, 2011 /
 
Üdv mindenkinek ime az igért képeim és egy videom hozzá! A videón az alsó szív a normál féényerővel működő a felső képenmeg az extra fényerőn üzemelő szív látható.
Üdv: Ármin27
(#) Coolbass válasza ármin27 hozzászólására (») Márc 29, 2011 /
 
Ármin kérlek segíts ! Ebbe az áramkörbe jó ha BC212B-t vagy BC516-os tranzisztort teszek ? Válaszod előre is köszönöm !
(#) ármin27 válasza Coolbass hozzászólására (») Márc 30, 2011 /
 
Szia Coolbass!
Az általad felsorolt két tranzisztor közül egyik sem megfelelő, mert azok PNP tranzisztorok és neked NPN tranzisztor jó csak!
Üdv: Ármin27
(#) cucu26 hozzászólása Nov 27, 2011 /
 
Sziasztok! " ledes villogó alapkapcsolását csináltam meg erősebb tranzisztorra ! Szgéptápból Bányásztam ki 2 tranzisztort ! (E13007-2 est ) a felírat és a szív külön villog Mellékelem a képet (Elég tré minőségű képek telóval készültek) Üdvözlettel CuCu26
A hozzászólás módosítva: Dec 10, 2013
(#) raptor666 hozzászólása Dec 13, 2013 /
 
Sziasztok! Én hasonlót szeretnék mint a cucu26 Kép097.jpg -t csak én a nevet Dorinát szeretnék tehát Szívben: Dorina kellene 1: villogó-s kapcsolás hozzá és kellene 1 sima ahol csak világít! kis ki-be kapcsolóval.

Kezdő elektronikai műszerész vagyok. és még nem teljesen tudom hogy állhatnék hozzá...
Ezért még kérem írjátok össze hogy mennyi db kell miből. előre is köszönöm!
(#) icserny válasza raptor666 hozzászólására (») Dec 13, 2013 /
 
Ebben a hozzászólásban is találsz egy kapcsolást. Emitt pedig egy leírást a villogóról. A többi már csak fantázia és teljesítményillesztés kérdése...
A hozzászólás módosítva: Dec 13, 2013
(#) raptor666 válasza icserny hozzászólására (») Dec 13, 2013 /
 
Ezt értem... De én annyira még nem értek hozzá! :// és én 9V-os elemről akarom üzemeltetni...
(#) tothbence hozzászólása Jan 21, 2014 /
 
Sziasztok!

Az alábbi készüléket szeretném megépíteni:
Dobogó szív

A következő alkatrészeket válogattam hozzá össze:
NE 555
Lemezes IC foglalat
Trimmer potenciométer
150 R 1% Fémréteg ellenállás
24 R 1% Fémréteg ellenállás
4,7 K 1% Fémréteg ellenállás
470 R 1% Fémréteg ellenállás
2,2 K 1% Fémréteg ellenállás
220 µF / 16V ELCO RADIAL
LED 3 mm PIROS, diffúz
Próba NYÁK
Elemcsatlakozó klipsz 9V

Az ellenállásokban nagyon nem vagyok biztos, illetve nem találtam 6,3V-os kondenzátort.

Tudnátok segíteni abban, hogy a fenti alkatrészek jók lesznek-e, továbbá ha nem, akkor mivel kéne helyettesíteni?

Segítségeteket előre is köszönöm!

Bence
(#) maria hozzászólása Feb 9, 2014 /
 
En is csinaltam ilyet!!!Tessek par kep:
(A mukodoeserol egy kicsit kesobb mert meg nem forrasztottam be!!!)
(#) bbb hozzászólása Feb 14, 2014 /
 
Sziasztok!

Egy kis önreklám... Én is készítettem egy szív alakú villogót: honlapomon
Kb. 37*38mm 0805-ös ledekkel, SMD kivitelben minden. Az elemről sokáig megy (készenléti állapotban mikroamperes, villogás közben pár miliamperes fogyasztással)
(#) maria hozzászólása Feb 15, 2014 /
 
Ahogy igertem a mukodeserol par kep!
(akit erdekel uzenetben irjon es elkuldom a kapcs.-rajzat es a nyak tervet!)
(#) pisti1996 hozzászólása Dec 18, 2014 /
 
csumika elkerhetem a semat a tervet a bekotesnek koszi elore is
(#) zenetom válasza pisti1996 hozzászólására (») Dec 18, 2014 /
 
Haló!
Igen.
(#) zolek hozzászólása Nov 18, 2015 /
 
Üdv. Neten találtam, megosztom veletek . A szív nem a legszebbre sikerült.
A hozzászólás módosítva: Nov 18, 2015
(#) kezdoke hozzászólása Ápr 3, 2016 /
 
Mutatom az én munkámat
Következő: »»   5 / 6
Bejelentkezés

Belépés

Hirdetés
XDT.hu
Az oldalon sütiket használunk a helyes működéshez. Bővebb információt az adatvédelmi szabályzatban olvashatsz. Megértettem