Fórum témák

» Több friss téma
Fórum » TDA1558Q
 
Témaindító: Vassjozsef01, idő: Ápr 2, 2008
Témakörök:
Lapozás: OK   26 / 28
(#) reloop válasza Lüke Aladár hozzászólására (») Dec 25, 2013 /
 
Szia! A relétől azért egy kicsit finomabb átmenettel is lehetne a némítást és a készenlétet vezérelni, mondjuk ilyen módon. Akár a 22µF-et akár a 22k-t nagyobbra cseréled, még kevesebb tranziensre számíthatsz
(#) speed008 hozzászólása Jan 13, 2014 /
 
Sziasztok!

Után építettem a tervek alapján egy hidalt verziót.
Olyan problémám lenne, hogy egy motor aksiról tesztelem, egy autós SAL mélynyomóba kerül aminek meghalt a beépített erősítője. A hangszóró dupla tekercse ezért választottam ezt.

Olyan problémám lenne, hogy ha egy tápról hajtom meg az erősítőt és a hangváltót akkor valószínűleg földhurok keletkezik és a hangszórót lengeti ki-be.
Ha az erősítőt pl laptopról hajtom tökéletesen szuperál.

Találkozott valaki ilyen esettel, illetve valakinek lenne ötlete hogyan lehetne orvosolni a problémámat?
(#) titi válasza speed008 hozzászólására (») Jan 13, 2014 /
 
Hali!
Egy rajzot dobhatnál, hogy miként is van összekötve a dolog.
Viszont ha valóban földhurok, akkor annak van témája, ott találsz megoldást is.
(#) speed008 válasza titi hozzászólására (») Jan 13, 2014 /
 
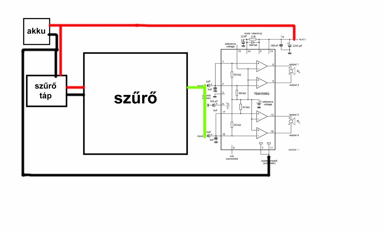
Így van öszerakva
(#) titi válasza speed008 hozzászólására (») Jan 13, 2014 /
 
Nem világos, hogy mi ez a szűrő táp... illetve a jelvezetékeket is berajzolhatnád.
Azt hogy érted, hogy a végfokot laptopról hajtod meg? Onnan kap tápot? Vagy úgy érted, hogy onnan kapja a jelet?
(#) speed008 válasza titi hozzászólására (») Jan 13, 2014 /
 
Szia!

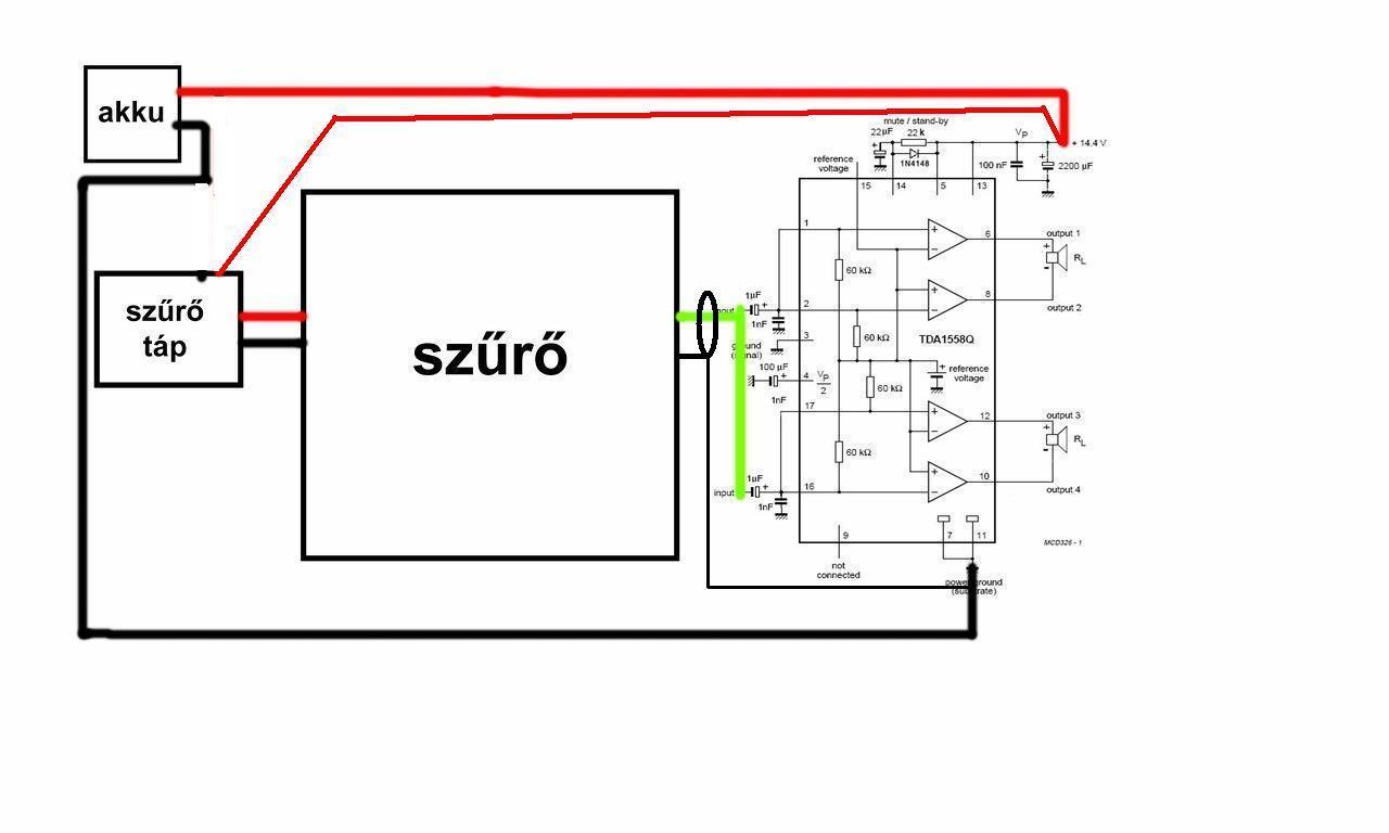
A szűrő egy SAL aktiv hangfalé. Kocsiba lesz csak megpukkant a végfok. Az a szűrővel van egybe, csak a feszt osztja neki le. A jelvezeték a zöld a két panel között. A szűrőre a jelkábel a laptopomról megy. A jelkábel árnyékolása el van választva a negatív tól.
A végfok és a szűrő aksiról megy.
Ha a szűrőt rá kötöm a házimozira, akkor nincsen baj, megy szépen. Ha a végfokot hajtom meg másról tökéletes, amikor összekötöm a meleg pontokat a panelok között onnantól indul meg a baj.
Valószínűleg földhurok lesz vagy valami.
A membrán ki-be jár. A hangerő változtatásával változik a frekvencia. Mind ez 0 bemenetnél is.
(#) titi válasza speed008 hozzászólására (») Jan 13, 2014 /
 
A szűrő és az erősítő között, a jelfölddel mi a helyzet?
A szűrő testpontja össze van kötve az erősítővel és az akkuval, vagy a közbeszól a szűrőtáp? Mert a rajz szerint ezt látom.
(#) speed008 válasza titi hozzászólására (») Jan 13, 2014 /
 
A szűrő tet pontja átmegy a szűrőn és megy az aksira.
A jelföld a negatív ér ezt külön nem viszem, mert a jelföld rá van kötve mind a két panelon a nullára
(#) titi válasza speed008 hozzászólására (») Jan 13, 2014 /
 
Akkor javaslom nézz szét a földhurok topikban.
(#) speed008 válasza titi hozzászólására (») Jan 13, 2014 /
 
Rendben van megteszem.

Köszönöm szépen!
(#) titi válasza speed008 hozzászólására (») Jan 13, 2014 /
 
Azért majd jelezz, hogy sikerült-e megoldani, ha nem, még kivesézzük...
(#) speed008 válasza titi hozzászólására (») Jan 13, 2014 /
 
Rendben van! Írtam a földhurkos témába, eddig még nem érkezett olyan válasz. Ha lesz valami jelzek.
(#) speed008 válasza titi hozzászólására (») Jan 14, 2014 /
 
Szia!
Sikeres megoldásra került a probléma.
Csak földhurok volt ami így jelentkezett.
A földhurkos témába lukacsp kolléga segítsége alapján bekötöttem és lőn világosság működik.
Össze rakva falakat remegtet
(#) titi válasza speed008 hozzászólására (») Jan 14, 2014 /
 
Örülök, hogy megoldódott, és hogy visszajeleztél! Azért a házat ne bontsd le...
(#) zut hozzászólása Jan 23, 2014 /
 
valaki meg tudná mondani miért nem tudok képet felrakni?
(#) reloop válasza zut hozzászólására (») Jan 23, 2014 /
 
Nagyobb mint 2Mb.
(#) zut válasza reloop hozzászólására (») Jan 24, 2014 /
 
nem nagyobb! (1.37mb)
egyébként az lenne a kérdésem hogy a titi által közzétett nyákterveket kell e tükrözni?
választ köszi
(#) zut hozzászólása Jan 24, 2014 /
 
csatoltam egy word fáljt . Azt szeretném kérdezni hogy (a benne lévő tervet) ha ezt így nyomtatom ki (tükrözés nélkül) akkor ha azt rávasalom akkor az úgy jó?
A hozzászólás módosítva: Jan 24, 2014

Dok1.doc
    
(#) reloop válasza zut hozzászólására (») Jan 24, 2014 /
 
Azon múlik, hogy vasalni vagy fotózni szeretnéd. El tudod magad is dönteni, a "titi" felirat olvasható legyen a rézoldalon!
Látom másik rajzot használsz, erről beszélek.
A hozzászólás módosítva: Jan 24, 2014
(#) zut hozzászólása Jan 24, 2014 /
 
köszi
(#) speed008 hozzászólása Feb 1, 2014 /
 
Sziasztok!
Érdeklődnék, hogy ha a két hangszórós verziót szeretném még hidalni mit kell tennem? Külön elektronika kell? Vagy megoldható egyéb módon is?
(#) titi válasza speed008 hozzászólására (») Feb 1, 2014 /
 
Szia!
Semmit nem kell tenned, mert a két hangszórós verzió eleve hidalt, azt már nem lehet tovább hidalni.
(#) speed008 válasza titi hozzászólására (») Feb 1, 2014 /
 
De én úgy szeretném, hogy csak egy hangszóró legyen.
(#) titi válasza speed008 hozzászólására (») Feb 1, 2014 /
 
Akkor csak az egyik felét használod, de hidalni nem lehet.
Ha nem érted, olvass utána, hogyan működik ez a hidalás.
(#) reloop válasza speed008 hozzászólására (») Feb 1, 2014 /
 
A két híd párhuzamosítása is meg volt már, semmi látványos eredményt nem sikerült kicsikarni belőle.
(#) speed008 válasza reloop hozzászólására (») Feb 1, 2014 /
 
Akkor az elkészült erősítő egyik felét használjam csak?
Az nem okoz problémát?
Egy mélynyomóba lenne használva?
Vagy közösítsem a + én - kimenetet?
(#) reloop válasza speed008 hozzászólására (») Feb 1, 2014 /
 
A nem használt oldal bemenetét csatold testre.
(#) speed008 válasza reloop hozzászólására (») Feb 1, 2014 /
 
Esetleg ha párhuzamosítani akarnám a két kimenetet mit kell tennem? Vagy annyira nem érdemes, hogy hanyagoljam?
(#) zut hozzászólása Feb 6, 2014 /
 
én nem tudom, de ha azt csinálnád hogy az első kimenetet a másik bemenetére kötnéd.....?
(#) abacs hozzászólása Márc 16, 2014 /
 
vkinek nincs egy 1558Q-hoz valo hangszabalyzo nyak- es beultetesi terve?
elore is koszonon!
Következő: »»   26 / 28
Bejelentkezés

Belépés

Hirdetés
XDT.hu
Az oldalon sütiket használunk a helyes működéshez. Bővebb információt az adatvédelmi szabályzatban olvashatsz. Megértettem