Fórum témák
» Több friss téma |
Köszönöm a választ. Akkor ezek szerint, a GND nem a úgymond nullvezető, visszatérő, hanem a + és - tápágak között is van áramfogyasztás?
Érdekes értelmezés, de a lényeg: nem lehet megúszni 2 bizti nélkül...
Sziasztok!
Már most az elején elnézést kérek, ha kicsit bő lére ereszteném a mondókámat. Először is, nem vagyok nagy játékos a szakmában, az alap elektrotechnikai dolgokkal tisztában vagyok (persze majd kiderül, hogy tán mégsem), forrasztani viszont szeretek , felszerelés, páka, multiméter, stb, az alapdolgok megvannak, hogy gépészkedjek.Adott egy APT-100-as doboz, 2x31,1V AC és 2x9,1V AC kimenetekkel rendelkező trafó. Az APT dobozban még benne van az eredeti Graetz híd, két új 4700vF-os elkó, a 230V hálózati bemeneti aljzat a biztosítékokkal, bekapcsológombbal és a vezetékeléseikkel, a csillagpontos földelés a vezetékekkel, a hűtőbordázat. Jelenleg van egy 4 Ohm, 150/300W (DIN/zenei) teljesítményű ládám, de akkora batár és olyan nehéz, hogy borzalom, a külseje is elég leharcolt, lehet valami készen kapható 8 Ohm-os, 120-130W-os, kisebb méretű PA ládát szerzek helyette. Nem igazán hifi célokra lesz és nem audiofil közönség részére, a huzamosabb ideig tartó nagyteljesítményű hajtás is kizárt. Zenekarunknak próbán énekhangosítás és zenekari alap lejátszás mp3 játszóról, karaoke, ezt a pár dolgot szeretném elérni. Rendeltem a neten építőkészleteket, egyenlőre tartózkodom a házilagos nyákkészítéstől, utoljára a suliban marattam vagy 25 éve. - TDA7293-as 90W végfok - hangszín- és hangerőszabályzós előfok - kivezérlésjelző Erre az előfokra azért esett a választásom, mert mint fentebb említettem próbatermi énekhangosítás is cél, és ebben az esetben az ének miatt jó, ha van hangszínszabályozás. A végfok teljesítménye nem házbontásra kell, 20-30 Wattos gitárkombók mellett kell az éneket hangosítani. Két szigetelt (hogy ne testeljen a házzal) 6.3 Jack bemenetet terveztem, igaz maga a végfok mono, de egyenlőre nincs is szükségem sztereo kimenetre. A mikrofont egy innen a cikkekből koppintott JFET-es mikrofon előerősítővel (sajnos már nem találom az oldalon sehol) kötném az egyik bemenetre, de van egy kis Monacor keverőm is, elég nagyot erősít a mikrofon jelén, ha az előbbi nem válna be. A 2x31V AC egyenirányítás és pufferelés után adna olyan +-43-44V DC-t, ami táplálná a végfokot, a 9V AC pedig bő +-12V DC, a +12V DC-ről az előfok és a kivezérlésjelző menne. Összeállítani a készleteket, azt hiszem ezzel nem lesz gondom, persze gondosan és helyesen, mindent többször ellenőrizve, hogy ne forrasszak be félre semmit. És innentől kérném a segítségeteket, próbálok mindent összeszedni, lenne pár kérdésem/kérésem: 1. Akinek ismerősek a fenti készletek, érdekelne a véleményük, a tapasztalatuk, mire érdemes odafigyelni velük, stb. 2. Elhelyezés, vezetékelés. Mit hova célszerű szerelni a házban, előfok, végfok, trafó elhelyezése, trafót burkoljam-e körbe valamivel (mivel nem toroid)? 3. Földelés. Egy blokkséma jól jönne, hogy ne keserítsem meg az életem mindenféle földhurokkal 4. A sztereó előfokot, mivel két kimenet van rajta, hogyan kössem a végfokhoz? OUT1 és OUT2 összekötve és ez a közös jelkábel és a jelföld menjen a végfok bemenetre? 5. A potmétereket vezetékkel kötöm össze az előfokkal, érdemes-e árnyékolt kábelt használni itt, valamint a hosszúságuk befolyásol-e valamit? 6. A LED-eket szintén vezetékelni fogom a kivezérlésjelzőbe, jól gondolom, hogy itt fölösleges az árnyékolt kábel? 7. 5-6 kérdéshez kapcsolódóan, ha nem kell árnyékolt kábel, megoldható-e a kábelezés pl. PC-ből szerzett úgynevezett IDE kábellel (régebben ezzel kapcsolták a winchestereket az alaplaphoz, erről kettesével, hármasával lehetne vezetékeket leválasztani, jobban nézne ki, egységesebb lenne, mint egyesével vezetékelni, ezért gondoltam rá). 8. Élesztés. Ebben a témában aztán végképp nem vagyok otthon, bár végigolvastam az egész fórumot, de tán még bizonytalanabb lettem (pl. élesztés izzóval), tehát az élesztés menete érdekelne, szép sorjában mit-hogyan-hova kössek/forrasszak, elkókat hogyan célszerű kisütni, stb, hogy lehetőleg ne tegyek tönkre semmit. 9. Más egyéb ötlet, javaslat? Előre is köszönöm a válaszaitokat! A hozzászólás módosítva: Dec 17, 2013
Hello!
Az előfok és a végfok IC-ket ismerem. Az előfokról annyit, hogy sztereó rendszerekben nagyon előnyös, mert egyszerű és nem kellenek sztereó potméterek hozzá. A panel elrendezése viszont borzalmas. Sokkal célszerűbb, ha a potméterek a panel egyik szélén vannak elhelyezve, így rögtön az erősítő előlapjára szerelhető. A kit-ben látható elrendezés viszont plusz panelrögzítést és kábelezést von maga után. Mono rendszerben én nem használnám, ahhoz elég drága. A végfok véleményem szerint jó választás, nekem is ilyen IC-ből van összerakva az erősítőm, igaz nekem párhuzamos híd kapcsolásban. Ami nagyon fontos! Az IC hűtőzászlója a negatív tápfeszültségen van!!! Hűtést nem kell sajnálni, nagy hűtőborda, illetve hűtőtönk. Ezt a kivezéslésjelzőt nem ismerem. Annyit azért mondanék hozzá, hogy én úgy szoktam az ilyen viszonylag kis tömegű LED-es eszközöket az előlapra szerelni, hogy a LED-eket ilyen foglalatban szerelem fel, és így a LED-ek tarják a panelt is. Véleményem szerint ilyen kisméretű paneleknél ez nem probléma, esetleg egy kis ragasztót még lehet használni hozzá, hogy nem tudjon mozogni. Ezen a panelen van 2 db rögzítőfurat, azt nyugodtan lehet használni, a felesleges kábelezést kerülni kell.
Szia!
A sztereó előfokot azért is választottam, mert ki tudja egyszer talán teszek a házba egy másik végfokot is. Közben megjött minden megrendelt készlet és egyéb alkatrész, és pont olyan ledfoglalatokat rendeltem, mint amilyet linkeltél Ha tényleg elég erős lesz a 6 db led, hogy tartsa a panelt, akkor valószínű nem fogom ezeket vezetékelni.
Szia! Egy hasonló adottságú transzformátorról készítettem már rajzot.
A szabályozó panelnek csak az egyik csatornájára lesz szükség. A balansz potit helyettesítheted két 22k-s ellenállással (a poti forrpontjai közül a középsőből kell egy-egy ellenállást a szélsőkre kötni, ez megfelel a középállásnak). A szabályzó panelt, és a mikrofon előerősítőt (ha lesz benne) közvetlenül a bemeneti csatlakozóknál helyezd el! A magas, mély, hangerő potenciométerekhez kényed-kedved szerinti hosszúságú vezetéket használhatsz, nem fog zajt összeszedni. A szalagkábel erre a célra tökéletesen megfelel. A végfok bemenete az előbbi logikát követve essen minél közelebb az előfokhoz. Ha pár cm-en belül meg tudod oldani, itt is szükségtelenné válik az árnyékolt vezeték használata. Nem tudom kitér-e rá a végfokmodul tájékoztatója? Gyakori kérdés miért nem szól az erősítő? A válasz: a "mute" kivezetést a pozitív táphoz kell kötni. A végfokot mielőtt a pufferkondenzátorokra kötnéd, győződj meg azok kisütött állapotáról! Az élesztéshez elegendő a transzformátor primer körébe iktatott 40-60W-os hálózati feszültségű izzószálas lámpa. Ha az áramkörök valamelyike zárlatos lenne akkor az izzó teljes fénnyel világít. A hozzászólás módosítva: Dec 17, 2013
Szia!
Köszi a tanácsokat, ha minden jól megy holnap nekikezdek. A panelek, trafó elhelyezéshez annyit, hogy a dobozt felülnézetben a trafó a jobb alsó sarokba kerülne, az előfok a végfokkal a bal fölső részre, a végfok egy kicsit középre tájolva, mert ott van gyárilag az APT-100-as ház hűtőbordája (remélem elég nagy lesz hozzá, nem terveztem ventilátort is), a kivezérlésjelző meg bal alsó sarok lesz, így a trafó elég messze kerül mindentől. Trafót azért körbekerítsem valamivel? A mikrofon előerősítő már régebb óta kész van, egy kis fémdobozba építettem, 9V-os elemmel megy, így máshol is használhatom. A végfoknál a tájékoztató azt hiszem kitér a MUTE bekötésre, de holnap megnézem, sajna elpakoltam és már nem akarok nagyon zörögni Viszont a kivezérlésjelzőnél is olvastam valamit, ami szöget ütött a fejembe (vezérlés bemenetre AC/DC is mehet és itt nem volt egyértelmű valami), azt is megnézem majd és holnap rákérdezek itt.Mint írtam két bemenetet tervezek, ezért maradnia kellene a BALANCE potinak is, viszont nem tudom jól gondolom-e, hogy az OUT1 és OUT2 összekötve közös jelkábelen és jelföldön menjen a végfok bemenetre? Élesztésnél az izzó így gondoltad?
A hangszínszabályzó áramkörrel ez a téma foglalkozik behatóan.
A két Out kivezetés nem kötheted közvetlenül egymáshoz, 1-2,2k ellenállásokkal közösítsd! A közös pontot már egy jelvezetéken viheted a végfokhoz. Az izzót a primer egyik ágába sorosan kell bekötni. Az izzószál hideg és meleg ellenállása közötti lényeges különbséget használjuk áramkorlátozásra, tehát nem úgy gondoltam ahogy rajzoltad.
Értem, köszönöm. Átrajzoltam (kicsit vizuális típus vagyok)
Szia!
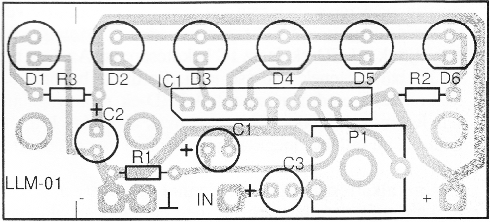
Amiről tegnap írtam, hogy szöget ütött a fejembe: A kivezérlésjelző leírásában szerepel ez a mondat: "Egyenfeszültséggel történő vezérlés esetén természetesen a C3 csatolókondenzátort el kell hagyni". Csatolok egy képet a nyákról. Kövezzetek meg, ha nagy butaságot kérdezek, de ez a TDA7293-as végfok ugye egyenfeszültséggel bír a kimenetén? Mert ha igen, akkor a jelzett C3 csatolókondit nem kell használnom, hanem csak simán összekötöm egy darab vezetékkel a kondi lábainak helyét? A hozzászólás módosítva: Dec 18, 2013
Üdv mindenkinek!
Egy kérdésem van hozzátok. Nemrég épitettem egy erősítőt TDA7293-al. Véletlenűl egy zárlatos hangfal volt rákötve és az egyik IC repült és zárlatban van. Talán a másik is. Akartam bele új IC-t venni, de mindjárt itt a karácsony, kell a bulira az erősítő viszont az új IC nem jönne le nálam addigra. Szóval gyors megoldásként, ithol van 2db TDA7295, ezt akarom bele tenni. Nos a panel 93-hoz lett tervezve. Milyen változtatást kell a panelen végezni, hogy a 95-öst bele tudjam tenni? Ha jól tudom csak a MUTE és a Standby kivezetést kell máshova kötni. Előre is köszönöm!!!
Szia! Ha nem használod az 5, 11, 12 lábakat, mehet a helyére. Az adatlapban lévő korlátokat tartsd azért be.
Értem. Ezek a kivezetések nincsenek használatban. 2*28V-ról fog menni.
Már csak a NYÁK állagára kell vigyáznod
Ja
Megpróbálom gyorsan hólégfúvóval kiszedni. Nem akarom szétforrasztani az egészet
Szia!
Nem bántás, hanem egy jó tanács (amit nem kötelező megfogadni): szerintem ne építs még végerősítő kapcsolást. Két hozzászólás alapján (izzó párhuzamos kötése, egyenfeszültség a kimeneten) látszik, hogy fogalmad sincs még az alap dolgokról sem. Olvass autentikus forrásokból, hogy némi rálátást szerezz a szakmára! Kezdésképp ajánlhatok pár könyvet (a sorrend betartása fontos): -Gergely István - Elektrotechnika -Kovács Csongor - Elektronikus áramkörök -Puskás tananyag -Cs. Kádár Péter - Diszkónika -Ágoston Lajos - Audiofil erősítők építése folyóírat: Rádiótechnika (újság, évkönyvek) üdv. Dávid A hozzászólás módosítva: Dec 19, 2013
Hello!
Minden bántódás nélkül: mint írtam is az első hozzászólásomban "az alap elektrotechnikai dolgokkal tisztában vagyok (persze majd kiderül, hogy tán mégsem)". Ha az alapdolgok közé soroljuk egy TDA7293-as végfok izzós élesztését és kimeneti feszültségének kérdését, akkor be is jött a jóslatom. Pont ezért próbáltam talán kissé szájbarágósam kérdezni itt a fórumon. És éppen ezért nem kezdtem azzal, hogy nekilátok nyákot tervezni aztán meg maratni, hanem veszek előre elkészített nyákokat, készleteket, amiket "csak" (és ezt értsd óriási idézőjelek között) össze kell állítani és az alkatrészeket beforrasztani. Aztán ha valami nem sikerül, hát a saját káromon tanulok belőle, továbbá épp ezek a "hozzá nem értő" kérdések, felvetések, rajzok fognak esetleg mást megkímélni attól, hogy feltegyék őket. (Nem biztos, hogy jó az összehasonlítás, de tegyük fel érdekel egy kicsit a sütés-főzés, láttál már a konyhában ezt-azt, seperc alatt megcsinálsz mikróban valami félkész kaját, viszont fogalmad sincs, hogyan bontanak szét egy sertést a hízóvágáson vagy mennyi a sikértartalma az étkezési búzának, mégis nekilátsz egy szakácskönyvből valami finomat elkészíteni, ami ráadásul mikor kész lesz a társaság nagy részének még ízlik is, igaz kicsit elsóztad és túl inas húst vettél a hentesnél, de a te főztöd és tudod, hogy legközelebb még jobb lesz). Sajnos a mai világban a család, a munka és a mellékállások (hogy ne halljon éhen a család) mellett már sok mindenre nincs idő, pl. szakirodalmat szerezni, könyvtárba járni, több száz oldalon utánaolvasni dolgoknak és újra tanulni azokat, amiket 25 éve próbáltak kedves tanáraim a fejembe verni, nos épp ezért kérdeztem annyit és úgy tűnik alapdolgokat is, mielőtt bármi butaságot csinálnék. Mi hát a legcélravezetőbb (és igen bevallom, a legidőtakarékosabb) megoldás, ha a hobbidnak szeretnél egy kicsit élni minimális szabadidődben? Utánanézel ezen a remek oldalon a problémáidnak. Kezded a "Kezdő kérdések" topikban. Onnan szupergyorsan átirányítanak valami specifikusabb topikba, pl. ide. Kicsit 22-es csapdája is ez, mert a kezdő kérdésekben, ha meglátják hogy TDA7293, máris linkelik ezt a topikot, közben itt meg próbálsz úgy kérdezni, hogy célba is érjen és ne irányítsanak vissza a kezdőbe. Elolvasod A-Z-ig az egészet, közben lelkesen guglizol, hogy mi lenne a leggyorsabb és lehetőleg legolcsóbb megoldás arra az égető problémádra, amire gyorsan szeretnél válasz(oka)t kapni és így hamar sikerélményt elérni (pedig tudom én, hogy hamar munka ritkán jó). És felteszed a kérdéseidet, megosztod a problémáidat, hisz ez a fórum ezért is létezik, hogy jószándékú, nagytudású szakemberek és hobbisták választ próbáljanak adni. Ők, akik (hasonlóképpen hozzám) nem azzal a hatalmas tudásanyaggal jöttek a világra, hanem (hasonlóképpen hozzád) folyamatos tanulással, önképzéssel, kísérletezgetéssel jutottak el arra a szintre, hogy az én - a többségeteknek egyszerű és alapvető - problémafelvetésemre nagy biztonsággal helyes, célravezető választ legyen képes adni. Közben beszerzed az építőkészleteket meg mindent, ami kellhet, csakhogy nem vagy járatos a szakmában és se erőd, se időd sokkal mélyebben elmélyedni a szakmában, hisz csak hobbiszinten űzöd, és sok-sok év múlva nevezhetnéd magad szakmabelinek, ha kitartó vagy. Félre ne érts, és félre ne értsetek, nem az észt próbáltam meg itt osztani, csak szerettem volna az én szemszögemből érzékeltetni, hogy milyen amikor egy tök (újra)kezdő próbálkozik valamivel, ami nem egy laposelem-izzó-kapcsoló áramkör, hanem kicsit komolyabb, de mégis birizgálja a fantáziát, ráadásul még örömöd is lelnéd az elkészítésében, és még nagyobb örömöd lelnéd abban, ha a végén még működne is. Az ajánlott forrásaid köszönöm, a Puskás tananyagot érdeklődéssel lapozgatom és fogom is a jövőben, sőt a bedobozolt 25-30 éves tankönyveim között megkeresem a híres Tietze-Schenk szerzőpáros Analóg és digitális áramkörök című könyvét is, hátha hasznomra válik. Üdvözlettel: Gyuri
A végfok összeállítása kész van, pár fotót teszek fel ide róla. Egy-két forrasztást lehet nem árt majd javítani
Hellósztok, tesóm szerzett egy tda7293 végfokos erősítőt haverja csináltta pár éve mielött bekapcsoltuk benéztünk a dobozba, a puffernál a diódahíd valami gyári lehetett benne a tokozás megolvatt, na mondom be se kapcsoljuk. Túrtam a fiokot és találtam 4 példányt 1n4148-asokbol, ezek jók lesznek hogy összedobjunk belöle egy graettz hidat szerintetek? Vagy szerezzek tokozott diodahidat, abból hány amperosat kell minimum?? Pityka
Szia! Ilyen egy rendes diódahíd.
Aggodalommal tölt el, hogy az 1N4148-at ötlet szintjén is felvetetted, az oly kevés ide. Gondosan ki kell deríteni mi olvasztotta meg az előző graetz-et!
Heló gondolhadtam voln a 4148as 100--150 milliamperos enek a végfoknak meg durván tröbb kell és amit linkeltél 25 amperos az nem fölöslegesenn sok? Nem az ára miat kérdez em mert aligalig olcsobb a 10--15 amperos,, és ami megolvatt nem lehet le olvasni rola az értékeket. Végfokot megnéztük másik 7293as végfokos cucban szól fajinul de a trafo is rossznak tünik még jo hogy a végfok tulélte
A 25A-es graetz nem kér enni
Lesz egy stabil eleme az erősítőnek amiért szélsőséges körülmények között sem kell aggódnod
Kész az előfok és a kivezérlésjelző is:
Sziasztok!
A segítségeteket szeretném kérni! Szükségem lenne a TDA7293 streó híd és 3 IC-és párhuzamos kapcsolás működőképes nyáktervére lay-ban vagy ha valakinek esetleg meg van vasalható formában. Eljött az idő,hogy belevágjak ezekbe is. Előre is köszönöm a segítséget! A hozzászólás módosítva: Dec 28, 2013
Szia! Nekem ugyan nincs, de szolgálhatok egy nyommal amin el tudsz indulni.
|
Bejelentkezés
Hirdetés |







Megpróbálom gyorsan hólégfúvóval kiszedni. Nem akarom szétforrasztani az egészet 











