Fórum témák
» Több friss téma |
Korábban már tettem fel róla képeket, csak nem tudom hogy kell belinkelni, nem vagyok még ilyen rutinos. A trafóba meg a fázis és 0, nincs leföldelve.
A táblázatban -amit belinkeltél- a FET oszlopban a 2 az egy párra értendő, a 4 az meg 2 pár stb stb?
Hello!
Ti mint szakértőket megkérdezném, hogy a TDA7294 menyire bírná a +-41.5V ot? 4 ohm os hangszóró lenne, de nem menne csutkán mert csak egy kis szub ládába lenne. Üdv!
Bírni fogja. Rendes hűtést csinálj neki. Ha kihajtva tortyogna, akkor visszább kell venni. Baja nem lesz tőle.
Hello
Elvégeztem pár mérést ezzel a TDA7294-es erősítővel,4Ohmos sub-ot hajtok vele, ha a sz.gépen maxra veszem a hangerőt akkor a hangszórón 20V és max 2A jelenik meg (40W) ez nem kevés? esetleg gyenge a sz.gép kimenő jele? kéne egy előerősítő, azzal ki lehetne hajtani jobban? (primitív kérdések de fontosak) kösz a válaszokat előre is. Ja még annyit hogy a táp +-35V
Szia!
Nem tudom, hogy mértél, ha a hangszóró kapcsain van 20Volt váltó, és 4 Ohm-os a láda, akkor: Feszültség a négyzeten, osztva a láda impedanciájával = teljesítmény. Vagyis 20x20=400/4Ohm = 100Watt. Ha 2 ampert a tápágban mérted (mert ott reális) akkor felső számítás is igaz, vagyis a tda7294 közelítőleg csutkán van, mert kajál vagy 140Wattot.
Uhh, tényleg, U^2/R, de hülye vagyok
. Azért kösz a segítséget, most már megjegyeztem . Akkor jól leadja azt a 100W-ot és hallható torzítás nélkül (bár ezt sub-on nem egyszerű kihallani)
Egyébként a 2A-t az erősítő és a hangfal között mértem
Ott pedig ezen számítás alapján nem 5A-nek kéne folynia?
bocs hogy ennyi hozzászólást írok
Értem, én is bajban vagyok néha. Ekkor jól jön, amit mellékelek.
Ezért írtam, hogy nem tudom hogyan mértél. Én még sosem mértem a hangszóróvezetéken áramot. Szerintem nem is lehet ott egyszerű műszerrel mérni. Hangfrekvenciás váltóáram mérésre alkalmas műszerrel nem rendelkezem, sima digimulti nem hiszem, hogy jól megmérné, esetleg valami komolyabb.
Ez tetszik, ezt ki is nyomtatom
aha sima digitálissal mértem, de akkor ha (U^2)/R=100W akkor I^2×R nek is 100W nak kell lennie. Valószínűleg akkor a műszer hibája lesz ez (mivel digitális, lassú is).
Üdv!
Gondolkodtam rajt, hogy összedobok egy házimozi erősítőt, ezzel a 7294 IC-vel. Tehát egy 5.1 erősítő lenne belőle. A .1 már megvan, tehát még 5 csatorna kellene, sőt csak 3-at kellene építeni, mert 2 Pedro-féle már van. A hangfalaim 6 Ohm-osak. A mélyet a zoka-féle P7293 hajtja. A többi csatornának elég lenne 5x10W. Számolgattam egy kicsit, és rájöttem, hogy annyira mégsem jó ötlet ez a 7294. A mellékelt táblázat mutatja is, hogy miért. Az nyilvánvaló, hogy nem +/- 40V-ról hajtottam volna, de ha megnézzük, még +/- 25V-ról is nagyon pazarló. Ahhoz, hogy kipréseljen magából (4Ohm-on) 10W-ot, 28W-ot kell fűtenie. Ez így még oké is lenne, de 5 csatornánál már 5*28W (jó persze ez csak elméletileg, mert nyilván nem színusz-mozit vetítek )De a hűtésre is gondolni kell, márpedig ventilátor szóba sem jöhet, és mini dobozba akarom. Következtetés számomra: a tápfeszültséget érdemes a tervezett legnagyobb kimenő teljesítményre hangolni, vagyis ahol 60% körüli, vagy jobb a hatásfok, az már egészen jó. Tehát egy +/-14V-ról lenne érdemes hajtanom, de akkor meg minek a 7294 ? Éppen ezért kerestem más lehetőségeket: TDA2050 TDA1554Q Az utóbbit személyesen is ismerem, ez talán tudna 2x12W-ot 6Ohm-ra 12VAC trafóval. Szerintetek a 2050 vagy a 1554 a jobb, ismeri valaki a 2050-et ? Vajon jól szól, vagy sokkal rosszabb, mint a 7294 ? A 7294: AB osztályú DMOS FET A 2050: AB osztályú monolit végfok A 1554: class-B output amplifier A 1554 kilóg a sorból ... (Ui.: a táblázat 40V-os oszlopa 2db párhuzamosított IC)
Ha csak 10W-ot szeretnél, akkor úgy kell méretezni a végfok tápfeszültségét, hogy maximális (tápfeszig történő) kivezérlésnél adja ezt a teljesítményt, vagy csak kicsit nagyobbat. Ellenkező esetben a végfokon eső feszültség nem kívánt módon fűti a végtranzisztorokat.
6 ohm-ra 10W-ot kiszámolva, 3V-os rátartással +/-15V tápfeszültség adódik. Ha a végfok torzításmentesen el tudná érni a tápfeszt, ebben az esetben 6 ohm-ra 18W teljesítmény jutna, ha a végtranzisztorokon 3V esik, akkor 10W. Úgy emlékszem, +/-15V-ról működőképes a TDA7294 is, és tulajdonképpen bármilyen más végfokot választasz, a probléma ugyanez lesz, tehát emiatt nem kell lecserélni a végfokokat, csak a megfelelő méretű tápfeszültséget kellene adni nekik.
Igen, csakhogy én ezt nem tudtam, és most jöttem rá, hogy nem nyerő ugyanakkora feszről használni, mint amiről akár 70W-ot is tud...
Tulajdonképpen nekem mindegy lenne, hogy most építek 5 panel 2050-et, vagy 3 panel 7294-et, árban szinte egyforma, és egy 10-20W teljesítményre a trafó is hasonló árban lenne hozzá. Ami inkább szempont, hogy melyikkel érhető el jobb hangminőség, kisebb torzítás, kisebb zaj. A 7294 nyilván jobb. A trafó maximum 200W lehet, ez 40W/IC. A tápfeszültség legyen +/-15V. Akkor most megkérdezhetném: ki szavaz a 7294-re A 1554 viszont azért nincs leírva, mert már 4 csatorna rendelkezésre áll (2 IC). Van hozzá 80W/12V trafóm, hát ez kicsit szűkösen lenne elég 5 csatornának. Viszont jelenleg csak 1 tokot hajtok, de ez a kb 10-12W/oldal piszkosul hangosan tud szólni (hangszín nélkül). Most valószínű, megpróbálom lefülelni, TDA7294 vs. TDA1554 hangminőség szempontjából. Üdv!
Amit máris észrevettem, az az áthallás. Mivel a 1554-nél egy tokon belül integráltak 2 csatornát, bizony ha a jobb csatornára kap jelet, és a balra kötök csak hangfalat, felhúzom a PC "potiját", bizony tisztán érthető a zene, a 7294-nél 0 az áthallás. Persze más kérdés, ha mindkét oldal egyszerre szól, akkor ezzel nem kell foglalkozni
Na tesztelem tovább
TDA7294 vs 1554
Nagyon sokféle zenével próbáltam, úgy is, hogy az egyik oldalt a 94 másikat az 54 erősíti, de nekem hihetetlenül hasonló hangot ad mindkettő. Valamit rosszul csináltam, vagy bot fülem van ![]() Minden esetre, ennek örülök, szerintem egyáltalán nem kell szégyenkeznie a 1554-nek, nálam - a max hangerőt leszámítva - semmiben sem marad el a 7294-től Jól elbeszélgettem magammal
Az IC-hangját is nagyon meghatároza a kiszolgálás.
Passiv alkatrészek minősége, a drótok hangja, és legfőképp a tápegység mivel sorba van kötve az erősitővel, és hangszoróval
Ezek szerint jó alkatrészekből építkeztem.
Ha csak 1 csatornát nézünk, ez állt rendelkezésre: 7293: 400W/2x25A/4*10000uF 1554: 80W/10A/4*4700uF Azt mondhatom, ez teljességgel megfelelő. Viszont nem tudom, hogy fog viselkedni 6 csatorna (3IC) - 80W-al. Esetleg egy hídcsere 35A-re, illetve puffercsere 60000µF-re belefér, de a trafót kicserélni 200VA-ra elég húzós lenne. ![]() (bár ha azt vesszük, egy 5.1 filmnél nem fog mind az 5 csatornán megjelenni a teljes kitöltésű színusz - majd beosztják ... )
Hello!
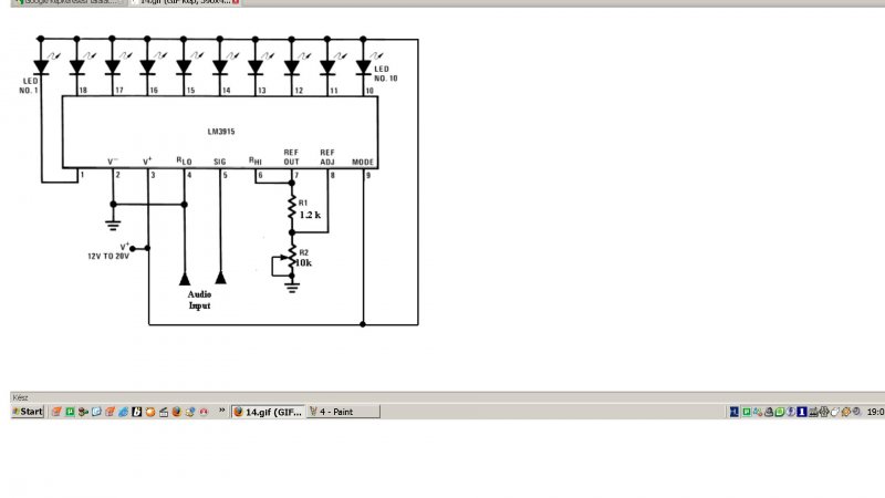
Egy ledes ki. jelzőt szertnék a 7294-hez és van ez a rajzom, de én nem akarok mondjuk 10ledet cask 6ot akkor mit kell módosítani rajta, ha valaki tud segítsen nekem. köszönöm
Nem 3V-ra, hanem 3V rátartásra számoltam, azaz úgy vettem, hogy a végtranyókon ennyi esik, ennyire tudja a kimenet megközelíteni a tápfeszültséget. Így +/-15V tápfeszültség esetén 24V p-p értékkel lehet számolni, ami szinuszos jel esetén kb. 8.5V effektív érték. 8.5V 6ohm-on 12W teljesítmény. A cél egy 10W leadására képes erősítő lenne, a lehető legkisebb tápfeszültséggel (és emiatt legkisebb veszteségi hővel).
Jaaa oké, már értem
és így nekem is 12W jött ki, én egyébként a 1554Q-t ajánlom (4×11W) bár igaz hogy ezt 10% os torzítással adja le, de szerintem szuper kis IC, vagy még az jutott eszembe hogyha ZOKA tényleg a minőségre megy akkor megpróbálhatna egy kisebb STK erősítőt (ennek annyi hátránya van hogy a védelmi rendszere elég gyér). Viszont most hogy nézegetem, ezek elég nagy feszről mennek. Még annyit szeretnék kérni tőletek hogy avassatok be 1-2 számolásba, pl ez a szinuszos dolog hogy jött ki? (8,5V) előre is kösz.
Egyébként hűtés gyanánt nem lehet szó egy kisebb méretű hűtőventilátorról? Így belerakhatod kis dobozba és nem kell akkora hűtőfelület sem. PC ventilátor 12Vos, a trafó egyik kimenetéről akár lehet is hajtani. Ha esetleg hangosnak találod akkor egy ellenállással szabályozni is lehet a fordulatszámot, vagy potméteresz fesz. osztóval. csak egy ötlet.
Ja bocs, most olvasom hogy ventilátor szóba se jöhet, de egyébként vannak kis ventilátorok, ami esetleg rámenne arra a dobozra, szerintem mindenképp érdemes átgondolni ezt
+-15V -6V Vpp=24V
Vpp -> Vrms konvezió Vrms = 8,484V A többi ohm törvény. ![]()
Hát ez a 3975 ügyesen rejtőzködik, eddig még nem találtam róla semmit
De nekem marad a jó öreg TDA... |
Bejelentkezés
Hirdetés |




. Azért kösz a segítséget, most már megjegyeztem
. Akkor jól leadja azt a 100W-ot és hallható torzítás nélkül (bár ezt sub-on nem egyszerű kihallani) 
)









