Fórum témák
» Több friss téma |
A frekvenciára már nem emlékszem pontosan, mert ez régi dolog, csak most tudok vele foglalkozni. Ha jól emlékszem 15 vagy 25kHz.
Ha kapcsolóüzemű táp kimenetét szűrnéd, ferrit (porvasmag) kell. A Kapcs,táp. és Inv. heg trafó témában találsz leírást, képeket. Ha sima 50 Hz-es hálózati (Graetz 100 Hz) szűrés kell, akkor elég akármilyen trafólemezből, nyitott (egyenes, vagy légréselt) kötegre kell tekerni. A segédprogramok közt vannak hullámosság (brumm) számítások, a trafós témában méretezési számítás.
Sziasztok,
jó lett a dugasztáp, még 2 darab 330µF kondit is kitudtam cserélni 2x470-re, elfért, pöpec lett, köszönöm. Másik projekt. Van egy USB-s hangkártyám és ennek az USB-s tápvonalán lévő nagyfrekvenciás zajt szeretném szűrni szintén tekercsel. Egy USB-s toldó kábel 5 Voltját gondoltam megcsapolni, szűrni. Két tagú LC létra lenne, soros tekercs párhuzamos kondi. Az a kérdésem, hogy a ki/be kapcsolásnál nincs a tekercsnek induktív túlfeszültség lökése? Kb ilyen megoldásra gondoltam: egyik, másik
Sziasztok!
Nagyjából hány uH-s, vagy mH-s az a tekercs, amit egy ha rákötök egy sima 9 V-os elemre, akkor a megszakításkor már egy kicsi, de észrevehető/hallható szikrát ad? Előny lenne továbbá, ha az ilyenkor keletkező feszültség legfeljebb csak csípne, de nem okozna komolyabb gondot.
Az ilyen rázódobozok nem csupán tekercset, hanem transzformátort tartalmaznak. Mint a gyújtótrafó. De nem csupán ennyit, hanem már a megszakító is be van építve. Egykor mint a kapucsengő, egy vaslemezke, amit a mágneses tér meghúzott és meg is szakított. Később elektronikus szaggatót raktak bele.
Nehéz lenne ekkora elemmel komoly gondot okozó áramütést létrehozni. Csupán egy kellemetlen tréfa.
Csak egy tekercsről van szó, semmi összetettebb dologból. Arra vagyok kíváncsi, hogy ez a hüvelykujj-körömnyi méretű darab vajon hány mH-s lehet nagyjából. Vagy ez még csak uH-s nagyságrend? Csak mert ez már egy icipici szikrát ad a megszakításkor, és azért meg is bizserget szépen.
Sokol kimenőtrafó. Újratekerted? Ez már mH nagyságrend. Megmondani még akkor is nehéz lenne, ha pontosan tudnád a menetszámot és a vasmagkeresztmetszetet. A kis méret miatt jó minőségű vasat alkalmaztak. Mérni lehet.
Nem nyúltam hozzá, ez még gyári lehet. A régi kacatjaim között találtam. Valami tudnál esetleg saccolni? Elég, ha nagyon durva a becslés. Kb. 1, 10, vagy 100 mH lehet? Semmi másért, csak tanulni szeretnék.
Nincs mire saccolni. Nem tudjuk a menetszámot, a vasmagkeresztmetszetet, a vas minőségét, ...
![]() Még azt se írtad, hogy melyik tekercsre, melyik kivezetésre kéred a saccolást.
Abból mit tanulsz ha valaki megsaccol neked valamit ? Saccra 3 .....
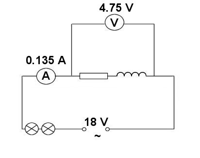
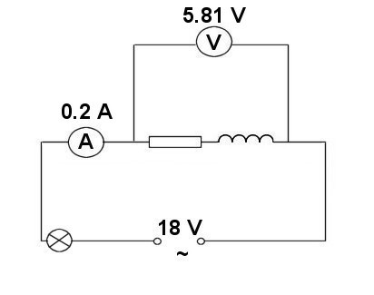
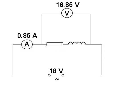
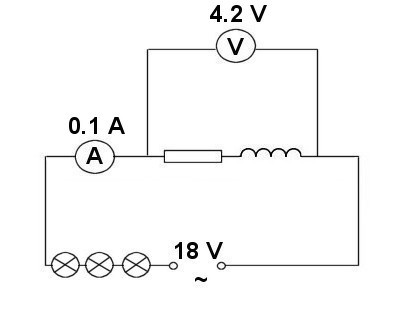
Urak, további kérdésem lenne, és előre is elnézést, hogy ilyen amatőr. Fogtam ezt a kis trafót, kiválasztottam rajta egy tekercset, és csináltam vele pár mérést egy 50 Hz-es váltakozó áramú körben, aminek a tápfeszültsége 18 V körül volt. A rajzokon az ellenállás és a tekercs együtt mutatja a (valós) tekercset, a fogyasztók pedig hagyományos karácsonyfaizzók. Kíváncsi voltam, van-e akkora induktivitása, hogy mérhető lesz valamiféle fázistolás, ill. nem csak valós részből álló impedancia. És olyasmi jött ki, amit nem tudok értelmezni. Amint látjátok, minél több izzót kötöttem be, annál inkább változott meg a tekercs impedanciája (az én értelmezésem szerint a rajta eső feszültség és a rajta áthaladó áram aránya). Hogyhogy? Ha a frekvencia állandó (és az volt), akkor egy tekercs impedanciája elvileg csak az induktivitásától függ, semmi mástól. Tehát attól, hogy az egyre több izzó miatt a tekercsen egyre kevesebb feszültség esik, az impedanciájának (U/I-arányának) elvileg nem lett volna szabad elmásznia, mégis nagyon elmászott. Mérési hiba lenne? Vagy erre a mérésre nem alkalmas egy sima DT-9205A multiméter?
Méregetsz, csak azt titkolod el, mennyi a tekercs Ohm-os ellenállása. Pedig akkor már ki is lehetne számolni az induktivitását.
Annyit ebből már látni, hogy az áram emelkedésével romlik a vasmag permeabilitása, így csökken az induktivitása. Nem nagyon érdemes tovább növelni az áramot. Hamarosan telítésbe megy, de a tekercs is leéghet, hiszen nem ekkora áramra méretezték. 9 V táp mellett ellenütemben max. 300 mW-ra. ~0,33 A eff. Már 0,135 A észrevehetően ront rajta.
Nem árt tudni, hogy egy tekercs sosem képvisel olyan egzakt értéket egy áramkörben mint egy kondenzátor. A kép szerinti mérést kellene elvégezned, izzó nem kell, akkora soros ellenállás kell hogy a körben néhány (1-10) mA áram folyjon. Megméred a tekercs soros ellenállását is (R DC) a műszerrel pedig két feszültséget, egyiket a soros ellenálláson másikat a tekercsen, a két értékből a szimulátorral ki lehet totózni az induktivitás értékét. Persze ez csak 50Hz-re lesz igaz, 1kHz-en már teljesen más értéket fog képviselni a tekercs.
A képen sima ellenállással próbáltam jelölni a tekercs tisztán Ohm-os ellenállását. Ezt ki is mértem egyenáramú körben, kb. 15 Ohm-nak adódott. Szóval az induktivitást a Pithagorasz-féle összefüggéssel ki is tudtam számítani.
Köszi, szóval az lesz a megoldás, hogy maga az induktivitás is változik az árammal, erre nem gondoltam. A hozzászólás módosítva: Feb 18, 2023
Igazad van. Kicseréltem a tekercset egy kondenzátorra, és ott már minden a papírforma szerint alakult, nem voltak ilyen jelenségek. Köszi!
Idézet: „maga az induktivitás is változik az árammal,” Minden vasmagnak van mágneses karakterisztikája. Annak van egy (majdnem) lineáris szakasza. Amíg azon belül van az áram, minimális mértékben változik az induktivitás. Amint ezen a tartományon túlér, csökkenni kezd. Van, ahol ezt ki is használják, pl. flyback oszcillátor ill. konverter. A hozzászólás módosítva: Feb 18, 2023
Üdv. milyen nagyfrekis trafóra van szükséged?
Én spec.tudok ajánlani ETD 34-ETD39- epcos ferrit magos légréses trafót, amit ha van tekercselő géped, te is meg tudsz tekerni. Az enyém, ami eredetileg ionizátorba, ozonizátorba készült, 6,5V-12V,ról üzemelő 555-Ic-s vezérlő ák.el, és Fet-el meghajtható, 10KHz, től, 33KHz-ig használható, bárhová ,beépíthető. L1=30T. L2=1200-1600T. A leadott Hv.out. 3,6KV-5,5KV ~lehet.
Inverterhez meghajtó trafóként, 1:12áttétel-el, megfelelő ez a lemezelt kis trafó.
Nem én kérdezősködtem. Nekem semmire nincs szükségem. De szívesen adok ha kell.
Sziasztok ismét!
Egy szolenoid tekercs mágneses fluxussűrűsége (B) a képlet szerint független a tekercs sugarától, csak a menetszámtól, az áramtól és tekercs hosszától függ. El tudná valaki magyarázni, miért? Olyan nehéz megérteni, hogy azonos áram, menetszám és hossz mellett ha kisebb az átmérő, akkor miért nem "sűrűsödik bele" jobban a mágneses tér a tekercs belsejébe. Egy sima, egyenes vezeték esetén is csökken a B a távolsággal, és egy sima, egyhurkú vezetőnél is fordítottan arányos a sugárral. Márpedig egy szolenoid sok-sok egyhurkú vezető tulajdonképpen. Akkor ott miért válik függetlenné a B a sugártól? Természetesen olvastam az integrálszámításos levezetéseket, de nekem valami szemléletesebb magyarázatra lenne szükségem.
Apró keveredés van. A mágneses indukció (B) valóban független a tekercs sugarától (létrehoz bizonyos mértékű mágneses teret), de a mágneses indukció/fluxussűrűség már nem (a létrehozott mágneses tér eloszlik adott területen).
Márpedig jól írtam, épp ezért értetlenkedek én is. Maga a fluxussűrűség (ezt jelölik B-vel) az, ami független a szolenoid menetátmérőjétől. Nézd csak meg a képletet. Minden más esetben (pl. sima hurokvezető, stb.) fordítottam arányos a sugárral, ahogy az logikus is. A szolenoid azonban valami miatt speciális, mert akármekkora is az átmérője, a fluxussűrűség ugyanakkora a belsejében, már persze ha az áram, a menetszám és a hossz megegyezik. És nem értem, hogy ez hogy lehet.
Már én is belezavarodtam fáradtan.
![]() B-vel a mágneses térerősséget/gerjesztést jelölik. B = µ0 [(N x I) / l] (légmagos tekercs)
Igen, ez a helyes képlet. És látod? Nincs benne átmérő/keresztmetszet. Ez érthetetlen számomra, hiszen az adott áram egy adott mágneses mezőt hoz létre. Márpedig minél nagyobb a tekercs átmérője, annál nagyobb térrészre oszlik szét ennek a mezőnek a fluxusa, vagyis annál kisebb lesz a fluxussűrűsége (B). Valami miatt mégsem szerepel a képletben a tekercs átmérője. Egy sima egyhurkú tekercsnél szerepel, szóval nem értem, hogy egy szolenoidnál miért nem.
Szerintem te ezt keresed... az igaz, hogy nem keresztmetszetet adnak meg, hanem a SUGARAT.
De abból már mindig oda-vagy vissza számolhatod a keresztmetszetet és máris látod az összefüggést. Más sugár( R ) >más keresztmetszet > és ha minden más változatlan ( N, menetszám...), más lesz a B is.
Ezek közül sajnos egyik képlet sem a szolenoidé. Az első képlet a toroidot mutatja, és ott szerepel ugyan sugár, de az nem a mag keresztmetszetének a sugara, hanem a toroid középköréé, ami egy teljesen más dolog. A második és a harmadik képlet a hurokra vonatkozik, és ahogy én is írtam, ezeknél természetesen megtalálható a sugárfüggés.
Szóval a problémám továbbra is az, hogy ha a hurokvezető képletében ott a sugár, akkor a belőle képzett szolenoidéból miért hiányzik?
Olvasd el többször és gondold át, mi is a szolenoid!
A képletben MENETSZÁMOK IS VANNAK - nem 1 menetes tekercs.
Van egy tekercsed. Erre váltakozó feszültséget kapcsolsz. Vagyis, egy ideig pozitív feszültséget kap, aztán meg negatívat. A feszültség hatására és az idővel kialakul benne egy fluxus. Ez a fluxus arányos a rákapcsolt feszültség és a rákapcsolási idő szorzatával. Vagyis, ezt feszültség-idő területnek hívjuk. Ennek a mértékegysége Vs, - voltszekundum. Ez a fluxus. A fluxussűrüség attól a felülettől függ, amit a fluxus ( vagy erővonalak ) beterítenek, áthaladnak, vagy metszik ezt a felületet. Egy szolenoid, vagy nagyjából akármilyen tekercs igyekszik a fluxust benntartani a körbezárt területén. Ez mondjuk a szolenoid belseje. Így kialakul egy fluxussűrűség, ami a B, vagyis az a B az indukció. A mértékegysége a Vs/nm.
Egy szál drótra ez így nem igaz, arra vannak más képletek (?). |
Bejelentkezés
Hirdetés |












