Fórum témák
» Több friss téma |
Segitséget kérek mindazoktól akik segithetnek abban hogy a mellékelt AEG tipusu mosógépet rábirjam arra hogy a 2800 as fordulatszámon forogjon. A mosásnak megfelelő fordulatot (1400) az ábrán feltüntetett bekötéssel sikerült elérnem, de a 2800 fordulatra ötleteket vagy megoldást szeretnék. A fennakadás onnan indul hogy a megszokott hat kivezetés helyett csak négy van a motoron, a földelési csatlakozót figyelmen kivül hagytam. Mellékeltem egy ellenállástáblázatot a kivezetések közötti ellenállásokrol de a mérőmüszer pontossága eléggé bizonytalan. Sajnos a motor cimkéje is kissé kopott de azért a lényeg még kihámozható, erröl is mellékeltem néhány fényképet.
A fényképek most:
Szia ! Itt egy hasonló téma, szerintem ez alapján menni fog. Üdv
Ezt is megjátszhatod esetleg... rövid ideig... ha jól megy , ampermérés. Kb. 1,5-2A még jó.
Köszönöm a segitséget, valoban a 4-es megszakitása és átkapcsolása az 1-esre jelentette a megoldást.
Üdv.
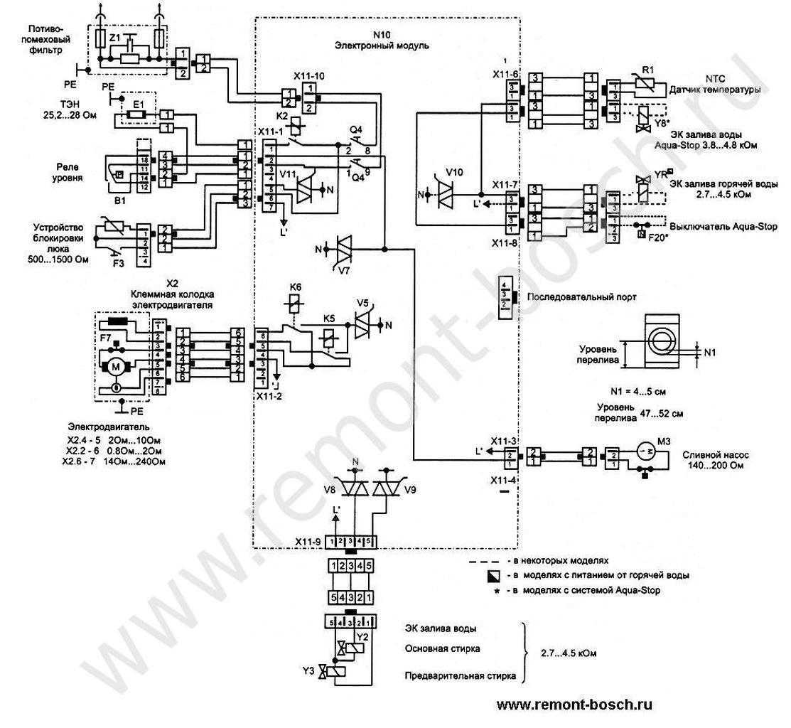
Van nekem egy Hajdú 706 tipusú mosógép masinából származó motorom. 2800/440 fordulaton megy. Van hozzá 2 db kondi, az egyik 25 a másik pedig 12,5 micro F- os, 440 V osak. De 4 pórusuk van. A 25 ös kondin van 2-2 pórus, az egyiken van kék vezeték, a másik 2 őn 1-1 fekete. A 12,5 ös kondin az egyik 2 póruson van 1-1 zöld vezeték, a másik 2 őn van 1-1 barna színű vezeték. A kis kondi mellett van egy valami ami kör alakú, szemre kb 60x15 mm méretű. Alul van 3 vezeték bekötve, a tetején egy vékony cső áll ki mire jó ez?Nah és a motoron vannak jelölések, a pórusok jelölése, balról jobbra a csatlakozón: S S L 10 4 3 11 13 Vezetékek színe (csatlakozón belül): S:Fekete S:Fekete L:Fekete 10:kék 4:sárga 3:fekete 11:sárga 13:kék Lehet ha megvolna a másik csatlakozó, amit a motor csatlakozójához készítettek anno, akkor nem lenne ennyi kérdésem. Mellékelek a motorról, a hozzá tartozó kapcsolási rajzot (amelyen én nem igazodok ki) és a motoron levő táblázatot lemásoltam, elnézést a rajzért, a motor nem fért bele a scennerbe )Szeretnék egy gépet készíteni, amelyhez ezt a motort szeretném felhasználni. mindkét fordulatszámmal, megfelelő kapcsoló beiktatásával, vagy több kissebb kapcsolóval. Aki ért hozzá segítsen, ha valami kimaradt volna kérem jelezni. Jah a kérdés az, mit hová kössek, hogy müködjön. Köszönöm
Hello mindenki lenne egy kérdésem egy lavamat 74700-es elöltöltős mosógépről lenne szó valaki tudná hogy mi az a "C9" hibakód sokat segítenétek vele.
előte is köszi
Sziasztok,
Esetleg valaki tudja, hogy egy AEG Lavamat 42230 típusú mosógépnél mit jelent, ha program közben megáll és 5 villanással hibát jelez a program vége LED. Előre is köszönöm!
szia! fektesd le az oldalára a gépet és nézd meg hogy
a gép alján van e lemezburkolat. Általában a gépek alja nyitott, de amelyiken van beépített aquva stop rendszer annak általában van egy fenék lemeze is. szóval ha van ilyen akkor azt szereld le és lesz ott egy kicsi mikrokapcsoló amit egy darab nikecell korong kapcsolgat. nos ez egy szivárgás érzékelő akarna lenni ami töbségében be szokott rohadni, rozsdásodni stb. egyszerűen húzd le a vezetéket arról a kapcsolóról és ezután csinálj egy próbát. PL: tedd rá egy centrifugálásra, ha ezt szépen megcsinálja a gép akkor mehet a mosás.
Aeg öko lawamat update 86720 mosógép C A hibakódot ír, valaki megtudná fejteni???
cry![]() :hide: Már nagyon mérges vagyok, mert a gatyánkat is ráköltjük erre a vacak gépre! És iszonyatosan drága volt......!Jól járt aki eladta(újonnan vettem), jobb lett volna ha megtartom az ős régi 35000ft os gépem, akkor tudnék mosni, mert azzal nem volt semmi baj az égvilágon csak gyenge volt a centifugája.
Hello!
Kaptam javitásra egy privileg duo 721 turbo tip gépet. A segítség abban kellene,hogy van e valakinek motor bekötési rajza. Ugyanis a gép már berhelve érkezett hozzám és a sorkapocs ki volt huzva. Elsöre igy raktam össze.Kérdés,hogy a piros nyilal jelölt vezetéket jó helyre raktam e vagy helyezem be a fekete nyilal jelölt helyre. Segítségeteket elöre is köszönöm.
SZIASZTOK!Valaki tudna segíteni enk a siemens-Bosch mosogép motor bekötésében?
Ez egy sima kefés motor. Az állórész sorba kötöd a forgórésszel és rákötöd a delejt. Terheletlenül ne járasd legalábbis hálózati feszültségről, mert szétforog. Tehát a 2-3-as kivezetéseket összekötöd, és az 1-4-re adod a tápot. Már egy 12V-os autóakkuról is forognia kell.
|
Bejelentkezés
Hirdetés |










mire jó ez?
)


cry

