Fórum témák
» Több friss téma |
Fórum » TDA1524 előerősítő
Hello
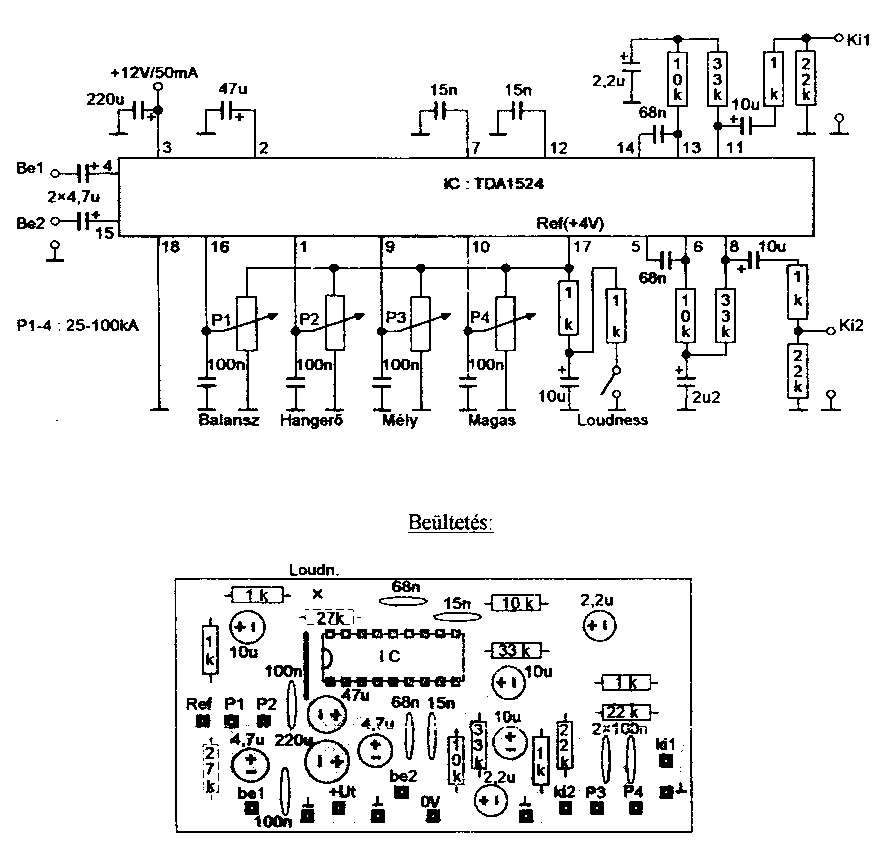
Megépítettem ezt az előrítőtt és nagyon meg vagyok vele elégedve. Az áramkör tud Balance, Treble ,Bassus és Volume szabályzást.
Szia!
Nekem is van egy pédány megépítve (még apám csinálta) aztán nekünk az volt a baja, hogy csak akksiról vagy elemről táplálva volt "brumm-mentes". Neked milyen fülre a jel-zaj viszonya? (mert az enyémnek nem nagyon jó) Üdv: Mzolee U.i.: Én az IC-nek nagyobb vagy ovális forrpontokat tennék!
Brumm mentes csak a sok lógó vezeték annyi zavart összeszed hogy súg. De dobozolás után nem fog
Szerintetek ha ezt az ic-t használom, csak mono, nem stereo alkalmazásban, akkor ki lehet iktatni valahogy a balance potmétert?
2 egyforma ellenállás használatával (a poti helyett)
2db 22k-s jó lenne szerintem.
TDA 7294-es végfok elé jó lenne? /2X100W-os. /jól látom hogy 12 V a táp?
Igen a TDA1524es lazán elviszi a 7294est de az LM1036os (mert ugye az jobb) magában már lehet nem járatná ki a 2x100wattot, ott már ügyeskeded kell a 7294es bemenetével de ez csak az lm1036osra vonatkozik a TDA1524es az gond nélkül vini fogja.
És igen 12volt lehet de lehet 15 is és lehet 9 is te döntesz esetleg nézd meg az adatlapot mikor mennyi a kimeneti amplitudó és a jel zaj viszony, de fontos hogy a táp jól szűrve legyen... ToXeN
javítsatok ki ha tévedek!
krkic rajzán mono potikról van szó és nem lehet őket beültetni,csak kivezetni a lábakhoz a kábeleket,és a kondira (IC-re) menő lábuk a középső.
Mono potik igen és az a középső láb amelyiken a nyíl van.
Úgy variálod ahogy akarod be is ültetheted és viheted kábelekkel is, semmit nem számít mert DC vezérelt. ha félreértettem a kérdésed csak szólj. ToXeN
találtam egy hibát a nyákrajzon,legalábbis eggyel több furat van a kelleténél,és megnéztem,nem potilábat kell oda elvezetni. jelölném a pontot,csak nem tudok pdf-et szerkeszteni
ha egy másik formátumban mellékelnéd vagy valami,megköszönném. egyébként a maradék 2 számozott helyre is potik mennének? mert a 2-es és 5-ös számúaknak nincs odaírva a funkciójuk. előre is köszi!
megépítettem. A-Z-ig átrágtuk az egészet,ennek ellenére a K1-K2 /kapcsoló pontjai/ összehidalása után is csak az egyik csatornát vezérli,a hangerőpotit hiába tekerem maximumra,és csak háromnegyednél szól a zene,a többi potinál is összevissza van a dolog... értem hogy DC vezérelt de pont ellenkezőleg viselkedik
nem hiszem hogy 4 selejtes potit vettem egyszerre...
Sziasztok!
Annó én is megépítettem jónéhány komplett hangszínt, ezzel az IC-vel. Én is nagyon bírtam, főleg azt, hogy mono potik kellettek, és 10k-100k-ig minden jó! Én még a Rádió Technika 1992-es számából varázsoltam, és TDA 2030-akat hajtottam vele.. Aztán komplett soksávos hangszínszabályzós keverőt akartam építeni vele, mert a mono potiknak köszönhetően a FADER-elés is megoldható sztereo potival... Vettem is akkor vagy 12db-ot, azóta is megvan, pedig nem volt akkor sem olcsó, volt vagy 900 péz darabja... Ja! A kábelezést a potikhoz érdemes kéterű árnyékolt HF-kábellel megoldani. Az árnyék természetesen a test, a ref. fesz az egyik ér, a szabályzott meg a másik! Most mit ér egy ilyen IC?
Lineáris potik kellenek hozzá, esetleg a hangerőhöz lehetne logaritmikus, de az sem annyira jó!
Szerintem a te potid log-os! Mérd meg a fele állásnál mindkét irányban az ellenállását!
lineárisakat vettem,amúgy meg is mértem fele állásnál,és fele-fele arányban oszlik meg... :yes:
600Ft-ért vettem az IC-t. arra nem lehet allergiás hogyha a potikon a testlábak össze vannak kötve és így csak 1 kábel megy a panelra? ugyanígy vannak bekötve a másik "szélső" (siettem és nem jutott eszembe a rendes neve ) lábak... másra nem tudok gondolni,mert tényleg mindent kipróbáltunk már... test közös,stb....
nem lehet hogy az IC allergiás a lineáris potira?
elkezdtem egy másik panelt ezzel az IC-vel,állítólag ez a legjobb,bár a vélemények mindig mindenben eltérnek mellékeltem.
egy másik formátumban nem lehetne?
vagy ha valaki adna egy jó nyáktervet a mellékelt kapcsoláshoz (felraktam mégegyszer is ugyanazt)... furcsa mód a beültetési rajz van csak rajta...
sorry, nem a legjobb minőség
ezer hálám
a 27k-s ellenállások milyen célt szolgálnak? mert a kapcsolási rajzon nincsenek és ezen is csak szaggatottan vannak feltüntetve
akkor kell betenni a két 27k-t ha nem akarsz balanszot állítani. A 2 ellenállás a balansz potit váltja ki.
Sziasztok!
Én is szeretném IC-vel szabályozni a hangerőt az erősÍtőmben, elolvastam ezt a topicot is, meg olvasgattam még az LM1036-os IC-ről is. Az a bajom, hogy nem tudom eldönteni, hogy melyiket épÍtsem meg. Ebben kérném a segÍtségeteket, hogy melyiket ajánljátok. Egyelőre egy TDA7294-es erőlködőhöz akarom megépÍteni. A segÍtséget köszönöm! |
Bejelentkezés
Hirdetés |







ha egy másik formátumban mellékelnéd vagy valami,megköszönném. egyébként a maradék 2 számozott helyre is potik mennének? mert a 2-es és 5-ös számúaknak nincs odaírva a funkciójuk. előre is köszi!
arra nem lehet allergiás hogyha a potikon a testlábak össze vannak kötve és így csak 1 kábel megy a panelra? ugyanígy vannak bekötve a másik "szélső" (siettem és nem jutott eszembe a rendes neve 







