Fórum témák
» Több friss téma |
Sziasztok,
megépítettem egy rádió adó-vevőt a mivel biztonságosan tudom át küldeni több (3-4...) potméter értékét. Sőt a vevő oldalon fogadni is tudom az adatokat. Szóval képes vagyok 2 led fényerejét változtani egy potival, ha középállásból balra tekerem akkor az egyik fénye erősödik (a másik kikapcsolva) ha pedig jobbra tekerem akkor fordítva. Mindezt PWM vezérléssel. Megpróbáltam ezt egy H hídra kapcsolni de nem sikerült. A híd egyik bemenetére pwm jelet a másikra pedig H vagy L szintet teszek a szerint hogy jobbra vagy balra forgatom a potit az adón. Ledekkel tökjól működött de a híddal nem akar, a motor nem megy az egyik irányba a tranzisztorok meg nagyon melegednek. (A próbapanel műanyagját is megolvasztotta picit, fél perc alatt.) Nincs rajtuk hűtőborda. A kapcsolást mellékelem. Segítsetek megoldást találni, lehetőleg a kapcsolásban említett alkatrészekből. Ne kelljen már 200 forintért újjabb tranyókat venni. Várom az ötleteiteket. Viktor.
Mekkora a logikai bemenetek (H) jelszintje?
Mert ha nem tud felmenni a hídtápfesz közelébe, akkor nem tud biztonsággal lezárni a PNP tranzisztorpár.
Az A és B I/O bemenetekre max 5V jut a pic-ből amivel vezérlem.
A PNP tranyó nem L szintre kapcsol? ![]() Itt a linkelt kép És kéretik legközelebb linkelni a NAGY képeket, különben szanszét csesződik az oldal szélessége...N
A tranzisztoraid két okból melegedhetnek: a motor túl nagy áramot vesz fel (esetleg zárlatos), de ez nem valószínű, vagy az azonos oldalon lévő tranzisztorok összenyitnak.
Ha a tranzisztorok összenyitnak, akkor a vezérlőfeszültség alacsony szintje magasabb a bázis-emitter nyitófeszültség kétszeresénél, vagy a magas szint feszültsége alacsonyabb a tápfesz mínusz a bázis emitter nyitófesz kétszerese. Röviden: az L és H szintek tiltott sávja +1,2 és +5V között helyezkedik el, a te kapcsolásodban. Tehát ha pl. TTL jelekkel vezérled az nem jó, mert ott a tiltott sáv 0,4-2,4V-ig terjed. Első lépésben ezeket ellenőrizd. Az sem közönbös, hogy a PWM szabályozónak mekkora a frekvenciája. Körülbelül az 1kHz alatti frekvencia megfelelő, ha a frekvenciád ettől lényegesen magasabb, akkor a DC motor induktív jellege miatt megnövekszik a tekercselés látszólagos ellenállása és kicsi lesz a motor nyomatéka, leszabályozott állásban. A másik lényeges dolog az, hogy mekkora a vezérlőjelek felfutási-lefutási ideje (ezt csak szkóppal tudod megnézni). Ugyanis a logikai szintek váltakozása közben eltelt idő valamivel nagyobb mint 0, ezért valamekkora időre a vezérlőfesz értéke a tiltott sávba fog esni és ebben a rövid időben összenyit a két tranzisztor. Ez a probléma is összefügg a frekvenciával, mert nagy frekvencián sok a fel-lefutás, és nöekszik a tranyók disszipációja. De ha ez a motor valami nagyáramú (pl. egy kocsiporszívó motorja), akkor tegyél a tranzisztorokra hűtőbordát és adj több bázisáramot (csökkentsd R1-R4 értékét) vagy használj nagyáramú MOSFET-eket a tranzisztorok helyett. Eyébként a rajzodban rosszul irtad fel a J1-es csatlakozó lábkiosztását.
Üdv!
Nem kötekedésképpen, de a képen felülre leírtnál ez szerepel: 4: I/O A -> helyett a képen a földre megy direktben. Kérdés, hogy kapcsolás alapján vagy a felrás alapján vezérled. Esetleg egy ötlet/tanács: ha van még 2 szabad lábad, akkor szvsz. érdemes lenne minden tranyót külön vezérelni. Így lehetőség nyílik fékezésre is.
Lucifer:
igazad van a képet elrontottam az 3-as és a 4-es feliratokat a megcseréltem a J1 csatlakozónál. Szerintem így is lehet fékezni vele ha a két bemenetet eggyaránt H-ba állítom. Vagy tévednék? ---------------- Mi lenne ha nem az I/O benetekre elgedném a PWM jelet, hanem mondjuk az elem negativ pólusát választanám le az áramkörről egy PWM jellel vezérelt tranzisztorra vagy FETet? A bemenetekre pedig 1:0 v. 0:1 v. 1:1 v. 0:0, jelet kapcsolnék, aszerint hogy jobbra, balra forgatni vagy fékezni szeretnék. Szerintetek? -------------------
Üdv!
Na igen ekkor elvileg a motor mindkét felét lerántja 0-ra elvileg fékeznie kell. Tápfeszt kapcsolgatni?? Hátt.... Szerintem hanyagold. Gyári megoldásban még nem láttam. Eddig.
Szia,
Ha lehet szeretném kihagyni a plusz alkatrészeket. pl. optocsatoló Abban sem vagyok biztos hogy elég gyors, nem biztos hogy jó pwm-hez. De lehet tévedek. v.
"A PNP tranyó nem L szintre kapcsol? "
De igen. Nem is azt írtam, h nem fog BEkapcsolni, hanem, h nem tud KIkapcsolni, azaz lezárni. Táp:7,2V mínusz darlington nyitófesz max1,4V az 5,8V! MINIMÁLISAN ennyire kellene a vezérlőjel logH szintnek felmenni a biztonságos lezáráshoz. Ezt Prinner bővebben is leírta. Optóból vannak igen gyorsak is. Nem lehet megúszni a dolgot plusz alkatrészek nélkül...
Hello!
Egy motorvezérlést szeretnék megoldani FET driverrel. Van egy IR2111-es FET driverem, ezzel szeretnék egy H-hidat megoldani... Ötletek? Köszi előre is! --Dögi
Ez az IC nem H-híd meghajtására való.
Tkp mit szeretnél: PWM-es motorszab?
Szóval egy H-hidat kéne helyettesíteni, a motort egy PIC vezérelné a FET driveren keresztül...ha minden igaz...
szóval ERRE valami ötlet? köszi
kyrk és Dudus! Köszi a FAT-os észrevételeket!
Pl TLE 5206 az egy H-híd (5A-es)
IR3220 volt még, amiben belül volt a felső oldali (high-side) 2 FET, az alsó kettőt meg külön kellett hozzákötni, de ő vezérelte. Más hirtelen nem jut eszembe, csak elérhetetlen típusok az Allegro-tól, amik többnyire a fénymásolókban vannak.
köszi...
még annyi hogy időnként ennek úgy 12-3A is kéne bírnia...szted meddig lehet terhelni?
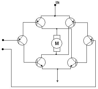
Üdv!
Láttam egy rajzon egy hattranzisztoros motorvezérlést (mellékelve). Szükségem lenne egy ilyenre. Minimum 5-6 ampert kéne bírnia folyamatosan . Szerintetek milyen tranzisztorokat használjak? Pontos típusszámokra lenne szükségem. Van valakinek ötlete?
Ilyet gyerekek rajzolnak.
Ebben a kapcsolásban minél nagyobb tranyókat használsz, annál nagyobbat durran.
Nekem a képről ez jött le amit az előző hsz-emben mellékeltem, mások is javasolták már ezt a megoldást. Ezt ami ezen a scannelt képen van azért nem építem meg mert szerintem nem bír 5-6 ampert.
Olyan megoldásra lenne szükségem amely akkor indítja el a motort jobb/bal irányba ha 1/2 logikai bemenetre adok feszültséget. Szóval ha az egyes bemenetre adok mondjuk 2 voltot, elindítja a motort mondjuk balra. Ha a második bemenetre adok 2 voltot (elsőre bemenetre semmit) akkor jobbra indítja el a motort. (RC vevőegység motorkivezetésével vezérelnék egy sokkal nagyobb motort) Van valakinek rá ötlete, kapcsrajza?
A mellékelt rajzzal kapcsolatban lenne anyi kérdésem , hogy ha kötökrá egy pwm szabályzót akkor PCről vezérelhetem e ezt a kapcsolást? és ha igaen akkor van e valakinek lpt portrol hajtható pwm szabályzó rajza? segítségeteket előre is köszönöm
Megjegyzés: a 7404 nem nyitott kollektoros kimenetű és ha a motor táp nem +5V ( valszín ), akkor ez nem jó.
Nyitott kollektoros IC kell és kicsit átdolgozni azt a részt.
meg tudnád nekem mondani melyik ic nyitot kollektoros vagy tudnál tipust irni,amugy szerinted müködne a dolog?
7406 (30 volt),7407 (30 volt), 40 mA max.
Egyébként problémás a jobb oldal is, mert oda is viszed az irány jelet direktben (TTL)...
Az oldal keresőjét használni luxus?
Amúgy át lesz nemsokára helyezve ez a topik egy másikba, aminek a címe: Motorvezérlés H-híddal
Menne, persze, jobbak.... de dolgozd át az egész elejét és ahogy írta Norberto, van, hol keress...
Hát mindenkinek köszönök mindent és legközelebb körül tekintőbb leszek !
Sziasztok!
Én még elég kezdő vagyok ezért gondoltam itt majd kapok választ a kérdésemre. Végigolvastam sok témát, hogy okosodjam de mostmár muszáj kérdeznem. Olyan problémám van hogy egy távirányító vevője lead +/- 2,5V-ot és ezzel vezérel egy kisebb modell motort. Én ugyanezzel a vevővel szeretnék egy 9V-os motort vezérelni. Arra már rájöttem hogy tranzisztorok ledek ellenállások kellenek bele és láttam pár rajzot is de nem tudom hogy melyiket tudnám hasznosítani. Valaki nem tudna valami konkrét rajzhoz hozzásegíteni adatokkal. Előre is köszönöm!
Sziasztok!
Szintén H-híddal szeretnék én is DC motort hajtani. Kapcsolóelemként MOSFET-et szeretnék használni (mert nem melegszik annyira, mint a tranzisztor), illetve 5V-os logikáról PWM üzemben vezérelni. Határadatok: max 50Vdc tápfeszültség és max 10A áram. Milyen FET-et (és esetleg FET meghajtó IC-t) ajánlanátok a feladathoz? Néztem cél IC-t (bár ez kevesebbet tud, mint azt szeretném): LMD18200, jó kis darab, csak sokba kerül (RET-nél 4 rongy az ára :eek2: ). Éppen ezért is akarok viszonylag olcsó FET-eket használni. |
Bejelentkezés
Hirdetés |







. Szerintetek milyen tranzisztorokat használjak? 







