Fórum témák
» Több friss téma |
Sziasztok!
Segítségeteket szeretném kérni abban, hogy milyen módon lehetne számítógéphez valamiféle egyszerűbb (mint pl. ami ezen a weboldalon is megtalálható!) infra portot készíteni soros, párhuzamos, esetleg USB porton keresztül! Az alaplapi azért nem jó mert nekem nincs olyan az alaplapomon, csak ami a képen van! Köszönöm segítségeteket!
Elfelejtettem, hogy ha lehet PIC-et ne tartalmazzon!
keress rá usb irda vagy vmi hasonló néven...
Anno Topi tett be egy linket!
Köszi megtaláltam!
De mi van akkor ha nem az alaplapi csatlakozóra kötöm hanem a soros portra? Lehetséges?
Fizikailag minden gond nélkül kötheted soros portra is, csak akkor kell hozzá illesztőprogram.
Az USB-s infra port "receptje" pedig ITT van!
Értem, de még van egy kérdésem!
Hogy amit Te feltettél kapcsoláson Vcc csatlakozás melyiknek felel meg? (GND -> GND, IrRxd -> RXD, IrTxd -> TXD ezek azhiszem így ?!)
Sziasztok!
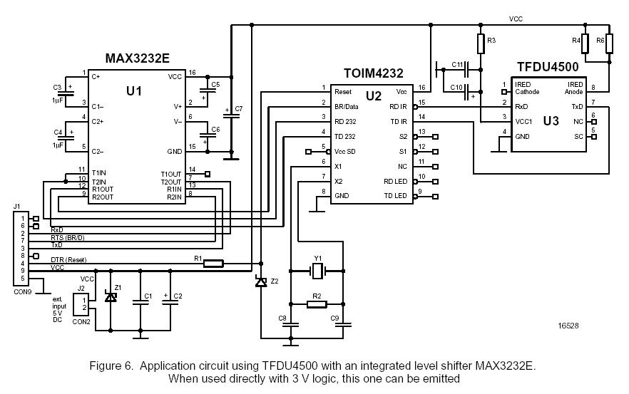
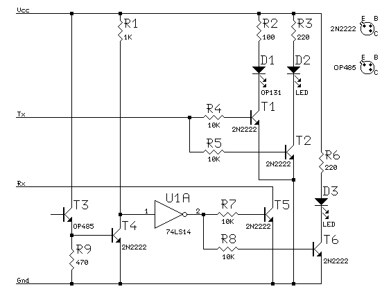
Én is meg próbáltam építeni ezt a fajta infra portot: http://hobbielektronika.hu/kapcsolasok/kapcs.php?id=8&pg=1 Sajnos már az elején elakadtam, mivel a boltos közölte, hogy TFDS4500 IC-t már nem tartanak, de van koplementere. Na mondom az jó lesz. Erre leraktak elém egy kis SMD tokozású IC-t amit szerény tudásommal nemigen tudnék beforrasztani. Viszont találtam egy másik kapcsolást (képet castoltam) ami nem tartalmazott semmi extra IC-t csak egy 74LS14-est. Olyan éppen kallódott itthon, megépítettem. Igaz nem OP 485-ös infratranyót használtam, hanem egy 3888 79A infratranyót használtam ami egy TV szenzora volt valaha . Az infra diódám nem tudom milyen, az egy megboldogult távirányítóból származik. No de szerintem nem ezekkel van baj, mert a diódára még nem érkezett feszültség. Bekötötttem az alaplapi csatlakozóra, de a Windows XP nem talált új hardvert. Megpróbáltam magam hozzáadni a Topi által leírt módszer alapján, de nekem a végén bekérte hogy melyik soros portomra van csatlakoztatva? COM1/COM2 ami nálam gondolom az RS232-es portokat jelenti (abból pont 2 van ). Nincs valakinek valami drivere esetleg alaplapi csatlakozós infrához? Ja és ha valaki ért a LINUX alá történő beállításhoz az is érdekelne.Más kérdés: figyel ott a kapcsolásban egy 74LS14-es IC Megnézetm az IC atlaszomban, Schmidt tiggereket tartalmaz. Ha jól értelmeztem negálja az A bemenetek lábait a Q kimeneteken. (Morzsánnyi agyammal gondolom azt jelentené ha az A lábon kint van a jel akkor a hozzá tartozó Q lábon nincs. Ha az A lábon nincs kint a fesz. akkor a Q lábon viszont igen. Ez előbbiekben nem vagyok biztos csak kérdezem.) Viszont a kapcsolás nem szól arról, hogy honnan tápláljam az IC-t. Vagy elmegy táp nélkül is????
Minden integrált áramkörnek szüksége van energiára. Ez igaz a 74-es sorozatra, a 40xx-es sorozatra, és az összes többi IC-re is a világban. Az adatlapjában megtalálod szépen, hogy melyik 2 lábát kell bekötni. Ha jól emléxem, akkor a 7-es láb megy a földre, a 14-es pedig a tápra.
Egyébként lehetséges, hogy azért nem ment az alaplapi infrád (TFDS4500-zal épített), mert az IrDA portot a rendszer BIOS-ában külön engedélyezni kell. Nem sok alkatrész van benne, tehát lehetőségekből sincs sok. Vagy lehet, hogy rosszul kötötted be, amit adtak (SMD tokozásút), mert annak más a lábkiosztása. Mennie kell, én megépítettem belőle több darabot, és mindegyik azóta is jól szerepel.
Köszönöm a válaszodat! Te aztán gyors vagy. Igen a feszt mindenképpen bekötöm rá.
Ahogy mondtad 7. Gnd 14. a pozitív sarok. Kissé lehet félreértettél. Nem építettem a TFDS4500-s verziót nem építettem meg. Amit mellékeltem azzal kinlódom. A BIOSban nem állítgattam semmit lehet ez a baj majd holnap jelentkezem.
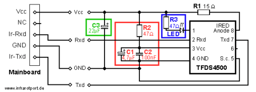
Az SMD-s TFDS4100-zal is nyugodtan meglehet építeni a Kapcsolások-ban leközölt infra portot. Ha az adatlapokon összehasonlitod a TFDS lábait, akkor az ember ráeszmél, hogy a lábak elrendezése nemváltozi meg! Hanem csak a neve illetve a száma!!!:yes:
Némi ügyeskedéssel a hagyományos, lábasic helyére az SMD is beültethető. Persze egy nagyrakás türelemmel karöltve! Kis kutakodás után találtam egy adatlapot, amin a TFDS4500 és a TFDS4100 is megtalálható.
Helló!Én azt szeretném kérdezni hogy a mellékelt rajz jó arra is hogy telefonon keresztül külgyek át a gépre dolgokat vagy ha nem akkor mire jó ?
Elore is kosz!
Igen arra jó. IRDA
És kell valami program hozzá vagy mikor bekötöm akkor elválik.Ja és hova kéne kössem mien portra?
Már megtalaltam a leirast !
Az összes új gépen az infra a COM2-vel közösködik, és a BIOS-ban kell átállítani, hogy COM2 úgy viselkedjen mint IRDA, ekkor az alaplapi IRDA csati életre kell, ha jól emlékszem a windows még egy üzenettel se nyugtázta a dolgot, de mikor elé teszel egy telót (aktívált IRDA-val) akkor közli, hogy új hardware van a közelbe (esetembe CXT75) Üdv. (fileokat úgy tudsz küldeni, hogy saját gép jobb gomb küldés, és közeli számítógép, persze ehhez telón IRDA-t aktíválni kell ! Üdv !
Mi a különbség akkor ha az infra modult nem a soros portra kötöm hanem az alaplapi tűkre? Mért nem kell akkor driver?
Egyátalán honnan lehet leszedni ilyen összerakott cucchoz drivert XP alá?
Szerintem az alaplaphoz adott CD tartalmazza. És ha jól emlékszem akkor a Biosban is be kell kapcsolni.
Idézet: „Mi a különbség akkor ha az infra modult nem a soros portra kötöm hanem az alaplapi tűkre? Mért nem kell akkor driver?” Egyszerű a válasz. A soros port egy univerzális port, rakhatsz rá 500000-féle külső dolgot, mert arra tervezték...ezzel szemben az "alaplapi tüskéket" csakis infra adóvevő kiszolgálására tervezték, ami alapból tudja a feladatát (ezért nem kell így hozzá driver)... Idézet: „Egyátalán honnan lehet leszedni ilyen összerakott cucchoz drivert XP alá?” Az XP szerintem önmagától felismeri a tüskékre rakott infra adóvevőt, hiszen szabványban rögzített módon működik, amit az XP ismer... Viszont az az alaplapi BIOS-beállítás valóban lényeges, amit bbatka említett az előbb!
Csak az a baj, hogy a gép elég régi, nincs az alaplapon ilyen tüske viszont soros port van rajta, ezért gondoltam ha megépíteném és soros portra raknám akor honnan lehetne hozzá drivert szerezni.
Én egy SOROS portra köthető infraportot keresek (olyasmi mint a tavir.hu oldalán) csak nem tudom elkészíteni.
Ha tudja valaki kinél tudnék ilyet beszerezni, kérem szóljon! (számítógép távirányításhoz, -winamp- -media player- távszabályzóval való használatához kéne) Régen volt ilyenem, GIRDER-rel működött, csak tönkrevágtam. Köszi!
ez így nem a legpontosabb megfogalmazás...
az alaplapi infra port TTL jelszinteket (0V és 5V vagy 3.3V) használ, a külső soros port pedig "soros porti" jelszinteket (kb +/- 12V), ami egy picivel magasabb, ezért nem biztos hogy megérné az öt X-et az áramköröd (X=1 másodperc :p )
Bővebben: Link
A fenti linken van egyszerübb amit nagyon könnyű elkészíteni és csak pár alkatrész kell hozzá.Igaz nem girder kell hozzá hanem a winlirc. Régebben megépítettem és tökéletesen működött, most a szekrényben pihen, már egy ideje nem használom.
Sziasztok en arra lennek kivancsi hogy ha megcsinalnam ezt az infraportot a com port ra akkor azon keresztul a gepemre es a telefonomra is kuldhetek akar mit szoval mindket iranyban mukodik vagy kel kulon fogdo meg kuldo vgy csak eleg egy????es ha tudnatok segiteni egy jou kis nyakrajzzal meg beultetessel na persze meg egy alkatreszlistaval azt megkoszonnem elore is kosz
Üdv! Egyszerűen nem! Ha az alaplapodon van IrDA csatlakozásra lehetőség ahhoz kell megépíteni ezt a kis áramkört egy 1000Ft-ból kihozható!
Ez link tényleg hasznos!
nekem egy nvidia nforce4-a754 es alaplapom van arra jou lenne az infraport???melekeltem ket kepet elore is kosz
Szervusztok !
Van 1 LIRC-es kérdésem ebben a topicban : UJ TOPIC Légyszíves ebben a topicban folytassátok mivel sokkal másabb a probléma mint az eddigiek ! Kösszi ! |
Bejelentkezés
Hirdetés |






Elore is kosz! 













