Fórum témák
» Több friss téma |
Üdv mindenkinek!
Lenne egy kérdésem és kérem aki tud segítsen nekem! Van egy PIC16F877-es PIC-em és erre szeretnék egy olyan programot írni, amely soros porton keresztül SMS üzenetet küld egy TC-35-ös modemre! A modemre küldött AT szabvány parancsokkal tisztában vagyok: AT+CMGF=1 AT+CMGS=<telefonszám> >...szöveg helye és végül a végére egy ENTER Ezeket kellene a modem számára soros porton keresztül kiküldeni, de nem tudom, hogy kezdjek hozzá ASSEMBLY nyelven. Tudnátok esetleg mintaprogramot küldeni nekem? A képet mellékeltem mi szerint kellene beprogramozni a PIC-et! Mindenkinek előre is köszönöm a válaszát! Üdv.: Róbert
Igen ilyenre gondoltam. Köszönöm!
De hova szúrom be a soros portra küldendő üzenetet? Az AT parancsokra gondolok most elsősorban! Nem nagyon vagyok járatos a PIC-ben! Üdv.: Róbert
Talán ezzel egyszerőbb lenne: letöltés
Itt a picsimulatoride kell, és basicben tudod progizni a pic-et. Basicban ha kell tudok segíteni.
itt karakterekben kell majd gondolkodnod...
az általad keírt parancsoknak emgnézed a 8 bites kódjait, és sorrendben eltárolod a programban, ami ugyanebben a sorrendben kiküldi soros portra ebben a kódban tényleg nincs, itt egy másik: http://web.ukonline.co.uk/j.winpenny/pic/rs877.txt ami meg most látom nem assembly, whááááá egy pillanat
"GSM" és "mobiltelefon" kulcsszavakkal keress rá a fórumtémákban. Volt ilyenről szó már egy párszor.
Egyébként a fentihez hasonló módon a küldésre és az adatvételre két rutin: sub_vetel: bcf STATUS,RP0 btfss RCSTA,OERR goto $+3 bcf RCSTA,CREN bsf RCSTA,CREN btfss PIR1,RCIF goto $-1 movfw RCREG return ; ------------------------------------------------------------- sub_kuldes: movwf TXREG bsf STATUS,RP0 btfss TXSTA,TRMT goto $-1 bcf STATUS,RP0 return ; ------------------------------------------------------------- Előtte az USART beállítása: ;------------------------------------------------------------- ;Baud Rate = 19200, No Parity, 1 Stop Bit movlw 0x0b ;0x0b=19200 bps, 3.6864MHz-nél, 4MHz-nél 0x1c movwf SPBRG movlw b'00100100' ;brgh = high (2) movwf TXSTA ;enable Async Transmission, set brgh banksel RCSTA ;0 lap movlw b'10010000' ;enable Async Reception movwf RCSTA ;--------------------------------------- És aztán csak egyszerűen a w-be a küldendő karakter pl: ;--------------hívás befejezés------------------ sub_bontas: movlw 'A' ;"ATH"+ call sub_kuldes movlw 'T' call sub_kuldes movlw 'H' call sub_kuldes movlw CR call sub_kuldes Persze a küldendő karaktereket, szöveget lehet "dt" direktívával is elhelyezni és egy szubrutinnal egyesével beolvasni a w-be, majd soros portra küldeni. A CR kódja 0x0d
jó nyertél... én lustább voltam, mert tudtam hogy ez egy népszerű típus és van készen példakód :p azt kerestem, csak nem jól
Hát egy félórát is eltartott mire beszerkesztettem, mert kódként az istenért nem akart szépen megjelenni
És össze tud nekem most valaki állítani ebből egy komoly működő programot?
Tudom most az a válasz, hogy ezt nekem kell megcsinálnom, de még mindig nem értem, hogy mit hova kell másolni és alakítani vagy beilleszteni. Ha lenne egy összeállított programom akkor abból már ki tudom deríteni, hogy hogyan is épül fel a program! Nekem csak az kell, hogy a következő parancsot küldje a modem soros portjára: AT+CMGF=1 AT+CMGS= ekkor megjelenik egy > karakter és utána lehet írni a szöveget ..., majd a végére egy CRTL+Z billentyűkombinációt vár a modem! Előre is köszönöm! Üdv.: Róbert
Magamnak kellene otthonra. Egy szerverre kötném és ha áramszünet lépne fel, akkor küldjön nekem egy SMS-t hogy intézkedni tudjak! A táplálását egy jelfogón és egy 12 V-os akkumulátorral oldanám meg!
MPi-c!
Össze tudnál nekem most állítani ebből egy komoly működő programot? Tudom most az a válasz, hogy ezt nekem kell megcsinálnom, de még mindig nem értem, hogy mit hova kell másolni és alakítani vagy beilleszteni. Ha lenne egy összeállított programom akkor abból már ki tudom deríteni, hogy hogyan is épül fel a program! Nekem csak az kell, hogy a következő parancsot küldje a modem soros portjára: AT+CMGF=1 AT+CMGS= ekkor megjelenik egy > karakter és utána lehet írni a szöveget ..., majd a végére egy CRTL+Z billentyűkombinációt vár a modem! Előre is köszönöm! Üdv.: Róbert
A TC-35 AT parancsait nem ismerem, de egy olyan programot a fentiek alapján "össze tudok állítani" ami a soros porton egy adott karakterláncot kiküld. Ezt aztán lehet bővíteni.
Egyébként! Ehhez a feladathoz miért egy "nagy" PIC-et választottál? Kisebben (olcsóbban) is van USART modul, na meg szoftveresen is megoldható.
Ha összeállítanád nekem akkor meghálálnám!
Egyébként van egy próbapanelom és ez a PIC van benne. Ezért választottam ezt a tipust. Köszi a válaszodat! Üdv.: Róbert
Ahogy időm engedi. Épp most hívtak dolgozni, úgyhogy ma délelőtt már biztos nem tudok segíteni.
Itt az alapprogram. Az inicializálások után sleepben várakozik, majd az INT kivezetésen érkező (felfutó) jel felébreszti a processzort és a soros porton kiküldi a program végén dt-vel tárolt karakterláncot a lezáró CR vagy CTR-Z-vel.
Ezzel már elindulhatsz. Először szerintem szimulátorban futtasd (Erre nagyon jó az oshon szimulátora, ott a hardver USART-tal láthatod az eredményt is.). Aztán próbapanelen a PC-vel kösd össze a PIC-et és akkor egy terminál programmal figyelheted a működést. Ezután illeszd a telefont a PIC-hez. Itt szoktak a problémák lenni a Tx, Rx vonalszintekkel. Ha ügyes vagy, a PIC-telefon kapcsolatot a PC-n is meg tudod jeleníteni és akkor a kommunikáció ellenőrizhető. A program nem kezeli a telefontól érkező válaszokat, bár a vételhez a szubrutin benne van. Szerintem legegyszerűbb a megszakítás alkalmazásával a tápfeszültség változásának figyelése, persze a PIC táplálását külön meg kell oldani. Ha telepről vagy aksiról megy a PIC, akkor a sleep még jól is jön. Azt is meg lehet oldani, hogy a tápfesz visszatéréséről is értesítsen a telefon. Jó "szórakozást"! És a többi, ilyen témájú topicot is keresd meg.
Bocsi az OFFért, de nem akartam e téma miatt új topicot nyitni.
http://www.giga-line.com/ingyensms/ A fenti linken hirdetnek egy sim kártyát, ami 1 évi korlátlan (ellentmondásosan napi 200 ill 600 ban maximált) sms küldés lehetőségét adja 6000 Ft-ért. a kérdéseim a következők: 1, igaz ez? 2. ha igaz, legális? Remélem van köztetek valaki aki már hallott róla, netán ki is próbálta. Köszönöm.
Nos??
Sziasztok!
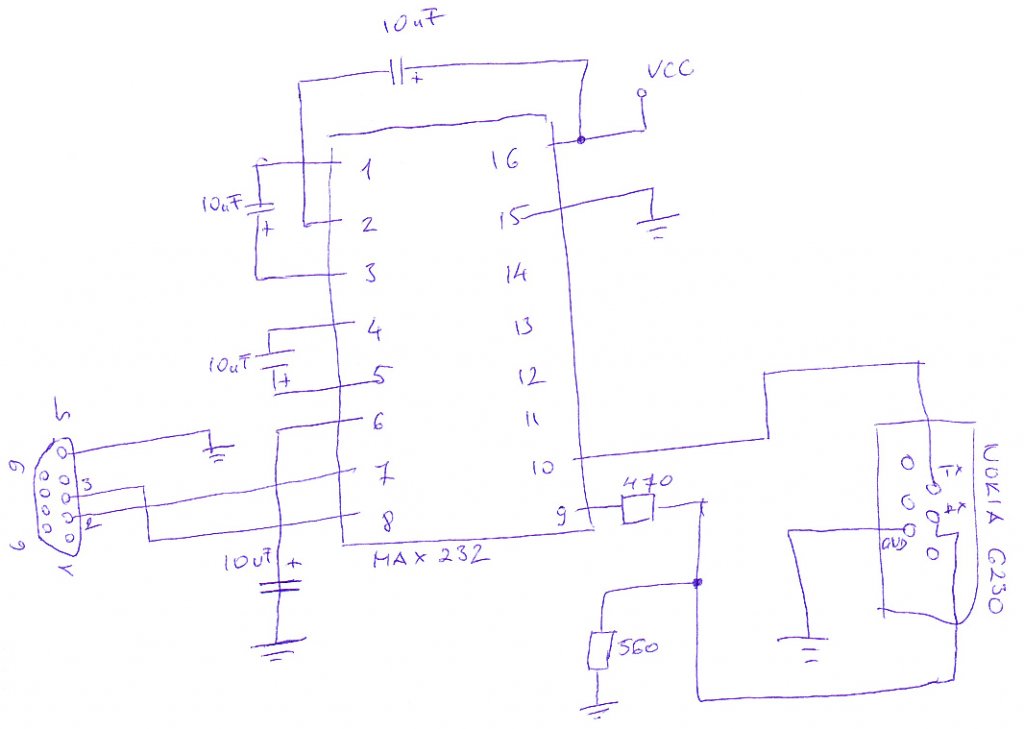
Egy 18F4550 piccel és egy nokia 6230 -as telefonnal szeretnék sms küldeni, fogadni. Először a telefont egy PC-vel szeretném összekötni, hogy tanuljam a kommunikációt, aztán jöhet a PIC. Sajnos nem akar a kommunikáció létrejönni. Csatolom a rajzot az áramkörről amit építettem, szerintetek jó? A neten keresgéltem leírást, elvileg 9600 8N1 -gyel mennie kellene. DockLight-tal szólongatom, egy AT+ Üdv: T.
Ez igy nem fog menni, ezt ebben a formában felejtsd el.
A nokia telefonban nincs AT modem, ot csak Fbus illetve Mbus módon tudod szóra birni, de ez neked nagyon bonyolult lesz. Ha PC-re telepited a nokia driverét, az föltesz neked 2 darab virtuális COM portot azon keresztul már válaszol az AT parancsokra (usb kábel), de az AT converziót a driver csinalja és bizonyos számu utasitás után a készüléknem fog válaszolni ilyenkor újra kell inditani a telefont. A te lehetőséged egy régebbi siemens vagy egy GSM-AT modul, uj telefonok közvetlenül nem fognak AT-ra válaszolni, kivéve az olcsó LG telefonok, de a telefon sorozatszámán és egyéb számodra nem fontos információn kivül semmit nem fogsz tudni belőle kiolvasni, ill. nem fogsz sem sms-küldeni fogadni sem telefonálni.
Az előzőeken túl a MAX232 bekötését is nézd meg inkább az adatlapjából, mert a kondenzátorok bekötése hibás, pont fordítva van mind, és az értéküket is vedd 1u-ra (Figure 5.)!
A fenébe, pedig azt hittem fogy a fényképen látható RX TX kell nekem a soros adatátvitelhez. :no: Az FBUS pedig csak az a jelölt kivezetés ami a képen is van. hmmm. nézek valami GSM-AT -t ahogy írtad.
Köszi a választ.
Nem teljesen reménytelen az ügy, de nem egyszerű. Szükséged lesz egy programra ami PC oldalról képes kommunikálni a mobillal. Egy kábelre amit támogat.
Nem kizárt hogy a saját Max232-es kábeled is jó lesz. A harmadik eszköz a Portmon nevű háttér monitorozó Freeware program. És sok-sok idő. És egy link
Nagyon sok idő.
Azt is jó lenne ha tudnád hogy a nokia telefonok a 9600 as sebessége nem pont 9600 egyes modelleknél több míg másoknál kevesebb. az Mbus/Fbus a nokianal nincs publikálva csak annyi ami kikerült az ipari titokból. Nem lesz egyszerű megérteni az Mbust/Fbus, még akkor sem ha tudod hogy egyes modeleknél bizonyos dolgok 7 biten mennek. Nem lehetetlen amit akarsz, de sok sok sok idő kell hozza. Sok szerencsét.Bővebben: Link |
Bejelentkezés
Hirdetés |












