Fórum témák
» Több friss téma |
Nem kell enyire túlbonyolítani. A gyári készülékekben is csak két poti van semmi több. Rákötsz a potikra stabil 5V-ot, a kimenetére egy-egy A/D konverter ,és már mehet is a PC-nek az adat. Arra azért figyelj, hogy a potik elforgatási szöge nem 360°, ezért nem árt egy áttételen keresztül meghajtani őket. Az nem gond ha nem mennek végállásba, sőt.
Ha teszel a potik után egy-egy 10 bites A/D konvertert és a potik elfordulásának csak a 80%-át használod ki, akkor is fél fokon belül lesz a felbontásod.
"Lettyenés" ellen ajánlom az öntartó mechanikát, jellemzően a csigahajtást. Az ablaktörlőmotorok ilyenek. Ezt lehetne folytatni bordásszijjal például, vagy azzal, ami van. Táplálni egy PC táppal bőven lehetne. AD ügyben mint Feri, ajánlhatom pl a TLC1549-et, soros 10 bites (TLC548: 8 bites)-t , a PC ből 4 vonalat foglalna le, 3 ki, 1 be. Ha felváltva engedélyezed a két AD-t akkor elég összesen 3 láb az LPT-ből. De a mechanika lesz a nehezebb
A hőméréssel meg ...ne foglalkozz, a mechanika hibái úgyis nagyobb hibát visznek a rendszerbe.
A Nagypapám azt mondta, a potméternél ne mérjek hőt. Hiszen, a potméternek 3 lába van. A két szélső lába között van a teljes ellenállás, az egyik szélső meg a középső pedig az aktuális állás (illetve a középső és a másik szélső). Így, csak a számítógépprogramot kell megfelelően megírni, és megnézni, a teljes ellenállás és az aktuális ellenállás arányát. A Nagypapám tippje zseniális, hiszen nem kell hőt mérnek, mégis nagyon pontos, függetlenül a külső hőmérséklettől.
Amúgy a Nagypapám is valami csavarhajtás nevű dolgot mondott, hogy ha a motor forog, a kar csak akkor tud mozogni. Ha a motor áll, én kézzel sem tudnám a kart elmozdítani, csak ha letörném. Utána fogok nézni ennek a mechanikai dolognak. Egyébként köszönöm az eddigi válaszokat!
Függ az, csak csekély mértékben. Fogalmazzunk egyszerűbben. A potméter egy állítható FESZÜLTSÉGosztó. Egyik vége testen, a másik vége egy stabil, (ha már itt vagyunk "hőmérsékletfüggetlen" ) feszültségen. Az AD-nek a csúszkán leosztott feszültséget kell mérnie.
Én így csináltam. A kép homályos, mert a padláson sötét van, de a lényeg még kivehető. Az oszlop egy közönséges potit forgat egy lassító áttétellel. A leosztott feszültséget egy LEDes "kivezérlésmérő" mutatja kör alakban és futópontosan. Használható megoldás wifire, de egy műhold becélzásához nagyobb felbontású kell.
Szia és hogyan érzékeli a wifi antenna forgató visszajelző?
Azaz pontosan szólva reed relével vagy hogy? Üdv.
Hello, Az oszlop egy közönséges potit forgat, az ő általa leosztott feszültség arányos az antenna irányával.
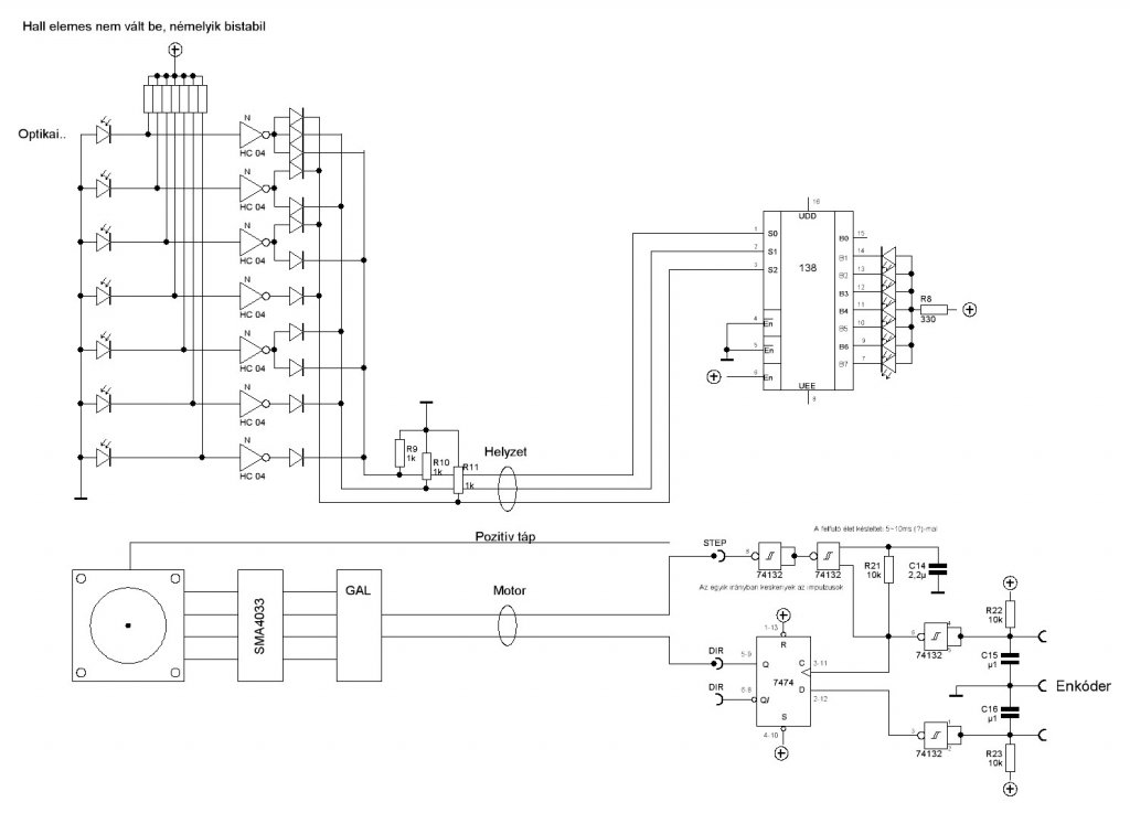
De azóta készítettem egy másikat, a ki mit építettben megtalálható, ott LED-fotodióda páros adja a pozíciót. A reed nagy volt, Hall elemeim nem voltak, és nem is tudtam volna kezelni a szenzorok közötti átmenetet.
Led és fotodiódáról én is gondolkoztam Pl olyan ami egy régi egérben is fellelhető.
Ha nem gond tudsz rajzot küldeni róla? Nekem parabola forgatóra van feltéve az antenna egy műanyag tárcsát forgat a motorja és 12 méteres vezetékkel megy fel az fesz neki. A potis megoldással csak az a bajom hogy macerás illeszteni a motorra (tengelyre). Üdv.
Mi volt a probléma a potis megoldással?
Sziasztok!
Nekem potis megoldás volt a forgatómba és nagyon tökéletesen működött. A potméteren volt egy rugó ami folyamatosan feszítette az 1/2 fogaskerék áttételt, így nem volt kotyogás sem. A visszajelzés is minimál konfiguráció volt. Egy kiöregedett de még 2V-on működő digit multi volt a kijelző. A + a fenti potméter közepe, a - egy alul beállított trimmer. Amikor a híd kiegyenlített 0V-ot mutat ami 0 foknak felel meg. Teljes körülforduláskor a tápfeszültséget annyira állítottam, hogy 360-at mutasson. Ezzel sikerült közel 1 fokos felbontással kijelezni az irányt. Egy két kondenzátor és 100W RF nem okoz gondot 20m levezető kábel mellett. Üdv: Gábor
Semmiféle problémám nem volt, két éve működik is, csak kiszerettem volna próbálni a digitális módszert is. Ennyi csak. A forgatás is már léptetőmotorral és enkódergombbal történik, nem DC+- -szal, vagy hogy mondjam..
Ennyi a lényeg, 8 eres UTP kábellel ilyen működik, Ezzel 7 LED működhet + mindegyik között a szünet, így kis odafigyeléssel 13 pozíciót ad, nálam 180 fokon. A léptetőmotor elégé ideges, ajánlott a féllépéses meghajtás. Ennél jobbat már PIC-kel érdemes. És valóban: az analóg módszer főleg mechanikai feladat. Nameg bádogos: ahogy a fotón is látható beázik a tető miatta!
Így már értem, csak éppen megijedtem hogy van valamilyen hátulütője a házilagos potis megoldásnak.
Ha egyszer én is rászánom magam valamilyen forgató építésére, a potist megoldást favorizálnám valami ilyesmi megoldással.
Hát ja. A potinál jobb lenne egy "kis" felbontású abszolút enkóder, az iparban használatos, ma már lement az áruk, van már műanyag is, de még mindig többszöröse egy potis megoldásnak. Én is gondolkodtam egy hasonlón, és bizony a jövőbe kell látni a csatornák számát illetően, mert mi van, ha több antenna kerül az oszlopra, parabola, amit bólintani is kell, van a polarizációját változtatni, esetleg valami meteorológiai műszer...Az én terveimben még az is szerepel, hogy az antennaoszlop kitolható legyen a tetőgerincből, a villámok végett is ugye. A fotón látható is a gombok helye.
Szia a visszajelzőnél a fotodióda felett mi az?
![]() Amúgy nem rossz megoldás és köszi a rajzot. A jobbra balra forgató az megy nekem mert egy gyári para forgatóra van téve.
Ja! Tényleg csak egymás mellett.
![]() Köszi még 1x
Szia!
Egy utolsó kérdés milyen típusú fotodiódát vegyek? Gondolom az adó meg infra dióda
Szerintem teljesen tökmindegy. Lássa az infrát, ennyi elég
Sziasztok!
Szeretném a segítségeteket kérni, szükségem lenne egy olyan dologra ami a következőkre képes és nem 80-100ezer forint.. Van egy grid antennám kb 4-5kg szeretnék hozzá egy mozgató motort ami horizontális és vertikális mozgásra is képes és persze elbírja gond nélkül az antennát akár szélben is... mert kültérre lenne háztetőn. Na meg persze egy vezérlő sem ártana hozzá, legjobb lenne egy vezeték nélküli de azért nem vagyok telhetetlen szóval minden megoldás érdekel. Visszajelzés nem kell az állapotáról hogy épp hogyan is áll vagy merre, azt úgyis szoftveresen a jelerősségből látom mikor jó és mikor nem. Válaszotokat előre is köszönöm, amennyiben valakinél létezik hasonló szerkezet meg is venném.
Parabola antenna forgató nem jó neked ? Szerintem használtan fillérekért tudsz venni .. A keresőt nem ismered?? Már van ilyen téma
A hozzászólás módosítva: Jan 9, 2014
Hát nemtudom... nézegettem őket de ahogy elnéztem a tengelyt szerintem azok nem képesek olyan mozgásra ami nekem kellene, ugye nekem nem az ég felé kell "néznem" vele és számít nagyban egy irányított antennánál akár 1cm eltérés is akár lefelé, ami a legtökéletesebb lenne így egy kamera mozgató motor de azok horror árúak.
Nekem csak parabolához való forgatóm van (tehát ez csak egy síkban mozog), viszonylag erős, és van hozzá egy infrás távvezérlő is. Annak idején 5000 pénzért vettem.
Hát igen, valóban szükségem lenne a vertikális mozgásra is, szóval valami mást kellene kitalálni.
Sziasztok! A mai napon szert tettem egy antenna forgatóra,sajnos a vezérlő egysége nincsen meg! Valaki tudna segíteni a vezérlésével kapcsolatban. Szétszedtem,egy motor van benne,nicsen elektronika,se végállás kapcsoló. Köszönöm a segítséget előre is!Tipus számot nem találtam rajta, Három kivezetése van a motor tekercsről,semmi más!
A hozzászólás módosítva: Nov 27, 2015
|
Bejelentkezés
Hirdetés |




A hőméréssel meg ...ne foglalkozz, a mechanika hibái úgyis nagyobb hibát visznek a rendszerbe. 






