Fórum témák
» Több friss téma |
Mielőtt kérdezel, a következő két dolgot ellenőrizd!
I. A helyes tápfeszültségek megléte.
II. A kimeneten van-e egyenfeszültség.
Élesztés.
Érdekes. Nekem egy dc300-am van, ami szintén érdekes megoldásokat rejt. Abban is ilyen kicsi tranyák vannak, és a középső lábuk le van törve, és szigeteletlenül vannak a bordára téve. Ez jobb hőelvonást jelent, viszont a borda tápfeszre van kötve, nem érhet össze se a házzal, se a + és - rész. Az is érdekes, hogy teljesítményéhez képest, elég kicsi a hűtőborda. Nálam a ds300 1U magas dobozban van, szintén aprócska hűtéssel. Egy kicsi venti a panel alá fújja a levegőt, majd ott van valamiféle bordázottsága a hűtőbordának. Sajnos a kapcsolást nem tudtam teljesen megnézni, mert a fele kilóg a PDF-ből.
Itt van pár kép az enyémről.
És még pár kép. És mindez 1U magasságban.
Meg tudod nézni, csak lapozni kell, 4 oldal van, de ez valójában 2db a3-as oldal kettévágva. Érdekes, hogy a tiedben sincs szinte semmi...
Igazából ha végignézi az ember, minden benne van ami kell, csak tök kicsiben van elkészítve.
Szevasztok!
Keresek valami kis panelen elférő 2×20-tól 30W-ig bezárólag valamilyen sztereó erősítő kapcsolást. Én valami mosfet-es kapcsolásra gondoltam de nem igazán találok semmi ilyesmi teljesítményű kapcsolást. Ha valakai tud segíteni a kérdésben az írjon nekem egy üzenetet vagy dobjon egy mailt .: *** * Itt a fórumon értekezünk !
Sziasztok . Segítségeteket kérném egy nem mai cd lejátszó hibafeltárására. A készülék gyárilag külső tápról működik ezét készítettem hozzá egy +- 10V-os tápot . Ez így jól is sikeredet, de sajnos a kimeneten a hang recsegve jön / halkan (recsegés hangosabb mint a zene).
Csatolok egy serviz kapcsolást a készülékről ami alapján be kötöttem a tápot . Táp csati (CNP 10) -el jelölve , én csak a 3,4,5 lábakat kötöttem be (+8 ,GND,-8) az 1-es nincs bekötve ha esetleg ez baj lenne! Köszönöm a segítségeteket előre is.
Valoszinü, hogy igen. A két GND valoszinü belsö okok miatt lett igy kialakitva,és a csatlakozo köti öket össze.
Üdv.Ha emlékeztek tettem fel ide egy olyan kérdést,hogy az 5.1 esemen miért jön ki később a hang.Olyat lehet-e csinálni,hogy a nyákján valahogy megkeresném az imputját es direktbe oda adnám simán a sztereo jelet,kihagyva a bemenetválasztót stb.it.Már vannnak sejtéseim,hogy hol kaphatja a jelet,de ha jól számolom összesen 6+1 gnd kábel kell legyen a bemenetele.Ezt meg is találtam csak gondoltam megkérdezem,hogy ennek vane értelme megcsinálni.
Probáld meg mégegyszer hátha sikerül érthetöbben fogalmazni.
Az 5.1 meg a sztereo jel nem ugyanaz, igy nem tudom hol akarod megkeresni a közös pontot.
Szóval.5.1 et arra értettem maga a hangsugárzóra.Én mindig is csak simán sztereon hallgattam,csakhat most amit leirtam problémám let... és megerné-e úgy megcsinálni?Mert én arra gondolok hogy a bemenet valaszto IC tehet a kicsi késésrről.
Nekem is volt egy Yamada 5.1-em és nekem is késett a hang. de nekem nem az 5.1-el volt a baj...hanem a hangkártyával...
De nekem ha a hangkártya késik az ugyanúgy kellene késsen mind a kettő.Mert csak egy kis fekete jack eloszto van.Nemtudom holnap megprobalom amit mondtam.hatha nemlesz semmibaja..Azért köszönöm.
Még egyszer, mert nem világos sajnos még mindig mi a gondod.
Az 5.1-es hangnak semmi köze a sztereohoz. (Nem ugyanaz a forrás) Ha az 5.1-es hangot mégis sztereo bemenetböl csinálja (azaz pl. egy CD-röl vagy a rádiobol jön a jel) az nem 5.1-es hang, hanem mühang - az erölködö maga alakitja ki a tervezök saját fantáziája szerint. Nyilvánvalo, hogy ez némi (kb. 100-300 ms) késéssel jár. Ha van rajta 5.1-es bemenet is (optikai vagy koaxiális - fekete RCA), akkor az 5.1-es jel a hanghordozorol jön (DVD stb.) és annak az idözitése a képhez van igazitva - és általában van egy PCM jel is a hanghordozon (DVD) ami a sztereo jelet adja és más az idözitése. A kettöt nem illik keverni. (Ugyanazon a cstalakozon érhet az erösitöben, de a lejátszoban kell választani - és automatikusan kapcsolja az idözitést is). Ehhez szokott jönni némi macera, hogy melyik 5.1-es dekodért használod: a lejátszoba épitett-e vagy az erösitöbe. Elvileg idözités szempontjábl mind a kettönek egyformán kell mennie, legfeljebb a hang minöségben lehetnek eltérések - de ez már más kérdés.
Üdv.Szóval:Én mindig is csak sztereo jellel hajtottam,tudom hogy ez nem 5.1. Énis erre gondoltam hogy amiatt az ic miatt késhet a jel.Ma ha szétszedem simán az egyik inputján,mert megtaláltam odakötöm,és akkor két hangszorónak kell szólnia.Ha igy nem fog késni akkor megcsinálom végig rajta de ha fog akkor hagyom az egészet.Köszönöm a magyarázatot.
sziasztok!
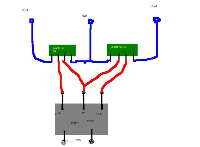
Segítséget szeretnék kérni plusz minuszos táppal kapcsolatban. Neki álltam egy erősítő építésének.Mindent összeraktam kivétel a tápot mert nem értem hogyan kell 2*9voltos trafoból plusz minuszt csinálni. Elképzelésem van csak nem biztos hogy jo. csatolok pár képet hogyan is gondoltam,amikor sorba kötöttem a hídakat akkor füstölni kezdett a trafó,ehhez az erősítőhöz nem kell stabil táp. légyszi segítsetek hogyan lehetne csinálni egy trafóbol +- tápot kösz
A második ábra (egy Graetz-cel) az jó, csak ne felejtsd el pufferelni.
Második...
a minusz 9 volthoz igy kell kötni a kondit vagy oda nem kell?
kösziii
Pontossan ahogy a rajzodon van, csak el ne felejtsd hogy a pozitív oldalra is kell!
oda ajzoltam azt is ,tehát jó
köszi mindenkinek a segitséget
Jó lesz. esetleg tegyél be szűrőkondinak 2 0.1uf-osat párhuzamosna.
Hali!
Egy LM386 chipre épülő erősítőt szeretnék készíteni, egy másik chip kimenetének erősítéséhez, viszont nem akar összejönni a dolog ![]() Maga a kapcsolás ez lenne: Bővebben: Link Ha a Speakjet chip kimenetét kötöm a hangszóróra, akkor halkan, de működik. A hangosításhoz kellene az erősítő része ugye. Ha az erősítővel helyezem áram alá, akkor csak pattan egyet a hangszóró és síri csend. Próba panelon raktam össze, erről lent linkelek egy képet, ami tudom, hogy elég nehezen végigvezethető így. A jobb oldali rész a Spekjet demo módba kötve, ez a rész működik is, a hosszú sárga vezetéken megy a hangjel ki belőle. Ettől balra jön az erősítő rész, amihez ezeket az alkatrészeket használtam fel: R4 = 27 R 5% R5 = 27 R 5% R6 = 10 R 5% R8 = CA6V-STD 10K (potmeter) C1 = 10 nF / 50V (Tantal) C2 = 10 nF / 50V (Tantal) C3 = 10 µF / 35V (Elektrolit) C4 = 2,2 µF / 50V (Tantal) C5 = 47 nF / 50V (Tantal) C6 = 100 µF / 25V (Elektrolit) C7 = 10 µF / 35V (Elektrolit) Próbapanelen Ha valakinek van sejtése, hogy mi a hiba, akkor annak a segítségét megköszönném! ![]() Többször végignéztem már a kész kapcsolásomat, de mindent jónak vélek...
Sikerült megoldani a problémát! Hogy mi volt a gond, ne kérdezzétek, szétszedtem, majd újraépítettem az egészet, most remekül szól!
![]() Kicsit spóroltam a sok vezetékkel, most átláthatóbb is: Kép
Szia.
Ennél nincs is szebb mikor te jössz rá, Gratulálok! Mellesleg azért ez már egy összetett dolog amit csináltál.:yes:
Sziasztok!
Lehet, hogy én vagyok a hülye, de ez a szigetelő lapka arra való, hogy a borda és a fetek közé kerüljön ugye? EZ Na hát ha nem, akkor nagyon hülye vagyok, vállalom... De ha igen, akkor senkinek ne jusson eszébe ilyet tenni a fetek alá. Hát én ilyet tettem. Pasztát is kapott, és jól ráhúztam, két anyával és rugós alátéttel. Próba alatt (kis hangerőn) A borda még csak langyos volt. Amikor ez a kis rohadék szigetelő megsütötte a fetjeimet... Én nem értem, egyszerűen nem engedett át elég hőt vagy valami ilyesmi. Nem az erősítő melegedett nagyon, mert előtte szigetelő csillámmal már szépen ment. Azt hittem, szétrobbanok... Még most is...
Helló szia mindenkinek!
Azért nyitottam ezt a témát mert van itthon 2db uPC1270H IC-m és szeretném belőlük a legjobbat kihozni! Erre szeretném a segítségeteket kérni hogy a lehető legjobb jöjjön ki belőle!
Szia.
Nekem is ilyen van jó pár végtranyám alatt, és már volt is rá példa hogy bő, 70C felett ment órákig. Semmi átütést nem tapasztaltam soha még. Mellesleg ezeknek a silicon gumiknak sokkal jobb az átütése (10kW /mm , a sima üveges pedig 1kW /mm). Én arra saccolok, hogy nagyon meghúzhattad, esetleg kicsípődhetett a fet alatt a silicon, és ez okozta neked az átütést. |
Bejelentkezés
Hirdetés |




















