Fórum témák

» Több friss téma
Fórum » TDA7294 végerősítő
 
Témaindító: Dióda, idő: Ápr 17, 2006
Lapozás: OK   291 / 611
(#) csabacsaba válasza reloop hozzászólására (») Szept 5, 2011 /
 
Hangositas felesegre(osztalybulik,balok)
(#) reloop válasza csabacsaba hozzászólására (») Szept 5, 2011 /
 
Értelek, ezek szerint az összteljesítményt céloztad meg, és ebből lett a 4 csatorna.
Ilyen elrendezést javasolok az alagúthűtés kivitelezésére. Egy 4x200W-os erősítő sok veszteségi hőt termel, ventillátor nélkül nem tudom a hűtést elképzelni.
(#) Cumo hozzászólása Szept 5, 2011 /
 
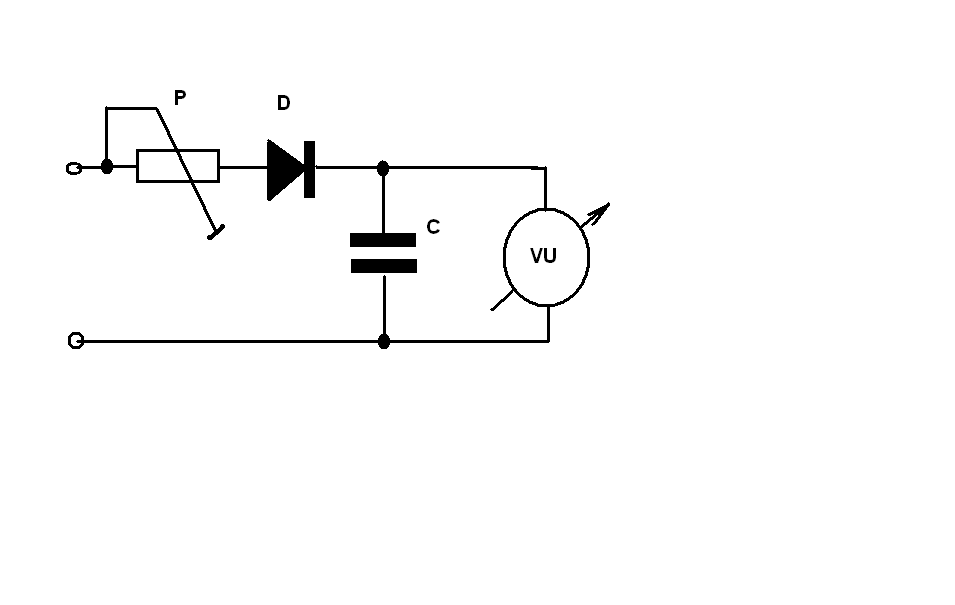
Van valakinek valami ötlete hogy hogyan oldjam meg a VU métereket,vagy DB órákat hang erő kijelzésre?
Gondolom az "előerősitő" -böl kiindulva nem a végfokhoz kötve.
(#) reloop válasza Cumo hozzászólására (») Szept 5, 2011 /
 
Mint írtam a Pioneer CT-506 -ból vettem át.

VU mérő.PNG
    
(#) reloop válasza Alkotó hozzászólására (») Szept 8, 2011 /
 
Üdv! Az átkötéseket áttettem alkatrész oldalra. Középen növeltem az IC-k távolságát, így ráfértek a biztik is. A Master/Slave párokat közös hűtőtönkökre tervezem, hogy a hővédelmük minél inkább szinkronban működjön. Mégegyszer köszönöm az észrevételt, ill. várom a továbbiakat.

HSM03.GIF
    
(#) Levi Jr. válasza csabacsaba hozzászólására (») Szept 8, 2011 /
 
CSatlakozom az előttem szólókhoz: MINDENKÉPPEN ALAGÚT-elrendezésben helyezd rá a panelokat, és hátulról fújj frisslevegőt át rajtuk, ami a trafón landol... ez a legideálisabb hőelrendezés.
(#) csabacsaba válasza Levi Jr. hozzászólására (») Szept 8, 2011 /
 
Renben van,koszi szepen..ugylesz
Mikor meglesz az erosito teszek fol kepeket
Udv
(#) Alkotó válasza reloop hozzászólására (») Szept 8, 2011 /
 
Szépen alakul, gratulálok. Nem követtem az elejétől a történéseket, ezért csak feltételezem, hogy ez két darab erősítő egy panelon, ahol mindkét erősítő két IC-ből áll, de a tápegységük közös.
Ha ezt jól gondolom, akkor ez a "biztosítás" nem szerencsés, mert akkora bizti kell, ami mindkét csatorna áramát elbírja (ez 4 IC-nél már bőven 10A feletti értéket jelent). Tehát ha valamelyik oldal sérülne, akkor nem tudja megvédeni sem őt, sem a másik oldalt. Ilyen esetekben szinte kötelező az oldalankénti biztosítás, mert ha az egyik oldal elhalálozik, akkor még a másik nyugodtan élhet tovább.
Az más kérdés, hogy akár IC-nként is lehetne biztosítani, ami itt most nem indokolt, és akkor még nem is beszültünk magáról a biztosítékról, ami egy elég "bizonytalan" alkatrész a táplálási körben. Vannak olyanok, akik állítólag még hallják is a biztosítékok káros hatását, de attól még szükséges.
(#) reloop válasza Alkotó hozzászólására (») Szept 8, 2011 /
 
Köszönöm! Jelen felállásban hídban tervezem hajtani - a már elkészült fázisfordítós előerősítővel. Bővebben: Link
A híd két oldala váltakozva terheli az adott biztosítékot, így némileg kisebb értékűt lehet majd berakni.
A project lényege mindössze annyi, hogy a hagyományos 200W-os hídkapcsolást építem meg párhuzamasan kapcsolt IC-kkel. Megpróbálnám a TDA-kat áramban és hőben nem csúcsra járatni. Az adatlap, ezen kívül a meghallgatás alapján is 50W-ig az IC nagyon szépen teljesít. Tranzisztoros kapcsolásoknál sem ördögtől való 200W táján megosztani a hőleadást több végtranzisztor között. Lehet pocsékolásnak tűnik az elképzelésem, de sokan ettől többet áldoznak a szükségesen felül beépített pufferkondenzátorokra.
A biztosíték kérdését a tanácsodra át fogom gondolni.
(#) Alkotó válasza reloop hozzászólására (») Szept 8, 2011 /
 
Értem, ez egyetlen erősítő, ahol 2-2 db párhuzamos IC-t, hidba kapcsolsz.
Az sosem árt ha vannak a rendszerben tartalékok.
A biztosítéknál pont az a lényeg, hogy gondold végig. Aztán simán lehet, hogy mégis az egyetlen "nagy" bizti lesz a nyerő. Itt azt kell mérlegelni -szerintem-, mekkora kockázatot jelent az egész egységre, ha annak egy része meghibásodik.
(#) reloop válasza Alkotó hozzászólására (») Szept 8, 2011 /
 
A legésszerűbb az egyenirányítás előtti védelem lenne, de azzal még nem próbálkoztam, nem ismerem a kalkulációját. Talán nem is annyira elterjedt.
(#) zoka válasza reloop hozzászólására (») Szept 9, 2011 / 1
 
Helló! Lehet, hogy őrültségnek hangzik, de én a párhuzamos-híd erősítőmnél, vagyis ugyanebben a felállásban egyáltalán nem is alkalmazok biztosítékot a szekunder oldalon. Nekem mindössze a trafó előtt van egyetlen 3,15A-es (ha jól tudom lomha) biztosíték. Ha a szekunder oldalon megnő az áramfelvétel, mert zárlat van vagy akármi, akkor a primer oldalon is növekedni fog. A trafó szempontjából nézve így is, úgy is védve van. Szerintem zárlatkor a kondenzátorok így sem szenvednek többet, mert a túláram egyből jelentkezni fog a primer oldalon is, és megszakad az áramkör. Ha az erősítőt rövidre zárod, akkor meg úgyis megette a fene. Az is érdekes, ha pl.: a pozitív tápágban kioldana a biztosíték, és így féltápot kapna az erősítő. Így nálam ha megszakad, egyszerre szűnik meg minden áram.

Nem is nagyon számolgattam, 400W a trafó, 230*3,15 akkor az 724W, a gyors biztosíték egyszer indításkor elcsattant, ezért úgy tudom, most lomha van.

Már 2 éve megy így az erősítő, és soha semmi gond nem volt vele. Ha nem zárom rövidre a kimenetet, szerintem nem is nagyon fog elpusztulni egyhamar
(#) Szabi1 hozzászólása Szept 9, 2011 /
 
Hello! Van valakinek TDA7294 híd NYÁK-terve ambe a mute es stby láb a +tápra van téve?
(#) Cumo hozzászólása Szept 9, 2011 /
 
Egy kérdés:
Kináltak nekem egy nagyobb 4-500 wa-s trafót apró pénzért,olyan 3-4 euró közt leng az ára + még kapom hozzá az egyenirányitót kondikat is..
A kimeneti feszültsége +- 26 volt.
Elegendő az egy 7294-nek??

Mert ugye amiket eddig öszeraktam alegalacsonyabb feszültség +- 30v volt azok jól müködnek mái napig is..
De 26volt -al még nem próbálkoztam.
Merjem megvenni a trafót?
(#) Keresztes Vitéz válasza Szabi1 hozzászólására (») Szept 9, 2011 /
 
Hello! Nekem ez van.
(#) WaRL0 válasza Cumo hozzászólására (») Szept 9, 2011 /
 
Az nem ár érte! Még ha nem is most, de egyszer biztos felhasználod valamire.
(#) Szabi1 válasza Keresztes Vitéz hozzászólására (») Szept 9, 2011 /
 
Köszi, és működik?
(#) Bassmester válasza Szabi1 hozzászólására (») Szept 9, 2011 /
 
EZ nem tetszik?
(#) TheShaft válasza reloop hozzászólására (») Szept 9, 2011 /
 
PC-hez szeretném használni, legfeljebb 2*50W teljesítményű hangdobozokkal.
(#) reloop válasza TheShaft hozzászólására (») Szept 9, 2011 /
 
Erre a feladatra elegendő az egyoldalas nyák. Óvnálak a felesleges költségektől.
(#) Keresztes Vitéz válasza Szabi1 hozzászólására (») Szept 9, 2011 /
 
Hello! Én is csak most építem, kettőt csináltam belőle, az egyik szépen megy, a másik zajos, de holnap még átnézem, és remélem meglesz a hiba.
(#) Keresztes Vitéz válasza Szabi1 hozzászólására (») Szept 10, 2011 /
 
Hello! Na ma reggel kipróbáltam, a gond ott volt, hogy a bemenet csatlakozóját feltettem, de nem forrasztottam be, most már tökéletes, úgyhogy jó a NYÁK. Sokan mondták és én is csak megerősíteni tudom, hogy hűteni becsülettel kell.
(#) Alkotó válasza Cumo hozzászólására (») Szept 10, 2011 /
 
Ha már egyenirányítva és pufferelve ennyi a feszültség, akkor az kevés a maximális teljesítmény eléréséhez, de működik vele.
Viszont ha a trafó AC feszültsége ennyi (persze akkor nem +-), az már sokkal jobb helyzet, mert +-35V körül számolhatsz.
(#) bankimajki hozzászólása Szept 10, 2011 /
 
Valaki számolgatott már hőleadó felületet? 4000cm2 elég lenne vajon 4db hídnak? (Nekem gyanús, hogy igencsak forró lenne.) (Persze erősen függ a táptól, de ha mindent fullra számolok, akkor én kevésnek érzem ezt a hűtést.) Valaki lemérhetné nekem a saját hűtőfelületét 1 hídra, amivel jól működik a rendszere.
(#) skero válasza Bassmester hozzászólására (») Szept 10, 2011 /
 
Tetszetős terv. Köszönöm ,hogy megosztottad velünk. Azt szeretném kérdezni ,hogy a tápágba milyen diódákat raktál ,illetve a szerepük csak a rossz polaritás elleni védelem? Sajnos csak 3,15 A es biztiket tudtam beszerezni ,az is elmegy még vagy mindenképpen ragaszkodjak a 4A -es hez? A táp amivel táplálnám 38 V körüli DC (2x 27,2 AC). Így ha a hődisszipációt is nézzük lehet ,hogy karcsú a 3,15A es bizti .
(#) Bassmester válasza skero hozzászólására (») Szept 10, 2011 /
 
Azoknak a diódáknak csak a polaritás védelem a szerepük, én sem szoktam bele rakni ha magamnak csinálom. Elég lesz a 3,15-ös lomha is, ha csak zenével és hangszóróval használod. Műterhelésen szinusz jellel már más volna a helyzet.
(#) skero válasza Bassmester hozzászólására (») Szept 10, 2011 /
 
Köszönöm a segítséget.
(#) Cumo válasza Alkotó hozzászólására (») Szept 10, 2011 /
 
Hát épen ez a problém hogy a trfó tápfeszültsége 2x18,9.
Vagyis átszámitva X1.41= 26.6
Hát csak remélni tudom hogy kicsavarhatom a 60-70 watt teljesitményt
Ha meg nem hát sajna akkor meg tévedtem
(#) Bassmester válasza skero hozzászólására (») Szept 10, 2011 /
 
Szívesen
(#) TheShaft hozzászólása Szept 10, 2011 /
 
Mivel lehet megnyitni a "lay" kiterjesztésű fájlokat?
Következő: »»   291 / 611
Bejelentkezés

Belépés

Hirdetés
XDT.hu
Az oldalon sütiket használunk a helyes működéshez. Bővebb információt az adatvédelmi szabályzatban olvashatsz. Megértettem