Fórum témák
» Több friss téma |
Fórum » Digitális hangerőszabályzás (potméter)
Témaindító: Abrakadabra, idő: Dec 16, 2005
Keresek olyan kapcsolást, amely 1 IC-t tartalmaz és a hangerő nyomógombok segítségével állítható. Továbbá a TCA 730 TCA 740-es IC-vel való hasonló kapcsolással kapcsolatos építési tapasztalatok is érdekelnének.
[pic]http://www.freeweb.hu/bss/rajzok/ds1669.gif[/pic]
A DS1669-es IC-t hol lehet beszerezni hozzá,kb.milyen áron ?
itt lehet ingyen próbadarabot rendelni, állítólag (én nem csináltam, csak olvastam másik fórumon) kiküldik postaköltség nélkül
de ebben a topicban is épp szóbakerült ez a hely.
Takee kolléga rendelt és meg is kapta 2 db ilyen ic-t
én is úgy tudom, hogy elküldik, csak az nem mindegy, hogy mennyi idő után. (amúgy hány free samle db-t küldenek max? )
heló!
![]() én rendeltem tőlük 1-2 héten belül itt van! 2db-t küldtek ilyen tök jó kisdobozban amit fel lehet használni valami kis szerkezetre ![]() én abba akarom beletenni a a dig. hangerőszabályzót!:yes:
én is rendeltem kb 10 perce! remélem nem rontottam el semmit és nem kell fizetni
Bocs hogy ide teszem de nem akartam ezért új topicot nyitni!:yes:
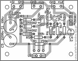
Megcsináltam egy erősítőt és nem tudom melyik a kimenet és a bemenet! Segítsetek légyszi! A Uz az a trafó! ennyit tudok!![]() csatolom a rajzot
Üdv!
Nekem szükségem lenn egy digitális potméterre, amivel egy triakot tudok vezérelni, hogy egy 230v-os lámpát tudjak halványítani. Szerintetek a DS1669-es megfelelő lenne erre? Ez mekkora értékű ellenálást jelent maximum értéken?és hány lépésben állítható? És nekem úgy lenne jó, hogy a kapcsolót egy tranzisztor zárná, amit egy infrás áramkör vezérelne, és mivel csak 1 csatornás lenne azért úgy szeretném, hogy a maxumumról egyből a minimumra ugrana, szóval így körbejárna. Ez így megvalósítható lenne valahogy?
Szia!
Ezeket találtam: http://www.freeweb.hu/bss/index.php?id=58&searchtext=f%E9nyer%F5&c1=1 http://www.freeweb.hu/bss/index.php?id=22&searchtext=f%E9nyer%F5&c1=1 Illetve itt, az oldalon is van egy komolyabb: http://www.hobbielektronika.hu/kapcsolasok/fenyeroszabalyzo_pic-el.html Ennyit tudtam segíteni, a másodikat megépítettem, és jó.
hello
mivel ez az ic naon tetszik.érdeklödöm útána hogy valaki dolgozot e már ilyenel tipusu ic-vel?minden tud álitani nyomogombal(pushbutton)hang erö,magas,mély...stb csatoltam a leírását.
Helló Suhanc!
A megjelölt IC-vel még nem volt dolgom, viszont azt tudom, hogy az AKAI HX-2-es digitális kazettás magnóban is mindent nyomógombbal kell vezérelni, többek között a felvételi hangerőt. A kapcsolásban nem pont ez az IC szerepel, melyet kérdezel, de próbáld megszerezni a magnó kapcsolását, abban megtalálod a teljes, erre vonatkozó kapcsolást. Persze ez nem tud magas vagy mély hangot szabályozni, de szerintem egy kis jártassággal meg kreativitással készíthető hozzá - az IC-hez - ilyen kapcsolás. Az IC típusa egyébként: LC 7530, ez van a deck-ben. Ha tudtam segíteni akkor örülök, egyébként meg nem is rossz gondolat ez a hangszín-szabályozási terv, mert így legalább a potik által keltett recsegések végérvényesen kiküszöbölhetőek! Ezen mostanság még nem gondolkodtam, lehet, hogy még nem késő... Üdv,Imre
Nézd meg EZT !
Hello!
ki vette észre, hogy a ds1669 halkítás során a magasahangokból is csíp rendesen? minimális hangerőnél már nem is lehet hallani magasat(a többi frekvenciát viszont igen)! másnak is csinálja vagy csinálta ezt?hogyan lehet megszüntetni? a fenti kapcsolást építettem meg, 7805stabic-től kap 5voltot.minden jó,csak halkításnál magasat vág... köszi!
Hali!
Van 2db DS1809-es digi poti, amiket 1-1 nyomógombbal, egyszerre szeretnék működtetni. Tehát ha megnyomom az egyik gombot, akkor mind a két poti egyszerre csökkenjen, illetve a másik gombra egyszerre nőljön. Kérdésem az lenne, hogy miként lehet ezt megoldani? Én olyanra gondoltam, bár lehet hülyeség, hogy egyszerűen összekötöm a két poti 2-2 vezérlő lábát, és közvetlenül ugyanarra a mikrokapcsolóra kötöm. Jó lesz így? Ha nem, akkor hogyan? Tulajdonképpen majd egy egyszerű sztereó erősítőhöz használnám hangerőszabályzásként. Előre is köszi! Üdv Krisz
Semmi akadalya hogy parhuzamositsd a vezerlesuket!
Egy bonyolultabb szabályzó
És egy nagyon egyszerű kapcsolás. Ebbe a második kapcsolásba ha jól emlékszem 1000FT az IC (nagykerbe)
Köszi szépen, ez jó hír!
GTI: Az első linket inkább hanyagoljuk, mert egy TDA2003-as erősítőhöz bőven sok. A második viszont az, amit használnék, bár DS1809-es digi potival. Nem mellékesen ingyen a Maximtól.
Ez a párhuzamos vezérlés tökéletesen működik, viszont lenne itt ez a funkció, hogy el tudja tárolni, hogy éppen hol áll a "csúszka", így következő bekapcsolással is megmarad ez az érték.
Az rendben is van, hogy adatlap 10µF-ot ír a 3-as lábra + egy Schottky dióda; próbapanelen össze is raktam, és kb 5 órát tudta így tárolni az értéket. Nekem ennél jóval hosszabb idő kellene, feltéve, hogy ez lehetséges. Mondjuk, ha nagyobb kapacitású kondit raknék (100uF)? Ki lehetne tolni így az időtartamot mondjuk 1 napra?
Kipróbáltam 100µF-dal, de úgy veszem észre, hogy az IC nem tetszését fejezte ki. Lehet még léptetni, de bekapcsoláskor már nem az egyik szélső helyzetben van a csúszka, hanem középen. Ezt miért okozta a nagyobb kapacitás?
Az IC csak addig igényli az energiát (ami a Schottky-dióda utáni kondiban van), amíg beírja a flash memóriájába a tárolandó értéket. Elvileg nem szabad utána elfelejtenie akkor sem, ha 10 µF -ot raksz oda.
Lenne egy problémám: megépítettem egy DS1666-os hangerőszabályzót, és az eredetileg zajmentes végfok elé kötöttem, de nagyon zúg (50 Hz).
A nyákterv egy kicsit kaotikusnak tűnhet, de tulajdonképpen csak egy szimmetrikus stabilizálásból, egy astabil 555-ös egységből és az IC-ből áll (+nyomógombok, LED). Az áramkör táplálása elé tettem még egy 15 V-os stabilizátort, hogy ne melegedjen túl az 5 V-os stab. Természetesen minden stabilizátor szűrt és a puffer után van. Kipróbáltam egy másik ugyanilyen panelt külön tápról (9 V-os elem), de ugyanúgy zúg. Lehetséges, hogy az IC-t zavarja a trafó mágneses tere, vagy esetleg a nyákot terveztem rosszul, és összeszed valami zajt? A kapcsolás potméterként normálisan működik (multiméterrel kimérve). Mi lehet a hiba?
Néztem, de nem nagyon találtam benne. Akkor is zúg, ha elemről táplálom a potmétert (ekkor szerintem nem alakulhat ki földhurok).
Foldhurok ekkor is kialakulhat!
Nem tudom, hogy mi van mivel osszekapcsolva, de ha foldhurok, akkor elemes taplalasnal es levalasztott bemenetnel(tehat semmi ne kapcsoladjon a poti-egyseg bemenetere) meg kell szunnie a bugasnak. Ha nem szunik meg, akkor lehet, hogy tenyleg valami magneses szoras okozza. De ennek kisebb az eselye...! |
Bejelentkezés
Hirdetés |






Segítsetek légyszi! A Uz az a trafó! ennyit tudok!

A második viszont az, amit használnék, bár DS1809-es digi potival. Nem mellékesen ingyen a Maximtól. 




