Fórum témák
» Több friss téma |
Hello
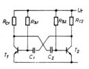
Elég kezdő vagyok, és szükségem lenne egy kapcsolási rajz megértéséhez, ami az oldal egyik tutorialjában volt. A 2 LEDes villogóról lenne szó. Az alkatrészek működését és a hozzájuk kapcsolódó számításokat ismerem. K1 csatolmány a kapcsolás. Leírom meddig értettem meg (ill. hogy értettem meg): Ha rákötjük az elemet az elektronok elkezdenek áramlani, a két lednél "megállnak", mert a tranzisztorok bázisaiban, "egyelőre" nincs áram. A cikk szerint az egyik kapcsol be először, az egyszerűség kedvéért maradjunk annál, hogy a baloldali "zár" először. Eddig minden oké, megértem. Ott van nálam a bibi, hogy a cikk szerint etután a baloldalihoz tartozó kondit elkezdi tölteni, majd ha feltöltött az bekapcsolja a másik tranzisztort, ami az én gondolkodásmódom szerint azért "hülyeség", mert a k2 ábrán kékkel jelölt útvonalon simán bekapcsolódik a tranzisztor. Ha nemtörődök ezzel, és elfogadom hogy az előbb említett kondi bekapcsolja a másik tranzisztort, attól még miért aludna el a baloldali led? Köszi a segítségeket
Ja, és még azt se értem, a tranzisztorok bázisaihoz minek 10k Ohm ellenállás? előző cikk(ek)ben 220 ohmos volt ahhoz bekötve
Pedig jó. Azt nem vetted figyelembe, hogy a kondi addig vezet, amíg nem töltött fel. Ezért a még fel nem töltött kondi földre húzza a másik NPN tranyó bázisát. Viszont (ha a kondi már feltöltődött) az általad bejenölt úton egy felhúzóellenálláson keresztül zárhat a tranyó, mert a feltöltött kondi már szigetelőként viselkedik.
Ez egy multivibrator.
A mukodese roviden: bekapcsolaskor a taranyok harcban allnak egymassal a kikapcsolasert, es az fog hamarabb kikapcsolni, amelyik gyengebb betaval bir a ketto kozul. Ekkor stabil allapot lep fel, mert a masik nyitva marad, amaz meg lezar. majd x ido elteltevel feltoltodik a gyengebbik tranyo bazisaramaban szerepet jatszo kondi, es mar nem tudja atranyot lezarva tartani. Ekkor amaz kinyit(az ellenallas miatti nyito bazisaram miatt), es a masik tranyo baziskondijan keresztul lezarja azt. Majd kezdodik minden elolrol...
Szóval ott tartasz h bal oldali világít tehát T1 vezet azaz nyitva van ezáltal földre húzza a LED katódját ugyanakkor a kondit is földre húzzam ami így elkezd töltőd mivel kivolt sülve ezért az elektronik oda áramlanak mivel közel 0 az ellenállás amikro elkezd töltőd elkezd emelkedni a feszültség benne a földhöz képest amikro eléri a T2 nyitó feszültségét ami ugye 0,6-,7V körül van Si tranzszoroknál kinyit a T2 világít a Led2 de közbe kisült C1 annyira h nem tudja már nyitva tartani a T1es ágat és az lezár így tábillent és elkezd töltődni a C1.Astabil multivibrátor mi is megépítettük első gyakorlati munkaként.
R1 és C1 valamint R2 és C2 itt nem így jelöli itt midn kettő R1 adja a taut ami a töltődési idő ezzel tudod szabályozni a villogás sebességét. R*C= tau Remélem tudtam segíteni
Köszönöm mindenkinek az eddigi válaszokat, de sajna még mindig nem értem teljesen
Addig értem hogy baloldali tranz. bekapcsol, és az alsó kondit elkezdi tölteni, mert a - lábát a - ra húzza mert zárt a baloldali tranz. De ha feltöltött a kondi (az alsó), az miért zárná a másik tranzisztort? a +os lába a jobboldali lednél van, és arra adja le a töltést, nem?
En az elejerol kezdenem, mert kicsit nehez kibogozni ki hogy gondolta raadasul a rajzon nincsenek rendesen szamozva az alkatreszek. Igy a megerteshez csatoltam egy jobb rajzot. Szoval bekapcsolaskor tetelezzuk fel, hogy T1 nyitott allapotban van T2 pedig zart. Ebben az esetben T1 bazisan a nyitashoz szukseges feszultseg van, kollektoran pedig csak egy kicsivel nagyobb feszultseg mint az emitteren, igy a hozza tartozo LED vilagit. Ezzel egyidoben T2 zart, azaz bazisan nagyon kicsi feszultseg van (nem eleg a nyitashoz), kollektoran viszont majdnem tapfesz. van. T2-nek ez az allapota nem stabil, hisz nincs semmi ami zarasban tartana. Alapallapotban C1 toltott allapotban van, C2 pedig ki van sutve. Namost Rb2-n keresztul C2 toltodni kezd es emelkedik T2 bazisfeszultsege. Amint ez a feszultseg eleri a nyitashoz szukseges erteket T2 kinyit. Ekkor hirtelen leesik a kollektoran levo feszultseg. Ez a hirtelen valtozas C1-en keresztul T1-et zarasba vezerli es C1 is kisul. Tehat most T1 zart es a hozza tartozo LED nem vilagit mig T2 nyitott es a hozza tartozo LED vilagit. Ebben a helyzetben T1 allapota nem stabil, mert nincs ami a bazisat zarasban tartana hisz Rb1-en keresztul C1 toltodik. Amikor T1 bazisa eleri a nyitashoz szukseges nagysagot, akkor T1 nyit, kollektoran leesik a feszultseg. Ez a negativ iranyu valtozas C2-n keresztul T2-t zarasba vezeti, C2 kisul es elerkeztunk a kiindulo allapothoz.
Rc1 es Rc2-vel sorba kepzelj el 1-1 LEDet
Hű... Ez aztán bonyolult. Kell egy kis idő amíg értelmezem
Edit: Nem értem Nem tudnád az eredeti kapcsrajzzal elmondani? Amit mellékeltél számomra kicsit átláthatatlan
Na azert annyira nem bonyolult
A lenyeg az, hogy tudd milyen feszultsegek vannak egy nyitott es egy zart tranzisztor elektrodain. Ha ez megvan, akkor tudod, hogy milyen feszultsegek vannak a kondikon, azaz melyik toltodik eppen stb. illetve tudni kell, hogy hogy viselkedik egy kondenzator hirtelen feszultseg valtozasakor.
Amit mellekeltem rajz az teljesen ugyanaz, csak nincs benne a ket LED. A Te rajzodon nem tudom elmagyarazni, mert ket db T1-es tranzisztor van ... rosszak a jelolesek. Alakitsd at a magyarazatomat ugy hogy a T1 helyere baloldali szot irsz, T2 helyere pedig jobboldali szot illetve C1 helyere also kondi C2 helyere pedig felso kondi szavakat irsz es akkor nezheted a Te rajzodat is.
Úgy tudom ezt az egészet elképzelni, hogy először az alsó kondi töltődik fel, ami baloldali tranzisztort "zárja", amiáltal feltölti a felső kondit, a felső kondi ha feltöltött, a jobboldali tranzisztort zárja. Érzem hogy közel vagyok a megoldáshoz
(viszont akkor azon dőlne el hogy melyik kondi töltődik fel előbb, nem azon h melyik tranz. zár először)
Szép téma is az impulzustechnika én személy szeritn nem szerettem igazán...
Azt hiszem megértettem magamban hogy melyik kondi mikor és hogy töltődik, mostmár csak aztnemtom hogy mitől alszik el a led/miért nyit a tranz.
Pont azért alszik el a Led m a tranzisztor amivel össze van kötve lezár és íyg nem vezeti az áramot azaz megszakítja a kört. Amásik pedig azért nyit ki m a kondi ami a bázisára megy feltöltődött oylan szintre h kinyitja a tranzisztort.
A tranzisztor azert nyit ki, mert a bazis-emitter feszultsege eleri-meghaladja a nyitashoz szukseges feszultseget. A LED pedig attol alszik el, hogy a tranzisztor lezar azaz nem folyik rajta aram. Ha ez igy van, akkor a tranzisztor kollektoran majdnem tapfeszultseg lesz jelen.
Az általad már látott rajzhoz felteszek egy diagramot, kb. így zajlik le az első periódus és folytatódik a többivel.
A fogalmakra figyelj: ha az egyik kondi töltődni kezd, az azt jelenti, hogy majd +nyitóáramot ad a vele sorbakapcsolódó tranyó-bázisba és az kinyit. A másik kondi ugyanakkor fordított polaritással rákapcsolódik a másik bázisra, tehát az meg negatív, majdnem tápfesznyi voltot kap és a tranyó lezár. Ezután kezd majd átpolarizálódni, de csak a kb. 0,6 voltig ( Si ). Itt még tápfesztől és egyéb variációktól függően változnak kissé a bázisokon lévő jelalakok, de alapban ez van.
Még annyit az előzőhöz, ha olyan ledet használsz, ami kb. 1 mA-rel is jól világít, akkor
megláthatod még a feltöltődés folyamatát is, vagyis együtt is világít a két led bizonyos fázisban. Rb1, Rb2 ~ 100 – 150 kohm, Rc1, Rc2 ~ 8k2 – 10 kohm, c1, c2 : 1000-2200 uF. 5-10 percet várj a mérésekkel, legyen ideje "beállni" az áramkörnek és lehetőleg ne tegyél be nagy szivárgóáramú elkókat. Utána multiméterrel pedig követheted a bázisok, kollektorok feszültségét, mert a periódusidő pár perc lesz ( Uc max a led miatt Ut – U led nyitó lesz csak ). Ezzel a beállítással azt is meglátod (talán...), hogy mire kell figyelni extrém esetekben.
Hello mindenki!
Köszönöm a segítségeket, meglep hogy mennyi válasz érkezett, és köszönöm az ábrákat is, amelyeket néhányan mellékeltetek. Rájöttem, miért nem értettem. Az volt a problémám, hogy mitől kapcsolódna le a tranzisztor. Aztán este hogy gondolkodtam egy kicsit, és eszembe jutott egy mondás amit annó a fizikatanárunk mondott: "Az elektronjaink olyan okosak, hogy mindig a rövidebb utat választják" :zavart1: Az elején feltettem azt a kérdést hogy a tranyó bázisaikra minek 10kohm, és ezzel van tul.képpen megválaszolva a kérdésem. Azért hogy amikor bekapcsol az egyik tranyó, akkor az általa bezárt 220 ohm-os út legyen a "rövidebb", tehát hogy kikapcsoljanak.Namost kinek adjam az 50 pöttyöt? :csodalk:
Ha érted, hogyan működik a cucc, akkor nagyon furcsán fejted ki még mindig - pedig világosan le van írva, hogyan zárja le egyik a másikat: negatív (lezáró ) feszt ad a másik bázisára.
A 10 kohm nem azért van, hogy amikor a tranyó bekapcsol, hanem akkor kapcsol be a tranyó, ha a 10 kohm-on keresztül nyitóirányú áramot ( bázisáramot ) kap. Csináld meg az előzőkben leírt tesztet. Idézet: „Namost kinek adjam az 50 pöttyöt?” Nekem felesleges, nem gyujtok pontokat ... ugy is mondhatnam nem a pontokert segitek
A kondiktól kapja a bázisáramot, nem? Azért villog
Oszd szét belátásod szerint aszemlehet ilyet is
És örülök h megértetted habár csatlakoznék fercihez h valóban érdekes kifejezés ez a rövidebb utat választja szteminkábbb a könnyebb út lehet helyes vagyis a kisebb ellenállás felé megy! Jóéjt jó építgetést jó ksi kapcsolás lehet fénysorompónak használni terepasztalon. Végülis onnan kapja ezért tarta addig nyitva amíg kisül a kondi!
Nem. A kondik toltodnek az ellenallasokon keresztul es amikor a bazisfeszultseg eleri a nyitashoz szukseges erteket akkor megindul a bazisaram az ellenallason keresztul es kinyit a tranzisztor igy megindul a kollektoraram es a LEDen is aram fog folyni azaz vilagitani kezd.
Asszem akkor megint nem értem
![]() Szal addig okés, hogy kinyit baloldali tranzisztor. Ezáltal az összes elektronbácsi ott fog áramlani a legbaloldalibb "csatornán" (amit én mellékeltem), tehát a 10 k ohm -os ellenállásokon egy darab áram nem folyik át .Az a két 10 k ohm -os "csatorna" csak az elején kell, hogy valamelyik tranzisztor kinyisson, mert utána már a tranzisztorok bázisfeszültségét mindig a kondik szolgáltatják. Nem? :rinya:
Ok, szoval a bal oldali tr. nyitva van, a jobb oldali pedig zarva. Ekkor a bal oldali tr. bazisan a nyitashoz szukseges fesz. van az emitteren fix 0V a kollektoran pedig van vmekkora feszultseg, ennek pontos erteke nem erdekes. Ebben az allapotban a bal oldali 10k-s ellenallason folyik aram a bal oldali tr. bazisaba. A jobb oldali tr. le van zarva, azaz a bazisan a nyitashoz szukseges fesztol kisebb feszultseg van (ezert van zarva), kollektoran pedig szinte tapfesz. nagysagu fesz. merheto. A bazisaba nem folyik aram sehonnan. Ebben az allapotban lathato, hogy az also kondi + fele kb. tapfeszultsegen van, mig - fele kisebb feszultsegen van (kb. akkoran ami a bal oldali tr.-t nyitasban tartja) es toltott allapotban van. A felso kondi - fele pedig majdnem 0 potencialon van (hisz ez a jobb oldali tr-hoz kapcsolodik aminek a bazis feszultsege 0, ezert is van zarva a tr.). A kondi + fele pedig valamekkora fesz.-en van, de ez most mind1 mert ez a kondi kisutott allapotban van. Ez a kiindulasi allapot es a tovabbi megerteshez ne gondolkozz azon, hogy pl. a jobb oldali tr. hogy lehet zarva es miert van ennek a tr.-nak a bazisa majdnem 0 potencialon. Bekapcsolaskor ugyanis olyan kaotikus allapotok uralkodnak, hogy nem lehet igazan meghatarozni melyik tr. lesz nyitva, melyik zarva, hogy vannak a kondik feltoltve stb. Szoval megvan az alapallapot.
Ebben a helyzetben a jobb oldali tr. nincs stabil allapotban, hisz nincs semmi ami zarasban tartana ezt a tr.-t. A bazisara kapcsolodo felso kondi a jobb oldali 10k-s ellenallason elkezd toltodni. A toltodes soran a jobb oldali tr. bazis feszultsege folyamatosan emelkedik es amikor eleri a nyitashoz szukseges nagysagot akkor a jobb oldali tr. kinyit. Ez azt eredmenyezi, hogy hirtelen megindul a bazisaram a jobb oldali 10k-s ellenallason keresztul, es ennek eredmenye, hogy a kollektoraram is megindul, a LED vilagitani kezd. Ezzel egyidoben a kollektoron hirtelen leesik a feszultseg es ez a feszultseg eses az also kondi masik vegen (-) is megjelenik es olyan merteku ami a bal oldali tr. lezarasat okozza. Mivel a bal oldali tr. lezar, megszunik a bazisaram es a kollektoraram is es a bal oldali LED kialszik. Ezzel elerkeztunk a kiindulasi allapothoz kepest ellenkezo allapothoz. Innentol kezdve ugyanaz tortenik mint elobb, csak epp az ellentetes oldali alkatreszekkel es ezutan eljutunk a kiindulasi allapothoz. Nemtom, hogy ez igy kicsit erthetobb volt? Idézet: A kondi nem a + oldalán kezd el töltődni? A felső kondi + oldala a baloldali ághoz kapcsolódik. Amúgy muszáj ezt teljesen megérteni hogy valami komolyabbat alkossunk? „A bazisara kapcsolodo felso kondi a jobb oldali 10k-s ellenallason elkezd toltodni.”
Nem muszaj megerteni semmit ... sokan azt sem ertik miert vilagit a lampa ha felkapcsoljak a kapcsolot
Akkor tisztázás képpen még néhány kérdésre kéne tudnom a választ:
1. A kondenzátor tul.képpen egy töltéstároló, aminek feltöltéséhez elég a pozitív pólus, csak akkor ad le áramot, amikor kisül. <- Ez így igaz? 2. Ha a 10 k ohm -os ellenlláson keresztül töltődik a kondi, minek oda egyáltalán 10 k ohm os ellenállás? 3. Miért van a potméternek három lába? :idiota:> |
Bejelentkezés
Hirdetés |











Rájöttem, miért nem értettem. Az volt a problémám, hogy mitől kapcsolódna le a tranzisztor. Aztán este hogy gondolkodtam egy kicsit, és eszembe jutott egy mondás amit annó a fizikatanárunk mondott: "Az elektronjaink olyan okosak, hogy mindig a rövidebb utat választják" :zavart1: Az elején feltettem azt a kérdést hogy a tranyó bázisaikra minek 10kohm, és ezzel van tul.képpen megválaszolva a kérdésem. Azért hogy amikor bekapcsol az egyik tranyó, akkor az általa bezárt 220 ohm-os út legyen a "rövidebb", tehát hogy kikapcsoljanak.






